申請日2016.05.30
公開(公告)日2016.08.24
IPC分類號C02F9/08; C02F101/38
摘要
本發明屬于處理硝基苯廢水處理的技術領域,具體涉及一種超聲波/鐵碳微電解‑Fenton氧化法處理硝基苯廢水的方法及裝置,解決了現有技術中單一超聲波處理廢水中的有機污染物時效率低以及傳統的鐵碳微電解‑Fenton法直接處理廢水,隨著處理時間的延長,鐵碳微電解因填料鈍化而使處理效率大幅度降低、陽極反應削弱的問題。先將硝基苯廢水用超聲波結合鐵碳微電解處理,將難降解的硝基苯還原為易降解的苯胺;微電解完成后,將廢水放入攪拌反應池中,向廢水中加入H2O2,與廢水中的Fe2+構成Fenton試劑進一步氧化降解廢水。本發明鐵碳微電解的反應速率在整體上提高了6~10倍,同時使得廢水中游離Fe2+濃度提高了5~8倍,大幅度減少了后續Fenton氧化法所需的H2O2。
摘要附圖
權利要求書
1.一種超聲波/鐵碳微電解-Fenton氧化法處理硝基苯廢水的方法,其特征在于:步驟如下:(1)先將硝基苯廢水用超聲波結合鐵碳微電解處理,將難降解的硝基苯還原為易降解的苯胺;(2)微電解完成后,將廢水放入攪拌反應池中,向廢水中加入H2O2,與廢水中的Fe2+構成Fenton試劑進一步氧化降解廢水。
2.根據權利要求1所述的超聲波/鐵碳微電解-Fenton氧化法處理硝基苯廢水的方法,其特征在于:處理前的硝基苯廢水pH用酸或堿調節至2~4,硝基苯廢水中硝基苯的濃度小于等于500 mg/L;構成微電解電極的鐵屑與活性炭質量比為1:3~3:1;鐵屑劑量為10 g/L~30g/L。
3.根據權利要求1或2所述的超聲波/鐵碳微電解-Fenton氧化法處理硝基苯廢水的方法,其特征在于:步驟(1)中超聲波的頻率為20~40 kHz,溫度控制在室溫。
4.根據權利要求3所述的超聲波/鐵碳微電解-Fenton氧化法處理硝基苯廢水的方法,其特征在于:步驟(2)中加入的H2O2在廢水中的濃度為0.01~0.04 mol/L。
5.根據權利要求4所述的超聲波/鐵碳微電解-Fenton氧化法處理硝基苯廢水的方法,其特征在于:步驟(1)超聲波結合鐵碳微電解處理硝基苯廢水時間為35~45min,步驟(2)加入H2O2溶液后的反應時間為20~30 min。
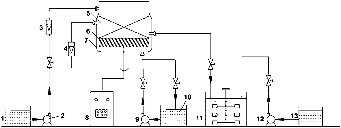
6.一種完成如權利要求5所述的超聲波/鐵碳微電解-Fenton氧化法處理硝基苯廢水的裝置,其特征在于:包括設有進液口、出液口的鐵碳微電解床(5),鐵碳微電解床(5)的進液口通過轉子流量計(3)以及液泵Ⅰ(2)連接硝基苯廢水儲液槽(1);鐵碳微電解床(5)底部裝有超聲波振板(6),超聲波振板(6)與超聲波發生器(8)相連接;微電解床(5)被夾套(7)所包裹,夾套(7)帶有進水口與出水口,且均與儲水槽(10)相連,同時通過液泵Ⅱ(9)使儲水槽內的冷卻水在鐵碳微電解槽外循環流動控溫;鐵碳微電解槽(5)的出液口與攪拌反應池(11)相連,攪拌反應池(11)通過液泵Ⅲ(12)與H2O2儲液槽(13)相連。
7.根據權利要求6所述的超聲波/鐵碳微電解-Fenton氧化法處理硝基苯廢水的裝置,其特征在于:所述攪拌反應池(11)中所需的攪拌器為電動攪拌器,轉速為100~300 rpm。
說明書
超聲波/鐵碳微電解-Fenton氧化法處理硝基苯廢水的方法及裝置
技術領域
本發明屬于處理硝基苯廢水處理的技術領域,具體涉及一種超聲波/鐵碳微電解-Fenton氧化法處理硝基苯廢水的方法及裝置,其采用超聲波技術、鐵碳微電解法和Fenton氧化法共同作用處理硝基苯廢水。
背景技術
近年來鐵碳微電解法常與Fenton氧化法聯用處理廢水,尤其是硝基苯類廢水。在鐵碳微電解反應過程中,鐵作陽極失電子并釋放Fe2+于廢水中(如式1所示),H+在陰極碳上吸收電子生成強還原劑新生態氫[H](如式2所示)還原降解有機污染物。鐵碳微電解為一種還原法,只能破壞復雜有機大分子結構,使其易于氧化或生化降解,因此并不能徹底使有機物礦化。然而鐵碳微電解所造成的副產物Fe2+為Fenton氧化法必不可少的催化劑,催化H2O2生成·OH,深度氧化降解廢水中的有機污染物。
陽極: QUOTEE(Fe/Fe2+) = 0.44 V(1)
陰極: QUOTEE(H+/H2) = 0.00 V(2)
將鐵碳微電解與Fenton法聯用處理硝基苯廢水,一方面可以用鐵碳微電解先將大部分難降解的硝基苯還原為易于氧化降解的苯胺,從而便于Fenton法進一步深度氧化降解廢水中殘留的苯胺和硝基苯,另一方面通過在鐵碳微電解處理后的廢水中直接加入一定量的H2O2即可于廢水中殘留的Fe2+構成Fenton試劑,進一步利用鐵碳微電解生成的Fe2+,二次以廢治廢。
然而鐵碳微電解作用后的廢水中,Fe2+濃度通常不高,尤其是長期使用過的鐵碳填料所處理后的廢水。因而對于濃度較高的硝基苯廢水或其它廢水,后續Fenton氧化法所需要的H2O2溶液用量較高或額外向廢水中補充一定量的Fe2+,才可維持Fenton氧化法的效率。這是因為,在鐵碳微電解反應過程中,生成的Fe2+在被氧化成Fe3+時往往會水解生成Fe(OH)2和Fe(OH)3,Fe(OH)2和Fe(OH)3可在溶液中形成具有較強絮凝沉降作用的膠體,形成的絮凝聚集物一方面會沉積覆蓋在鐵碳填料表面,削弱電極反應,減少Fe2+的生成量,另一方面同樣可吸附帶走溶液中的Fe2+,減少溶液中游離的Fe2+,故微電解處理后的廢水中可供Fenton法直接利用的Fe2+較少。
超聲輻射技術是近20年發展起來的廢水處理技術。它在水體溶液中產生的空化作用能使水分子熱裂解產生強氧化性的·OH,亦可使有機物質特別是難降解的抗氧化性強的有機污染物發生熱裂解。更為重要的是對于固液反應體系,超聲的空化作用可以破碎并沖刷固體表面的沉積物,清洗固體表面的覆蓋物釋放表面反應活性位點。然而單一超聲波處理廢水中的有機污染物時效率低,因而常與Fenton法、臭氧氧化法、光催化法聯用以提高廢水處理效率。
專利CN201010571686.1公開了一種超聲波輔助鐵碳微電解廢水處理法,利用超聲波去除鐵碳電極表面的氣泡,加快鐵碳微電解反應效率,隨后對微電解池曝氣生成Fe(OH)3,絮凝吸附脫除廢水中的有機物。此法并未徹底礦化有機污染物,只是暫時將其從廢水中轉移。另外曝氣階段所產生的絮凝物易沉積在鐵碳填料表面難以隨廢水排出,從而阻礙鐵碳微電解反應;若沖洗或超聲清洗填料,則沉積物中的有機污染物會再次進入水溶液中待處理,加重廢水處理成本。
發明內容
本發明為解決現有技術中單一超聲波處理廢水中的有機污染物時效率低以及傳統的鐵碳微電解-Fenton法直接處理廢水,隨著處理時間的延長,鐵碳微電解因填料鈍化而使處理效率大幅度降低、陽極反應削弱的問題,提供一種超聲波/鐵碳微電解-Fenton氧化法處理硝基苯廢水的方法及裝置。
本發明采用如下的技術方案實現:
一種超聲波/鐵碳微電解-Fenton氧化法處理硝基苯廢水的方法,步驟如下:(1)先將硝基苯廢水用超聲波結合鐵碳微電解處理,將難降解的硝基苯還原為易降解的苯胺;(2)微電解完成后,將廢水放入攪拌反應池中,向廢水中加入H2O2,與廢水中的Fe2+構成Fenton試劑進一步氧化降解廢水。
處理前的硝基苯廢水pH用酸或堿調節至2~4,硝基苯廢水中硝基苯的濃度小于等于500 mg/L;構成微電解電極的鐵屑與活性炭質量比為1:3~3:1;鐵屑劑量為10 g/L~30 g/L。
步驟(1)中超聲波的頻率為20~40 kHz,超聲波的功率4~8kW。步驟(2)中加入的H2O2在廢水中的濃度為0.01~0.04 mol/L。
步驟(1)超聲波結合鐵碳微電解處理硝基苯廢水時間為35~45min,步驟(2)加入H2O2溶液后的反應時間為20~30 min。
首先鐵碳微電解可將硝基苯還原為苯胺以及其他少部分中間產物。其次超聲波的空化作用可以連續清洗鐵碳顆粒表面的沉積物,連續釋放鐵碳填料表面的反應活性位點,解除鐵碳填料易于鈍化而失去反應活性的問題,使得鐵碳微電解反應速率一直維持在較高水平。鐵碳反應后鐵主要以二價鐵的形式存在于溶液中,因此在鐵碳微電解反應后向溶液中加入H2O2,則可與溶液中殘存的二價鐵構成Fenton試劑深度氧化降解廢水中殘存的有機污染物,二次以廢治廢。
鐵碳微電解在反應過程中生成的二價鐵易于形成Fe(OH)2或Fe(OH)3,其混凝作用易吸附周圍環境中的異電荷微粒形成穩定的絮凝聚集物并沉積在鐵碳填料表面。因此,傳統鐵碳微電解床在長期運行后,鐵碳填料表面會逐漸被生成的聚集物完全覆蓋,阻礙鐵碳微電解的電子傳遞過程,即鐵碳填料鈍化失活。目前工業上解決的辦法主要是更換填料或是使填料再生。由于實際的鐵碳微電解設備體積過于龐大,更換填料顯然耗時、費力,因此填料原位再生顯得尤為重要。目前工業上使填料再生的方法主要是酸洗和反沖洗,但這是以酸耗能耗為代價實現的,而且沖洗后會造成額外的廢水,沖洗的同時也阻斷了廢水的連續化處理。
超聲波在液體中傳播時伴隨著極強的能量,可以克服分子間的相互作用力,撕裂液體生成空化氣泡,隨著超聲波的繼續作用氣泡逐漸膨脹至最大同時在氣泡內部聚集極高的能量形成高溫高壓的微環境。隨著氣泡的崩滅,其內部的高能量會以微射流的形式沖擊周圍的環境,當其沖擊周圍環境中的固體顆粒時,可以沖洗固體顆粒表面。另外,超聲波在液體中產生的微射流所具有的強大沖擊力還可破壞絮凝聚集物并防止絮凝物的生成與擴大,避免液體中游離的Fe2+的流失。
完成上述超聲波/鐵碳微電解-Fenton氧化法處理硝基苯廢水的裝置,包括設有進液口、出液口的鐵碳微電解床,鐵碳微電解床的進液口通過轉子流量計以及液泵Ⅰ連接硝基苯廢水儲液槽;鐵碳微電解床底部裝有超聲波振板,超聲波振板與超聲波發生器相連接;微電解床被夾套所包裹,夾套帶有進水口與出水口,且均與儲水槽相連,同時通過液泵Ⅱ使儲水槽內的冷卻水在鐵碳微電解槽外循環流動控溫;鐵碳微電解槽的出液口與攪拌反應池相連,攪拌反應池通過液泵Ⅲ與H2O2儲液槽相連。
所述攪拌反應池中所需的攪拌器為電動攪拌器,轉速為100~300 rpm。
本發明的有益效果是:一方面利用超聲波的強大沖洗作用,連續更新鐵碳填料表面,不斷釋放填料表面的反應活性位點,使鐵碳填料有效反應表面積在水處理過程中至始至終均處于高水平,以解除鐵碳填料易鈍化的問題,另一方面利用超聲的空化作用,破壞絮凝聚集物以及防止絮凝物的生成與擴大,避免液體中游離的Fe2+的流失。超聲波的介入使得鐵碳微電解的反應速率在整體上提高了6~10倍,同時使得廢水中游離Fe2+濃度提高了5~8倍,大幅度減少了后續Fenton氧化法所需的H2O2。
與傳統鐵碳微電解床處理硝基苯相比,當硝基苯濃度從500 mg/L降低至50 mg/L時,超聲/鐵碳微電解床可使處理時間縮短70%,Fenton氧化法處理后,污染物礦化率達到90%以上,硝基苯零殘留。
對于傳統的鐵碳微電解-Fenton法直接處理廢水而言,隨著處理時間的延長,鐵碳微電解因填料鈍化而使處理效率大幅度降低、陽極反應削弱,這直接會影響到廢水中游離的Fe2+較高濃度要求,從而造成后續Fenton氧化法所需的催化劑Fe2+補給不足。在鐵碳微電解反應過程中,生成的Fe2+在被氧化成Fe3+時可水解生成Fe(OH)2和Fe(OH)3,Fe(OH)2和Fe(OH)3在溶液中形成的膠體具有較強絮凝沉降作用的,可吸附周圍環境中的微粒形成穩定的絮凝聚集物。該種絮凝聚集物一方面可沉積在鐵碳填料表面形成覆蓋層,阻礙溶液向電極的傳質過程以及原電池的生成,削弱電極反應,減少Fe2+的生成量;另一方面絮凝物同樣可吸附夾帶走溶液中游離的Fe2+從而減少溶液中游離的Fe2+,因此微電解處理后的廢水中可供Fenton法直接利用的Fe2+有限,甚至不足。超聲波與鐵碳微電解的聯用不僅可以連續快速去除填料表面的絮凝聚集物,加速電極反應,提高Fe2+的生成量,其在液體中產生的微射流所具有的強大沖擊力還可將絮凝聚集物粉碎并防止絮凝物的生成與擴大,避免液體中游離的Fe2+的流失。超聲波的介入使得鐵碳微電解的出水中游離的Fe2+濃度高,為后續加入的Fenton氧化法提供足夠的催化劑,充分催化溶液中所加入的H2O2,促進·OH的生成量,有效降低了H2O2的用量,并實現Fenton法所需催化劑Fe2+的零補充。


