申請日2015.07.23
公開(公告)日2015.11.25
IPC分類號C02F9/04
摘要
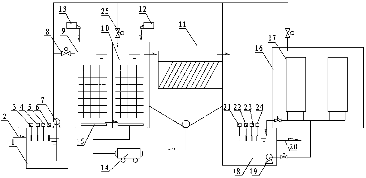
本實用新型屬于污水處理技術領域,公開了一種用于污水處理廠分類深度處理系統,用于解決現有污水處理系統通用性差的問題。本實用新型包括用于收集污水的收集池,所述收集池配設有提升泵,其特征在于,所述提升泵的出口連接有輸出管道,所述輸出管道上連接有分別與除磷池、絮凝池、超濾池連通的除磷池進水閥、絮凝池進水閥和超濾池進水閥;所述除磷池與絮凝池連通,所述絮凝池連通有沉淀池,所述沉淀池的出口連通有清水池,所述超濾池內設置有超濾組件,所述超濾池的出口與清水池連通。
權利要求書
1.用于污水處理廠分類深度處理系統,包括用于收集污水的收集池,所述收集池配設有提升泵,其特征在于,所述提升泵的出口連接有輸出管道,所述輸出管道上連接有分別與除磷池、絮凝池、超濾池連通的除磷池進水閥、絮凝池進水閥和超濾池進水閥;所述除磷池與絮凝池連通,所述絮凝池連通有沉淀池,所述沉淀池的出口連通有清水池,所述超濾池內設置有超濾組件,所述超濾池的出口與清水池連通。
2.根據權利要求1所述的用于污水處理廠分類深度處理系統,其特征在于,所述除磷池和絮凝池的底部設置有曝氣管,所述曝氣管與設置除磷池和絮凝池外部的空壓機連通。
3.根據權利要求2所述的用于污水處理廠分類深度處理系統,其特征在于,所述除磷池和絮凝池分別配設有除磷加藥裝置和絮凝加藥裝置。
4.根據權利要求1—3任一所述的用于污水處理廠分類深度處理系統,其特征在于,所述清水池配設有用于對超濾組件進行反沖的超濾反沖洗泵。
5.根據權利要求4所述的用于污水處理廠分類深度處理系統,其特征在于,所述收集池配設有進水檢測儀、進水濁度檢測儀、進水氨氮檢測儀和進水總磷檢測儀。
6.根據權利要求4所述的用于污水處理廠分類深度處理系統,其特征在于,所述清水池配設有出水檢測儀、出水濁度檢測儀、出水氨氮檢測儀和出水總磷檢測儀。
說明書
用于污水處理廠分類深度處理系統
技術領域
本實用新型屬于污水處理技術領域,公開了一種用于污水處理廠分類深度處理系統。
背景技術
污水處理技術總體而言可分為物理處理技術、物理化學處理技術、生物化學處理技術和化學處理技術,現有技術中關于污水處理的文獻也較多,例如申請號為201410556467.4的發明專利公開了一種污水處理系統,包括:至少一個污水輸入管道,曝氣池,一集水槽、至少一個坡形斜面;曝氣池上連接有排水管道,排水管道設置于坡形斜面的頂部;集水槽設置于坡形斜面的底部;至少一個污水輸出管道,污水輸出管道連接于集水槽底部,至少一個過濾單元,設置于坡形斜面與集水槽之間,或設置于集水槽之中,曝氣池內還均勻設置對流柱陣列;對流柱包括蓋板和立柱,蓋板露出水面,且蓋板的上表面為深色金屬質;立柱包括芯軸及包覆在芯軸外側的耐腐蝕保溫層,芯軸由金屬構成,且該芯軸的上方連接至蓋板的上表面,下方連接至集水槽池底;芯軸的近池底端裸露,其余部分由耐腐蝕保溫層包覆,芯軸的近集水槽底端連接有一個散熱部;散熱部由球形薄金屬面構成;過濾單元為微孔過濾介質。
申請號為201410513206.4的發明專利公開了一種戶用污水處理系統,由順次連接的沉淀隔油池、填料池、蓄水提升池、自復氧生物池和人工濕地床組成,沉淀隔油池內設置有隔板和總進水管,填料池內設有彈性填料和進水管,填料池和蓄水提升池之間有過水孔,蓄水提升池內有太陽能與常規動力相結合的提升泵,提升泵與提升管相連,自復氧生物池內設置有填料層,填料層從上至下依次為砂層、細顆粒礫石層和粗顆粒礫石層,自復氧生物池池壁上設置有復氧管和通氣孔,自復氧生物池池底設置有曝氣管,填料層上面設置有布水管,布水管與提升管相連,自復氧生物池通過穿孔排水管與人工濕地床相連,人工濕地床內設置有礫石層,人工濕地床底部從上至下依次為土工布層、高密度聚乙烯膜和壓實粘土層,人工濕地床底部設置有可調出水管,可調出水管與回用蓄水池相連或與當地地表水體相連;蓄水提升池內設置有與提升泵相配合的液位控制器;自復氧生物池設置有預留孔,帳篷安裝在預留孔中;自復氧生物池通過穿孔排水管與緩沖池相連,緩沖池通過恒流出水器與人工濕地床相連;人工濕地床中鋪設有石灰石或硅灰石。
申請號為201510004001.8的發明專利公開了一種污水處理系統,包括:處理塔本體,處理塔本體內自下而上依次限定出厭氧流化床反應區、污泥沉降區和膜分離區,厭氧流化床反應區內填充附著有厭氧微生物的載體顆粒,且適于利用厭氧微生物分解污水中的有機物,厭氧流化床反應區具有豎直設置的導流筒,導流筒上端設置有固液分離器,膜分離區具有旋轉膜組件;污水入口,污水入口設置在位于厭氧流化床反應區側壁的下部且與導流筒相連通;泥水出口,泥水出口設置在位于厭氧流化床反應區側壁的上部,且在豎直方向上,泥水出口位置高于固液分離器;泥水入口,泥水入口設置在位于厭氧流化床反應區側壁的下部且與導流筒相連通;清水出口,清水出口設置在位于膜分離區的側壁上;以及生物氣體出口,生物氣體出口設置在位于膜分離區的頂部。
申請號為201510116668.7的發明專利公開了一種污水處理系統,包括預缺氧池,與進水管道相連接,用于回流污泥和污水的缺氧反硝化反應;厭氧池,與進水管道相連接,并且與預缺氧化池相導通,用于生化除磷時進行厭氧釋磷;缺氧池,與進水管道相連接,并且與厭氧池相導通,用于反硝化脫氮;好氧池,與缺氧池相導通,用于有機物降解、有機氮和氨氮硝化、磷的吸收;后缺氧池,與好氧池相導通,用于同時硝化反硝化處理;序批式斜板沉淀池,與后缺氧池相導通,用于泥水分離處理和回流污泥的濃縮,回流污泥回流至預缺氧池。
然而,正如上面講述的現有污水處理系統,都只能夠針對某一類污水進行處理,不能對不同類型的污水處理,造成污水處理系統通用性差;并且即使在處理同一企業污水時,由于生產情況的調節(例如加工產品的更換、原料更換、工藝改變)會造成污水水質發生改變,造成已經投入使用的污水處理系統不能夠滿足污水處理要求,勢必會重新建設新的污水處理系統,從而導致投資成本高。
實用新型內容
本實用新型為了解決現有污水處理系統通用性差的問題,而提供一種用于污水處理廠分類深度處理系統,能夠對不同類型的污水進行處理,能夠提高污水處理系統的利用率。
為解決上述技術問題,本實用新型所采用的技術方案是:
用于污水處理廠分類深度處理系統,包括用于收集污水的收集池,所述收集池配設有提升泵,其特征在于,所述提升泵的出口連接有輸出管道,所述輸出管道上連接有分別與除磷池、絮凝池、超濾池連通的除磷池進水閥、絮凝池進水閥和超濾池進水閥;所述除磷池與絮凝池連通,所述絮凝池連通有沉淀池,所述沉淀池的出口連通有清水池,所述超濾池內設置有超濾組件,所述超濾池的出口與清水池連通。
所述除磷池和絮凝池的底部設置有曝氣管,所述曝氣管與設置除磷池和絮凝池外部的空壓機連通。
所述除磷池和絮凝池分別配設有除磷加藥裝置和絮凝加藥裝置。
所述清水池配設有用于對超濾組件進行反沖的超濾反沖洗泵。
所述收集池配設有進水檢測儀、進水濁度檢測儀、進水氨氮檢測儀和進水總磷檢測儀。
所述清水池配設有出水檢測儀、出水濁度檢測儀、出水氨氮檢測儀和出水總磷檢測儀。
與現有技術相比,本實用新型具有以下有益效果:
本實用新型的用于污水處理廠分類深度處理系統,包括用于收集污水的收集池,所述收集池配設有提升泵,所述提升泵的出口連接有輸出管道,所述輸出管道上連接有分別與除磷池、絮凝池、超濾池連通的除磷池進水閥、絮凝池進水閥和超濾池進水閥;所述除磷池與絮凝池連通,所述絮凝池連通有沉淀池,所述沉淀池的出口連通有清水池,所述超濾池內設置有超濾組件,所述超濾池的出口與清水池連通。本實用新型在使用過程中,可以根據不同類型的污水選擇相應的處理系統進行處理,提高了本實用新型的實用性;同時本實用新型特別適用于污水處理廠的使用,夠降低投資的成本,提高污水處理系統的利用率







