申請日2014.10.16
公開(公告)日2015.01.21
IPC分類號F23G7/00
摘要
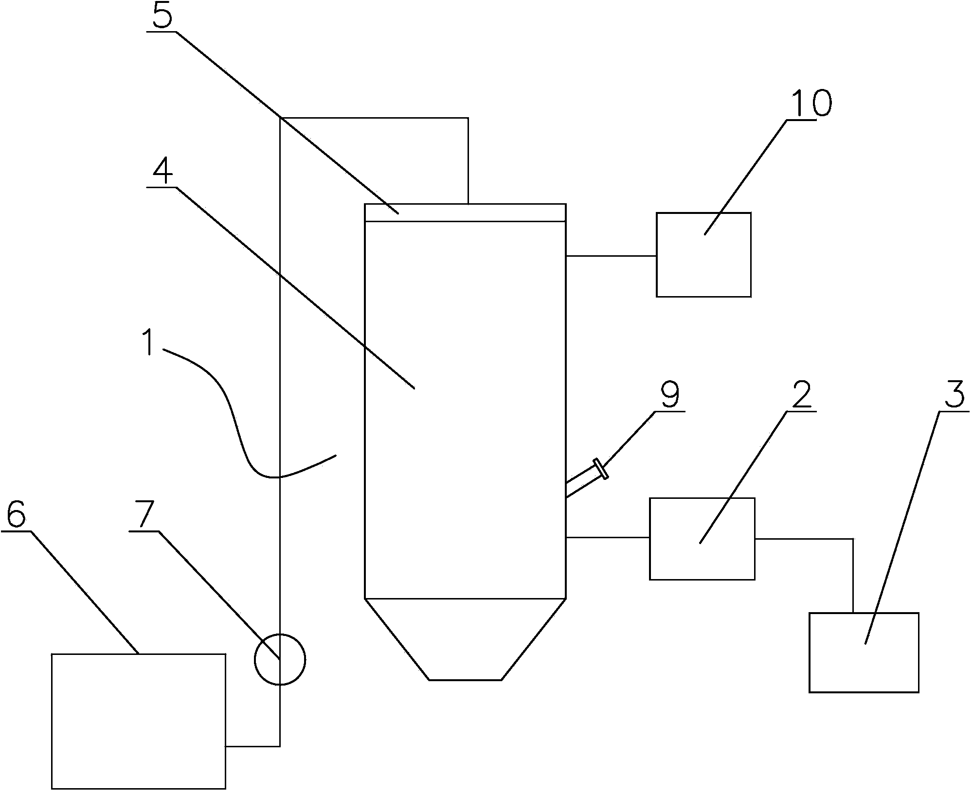
本發明提供了一種污泥焚燒發電設備,用于處理污泥池中的污泥,包括污泥焚燒鍋爐、蒸汽機和發電機,所述污泥焚燒鍋爐與蒸汽機連接,所述蒸汽機與發電機連接,所述污泥焚燒鍋爐包括高度為21~25m的爐膛和安裝在所述爐膛頂部敞口的爐蓋,所述污泥入口通過管道與所述污泥池連接,所述管道上安裝有柱塞泵,所述污泥入口中水平設置有至少二個隔斷條,所述爐膛的下部設置有原煤入口和點火裝置,上部連接有煙氣凈化裝置,這種污泥焚燒發電設備及其生產方法相對于現有技術中污泥焚燒工藝而言,省去了磨煤機和高溫風機等對含水量較高的污泥進行干燥的設備和步驟,利用爐膛內本身具有的高溫對污泥進行干燥,降低了資金投入,有利于污泥焚燒處理的應用推廣。
權利要求書
1.一種污泥焚燒發電設備,用于處理污泥池中的污泥,其特征在于:包括 污泥焚燒鍋爐、蒸汽機和發電機,所述污泥焚燒鍋爐與蒸汽機連接,所述蒸汽 機與發電機連接,所述污泥焚燒鍋爐包括高度為21~25m的爐膛和安裝在所述爐 膛頂部敞口的爐蓋,所述爐蓋居中開設有至少一個污泥入口,所述污泥入口通 過管道與所述污泥池連接,所述管道上安裝有柱塞泵,所述污泥入口中水平設 置有至少二個隔斷條,所述爐膛的下部設置有原煤入口和點火裝置,上部連接 有煙氣凈化裝置。
2.如權利要求1所述的污泥焚燒發電設備,其特征在于:所述污泥入口的 個數為六個。
3.如權利要求2所述的污泥焚燒發電設備,其特征在于:所述爐膛的上部 為圓柱形,下部的形狀為圓錐臺,所述爐蓋的直徑為1350~1400mm。
4.如權利要求3所述的污泥焚燒發電設備,其特征在于:所述污泥入口為 圓形,直徑為155~165mm,所述隔斷條的個數為二個,所述二個隔斷條垂直設 置并都穿過所述污泥入口的中心。
5.如權利要求3所述的污泥焚燒發電設備,其特征在于:所述污泥入口為 正方形,邊長為155~165mm,所述隔斷條的個數為四個,所述四個隔斷條將污 泥入口分隔成九宮格。
6.一種利用如權利要求1~5任意一項所述的污泥焚燒發電設備的污泥焚燒 發電方法,其特征在于:包括以下步驟:
A)將原煤從原煤入口加入到所述爐膛的下部,并通過點火裝置點燃原煤;
B)測量所述爐膛的上部溫度,達到800~950℃時,利用柱塞泵將污泥池中 含水量90%以上的污泥經過所述管道抽送至所述污泥入口,污泥被隔斷條分隔 打散后進入爐膛中;
C)離散的污泥利用800~950℃的高溫快速干燥,含水量逐漸下降至30~35%, 污泥最終落入所述爐膛的下部進行焚燒;
D)蒸汽機將燃燒原煤和污泥產生的蒸汽熱能轉換成機械能,發電機再將機 械能轉換成電能;
E)煙氣凈化裝置對燃燒原煤和污泥產生產生的煙氣依次進行脫硝處理、靜 電除塵處理和脫硫處理后排入大氣。
7.如權利要求6所述的污泥焚燒發電設備的污泥焚燒發電方法,其特征在 于:加入的污泥與原煤的質量比1:2。
8.如權利要求7所述的污泥焚燒發電設備的污泥焚燒發電方法,其特征在 于:污泥每小時的加入量為6~8噸。
說明書
污泥焚燒發電設備及其生產方法
技術領域
本發明涉及污泥處理技術領域,尤其涉及一種污泥焚燒發電設備及其生產 方法。
背景技術
隨著我國社會經濟和城市化的發展,城市污水的產生及數量在不斷增長。 根據有關資料預測,我國城市污水量在未來20年還會有較大增長,2010年污水 排放量就達到就4.4×1010m3·d-1。目前,我國年產干污泥近3×106t,隨著國內 污水處理事業的發展,污水處理廠的總處理水量和處理程度的不斷擴大和提高, 所產生的污泥量也將日益增加。大量的污泥未能得到及時、合理的處理而成為 污水處理廠沉重的負擔。
污泥是污水處理的產物,成分很復雜,它包括混入生活污水或工業廢水中的 泥砂、纖維、動植物殘體等固體顆粒及其凝結的絮狀物、由多種微生物形成的 菌膠團及其吸附的有機物、重金屬元素和鹽類、少量的病原微生物、寄生蟲卵 等綜合固體物質。污泥的主要特性是含水率高(可高達99%以上),有機物含量 高,容易腐化發臭,并且顆粒較細,比重較小,呈膠體液狀。不過,污泥中還 含有大量的N、P、K、Ca及有機質,且N、P以有機態為主,可以緩慢釋放, 具有長效性。污泥是有用的生物資源,如能合理利用則不僅能變廢為寶,還能 增加經濟效益。
污泥焚燒是污泥處理的一種工藝。它將污泥與原煤一起放入焚燒爐進行焚 燒,用高溫氧化污泥中的有機物,使污泥成為少量灰燼。由污水處理廠送出的 污泥含水量在90%以上,發熱值在1200kj/kg左右,因此在焚燒之前必須對污 泥進行干燥,使污泥的含水量降至30%左右,發熱值大約為6000kj/kg才能將污 泥送入爐膛進行焚燒。公開號為103388825A,公開日為2013-11-13的中國專利 公開了一種污泥原煤摻配鍋爐發電工藝,先將含水率80%以下的污泥與原煤混 合,再將混合好的污泥與原煤輸送至鍋爐煤倉,送進磨煤機,向磨煤機中通入 高溫風加熱混合物,并將混合物磨成粉狀,最后將粉狀的混合物輸送至粉倉, 由排粉機將粉狀的混合物輸送至鍋爐四角進入鍋爐內燃燒,雖然這種工藝能夠 完成對污泥的進行焚燒處理,但是需要使用磨煤機和高溫風機來對污泥進行干 燥和細化處理,焚燒爐的投入已經很大,這樣更是加劇了污泥處理的經濟負擔, 阻礙了污泥焚燒處理的推廣應用。
發明內容
本發明要解決的技術問題是:克服現有技術污泥焚燒工藝需要較大的資金 投入,難于推廣的問題,本發明提供了一種種污泥焚燒發電設備及其生產方法 來解決上述問題。
本發明解決其技術問題所采用的技術方案是:一種污泥焚燒發電設備,用 于處理污泥池中的污泥,包括污泥焚燒鍋爐、蒸汽機和發電機,所述污泥焚燒 鍋爐與蒸汽機連接,所述蒸汽機與發電機連接,所述污泥焚燒鍋爐包括高度為 21~25m的爐膛和安裝在所述爐膛頂部敞口的爐蓋,所述爐蓋居中開設有至少一 個污泥入口,所述污泥入口通過管道與所述污泥池連接,所述管道上安裝有柱 塞泵,所述污泥入口中水平設置有至少二個隔斷條,所述爐膛的下部設置有原 煤入口和點火裝置,上部連接有煙氣凈化裝置。
具體的,所述污泥入口的個數為六個。
具體的,所述爐膛的上部為圓柱形,下部的形狀為圓錐臺,所述爐蓋的直 徑為1350~1400mm。
作為優選,所述污泥入口為圓形,直徑為155~165mm,所述隔斷條的個數 為二個,所述二個隔斷條垂直設置并都穿過所述污泥入口的中心。
作為優選,所述污泥入口為正方形,邊長為155~165mm,所述隔斷條的個 數為四個,所述四個隔斷條將污泥入口分隔成九宮格。
一種利用所述污泥焚燒發電設備的污泥焚燒發電方法,包括以下步驟:
A)將原煤從原煤入口加入到所述爐膛的下部,并通過點火裝置點燃原煤;
B)測量所述爐膛的上部溫度,達到800~950℃時,利用柱塞泵將污泥池中 含水量90%以上的污泥經過所述管道抽送至所述污泥入口,污泥被隔斷條分隔 打散后進入爐膛中;
C)離散的污泥利用800~950℃的高溫快速干燥,含水量逐漸下降至30~35%, 污泥最終落入所述爐膛的下部進行焚燒;
D)蒸汽機將燃燒原煤和污泥產生的蒸汽熱能轉換成機械能,發電機再將機 械能轉換成電能;
E)煙氣凈化裝置對燃燒原煤和污泥產生產生的煙氣依次進行脫硝處理、靜 電除塵處理和脫硫處理后排入大氣。
作為優選,加入的污泥與原煤的質量比1:2。
具體的,污泥每小時的加入量為6~8噸。
本發明的有益效果是,這種污泥焚燒發電設備及其生產方法相對于現有技 術中污泥焚燒工藝而言,省去了磨煤機和高溫風機等對含水量較高的污泥進行 干燥的設備和步驟,利用爐膛內本身具有的高溫對污泥進行干燥,降低了資金 投入,有利于污泥焚燒處理的應用推廣。







