公布日:2023.11.21
申請日:2022.12.24
分類號:B09B3/35(2022.01)I;B09B3/50(2022.01)I;B09B3/70(2022.01)I;B09B3/38(2022.01)I;B09B101/70(2022.01)N
摘要
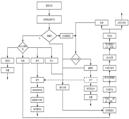
本發明公開了一種餐廚垃圾有機料生產和廢水處理系統,其包括鏈板輸送提升機;橢疊機;粉碎撕裂機,粉碎撕裂機對于脫水固廢進行粉碎撕裂,然后送入攪拌反應器,再送入疊螺機進泥濃縮脫水,烘干得到有機肥;油水分離系統。本發明通過鏈板輸送提升機輸送餐廚垃圾至橢疊機進行壓濾,得到脫水固廢和分離液廢,脫水固廢進行粉碎撕裂,然后送入攪拌反應器,加水進行攪拌,再送入疊螺機進泥濃縮脫水,烘干得到有機肥;分離液廢進行油水分離,得到分離油、殘渣、廢氣、及污水,其中,分離油回收,殘渣和污水進行絮凝,廢氣經過微納鋅噴淋塔、磁能紫外光解、再排風管排出;避免環境污染與食品安全隱患的麻煩。

權利要求書
1.一種餐廚垃圾有機料生產和廢水處理系統,其特征在于,包括:鏈板輸送提升機,所述鏈板輸送提升機將餐廚垃圾收集輸送;橢疊機,所述橢疊機接收所述鏈板輸送提升機輸送而來的餐廚垃圾進行壓濾,得到脫水固廢和分離液廢;粉碎撕裂機,所述粉碎撕裂機對于脫水固廢進行粉碎撕裂,然后送入攪拌反應器,加水進行攪拌,再送入疊螺機進泥濃縮脫水,烘干得到有機肥;油水分離系統,所述油水分離系統對于分離液廢進行油水分離,得到分離油、殘渣、廢氣、及污水,其中,分離油回收,殘渣和污水進行絮凝,廢氣經過微納鋅噴淋塔、磁能紫外光解、再排風管排出。
2.根據權利要求1所述的餐廚垃圾有機料生產和廢水處理系統,其特征在于,其中所述烘干得到有機肥的過程中產生的廢氣導入油水分離系統中的廢氣,一起經過微納鋅噴淋塔、磁能紫外光解、再排風管排出。
3.根據權利要求1所述的餐廚垃圾有機料生產和廢水處理系統,其特征在于,其中所述污水加循環水箱中的水和殘渣一起送入初級絮凝池中進行初級絮凝。
4.根據權利要求3所述的餐廚垃圾有機料生產和廢水處理系統,其特征在于,其中所述初級絮凝池后還包括一次氣浮池、PH調節池、再次PH調節池、再次絮凝池、氣浮池,最終得到絮凝殘渣和達標水排放。
5.根據權利要求4所述的餐廚垃圾有機料生產和廢水處理系統,其特征在于,其中所述PH調節池至再次PH調節池之間通過脈沖光解強氧化處理。
6.根據權利要求4所述的餐廚垃圾有機料生產和廢水處理系統,其特征在于,其中所述再次PH調節池與所述再次絮凝池之間通過生化處理。
7.根據權利要求4所述的餐廚垃圾有機料生產和廢水處理系統,其特征在于,其中所述絮凝殘渣再次循環送入攪拌反應器,加水進行攪拌,再送入疊螺機進泥濃縮脫水,烘干得到有機肥。
發明內容
有鑒于此,本發明所要解決的技術問題是提供了一種餐廚垃圾有機料生產和廢水處理系統,用于避免以往餐廚垃圾存在環境污染與食品安全隱患的麻煩。
為了解決上述技術問題,本發明公開了一種餐廚垃圾有機料生產和廢水處理系統,其包括鏈板輸送提升機,鏈板輸送提升機將餐廚垃圾收集輸送;橢疊機,橢疊機接收鏈板輸送提升機輸送而來的餐廚垃圾進行壓濾,得到脫水固廢和分離液廢;粉碎撕裂機,粉碎撕裂機對于脫水固廢進行粉碎撕裂,然后送入攪拌反應器,加水進行攪拌,再送入疊螺機進泥濃縮脫水,烘干得到有機肥;油水分離系統,油水分離系統對于分離液廢進行油水分離,得到分離油、殘渣、廢氣、及污水,其中,分離油回收,殘渣和污水進行絮凝,廢氣經過微納鋅噴淋塔、磁能紫外光解、再排風管排出。
根據本發明一實施方式,其中上述烘干得到有機肥的過程中產生的廢氣導入油水分離系統中的廢氣,一起經過微納鋅噴淋塔、磁能紫外光解、再排風管排出。
根據本發明一實施方式,其中上述污水加循環水箱中的水和殘渣一起送入初級絮凝池中進行初級絮凝。
根據本發明一實施方式,其中上述初級絮凝池后還包括一次氣浮池、PH調節池、再次PH調節池、再次絮凝池、氣浮池,最終得到絮凝殘渣和達標水排放。
根據本發明一實施方式,其中上述PH調節池至再次PH調節池之間通過脈沖光解強氧化處理。
根據本發明一實施方式,其中上述再次PH調節池與再次絮凝池之間通過生化處理。
根據本發明一實施方式,其中上述絮凝殘渣再次循環送入攪拌反應器,加水進行攪拌,再送入疊螺機進泥濃縮脫水,烘干得到有機肥。
與現有技術相比,本發明可以獲得包括以下技術效果:通過鏈板輸送提升機輸送餐廚垃圾至橢疊機進行壓濾,得到脫水固廢和分離液廢,脫水固廢進行粉碎撕裂,然后送入攪拌反應器,加水進行攪拌,再送入疊螺機進泥濃縮脫水,烘干得到有機肥;分離液廢進行油水分離,得到分離油、殘渣、廢氣、及污水,其中,分離油回收,殘渣和污水進行絮凝,廢氣經過微納鋅噴淋塔、磁能紫外光解、再排風管排出;避免環境污染與食品安全隱患的麻煩。
當然,實施本發明的任一產品必不一定需要同時達到以上所述的所有技術效果。
(發明人:邱斌)






