公布日:2024.04.30
申請日:2022.10.20
分類號:F23G7/06(2006.01)I;F23G5/44(2006.01)I;F23G5/50(2006.01)I
摘要
本發明涉及煉油污水處理技術領域,公開了一種煉油污水臭氣的處理裝置,包括第一連接管,第一連接管連接煉油系統,第一連接管上依次設置有檢測機構、阻火器和緊急通斷閥;第二連接管,第二連接管連接于第一連接管背向煉油系統的一端,第二連接管的另一端連入熱電廠的CBF爐,第二連接管包括多根第二管體,每根第二管體均連接一根CBF爐的二次風管,每根二次風管的另一端均連入CFB爐的燃燒腔室;控制器,控制器電連接于緊急通斷閥和檢測機構。通過CBF爐處理煉油污水臭氣,可將含硫度較高的臭氣完全燃燒,大大減輕了煉油系統所面臨的環保壓力,保證了煉油污水廢氣的穩定達標排放;無需另外搭建高溫處理爐,減輕了排放處理的成本。

權利要求書
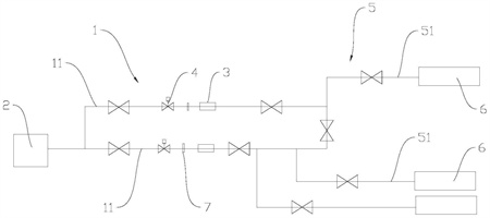
1.一種煉油污水臭氣的處理裝置,其特征在于,包括:第一連接管,所述第一連接管的一端連接煉油系統,所述第一連接管上依次設置有檢測機構、阻火器和緊急通斷閥;第二連接管,所述第二連接管的一端連接于所述第一連接管背向所述煉油系統的一端,所述第二連接管的另一端連入熱電廠的CBF爐,所述第二連接管包括多根第二管體,每根第二管體均連接一根所述CBF爐的二次風管,每根所述二次風管背向所述第二連接管的一端均連入CFB爐的燃燒腔室;控制器,所述控制器電連接于所述緊急通斷閥和所述檢測機構。
2.根據權利要求1所述的煉油污水臭氣的處理裝置,其特征在于:所述第一連接管包括兩根第一管體,每根所述第一管體上均設置有所述檢測機構、所述阻火器和所述緊急通斷閥。
3.根據權利要求1或2所述的煉油污水臭氣的處理裝置,其特征在于:所述檢測機構包括流量檢測計和壓力檢測計。
4.根據權利要求2所述的煉油污水臭氣的處理裝置,其特征在于:所述第二連接管包括三根所述第二管體,三根所述第二管體分別連接不同所述CBF爐的所述二次風管。
5.根據權利要求3所述的煉油污水臭氣的處理裝置,其特征在于:兩根所述第二管體連接一個所述CBF爐的所述二次風管,一根所述第二管體連接另一個所述CBF爐的所述二次風管。
6.根據權利要求3所述的煉油污水臭氣的處理裝置,其特征在于:所述第一管體和所述第二管體均采用不銹鋼材質。
7.根據權利要求1所述的煉油污水臭氣的處理裝置,其特征在于:所述第一連接管上還設置有濾網,所述濾網位于所述阻火器和所述緊急通斷閥之間。
8.根據權利要求1所述的煉油污水臭氣的處理裝置,其特征在于:所述檢測機構還包括溫度傳感器,所述溫度傳感器設置于所述阻火器中。
9.一種煉油污水臭氣的處理方法,其特征在于,包括以下步驟:煉油污水臭氣由煉油系統中排放至第一連接管中;所述第一連接管運送所述煉油污水臭氣并在檢測所述煉油污水臭氣的氣壓、流量和溫度;所述第一連接管將所述煉油污水臭氣送至第二連接管;所述第二連接管將所述煉油污水臭氣送至熱電廠的CBF爐的二次風管;所述煉油污水臭氣通過所述二次風管送入所述CBF爐的爐膛中進行焚燒處理。
10.根據權利要求9所述的煉油污水臭氣的處理方法,其特征在于:所述第二連接管包括多根第二管體,每根第二管體均連接一根所述CBF爐的二次風管,所述煉油污水臭氣通過所述第二連接管送入不同的所述CBF爐中進行焚燒處理。
發明內容
本發明的目的是:提供一種煉油污水臭氣的處理裝置和處理方法,通過CBF爐處理煉油污水臭氣,可將含硫度較高的臭氣完全燃燒,大大減輕了煉油系統所面臨的環保壓力,保證了煉油污水廢氣的穩定達標排放;無需另外搭建高溫處理爐,減輕了排放處理的成本。
為了實現上述目的,本發明提供了一種煉油污水臭氣的處理裝置,包括:
第一連接管,所述第一連接管的一端連接煉油系統,所述第一連接管上依次設置有檢測機構、阻火器和緊急通斷閥;
第二連接管,所述第二連接管的一端連接于所述第一連接管背向所述煉油系統的一端,所述第二連接管的另一端連入熱電廠的CBF爐,所述第二連接管包括多根第二管體,每根第二管體均連接一根所述CBF爐的二次風管,每根所述二次風管背向所述第二連接管的一端均連入CFB爐的燃燒腔室;
控制器,所述控制器電連接于所述緊急通斷閥和所述檢測機構。
本發明實施例一種煉油污水臭氣的處理裝置與現有技術相比,其有益效果在于:煉油系統中的煉油污水臭氣通過第一連接管送入第二連接管,再通過第二連接管送入CBF爐中,在CBF爐中進行高溫燃燒。第一連接管上設置有檢測機構用于檢測管道中煉油污水臭氣的參數,阻火器和緊急通斷閥用于在緊急情況下停止管道運輸并阻斷火焰的傳播。第二連接管連接不同的CBF爐的二次風管,將煉油污水臭氣送入不同的CBF爐中進行高溫燃燒處理,當其中一個CBF爐停爐時,煉油污水臭氣還可送入其它CBF爐中進行處理,保證了系統的穩定運行。通過CBF爐處理煉油污水臭氣,可將含硫度較高的臭氣完全燃燒,非甲烷總烴、苯、甲苯、以及二甲苯等物質排放量低于相應標準,大大減輕了煉油系統所面臨的環保壓力,保證了煉油污水廢氣的穩定達標排放;無需另外搭建高溫處理爐,減輕了排放處理的成本。
本發明實施例的煉油污水臭氣的處理裝置,所述第一連接管包括兩根第一管體,每根所述第一管體上均設置有所述檢測機構、所述阻火器和所述緊急通斷閥。
本發明實施例的煉油污水臭氣的處理裝置,所述檢測機構包括流量檢測計和壓力檢測計。
本發明實施例的煉油污水臭氣的處理裝置,所述第二連接管包括三根所述第二管體,三根所述第二管體分別連接不同所述CBF爐的所述二次風管。
本發明實施例的煉油污水臭氣的處理裝置,兩根所述第二管體連接一個所述CBF爐的所述二次風管,一根所述第二管體連接另一個所述CBF爐的所述二次風管。
本發明實施例的煉油污水臭氣的處理裝置,所述第一管體和所述第二管體均采用不銹鋼材質。
本發明實施例的煉油污水臭氣的處理裝置,所述第一連接管上還設置有濾網,所述濾網位于所述阻火器和所述緊急通斷閥之間。
本發明實施例的煉油污水臭氣的處理裝置,所述檢測機構還包括溫度傳感器,所述溫度傳感器設置于所述阻火器中。
本發明提供了一種煉油污水臭氣的處理方法,包括以下步驟:
煉油污水臭氣由煉油系統中排放至第一連接管中;
所述第一連接管運送所述煉油污水臭氣并在檢測所述煉油污水臭氣的氣壓、流量和溫度;
所述第一連接管將所述煉油污水臭氣送至第二連接管;
所述第二連接管將所述煉油污水臭氣送至熱電廠的CBF爐的二次風管;
所述煉油污水臭氣通過所述二次風管送入所述CBF爐的爐膛中進行焚燒處理。
本發明實施例一種煉油污水臭氣的處理方法與現有技術相比,其有益效果在于:通過管道運送煉油污水臭氣至CBF爐,可將含硫度較高的臭氣完全燃燒,大大減輕了煉油系統所面臨的環保壓力,保證了煉油污水廢氣的穩定達標排放;無需另外搭建高溫處理爐,減輕了排放處理的成本。管道中的各部件進行監控和控制通斷,確認了運輸過程的安全和穩定,保證了系統的穩定運行。
本發明實施例的煉油污水臭氣的處理方法,所述第二連接管包括多根第二管體,每根第二管體均連接一根所述CBF爐的二次風管,所述煉油污水臭氣通過所述第二連接管送入不同的所述CBF爐中進行焚燒處理。
(發明人:仵忠;劉攀;蔣利偉;袁夢嬌;夏瑋;彭坤)






