公布日:2024.04.16
申請日:2024.02.04
分類號:C02F9/00(2023.01)I;C02F3/00(2023.01)N;C02F3/34(2023.01)N;C02F1/52(2023.01)N;C02F1/56(2023.01)N;C02F3/30(2023.01)N;C02F1/48(2023.01)N
摘要
本發明提供了一種分格式生化池與磁混凝沉淀池耦合的污水處理系統,涉及污水處理技術領域,包括分格式生化池和磁混凝沉淀池,生化池連通磁混凝沉淀池,磁混凝沉淀池的出水端連通有澄清池,磁混凝沉淀池和澄清池下端連通有磁分離器,磁分離器上還連通有污泥處理裝置。本發明通過將分格式生化池和磁混凝沉淀池高效耦合,實現脫氮除磷效果,進一步提高硝化能力,保障氨氮、總氮、總磷、COD、SS等指標的去除效果,出水可達到《地表水環境質量標準》(GB3838-2002)中Ⅳ類水標準。分格式生化池與磁混凝沉淀池耦合的污水處理系統工藝成熟可靠,設備簡單易于維護,占地面積遠小于其他水處理工藝系統,因此工程建設投資費用低、運行管理簡單,經濟性好。

權利要求書
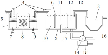
1.一種分格式生化池與磁混凝沉淀池耦合的污水處理系統,其特征在于,包括分格式生化池(1)和磁混凝沉淀池(2),分格式生化池(1)連通磁混凝沉淀池(2),磁混凝沉淀池(2)下端連通有磁分離器(14),磁分離器(14)上還連通有污泥處理裝置(15)。
2.根據權利要求1所述的一種分格式生化池與磁混凝沉淀池耦合的污水處理系統,其特征在于,分格式生化池(1)內設置有左右分布的兩道擋墻一(5),兩道擋墻一(5)將分格式生化池(1)分為生化池一(7)、生化池二(8)和生化池三(9),生化池一(7)、生化池二(8)和生化池三(9)相互連通、生化池一(7)和生化池三(9)上均設置有出水管一(4)和進水管,出水管一(4)與磁混凝沉淀池(2)相連通,分格式生化池(1)為長方體池,生化池二(8)容積大于生化池一(7)和生化池三(9)的容積,生化池二(8)內設置有填料,填料用于增加生化池中污水與微生物的接觸面積,提高傳質效果,生化池二(8)內還設置有曝氣處理裝置;生化池一(7)、生化池二(8)和生化池三(9)中均設置有攪拌裝置一,生化池一(7)和生化池三(9)中設置有斜板,斜板用于對漂浮污泥進行阻擋,生化池一(7)和生化池三(9)底部還連通有污泥排放泵。
3.根據權利要求2所述的一種分格式生化池與磁混凝沉淀池耦合的污水處理系統,其特征在于,磁混凝沉淀池(2)內設置有左右分布的兩道擋墻二(6),兩道擋墻二(6)將磁混凝沉淀池(2)分為快混區(10)、磁混區(11)和絮凝區(12),快混區(10)、磁混區(11)和絮凝區(12)內均設置有攪拌裝置二,出水管一(4)與快混區(10)相連通,絮凝區(12)上連通有出水管二(13),出水管二(13)的另一端連通有澄清池(3),澄清池(3)上連通有排水管,磁混區(11)內還設置有磁粉投加裝置。
4.根據權利要求3所述的一種分格式生化池與磁混凝沉淀池耦合的污水處理系統,其特征在于,絮凝區(12)和澄清池(3)下端均連通有排污管一(16),排污管一(16)的另一端連通有磁分離器(14),磁分離器能夠將沉淀污泥中的磁粉分離,磁分離器(14)上還連通有回流管(17),回流管(17)的另一端連通磁混區(11),磁分離器(14)上還連通有污泥處理裝置(15),污泥處理裝置(15)上連通有排污管二。
5.根據權利要求2所述的一種分格式生化池與磁混凝沉淀池耦合的污水處理系統,其特征在于,曝氣處理裝置包括漂浮板一(18),漂浮板一(18)上設置有風機(21),風機(21)兩側貫通連接有排風管(19),風機(21)上還設置有進風管,排風管(19)固定貫穿漂浮板一(18),排風管(19)下端貫穿軟管(37),漂浮板一(18)下端固定設置有兩個左右對稱的固定板(22),固定板(22)相互遠離的一側轉動連接有空心轉盤(36),軟管(37)的另一端貫通連接空心轉盤(36),空心轉盤(36)下側貫通連接有連接管(35),連接管(35)下端貫通連接有橫板(31),橫板(31)中央固定設置有環狀箱(38),環狀箱(38)上設置有若干孔一,環狀箱(38)內轉動連接有空心桿(33),空心桿(33)上設置有若干孔二,空心桿(33)上固定設置有若干出氣管(32),出氣管(32)上設置有若干噴氣孔(34)。
6.根據權利要求5所述的一種分格式生化池與磁混凝沉淀池耦合的污水處理系統,其特征在于,漂浮板一(18)下端固定設置有驅動箱一(26),驅動箱一(26)內固定設置有驅動電機(27),驅動電機(27)右側輸出端固定連接有轉動桿(30),轉動桿(30)轉動貫穿驅動箱一(26)和左側的固定板(22),轉動桿(30)右端與右側的固定板(22)轉動連接,兩個固定板(22)相互靠近的一側固定設置有錐齒輪一(20),空心桿(33)上端固定連接有錐齒輪二,錐齒輪一(20)與錐齒輪二嚙合連接。
7.根據權利要求6所述的一種分格式生化池與磁混凝沉淀池耦合的污水處理系統,其特征在于,漂浮板一(18)下端還固定設置有固定塊(23),固定塊(23)上設置有轉動槽,轉動槽內轉動連接有環板(25),環板(25)中央轉動連接在轉動桿(30)上,固定塊(23)下端還固定設置有連接塊,連接塊下端固定設置有直線驅動件(24),直線驅動件(24)的左側輸出端轉動連接有摩擦盤(28),摩擦盤(28)內設置有鍵槽,轉動桿(30)上設置有連接鍵,摩擦盤(28)通過鍵槽和連接鍵的配合滑動設置于轉動桿(30)上,環板(25)遠離驅動箱一(26)的一側固定設置有驅動桿(29),驅動桿(29)的另一端固定設置于空心轉盤(36)左側壁上。
8.根據權利要求3所述的一種分格式生化池與磁混凝沉淀池耦合的污水處理系統,其特征在于,磁粉投加裝置包括漂浮板二(39),漂浮板二(39)上固定設置有漂浮箱(40),漂浮箱(40)內固定設置有限位板(56),漂浮箱(40)左側兩側壁上固定設置有進料漏斗(41),進料漏斗(41)的出口端與漂浮箱(40)貫通連接,進料漏斗(41)的出口端貫通連接有波紋管(47),波紋管(47)的另一端貫通連接有排料管(49),排料管(49)向下貫穿漂浮板二(39),且排料管(49)下端貫通連接有排料漏斗(51),且排料管(49)上還固定設置有葉片(53)。
9.根據權利要求8所述的一種分格式生化池與磁混凝沉淀池耦合的污水處理系統,其特征在于,限位板(56)上左右對稱開設有通槽一(57),通槽一(57)內滑動連接有滑動塊(48),排料管(49)轉動貫穿滑動塊(48),排料管(49)上端與波紋管(47)轉動貫通連接,通槽一(57)內設置有齒板(58),排料管(49)上固定設置有齒輪(59),齒輪(59)與齒板(58)嚙合連接,漂浮板二(39)上左右對稱開設有通槽二,排料管(49)從通槽二向下貫穿漂浮板二(39)。
10.根據權利要求9所述的一種分格式生化池與磁混凝沉淀池耦合的污水處理系統,其特征在于,漂浮箱(40)上還固定設置有驅動箱二(42),驅動箱二(42)后側固定設置有旋轉電機,旋轉電機的前側輸出端固定連接有轉動軸,轉動軸向前轉動延伸進驅動箱二(42)內,轉動軸前側固定設置有轉動盤(45),轉動盤(45)前側的偏心位置固定設置有伸出桿(44),驅動箱二(42)內還設置有升降框(43),升降框(43)兩側固定設置有滑動桿(46),滑動桿(46)與驅動箱二(42)左右兩側內壁滑動連接,伸出桿(44)設置于升降框(43)內,且伸出桿(44)與升降框(43)相配合,升降框(43)上固定設置有升降桿(50),升降桿(50)向下滑動貫穿驅動箱二(42)、限位板(56)和漂浮板二(39),升降桿(50)上還鉸接有兩根左右對稱的拉桿(54),排料管(49)上轉動連接有環形塊(55),拉桿(54)的另一端鉸接在環形塊(55),升降桿(50)下端還固定設置有推水板(52)。
發明內容
本發明提供一種分格式生化池與磁混凝沉淀池耦合的污水處理系統,用以解決上述背景技術中提出的問題的至少一種。
為解決上述技術問題,本發明公開了一種分格式生化池與磁混凝沉淀池耦合的污水處理系統,包括分格式生化池和磁混凝沉淀池,分格式生化池連通磁混凝沉淀池,磁混凝沉淀池下端連通有磁分離器,磁分離器上還連通有污泥處理裝置。
優選的,分格式生化池內設置有左右分布的兩道擋墻一,兩道擋墻一將分格式生化池分為生化池一、生化池二和生化池三,生化池一、生化池二和生化池三相互連通,生化池一和生化池三上均設置有出水管一和進水管,出水管一與磁混凝沉淀池相連通,分格式生化池為長方體池,生化池二容積大于生化池一和生化池三的容積,生化池二內設置有填料,填料用于增加生化池中污水與微生物的接觸面積,提高傳質效果,生化池二內還設置有曝氣處理裝置;
生化池一、生化池二和生化池三中均設置有攪拌裝置一,生化池一和生化池三中設置有斜板,斜板用于對漂浮污泥進行阻擋,生化池一和生化池三底部還連通有污泥排放泵。
優選的,磁混凝沉淀池內設置有左右分布的兩道擋墻二,兩道擋墻二將磁混凝沉淀池分為快混區、磁混區和絮凝區,快混區、磁混區和絮凝區內均設置有攪拌裝置二,出水管一與快混區相連通,絮凝區上連通有出水管二,出水管二的另一端連通有澄清池,澄清池上連通有排水管,磁混區內還設置有磁粉投加裝置。
優選的,絮凝區和澄清池下端均連通有排污管一,排污管一的另一端連通有磁分離器,磁分離器能夠將沉淀污泥中的磁粉分離,磁分離器上還連通有回流管,回流管的另一端連通磁混區,磁分離器上還連通有污泥處理裝置,污泥處理裝置上連通有排污管二。
優選的,曝氣裝置包括漂浮板一,漂浮板一上設置有風機,風機兩側貫通連接有排風管,風機上還設置有進風管,排風管固定貫穿漂浮板一,排風管下端貫穿軟管,漂浮板一下端固定設置有兩個左右對稱的固定板,固定板相互遠離的一側轉動連接有空心轉盤,軟管的另一端貫通連接空心轉盤,空心轉盤下側貫通連接有連接管,連接管下端貫通連接有橫板,橫板中央固定設置有環狀箱,環狀箱上設置有若干孔一,環狀箱內轉動連接有空心桿,空心桿上設置有若干孔二,空心桿上固定設置有若干出氣管,出氣管上設置有若干噴氣孔。
優選的,漂浮板一下端固定設置有驅動箱,驅動箱內固定設置有驅動電機,驅動電機右側輸出端固定連接有轉動桿,轉動桿轉動貫穿驅動箱和左側的固定板,轉動桿右端與右側的固定板轉動連接,兩個固定板相互靠近的一側固定設置有錐齒輪一,空心桿上端固定連接有錐齒輪二,錐齒輪一與錐齒輪二嚙合連接。
優選的,漂浮板一下端還固定設置有固定塊,固定塊上設置有轉動槽,轉動槽內轉動連接有環板,環板中央轉動連接在轉動桿上,固定塊下端還固定設置有連接塊,連接塊下端固定設置有直線驅動件,直線驅動件的左側輸出端轉動連接有摩擦盤,摩擦盤內設置有鍵槽,轉動桿上設置有連接鍵,摩擦盤通過鍵槽和連接鍵的配合滑動設置于轉動桿上,環板遠離驅動箱的一側固定設置有驅動桿,驅動桿的另一端固定設置于空心轉盤左側壁上。
優選的,磁粉投加裝置包括漂浮板二,漂浮板二上固定設置有漂浮箱,漂浮箱內固定設置有限位板,漂浮箱左側兩側壁上固定設置有進料漏斗,進料漏斗的出口端與漂浮箱貫通連接,進料漏斗的出口端貫通連接有波紋管,波紋管的另一端貫通連接有排料管,排料管向下貫穿漂浮板二,且排料管下端貫通連接有排料漏斗,且排料管上還固定設置有葉片。
優選的,限位板上左右對稱開設有通槽一,通槽一內滑動連接有滑動塊,排料管轉動貫穿滑動塊,排料管上端與波紋管轉動貫通連接,通槽一內設置有齒板,排料管上固定設置有齒輪,齒輪與齒板嚙合連接,漂浮板二上左右對稱開設有通槽二,排料管從通槽二向下貫穿漂浮板二。
優選的,漂浮箱上還固定設置有驅動箱,驅動箱后側固定設置有旋轉電機,旋轉電機的前側輸出端固定連接有轉動軸,轉動軸向前轉動延伸進驅動箱內,轉動軸前側固定設置有轉動盤,轉動盤前側的偏心位置固定設置有伸出桿,驅動箱內還設置有升降框,升降框兩側固定設置有滑動桿,滑動桿與驅動箱左右兩側內壁滑動連接,伸出桿設置于升降框內,且伸出桿與升降框相配合,升降框上固定設置有升降桿,升降桿向下滑動貫穿驅動箱、限位板和漂浮板二,升降桿上還鉸接有兩根左右對稱的拉桿,排料管上轉動連接有環形塊,拉桿的另一端鉸接在環形塊,升降桿下端還固定設置有推水板。
與現有技術相比,本發明提供了一種分格式生化池與磁混凝沉淀池耦合的污水處理系統,具備以下有益效果:
通過將分格式生化池和磁混凝沉淀池高效耦合連用,分格式生化池中間池體容積最大,將有效曝氣容積最大化,利用池中填料,提高污水處理傳質效率,增大污水和微生物接觸面積,實現去除氨氮、COD的效果。兩側邊池交替進水和出水,同時設有斜板,出水過程中攔截污水中漂浮的污泥,與后續磁混凝沉淀池配合,徹底取消了原有生化池必須配備的二沉池,減少污水處理工藝占地面積和處理設備。
污水經過分格式水處理池處理后,排出的水進入磁混凝沉淀池,在磁混凝沉淀池中,在快混區中加入混凝劑PAC(聚合氯化鋁),能夠快速與污水中的正磷酸鹽反應生成沉淀,同時將懸浮物聚集形成微小絮體;充分混合后進入磁混區,向磁混區內加入磁粉,污水中的懸浮物將與磁粉顆粒裹挾在一起形成以磁粉為核心的微磁絮體;隨后進入絮凝區加入PAM(聚丙烯酰胺),使小絮體聚集長大形成絮團,最后進入沉淀區,上層澄清液從第二出水口排出,實現固液分離,達到取出TP(總磷)和SS(懸浮物)的目的。
與現有生化池污水處理系統相比,分格式生化池和磁混凝沉淀池耦合連用占地面積更小,設備更簡單,且出水可達到《地表水環境質量標準》(GB3838-2002)中Ⅳ類水標準,遠高于現有生化池出水水質。同時,該系統建設成本低,運行維護容易,是一種便捷高效、經濟性好、能耗較低的污水處理系統。
本發明的其他有益效果,將在具體實施方式中通過具體技術特征和技術方案的介紹來闡述,本領域技術人員通過這些技術特征和技術方案的介紹,應能理解所述技術特征和技術方案帶來的有益技術效果。
(發明人:穆貞;周碧雯;葉嘉康;陳大雙;吳偉濤;方海明)






