公布日:2023.09.15
申請日:2023.08.02
分類號:C02F1/42(2023.01)I;C02F1/52(2023.01)I
摘要
本發明公開了一種煤化工生產廢水除硬系統及方法,屬于工業廢水處理技術領域。本發明使用依次相連的鈉離子交換樹脂罐A、鈉離子交換樹脂罐B進行廢水除硬,除硬徹底,能夠達到個位數量級,同時大大降低了除硬軟化工藝段的藥劑費,噸水處理費用在1元/m3左右,并節省占地面積。為后續膜系統的運行帶來諸多便利,運行費用大大降低。鈉離子交換樹脂罐A、鈉離子交換樹脂罐B使用硫酸鹽進行再生,再生廢液中的鈣離子與硫酸根反應生成硫酸鈣,其易沉淀,形成石膏固體物,可綜合利用,再生時無需外排廢水,節省處理費用。

權利要求書
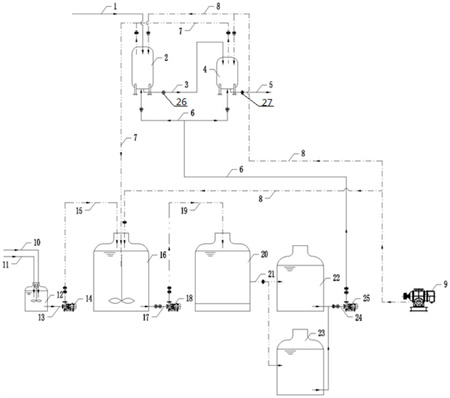
1.一種煤化工生產廢水除硬系統,其特征在于,包括鈉離子交換樹脂罐A、鈉離子交換樹脂罐B、再生藥劑反應罐、沉淀分離罐、再生液罐和鼓風機;廢水入口與鈉離子交換樹脂罐A頂部進水口相連,鈉離子交換樹脂罐A底部出水口與鈉離子交換樹脂罐B頂部進水口相連,鈉離子交換樹脂罐B底部出水口與下一廢水處理系統相連;再生藥劑反應罐、沉淀分離罐、再生液罐依次相連,鈉離子交換樹脂罐A底部再生液進口和鈉離子交換樹脂罐B底部再生液進口分別與再生液罐出水口相連,鈉離子交換樹脂罐A頂部再生廢液出口和鈉離子交換樹脂罐B的頂部再生廢液出口分別與再生藥劑反應罐進水口相連;所述鼓風機的氣體出口與鈉離子交換樹脂罐A頂部進氣口、鈉離子交換樹脂罐B頂部進氣口以及再生藥劑反應罐相連。
2.如權利要求1所述的煤化工生產廢水除硬系統,其特征在于,所述煤化工生產廢水除硬系統還包括溶藥罐與加藥泵,所述溶藥罐用于溶解再生藥劑硫酸鈉,所述加藥泵用于將溶藥罐中的藥劑泵送至再生藥劑反應罐中。
3.如權利要求1所述的煤化工生產廢水除硬系統,其特征在于,所述再生藥劑罐內設有攪拌器,用于攪拌充分混勻再生廢液和再生藥劑,防止產生沉淀。
4.如權利要求1所述的煤化工生產廢水除硬系統,其特征在于,所述再生藥劑反應罐與所述沉淀分離罐之間設有提升泵,用于將再生藥劑反應罐中的溶液泵送至沉淀分離罐內。
5.如權利要求1所述的煤化工生產廢水除硬系統,其特征在于,所述再生液罐與鈉離子交換樹脂罐A、鈉離子交換樹脂罐B之間設有再生液提升泵,用于將再生液罐中的再生液泵送至鈉離子交換樹脂罐A和鈉離子交換樹脂罐B內。
6.如權利要求1所述的煤化工生產廢水除硬系統,其特征在于,鈉離子交換樹脂罐A底部出水口處與鈉離子交換樹脂罐B底部出水口處均設有水硬度檢測儀,用于檢測出水硬度。
7.一種煤化工生產廢水除硬的方法,其特征在于,采用權利要求1-6任一所述的煤化工生產廢水除硬系統,包括如下步驟:(1)將去除懸浮物后的廢水先進入鈉離子交換樹脂罐A內,在此通過鈉離子與鈣鎂離子交換去除廢水總的部分硬度;鈉離子交換樹脂罐A出水進入鈉離子交換樹脂罐B,再次進行鈉離子和鈣鎂離子的交換去除廢水中剩余的部分或全部硬度;去除硬度后的廢水進入膜處理系統進行脫鹽處理;(2)鈉離子交換樹脂罐B出水硬度不達標時,停止廢水進入鈉離子交換樹脂罐A內,采用再生液對鈉離子交換樹脂罐A和鈉離子交換樹脂罐B進行再生。
8.如權利要求7所述的煤化工生產廢水除硬的方法,其特征在于,所述再生包括如下步驟:再生藥劑和水在溶藥罐內配置成再生液并通過加藥泵提升至再生藥劑反應罐,與來自鈉離子交換樹脂罐A和鈉離子交換樹脂罐B的再生廢液反應,廢液中鈣離子和再生液中的硫酸根離子結合生成硫酸鈣,反應溶液經提升泵提升至沉淀分離罐進行沉淀分離,上清液自流進入再生液罐內,通過再生液提升泵將再生液提升至鈉離子交換樹脂罐A和鈉離子交換樹脂罐B內,對鈉離子交換樹脂進行再生,再生廢液從鈉離子交換樹脂罐A頂部再生廢液出口和鈉離子交換樹脂罐B頂部再生廢液出口流出進入再生藥劑反應罐內。9.如權利要求8所述的煤化工生產廢水除硬的方法,其特征在于,再生時,鼓風機的氣體通過鈉離子交換樹脂罐A頂部進氣口和鈉離子交換樹脂罐B頂部進氣進入到鈉離子交換樹脂罐A和鈉離子交換樹脂罐B中,隨再生廢液流出樹脂罐后進入再生藥劑反應罐內。
10.如權利要求8所述的煤化工生產廢水除硬的方法,其特征在于,所述再生藥劑為硫酸鹽,再生廢液中鈣離子和再生液中的硫酸根離子結合生成硫酸鈣,硫酸鈣沉積在沉淀分離罐底部,將其定期排出,得到石膏固體物。
發明內容
為了解決現有技術的不足,本發明的目的是提供一種煤化工生產廢水除硬系統及方法,本發明利用鈉離子交換樹脂罐替代碳酸鈉和硫酸作為除硬藥劑,除硬效果好,同時大大降低了除硬軟化工藝段藥劑費并節省占地面積。
為了實現上述目的,本發明的技術方案為:
本發明的第一個方面,提供一種煤化工生產廢水除硬系統,包括鈉離子交換樹脂罐A、鈉離子交換樹脂罐B、再生藥劑反應罐、沉淀分離罐、再生液罐和鼓風機;
廢水入口與鈉離子交換樹脂罐A頂部進水口相連,鈉離子交換樹脂罐A底部出水口與鈉離子交換樹脂罐B頂部進水口相連,鈉離子交換樹脂罐B底部出水口與下一廢水處理系統相連;
再生藥劑反應罐、沉淀分離罐、再生液罐依次相連,鈉離子交換樹脂罐A底部再生液進口和鈉離子交換樹脂罐B底部再生液進口分別與再生液罐出水口相連,鈉離子交換樹脂罐A頂部再生廢液出口和鈉離子交換樹脂罐B的頂部再生廢液出口分別與再生藥劑反應罐進水口相連;
所述鼓風機的氣體出口與鈉離子交換樹脂罐A頂部進氣口、鈉離子交換樹脂罐B頂部進氣口以及再生藥劑反應罐相連
本發明采用的樹脂罐為鈉離子交換樹脂罐,經砂濾預處理去除懸浮物后的廢水經鈉離子交換樹脂罐A和鈉離子交換樹脂罐B進行離子交換,離子樹脂實現了鈉離子與廢水中鈣鎂離子的交換,去除廢水中鈣鎂離子,除硬效果好,同時大大降低了除硬軟化工藝段的藥劑費。除硬后廢水進入后續膜處理系統進行脫鹽處理。
在本發明的一些實施例中,所述煤化工生產廢水除硬系統還包括。
在本發明的一些實施例中,所述煤化工生產廢水除硬系統還包括溶藥罐與加藥泵,所述溶藥罐用于溶解再生藥劑,所述加藥泵用于將溶藥罐中的藥劑泵送至再生藥劑反應罐中。
在本發明的一些實施例中,所述再生藥劑反應罐內設有攪拌器,用于攪拌充分混勻再生廢液和再生藥劑,防止產生沉淀。鈉離子交換樹脂罐A和鈉離子交換樹脂罐B進行再生時,鼓風機的氣體進入鈉離子交換樹脂罐A和鈉離子交換樹脂罐B內,氣體隨再生廢液一同進入再生藥劑反應罐內,氣體與攪拌器共同作用,攪拌混勻再生廢液和再生藥劑,避免廢液中的鈣離子與再生液中的硫酸根離子反應生成的硫酸鈣沉積。
在本發明的一些實施例中,所述再生藥劑反應罐與所述沉淀分離罐之間設有提升泵,用于將再生藥劑反應罐中的溶液泵送至沉淀分離罐內;
所述再生液罐與鈉離子交換樹脂罐A、鈉離子交換樹脂罐B之間設有再生液提升泵,用于將再生液罐中的再生液泵送至鈉離子交換樹脂罐A和鈉離子交換樹脂罐B內。
在本發明的一些實施例中,鈉離子交換樹脂罐A底部出水口處與鈉離子交換樹脂罐B底部出水口處均設有水硬度檢測儀,用于檢測出水硬度。當鈉離子交換樹脂罐B出水硬度不達標時,表明鈉離子交換樹脂罐A和鈉離子交換樹脂罐B已經達到工作交換容量,需要對鈉離子交換樹脂罐A和鈉離子交換樹脂罐B進行再生。
本發明的第二個方面,提供一種煤化工生產廢水除硬的方法,采用上述的煤化工生產廢水除硬系統,包括如下步驟:
(1)將去除懸浮物后的廢水先進入鈉離子交換樹脂罐A內,在此通過鈉離子與鈣鎂離子交換去除廢水總的部分硬度;鈉離子交換樹脂罐A出水進入鈉離子交換樹脂罐B,再次進行鈉離子和鈣鎂離子的交換去除廢水中剩余的部分或全部硬度;去除硬度后的廢水進入膜處理系統進行脫鹽處理;
(2)鈉離子交換樹脂罐B出水硬度不達標時,停止廢水進入鈉離子交換樹脂罐A內,采用再生液罐內的再生液對鈉離子交換樹脂罐A和鈉離子交換樹脂罐B進行再生。
在本發明的一些實施例中,所述再生包括如下步驟:
再生藥劑和水在溶藥罐內配置成再生液并通過加藥泵提升至再生藥劑反應罐,與來自鈉離子交換樹脂罐A和鈉離子交換樹脂罐B的再生廢液反應,廢液中鈣離子和再生液中的硫酸根離子結合生成硫酸鈣,反應溶液經提升泵提升至沉淀分離罐進行沉淀分離,上清液自流進入再生液罐內,通過再生液提升泵將再生液提升至鈉離子交換樹脂罐A和鈉離子交換樹脂罐B內,對鈉離子交換樹脂進行再生,再生廢液從鈉離子交換樹脂罐A頂部再生廢液出口和鈉離子交換樹脂罐B頂部再生廢液出口流出進入再生藥劑反應罐內。
在本發明的一些實施例中,再生時,鼓風機的氣體通過鈉離子交換樹脂罐A頂部進氣口和鈉離子交換樹脂罐B頂部進氣進入到鈉離子交換樹脂罐A和鈉離子交換樹脂罐B中,隨再生廢液流出樹脂罐后進入再生藥劑反應罐內。進入到鈉離子交換樹脂罐A和鈉離子交換樹脂罐B中的氣體起通氣作用,廢水中存在的有機物,在除硬過程中粘在樹脂上導致樹脂粘接在一起,無法發揮離子作用。因此在再生時,向樹脂罐內通入氣體,保證樹脂松散不粘連。
在本發明的一些實施例中,所述再生藥劑為硫酸鹽,再生廢液中鈣離子和再生液中的硫酸根離子結合生成硫酸鈣,硫酸鈣沉積在沉淀分離罐底部,將其定期排出,得到石膏固體物。
本發明的有益效果為:
目前,煤化工廢水等高含鹽高硬度廢水基本采用化學軟化預處理,即利用物化法處理工藝,其軟化工藝需要投加的化學試劑較多,需要配套建設危險化學品(液堿、硫酸)存儲區,占地面積較大,操作運行也較為復雜。且軟化后的出水硬度依然較高,后續需加入阻垢劑。傳統離子交換樹脂交換基使用的是氯根,反洗后洗脫液是氯化鈣溶液,不沉淀,處理費用高。
針對上述軟化工藝存在的問題,本發明提供了一種適用于高鹽廢水除硬的新型離子交換工藝,使用鈉離子交換樹脂罐A、鈉離子交換樹脂罐B,代替碳酸鈉和硫酸作為除硬藥劑,除硬徹底,能夠達到個位數量級,同時大大降低了除硬軟化工藝段的藥劑費,噸水處理費用在1元/m3左右,并節省占地面積。為后續膜系統的運行帶來諸多便利,運行費用大大降低。
鈉離子交換樹脂罐A、鈉離子交換樹脂罐B使用硫酸鹽進行再生,再生廢液中的鈣離子與硫酸根反應生成硫酸鈣,其易沉淀,形成石膏固體物,可綜合利用,再生時無需外排廢水,節省處理費用。
(發明人:戰飛;安建剛;李金澤;李永嘉;于金意;展京蕓)






