摘要:采用納濾和反滲透兩種膜工藝對印染廠處理出水進行深度處理,以達到廢水減排、再生回用的目的,主要考察膜性能、處理效果及經濟性等方面的狀況。結果表明,在性能方面,與反滲透膜相比,納濾膜在較低壓力下即可獲得較高的通量,NF-2#膜的抗污染性能較強;在處理效果方面,與反滲透膜相比,納濾膜產水水質稍差,NF-1#和NF-2#產水COD分別為150~180 mg/L和120~130 mg/L,產水電導率分別為2 900~3 200μS/cm和2 000~2 300μS/cm。反滲透產水水質較好,COD可達到5 mg/L以下,BW30和CPA2的產水電導率分別穩定在38μS/cm和63μS/cm。雖然對一價離子的去除率差異較大,但兩種膜工藝對Mg2+、Ca2+等工業循環回用水中最關注離子的去除率相當。在經濟性方面,反滲透和納濾處理成本分別為1.82元/m3和1.53元/m3。膜工藝的經濟優勢相當明顯。
關鍵詞:納濾;反滲透;印染廢水;回用
印染行業廢水排放量大,且隨著水費不斷上漲、廢水減排的壓力日益增大,廢水回用技術將被逐漸推廣,膜技術的應用越來越廣泛。納濾和反滲透技術不僅能去除大部分有機物,降低COD,而且具有很好的脫鹽效果。除COD、脫色、脫鹽能在一步完成〔1〕,得到較高品質的出水,使其能回用于印染環節,同時濃水回流至上一處理工序,實現廢水零排放〔2〕。C.Allegre等〔3〕利用納濾對染料廢水脫鹽處理,產水能直接回用于生產過程中,使生產過程每年可節省78 300歐元。N.M.H.ElDefrawy等〔4〕針對不同印染工序廢水水質,采用不同工藝處理廢水,把生物法、納濾和反滲透技術有效結合,既能回收部分廢水,又使排放的廢水達到排放標準,整個過程處理成本僅為0.1元/m3。
1·實驗部分
1.1廢水水質
實驗所用印染廢水為浙江某市印染廠實際廢水,廢水水質如表1所示。
摘要:采用納濾和反滲透兩種膜工藝對印染廠處理出水進行深度處理,以達到廢水減排、再生回用的目的,主要考察膜性能、處理效果及經濟性等方面的狀況。結果表明,在性能方面,與反滲透膜相比,納濾膜在較低壓力下即可獲得較高的通量,NF-2#膜的抗污染性能較強;在處理效果方面,與反滲透膜相比,納濾膜產水水質稍差,NF-1#和NF-2#產水COD分別為150~180 mg/L和120~130 mg/L,產水電導率分別為2 900~3 200μS/cm和2 000~2 300μS/cm。反滲透產水水質較好,COD可達到5 mg/L以下,BW30和CPA2的產水電導率分別穩定在38μS/cm和63μS/cm。雖然對一價離子的去除率差異較大,但兩種膜工藝對Mg2+、Ca2+等工業循環回用水中最關注離子的去除率相當。在經濟性方面,反滲透和納濾處理成本分別為1.82元/m3和1.53元/m3。膜工藝的經濟優勢相當明顯。
關鍵詞:納濾;反滲透;印染廢水;回用
印染行業廢水排放量大,且隨著水費不斷上漲、廢水減排的壓力日益增大,廢水回用技術將被逐漸推廣,膜技術的應用越來越廣泛。納濾和反滲透技術不僅能去除大部分有機物,降低COD,而且具有很好的脫鹽效果。除COD、脫色、脫鹽能在一步完成〔1〕,得到較高品質的出水,使其能回用于印染環節,同時濃水回流至上一處理工序,實現廢水零排放〔2〕。C.Allegre等〔3〕利用納濾對染料廢水脫鹽處理,產水能直接回用于生產過程中,使生產過程每年可節省78 300歐元。N.M.H.ElDefrawy等〔4〕針對不同印染工序廢水水質,采用不同工藝處理廢水,把生物法、納濾和反滲透技術有效結合,既能回收部分廢水,又使排放的廢水達到排放標準,整個過程處理成本僅為0.1元/m3。
1·實驗部分
1.1廢水水質
實驗所用印染廢水為浙江某市印染廠實際廢水,廢水水質如表1所示。
原水通過精密過濾器預處理,經高壓柱塞泵加壓后,經過壓力平衡器穩壓,進入膜槽。所有膜使用前在去離子水中浸泡24 h,使膜孔內充滿液體。膜片裝入膜框后,用去離子水在1.4 MPa(納濾)或2.8 MPa(反滲透)下預壓5~10 min,直到通量穩定后連續運行。
1.3實驗材料
實驗中采用的反滲透膜為陶氏(Filmtec)公司的BW30和海德能(Hydranautics)公司的CPA2兩種;納濾膜采用NF-1#(美國Osmonics公司的DL-NF復合膜)和NF-2#(國產自制的混合纖維素膜)。
1.4分析方法
電導率采用雷磁DDS-ⅡA型電導率儀測定,濁度根據GB 13200—1991標準分光光度法測定,COD用重鉻酸鉀國標法測定,陰離子采用瑞士萬通861 Compact IC型自動進樣離子色譜儀測定,陽離子濃度采用美國熱電ICP測定膜對離子的去除率:
R=(1-Cp/Cf)×100%
式中:Cp———透過液組分濃度;
Cf———原水組分濃度。
2·實驗結果與討論
2.1膜的純水通量
由于印染廢水的組成比較復雜,因而在用膜技術處理印染廢水時,應針對不同印染廢水選擇材料、結構和性能合適的膜。膜材質的選擇主要考慮廢水的pH和染料的種類及鹽含量。另外膜的選擇必須確保膜對印染廢水中色度和COD的有效去除,以達到一定的處理要求。采用膜的純水通量來考察膜的本征特性。納濾和反滲透過程采用的壓力范圍分別為0.6~2.2 MPa和1.8~3.2 MPa,它們的純水通量如圖2所示。
由圖2可知,納濾膜的通量均大于反滲透膜。其中NF-1#膜的通量最大,通量隨壓力增長也最快。NF-2#膜與CPA2反滲透膜通量比較接近,說明NF-2#膜是比較致密的納濾膜。BW30膜通量最小,且隨壓力增長最為緩慢,表明兩種反滲透膜中,BW30膜結構要較CPA2膜更為致密。
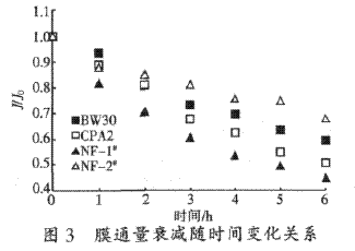
2.2膜通量的衰減
由于印染廢水中含有大量有機物,這些有機物質會通過膜表面吸附、膜孔內吸附等使膜孔堵塞,當濃差極化嚴重時,有機物質就會析出附著在膜表面,形成凝膠層。膜孔堵塞及凝膠層的產生會導致膜污染的形成,從而使膜通量急劇下降。下降后的膜通量以J表示,J0為膜初始通量,J/J0隨時間變化的關系如圖3所示。
由圖3可知,4種膜通量在某一運行周期的初始階段急劇下降,后來逐漸趨于平緩,這主要是由于在壓力作用下,濃差極化在初始時刻即形成,廢水滲透壓增加導致膜兩側凈推動力減小;而在后期運行中,通量仍有所下降,這主要是由于濃差極化的存在使凝膠層逐漸形成,且不斷被壓實所致,另外,膜孔堵塞也是后期膜通量下降的重要原因。
圖4為NF-1#膜和BW30膜表面的電鏡圖。
由圖4可知,有機物析出所形成的凝膠層已覆蓋了膜面,成為膜通量下降的主要原因。由于反滲透過程操作壓力為2.8 MPa,大于納濾過程操作壓力(1.4 MPa),并且反滲透膜較納濾膜更致密,因而反滲透膜對有機物以及鹽類小分子物質的去除效果更明顯,同時也使得反滲透過程的濃差極化更嚴重,凝膠層在高壓下變得更加致密,極大地增加了凝膠層阻力。
從圖3還可看出,無論反滲透還是納濾,結構更致密的膜通量下降的程度較結構疏松的膜要小得多,說明小分子量物質對膜孔的堵塞可能是造成膜污染的一個重要因素。如6 h后,具有較大膜孔徑的NF-1#膜通量為初始通量的0.45,比反滲透膜的通量下降幅度還大,而相對致密的NF-2#膜通量穩定性則要好得多。對兩種反滲透膜來說,其結果比較也是一樣,即BW30比CPA2膜通量穩定。
2.3膜對COD和鹽的去除效果
納濾和反滲透膜產水的COD和電導率,以及膜對COD和鹽的去除率如圖5、圖6所示,膜對離子的截留率見圖7所示。
由圖5、圖6可知,納濾產水的COD和電導率都較高,這是由于廢水中部分有機物和鹽類的相對分子質量很小,如廢水中一價離子Na+、Cl-、NO3-等,納濾膜的篩分作用無法完全截留這部分小分子質量的有機物,對一價離子的截留率也較低,如圖7中所示,NF-2#對NO3-去除率僅為3.9%,對Na+的去除率則有65%,NF-1#更是4種膜中對離子截留率最低的。兩種納濾膜對SO42-的去除率雖然略高一些,分別為71.7%和78%,但由于SO42-是印染廢水中含量較多的離子之一,因此納濾膜產水電導率還是較高。相比之下,由于反滲透膜是無孔膜,因此對有機物和離子的去除率都較高,產水COD可達5 mg/L以下,對離子的去除率在90%以上,其中BW30產水電導率穩定在38μS/cm,CPA2產水電導率穩定在63μS/cm,產水水質遠超《城市污水再生利用工業用水水質標準》(GB 11923—2005)中的相關指標,接近工業用初級純水指標。
由圖5、圖6還可知,納濾產水COD和電導率隨操作時間加長稍有增長,而COD去除率和脫鹽率則有所下降,這主要是由于濃差極化使膜表面有機物和離子濃度遠遠大于主體溶液的濃度,這不僅減小了膜兩側的凈推動力,也加快了溶質透過通量。溶質傳遞方程:
Js=B·ΔC(1)
式中:Js———溶質透過通量;
B———溶質滲透系數;
ΔC———膜兩側溶質濃度差。
由溶質傳遞方程可知,在相同操作條件下,B為常數,溶質透過通量與膜兩側濃度差成正比。因此濃差極化使膜表面溶質濃度增加,ΔC變大,故Js也變大。但隨著凝膠層的形成,膜面有機物濃度不再變化,隨著產水側有機物和離子濃度的增加,ΔC趨向穩定,所以產水COD和電導率也趨于穩定。
2.4產水水質比較
表2為常溫下納濾(1.4 MPa)和反滲透(2.8 MPa)運行6 h后的產水水質。
由表2可知,反滲透產水COD和電導率均較低,水質指標遠超回用標準。納濾產水水質比反滲透差,產水COD>100 mg/L,對一價離子去除率較低。但是,納濾在低壓下即可獲得較大的通量,且運行費用低,低壓下對Mg2+、Ca2+等工業循環回用水中最關注離子的去除率與高壓下反滲透的去除率相當,在廢水資源化利用方面潛力很大,這也是目前國內外基礎和應用研究中一直青睞納濾的主要原因。
2.5工藝放大及經濟性分析
綜合以上分析,納濾和反滲透在廢水資源化利用領域具有較好的實用價值,與常規工藝相比,納濾與反滲透的脫鹽功能對提高廢水水質、增強生物法處理的效果、防止管道腐蝕等具有重要作用。根據本實驗數據及以往相關工程類比,工業放大階段以產水10 t/h計算,反滲透工程直接投資費用約15~20萬元,納濾投資費用一般為反滲透投資費用的80%,大約為12~16萬元。運行費用中,反滲透過程電耗以0.5元/m3計,由于廢水資源化項目膜耗較大,預計膜壽命為2 a,膜耗以0.52元/m3計,反滲透所用藥劑及操作人工費合計約0.5元/m3;納濾操作壓力比反滲透小,因此電耗比反滲透小,以0.4元/m3計,納濾膜耐污染性比反滲透強,使用壽命長,以3 a計,且產水量比反滲透大,使用膜數量可適當減少,但目前市場納濾膜價格比反滲透稍貴,經計算納濾膜耗預計在0.33元/m3左右,納濾所用藥劑及操作人工費合計約0.5元/m3。綜上所述,納濾與反滲透運行費用分別為1.23元/m3和1.52元/m3。整個系統折舊以10 a計算,折舊費用約0.3元/m3,因此,反滲透和納濾的廢水回用處理成本分別約1.82元/m3和1.53元/m3,加上常規廢水生化處理的費用約1.35元/m3,總成本與目前企業自來水價格(3.5元/m3)相比,反滲透和納濾技術仍有一定的優勢。由于我國水資源的嚴重緊缺,隨著水費不斷上漲、廢水減排的壓力日益增大,膜工藝過程的優勢必將越來越明顯。具體參見http://www.dongaorq.cn更多相關技術文檔。
3·結論
實驗采用兩種納濾膜和兩種反滲透膜處理印染廠生物法處理后的出水,考察了納濾和反滲透兩種過程對印染廢水資源化回收利用的可行性。結果表明,反滲透對印染廢水深度處理效果比較明顯,廢水COD去除率達到99%以上,兩種反滲透膜對廢水脫鹽率基本在98%~99%之間,產水水質超過回用標準。納濾過程產水水質低于反滲透,主要是由于廢水中一價離子和小分子物質含量較高,而納濾膜對其去除率較低,因此實驗中所用的兩種納濾膜NF-1#和NF-2#對廢水COD去除率分別為30%~50%和47%~53%,對廢水脫鹽率分別為25%~39%和46%~53%。鑒于納濾操作壓力低,且產水通量大、運行費用低、低壓下即可對Mg2+、Ca2+等工業循環回用水中最關注離子達到與反滲透一樣的去除率等優點,納濾在廢水資源化回收利用方面具有其獨特的優勢。對反滲透和納濾過程的成本分析表明,膜工藝在印染廢水節能減排、資源再生利用等方面將具有廣闊的應用前景。(古騰環保網)









