一、基本原理
該系統應用于城鎮污水處理系統。該工藝包括集水池,隔離在集水池中的格柵池,順序設置在集水池一側的調節池、生物強化池、沉淀池和消毒池以及微生物菌劑自動投加裝置和曝氣控制裝置。微生物菌劑自動投加裝置包括菌劑激活罐、菌劑干粉投加機、進水電磁閥、攪拌器、菌劑激活曝氣器、菌劑投加泵和電控裝置。曝氣控制裝置包括曝氣器、供氧設備、曝氣精確控制器、溶解氧測定儀、溫度傳感器和COD水質測定儀均設置在生物強化池的內部,并與曝氣精確控制器相連接。成果特征:
(1)污水處理系統包括一用于向所述生物強化池中投放微生物菌劑的微生物自動投加裝置,以及一用于控制所述生物強化池中曝氣控制裝置;微生物菌劑自動投加裝置包括菌劑激活罐,菌劑激活罐內投放菌劑干粉投加機,連通菌劑激活罐的進水電磁閥,進水電磁閥的另一端連通自來水管道,設置在菌劑激活罐內的攪拌器連通菌劑激活罐的菌劑曝氣器,一端連通菌劑激活罐,另一端連通生物強化池的菌劑投加泵,用于控制微生物菌劑自動投加裝置運行或者停止的電控裝置;曝氣控制裝置包含設置在所述生物強化池中的曝氣器,曝氣器與供氧設備連通,供氧設備連接曝氣精確控制器,曝氣精確控制器分別連接融解氧測定儀、溫度傳感器和COD水質測定儀,溶解氧測定儀、溫度傳感器和COD水質測定儀均設置在所述生物強化池內部。
(2)集水池、調節池、生物強化池、沉淀池和消毒池均為密閉的結構,其上部開設有維修孔。
(3)集水池的底部設置一級提升泵,每個一級提升泵的出水口均經管路與調節池連通,管路上設置電磁流量計,集水池頂端開設安裝和維護提升泵的通孔,格柵池內設置用于去除污水中大的懸浮物的格柵。
(4)生物強化池相鄰的調節池的池體底部設置二級提升泵,二級提升泵的出水口均通過管路與生物強化池連通,管路上設置電磁流量計,調節池頂部開設安裝和維修二級提升泵的通孔。
(5)生物強化池的體內設置有生物填料,沉淀池隔離出一個閥門井和一個污泥井,閥門井和污泥井相鄰;閥門井內設置提升泵,污泥井內設置排泥管,每個排泥管上均設置一臺電動閥;污泥井中設置有用于污泥做進一步處理的污泥泵,消毒池相鄰的沉淀池的一端設置一出水堰。
(6)消毒池通過出水堰與沉淀池連通,消毒池內設置若干相互平行且交錯設置的折流板,調節池的頂部設置一用于消毒池中投加消毒藥品的加藥裝置,通過加藥管與消毒池連通。
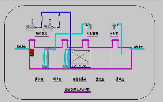
二、工藝流程

本成果實用于污水處理,能夠實現生物強化處理且能夠精確控制曝氣的污水處理系統。
污水來水首先經過格柵池中的格柵去除大的懸浮物,然后進入集水池,通過集水池中的一級提升泵和管路,將污水輸送至調節池,進行水質水量的調節,即通過安裝在管路上的電磁流量計計量進入調節池的水量,并將水量信息傳輸給曝氣精確控制器。經過水量水質調節后的污水在通過調節池中的二級提升泵,輸送至生物強化反應池中,通過微生物菌劑自動投加裝置有針對性的投入菌劑,與反應池中其他微生物一起將水中大量的有機物等物質去除。生物強化反應池出水進入沉淀池,進行泥水分離,出水再經過出水堰排入消毒池,消毒劑通過加藥裝置和加藥管將藥劑自動投加到消毒池中,充分消毒后,消毒池中出水再通過出水管達標排放。
微生物菌劑自動投加裝置投加菌劑的過程如下:首先通過進水管電磁閥加入水,通過菌劑干粉投加機加入菌劑等微生物及白糖、維生素等營養物質。通過攪拌器與菌劑激活曝氣器使得菌種完全溶解發酵和激活。然后通過菌劑投加泵,根據水量定時定量的將激活后的菌液播種到生物強化反應池中,進行低水量負荷培菌,然后根據來水水量的變化,定時定量自動投加菌液,直到滿負荷運行,實現系統的快速啟動。整套微生物菌劑自動投加裝置通過電控裝置進行控制,可手動,也可自動。
曝氣控制裝置中的供氧設備是以進水COD濃度、溶解氧DO濃度等為主要檢測指標,采用曝氣精確控制器實現節能20-30%,保證微生物的適宜生存環境。曝氣控制裝置的精確控制步驟如下:
(1)在曝氣精確控制器中設置下限值DO,取值范圍0.5-1.0mg/L;
(2)在曝氣精確控制器中設置DO取值頻率,并開啟溶解氧測定儀、COD水質測定儀和溫度傳感器,數值輸入曝氣精確控制中進行邏輯計算,計算微生物的呼吸速率;
(3)曝氣精確控制器根據水量、水質的數據與DO值進行分析計算微生物呼吸所需DO量,并計算出選定的供氧設備應供給的氣量對應的頻率。
(4)曝氣精確控制器發出指令調整供氧設備頻率,改變供氣量;
(5)溶解氧測定儀水質測定儀和溫度傳感器測定DO、COD及溫度,并將信號傳輸給曝氣精確控制器進行對比計算,進入下一個控制周期;
(6)調整控制周期的時長(T=2-30min),調整供氧設備運行穩定性。
三、關鍵技術
(1)包含有微生物菌劑自動投加裝置,該裝置可根據來水水質,水量的變化,調整投加的生物菌劑的種類和數量,使投加菌劑與生物反應池中的其他微生物共同形成一個更適用于給水質的生物生態系統;
(2)包含有曝氣控制裝置,通過曝氣控制裝置精確控制生物強化池內DO(溶解氧)的濃度,從而保證生態系統中微生物的適宜生存環境,提高生物處理系統出水水質的穩定性,同時還避免了因為人為的誤操作而造成的系統運行故障或出水水質不穩定。
四、水污染防治效果
(1)設置有生物強化池,并通過微生物菌劑自動投加裝置向生物強化池內投加菌劑,菌劑的量根據生物強化池中的水量水質定時定量投加,菌劑與生物反應池中的其他微生物共同形成一個更適用于來水水質的微生物生態系統。因此,能夠有效地提高本技術對于水處理的效果,提高出水水質。進一步的,生物強化池通過添加一種或數種微生物菌種或微生物群,與其他有機物降解菌混合組成生態系統,從而優化污水中原有的降解微生物群落,提高降解菌群的活性,增加降解菌群的數量,以達到強化微生物降解目標污染物能力的目的。通過采用生物強化手段,污水處理系統生物載體上的微生物數量和種類有所增加,不僅可實現污水生物處理系統的快速啟動,而且可有效保證污水處理系統的可靠性和穩定性
(2)通過曝氣控制裝置精確控制生物強化池內DO(溶解氧)的濃度,從而保證生態系統中微生物的適宜生存環境,提高生物處理系統出水水質的穩定性,同時還避免了因人為的誤操作而造成的系統運行故障或出水水質不穩定,實現生化系統的高效、低能耗運行,在保證系統穩定脫除有機物的同時,更有效的在含鹽量高條件下實現了系統的快速啟動
(3)生物處理系統中的供氧設備以進水COD濃度和生化池中DO濃度為主要監控指標,并將這兩項指標傳輸給精度控制器,精度控制器根據這兩項指標控制生物強化池的供氧設備,供氧設備根據生物強化池中的需求輸送氧氣,因此,與傳統的生物處理系統相比,可實現節能20~30%
(4)消毒池設置有加藥裝置和加藥管,消毒劑能通過加藥裝置和加藥管自動投加到消毒池中,并且消毒池內間隔交錯設置若干折流板,增加水的曲折流動菌的傳播,使污水凈化處理更加徹底,出水水質更加安全
(5)集水池、調節池、生物強化池、沉淀池和消毒池的頂部均開設有維修孔,因此方便檢查各池的狀態且當出現故障時,便于維修


