申請日2016.05.04
公開(公告)日2016.09.28
IPC分類號C02F9/06
摘要
本實用新型公開了一種純水處理系統,包括依次設置的源水沉淀池、機械過濾裝置、活性炭過濾裝置、精密過濾器一、反滲透膜、TOC脫出器、EDI系統一及密封儲蓄池,所述源水沉淀池與機械過濾裝置之間設有源水泵;還包括依次設置的回收池、精密過濾器二、EDI系統二,所述EDI系統二連通至密封儲蓄池,所述回收池與精密過濾器二之間設有回收泵。本系統節省時間,節約能源。
權利要求書
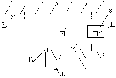
1.一種純水處理系統,其特征在于:包括依次設置的源水沉淀池(1)、機械過濾裝置(2)、活性炭過濾裝置(3)、精密過濾器一(4)、反滲透膜(5)、TOC脫出器(6)、EDI系統一(7)及密封儲蓄池(8),所述源水沉淀池(1)與機械過濾裝置(2)之間設有源水泵(9);還包括依次設置的回收池(10)、精密過濾器二(11)、EDI系統二(12),所述EDI系統二(12)連通至密封儲蓄池(8),所述回收池(10)與精密過濾器二(11)之間設有回收泵(13)。
2.根據權利要求1所述的一種純水處理系統,其特征在于:還包括液位計一(14),所述液位計一(14)設置在密封儲蓄池(8)中,所述液位計一(14)通過電磁繼電器一(15)連接至源水泵(9)。
3.根據權利要求1所述的一種純水處理系統,其特征在于:還包括液位計二(16),所述液位計二(16)設置在回收池(10)中,所述液位計二(16)通過電磁繼電器二(17)連接至回收泵(13)。
說明書
一種純水處理系統
技術領域
本實用新型涉及一種純水處理系統。
背景技術
純水在工業中的應用極光,一般情況下,純水使用后及廢棄,需要的話重新通過源水制備,耗費時間和能源。
發明內容
本實用新型的目的在于:提供一種高效利用的純水處理系統。
本實用新型是通過以下技術方案實現的:一種純水處理系統,包括依次設置的源水沉淀池、機械過濾裝置、活性炭過濾裝置、精密過濾器一、反滲透膜、TOC脫出器、EDI系統一及密封儲蓄池,所述源水沉淀池與機械過濾裝置之間設有源水泵;還包括依次設置的回收池、精密過濾器二、EDI系統二,所述EDI系統二連通至密封儲蓄池,所述回收池與精密過濾器二之間設有回收泵。
進一步的,還包括液位計一,所述液位計一設置在密封儲蓄池中,所述液位計一通過電磁繼電器一連接至源水泵。
進一步的,還包括液位計二,所述液位計二設置在回收池中,所述液位計二通過電磁繼電器二連接至回收泵。
與現有技術相比,本實用新型具有以下有益效果:
一、本實用新型的純水處理系統,使用過的純水經回收后再處理,因為之前就是純水,二次處理可以節省很多步驟,省時省資源。
二、本實用新型的純水處理系統,液位計一設置在密封儲蓄池中,并通過電磁繼電器一連接至源水泵。當液位計一感應到儲蓄池中水位過低時,接通源水泵開始制備新的純水
三、本實用新型的純水處理系統,液位計二設置在回收池中,并通過電磁繼電器二連接至回收泵。當感應到回收池中水位過低時,斷開回收泵電源。



