申請日2015.06.10
公開(公告)日2015.09.30
IPC分類號C02F9/14
摘要
本發明涉及一種使用硅藻精土生物法處理涂料廠廢水的設備及方法,生活污水調節池由化糞池和調節池組成,化糞池與調節池通過頂部堰槽連通,第一澄清室由混勻室、第一絮凝室和第一分離室組成,混勻室與第一絮凝室通過提升泵連通,第一絮凝室與第一分離室通過底部連通,第二澄清室由第二絮凝室和第二分離室組成,第二絮凝室與第二分離室通過頂部堰槽連通;缺氧室與好氧室通過頂部的堰槽連通,好氧室與第二絮凝室底部連通,第二分離室與凈水儲水室通過頂部的堰槽連通;廠區廢水調節池和生活污水調節池為兩個獨立的室,調節池與缺氧室通過提升泵連通,調節池與第一絮凝室通過提升泵連通。本發明為一體化設備,可同時處理涂料廠所有廢水,處理效率高。
摘要附圖
權利要求書
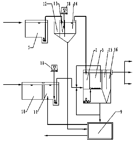
1.使用硅藻精土生物法處理涂料廠廢水的設備,它包括廂體、廠區廢水調節池、生活污水調節池、第一澄清室、第二澄清室、缺氧室、好氧室、污泥脫水室和凈水儲水室,其特征是:廂體內按照處理工藝分成兩側,其中一側依次設置有缺氧室、好氧室和第二澄清室,另一側依次設置有廠區廢水調節池、生活污水調節池、第一澄清室、污泥脫水室和凈水儲水室,其中生活污水調節池由化糞池和調節池組成,化糞池與調節池通過頂部堰槽連通,第一澄清室由混勻室、第一絮凝室和第一分離室組成,混勻室與第一絮凝室通過提升泵連通,第一絮凝室與第一分離室通過底部連通,第二澄清室由第二絮凝室和第二分離室組成,第二絮凝室與第二分離室通過頂部堰槽連通;缺氧室與好氧室通過頂部的堰槽連通,好氧室與第二絮凝室底部連通,第二分離室與凈水儲水室通過頂部的堰槽連通;廠區廢水調節池和生活污水調節池為兩個獨立的室,調節池與缺氧室通過提升泵連通,調節池與第一絮凝室通過提升泵連通,廠區廢水調節池通過提升泵連通,第一分離室與污泥脫水室通過底部連通,第二分離室與污泥脫水室通過底部連通,缺氧室與第二分離室通過回流管道連通,在混勻室和調節池上方均設置有硅藻精土投料機。
2.根據權利要求1所述的使用硅藻精土生物法處理涂料廠廢水的設備,其特征是:在好氧室底部設置有曝氧管路。
3.根據權利要求1所述的使用硅藻精土生物法處理涂料廠廢水的設備,其特征是:廂體為由方鋼制成的長方體骨架結構,并通過鋼板將各容器焊接成密封結構,在廂體底部設置有便于調節水平的調節器,在廂體四壁設置有保溫層。
4.一種利用權利要求1所述的使用硅藻精土生物法處理涂料廠廢水的設備的處理方法,其特征在于,①設備清洗廢水和原料初期雨水通過獨立管道進入廠區廢水調節池,并通過攪拌機均勻的攪拌,使得波動的水質得到混勻;②廠區廢水調節池內的廢水經潛污泵提升至第一澄清室的第一絮凝室內,同時向第一絮凝室內投加硅藻精土,進行充分接觸、吸附、聚合;③從第一絮凝室進入第一分離室進行泥水分離,第一分離室的上清液再進入缺氧室,第一分離室底部的污泥進入污泥脫水室;④生活污水調節池的污水先進入化糞池,再進入調節池內,同時向調節池內投加硅藻精土,后經潛污泵提升至缺氧室;⑤從第一分離室和調節池進入缺氧室的污水經過硅藻精土生物反硝化處理,去除總氮,之后進入好氧室;⑥在好氧室內在曝氣條件下,微生物進行高效去除COD、氨氮等污染物,其中一部分回流至缺氧室,另一部分從底部進入第二絮凝室,再進行充分接觸、吸附、聚合,后進入第二分離室進行泥水分離,之后;⑦第二分離室分離后的上清液由頂部堰槽進入凈水儲水室,底部的污泥進入污泥脫水室,另一部分污泥回流到缺氧室。
說明書
使用硅藻精土生物法處理涂料廠廢水的設備及其處理方法
技術領域
本發明屬于污水處理技術領域,具體涉及一種使用硅藻精土生物法處理涂料廠廢水的設備及其處理方法。
背景技術
近年來涂料行業得到了不斷的增長,技術不斷更新,生產調配實現全自動化。涂料生產調配過程中,產生的廢水也成為環保部門重點關注對象之一。這些涂料廠在生產過程中不可避免地會產生設備清洗廢水、生活污水、鍋爐排污水、地面沖洗水和原料庫初期雨水。這些廢水中含有濾渣,污水中主要污染物以SS、氨氮為主,同時還有顏料重金屬、有機物等,如果將這些廢水直接排入到大自然,將對土地及農田產生次生污染,導致不可估量的后果。
涂料清洗廢水與原料庫初期雨水目前常用的處理工藝為絮凝沉淀之后經生化處理達標,生活污水采用生化法處理達標,由于水量小,一般采用設備來處理。目前的設備只有單獨處理清洗廢水或者生活污水的設備,而沒有一體化的設備;而且處理后的污水緊緊達到排放標準,還不能回用;同時存在運營費用高,運行管理復雜,無法取出臭味,污泥存在二次污染等缺陷。
發明內容
本發明的目的在于提供一種使用硅藻精土生物法處理涂料廠廢水的設備及其處理方法。本發明為一體化設備,可同時處理涂料廠所有廢水,且設備成本少,運營成本低,無異味,剩余污泥不會造成二次污染,出水可全部再生回用,不外排一滴水,運行管理簡單,實現了設備的全自動控制。
本發明采用的技術方案:使用硅藻精土生物法處理涂料廠廢水的設備,它包括廂體、廠區廢水調節池、生活污水調節池、第一澄清室、第二澄清室、缺氧室、好氧室、污泥脫水室和凈水儲水室,廂體內按照處理工藝分成兩側,其中一側依次設置有缺氧室、好氧室和第二澄清室,另一側依次設置有廠區廢水調節池、生活污水調節池、第一澄清室、污泥脫水室和凈水儲水室,其中生活污水調節池由化糞池和調節池組成,化糞池與調節池通過頂部堰槽連通,第一澄清室由混勻室、第一絮凝室和第一分離室組成,混勻室與第一絮凝室通過提升泵連通,第一絮凝室與第一分離室通過底部連通,第二澄清室由第二絮凝室和第二分離室組成,第二絮凝室與第二分離室通過頂部堰槽連通;缺氧室與好氧室通過頂部的堰槽連通,好氧室與第二絮凝室底部連通,第二分離室與凈水儲水室通過頂部的堰槽連通;廠區廢水調節池和生活污水調節池為兩個獨立的室,調節池與缺氧室通過提升泵連通,調節池與第一絮凝室通過提升泵連通,廠區廢水調節池通過提升泵連通,第一分離室與污泥脫水室通過底部連通,第二分離室與污泥脫水室通過底部連通,缺氧室與第二分離室通過回流管道連通,在混勻室和調節池上方均設置有硅藻精土投料機。
進一步地,在好氧室底部設置有曝氧管路。
進一步地,廂體為由方鋼制成的長方體骨架結構,并通過鋼板將各容器焊接成密封結構,在廂體底部設置有便于調節水平的調節器,在廂體四壁設置有保溫層。
一種利用所述的使用硅藻精土生物法處理涂料廠廢水的設備的處理方法,①設備清洗廢水和原料初期雨水通過獨立管道進入廠區廢水調節池,并通過攪拌機均勻的攪拌,使得波動的水質得到混勻;②廠區廢水調節池內的廢水經潛污泵提升至第一澄清室的第一絮凝室內,同時向第一絮凝室內投加硅藻精土,進行充分接觸、吸附、聚合;③從第一絮凝室進入第一分離室進行泥水分離,第一分離室的上清液再進入缺氧室,第一分離室底部的污泥進入污泥脫水室;④生活污水調節池的污水先進入化糞池,再進入調節池內,同時向調節池內投加硅藻精土,后經潛污泵提升至缺氧室;⑤從第一分離室和調節池進入缺氧室的污水經過硅藻精土生物反硝化處理,去除總氮,之后進入好氧室;⑥在好氧室內在曝氣條件下,微生物進行高效去除COD、氨氮等污染物,其中一部分回流至缺氧室,另一部分從底部進入第二絮凝室,再進行充分接觸、吸附、聚合,后進入第二分離室進行泥水分離;⑦第二分離室分離后的上清液由頂部堰槽進入凈水儲水室,底部的污泥進入污泥脫水室,另一部分污泥回流到缺氧室。
本發明與現有技術相比其有益效果是:①本發明處理設備清洗廢水所采用的藥劑為硅藻精土處理劑,是一種無毒無害,不會產生污泥二次污染的藥劑,其單位吸附能力是活性炭的1.5倍,絮凝能力是聚合氯化鋁的2倍,屬于物理反應,反應速度快,沉降性能好,不溶于水,可以與水沉底分離,可以將廢水中的COD、染料及助劑、懸浮物等吸附絮凝去除,處理效果好;
②本發明的處理設備相比同類設備,可以一體化的處理涂料廠所有廢水,且自動化程度高,設備體積小,節約了設備成本,且運營費用低;
③本發明處理后的出水可全部回用,可用作設備清洗水、洗車用水、綠化用水、清洗地面、沖廁等,涂料廠不外排一滴水,真正做到水資源循環利用;
④本發明生化部分停留時間短,一般為8-10小時;
⑤本發明無臭味,設備可以放在廠區內任何地方,由于硅藻精土的納米微孔結構可以將污水中的臭味徹底吸附,因此,整個處理過程中無臭味,且污泥也沒有臭味;
⑥本發明自帶污泥脫水設備,可以將剩余污泥壓濾脫水至含水率70%以下。
經本發明處理后的生活污水和廠區污水,符合《城鎮污水處理廠污染物排放標準》GB18918-2002一級A標準,處理后的再生水可用于噴灑道路、綠化、沖洗地面等。各項指標如下表。
單位(mg/L) COD BOD 氨氮 總氮 SS 總磷 進水 350 170 35 45 150 3 出水 50 10 5 15 10 0.5 去除率 85.7% 94.1% 85.7% 66.7% 93.3% 83.3%






