申請日2014.10.24
公開(公告)日2015.05.06
IPC分類號C02F9/10; C01D5/00; C01D3/04
摘要
本實用新型公開了一種從廢水處理系統中回收鹽的系統,按廢水流向依次包括去COD單元、去雜質和結垢離子單元、PH調節單元、膜濃縮單元、二段結晶單元、一級結晶分離單元、二級冷凍結晶單元、單效或多效蒸發單元、三級結晶單元和母液池。本實用新型所述的從廢水處理系統中回收鹽的系統,通過對廢水進行氧化、吸附、沉淀、過濾、軟化、去CO2等工藝步驟對廢水進行處理,去除相關離子和雜質,排除對RO反滲透的影響速度和效果,同時確保提取的硝和鹽的純度;系統中設置能量轉換單元,將一級結晶分離單元、二級冷凍結晶單元及單效或多效蒸發單元、三級結晶單元的熱量進行相互轉化并使用,提高能源利用率,最大限度的節省資源。
權利要求書
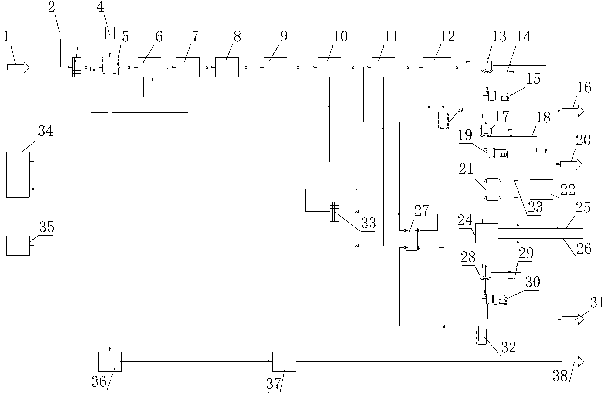
1.一種從廢水處理系統中回收鹽的系統,其特征在于,按廢水流向依次包括去COD單元、去雜質和結垢離子單元、PH調節單元、膜濃縮單元、二段結晶單元、一級結晶分離單元、二級冷凍結晶單元、單效或多效蒸發單元、三級結晶單元和母液池,
所述去雜質和結垢離子單元包括依次連通的石灰澄清池、多級過濾器、軟化水裝置、二氧化碳除炭器;
所述PH調節單元為PH調節池;
所述膜濃縮單元為二級RO系統;
所述二段結晶單元為二段MVR蒸發器;
所述一級結晶分離單元包括稠厚器、第一離心機;
二級冷凍結晶單元包括冷凍結晶器、第二離心機;
所述單效或多效蒸發單元包括單效或多效蒸發器;
所述三級結晶單元包括冷凍結晶器、第三離心機。
2.根據權利要求1所述的從廢水處理系統中回收鹽的系統,其特征在于,所述膜濃縮單元和二段結晶單元之間還設有初濃縮單元,所述初濃縮單元包括一段MVR蒸發器。
3.根據權利要求2所述的從廢水處理系統中回收鹽的系統,其特征在于,所述母液池還設有出水支路與初濃縮單元連通,廢水通過出水支路流經換熱器預熱后進入初濃縮單元。
4.根據權利要求1~3中任意一項所述的從廢水處理系統中回收鹽的系統,其特征在于,所述二級冷凍結晶單元和單效或多效蒸發單元之間設有能量轉換單元,所述能量轉換單元包括熱泵和換熱器,換熱器設于二級冷凍結晶單元中的第二離心機和單效或多效蒸發單元中的單效或多效蒸發器之間,熱泵連接冷凍結晶器和換熱器。
說明書
一種從廢水處理系統中回收鹽的系統
技術領域
本實用新型涉及一種從廢水處理系統中回收鹽的系統,將廢水中的有害物質去除的同時能分離出工業用鹽并提純,特別適用于煤化工污水的處理,屬于節能減排和廢物回收利用領域。
背景技術
隨著工業生產裝置的不斷建設,其污水、廢氣、廢物排放量也不斷增加,環境容忍度與排放許可量也越來越小,所以零排放系統也在不斷推廣。大工業生產過程中零排放的要求也越來越高,比如建設一個100萬噸以上甲醇及其附屬煤制醋酸、乙二醇、煤制烯烴等大型項目,如果實行零排放,將最大限度地實現節能減排,但同時,每年將產生2-5萬噸廢鹽。對于西北缺水地區或原水中含鹽量高的地區每年排放廢鹽量將更高,如何處理這些廢鹽一直困擾著廣大工程技術人員,尤其對于可溶性廢鹽,雖可以通過技術處理手段處理到非危廢程度,但其最終處理難度很大,既不能填埋,也不可使用。因此找到一種資源化利用方法顯得尤為重要,本實用新型目的就是要解決以上問題。
經檢索,近年來已申請“零排放”相關專利795件,如CN103253820B“高效液體零排放廢水處理方法及系統”、CN10328809A“一種煤氣化廢水零排放的處理方法、處理系統和應用”、CN103319042A“高鹽復雜廢水回用與零排放集成設備及工藝”等。同時,我們也搜索了“回收鹽方法或鹽硝分離”相關專利,但對于污水零排放中的結晶鹽的提純再利用,所涉及專利很少。由于工業廢水中的鹽含有大量COD或雜鹽存在,或正常由原水中逐級濃縮以后形成的結晶鹽,且還含有其他離子如Ca2+、Mg2+、K+、NO3-、HCO3-等的影響,單一鹽回收的難度很大,很難滿足使分離出的鹽達到工業用鹽的標準。目前,這一類的資源化利用方法和裝置還沒有。
一般的鹽硝工藝結晶分離適用于廢水中含有Na2SO4較低時,的通常采用四效、五效或MVR來分步結晶,其結晶溫度選在50~120℃,即先將鹵水在較低溫度下進行蒸發,在NaCl大量析出的同時,Na2SO4得到濃縮,在其接近飽和時升溫即有Na2SO4析出來以達到鹽硝分離。這個工藝的特點是由鹽硝鹵水含鹽量93%~98%左右,且鹵水濃度較大,含水率較低。且生產條件要求苛刻,體現在:
1.對原水質量要求高,硫酸鈉含量需嚴格控制和恒定,一般在3~10%,單硫酸鈉含量較高時,分離工藝比較復雜,需要反復調節溫度及廢水濃度來分離不同的鹽,且回收的鹽不純,含有較多雜質;
2.對外界水、電、汽和溫度控制要求高,若某一條件發生變化,就可能導致分離提純 不均;
3.操作、調整難度大且蒸發熱效率有提升空間,造成資源浪費成本增加。
實用新型內容
實用新型目的:本實用新型的目的是提供一種實用的適用于大工業生產,特別是石油化工、煤化工等生產后的從廢水處理系統中回收鹽的系統。該系統實用簡便、節省能源,同時分離后的主要析出鹽能夠達到工業三級標準或更高標準,真正實現商品化和資源化利用,同時能有效利用各步驟中的能量轉換。。
技術方案:本實用新型所述的從廢水處理系統中回收鹽的系統,其目的是這樣實現的:
一種從廢水處理系統中回收鹽的系統,按廢水流向依次包括去COD單元、去雜質和結垢離子單元、PH調節單元、膜濃縮單元、二段結晶單元、一級結晶分離單元、二級冷凍結晶單元、單效或多效蒸發單元、三級結晶單元和母液池,
所述去雜質和結垢離子單元包括依次連通的石灰澄清池、多級過濾器、軟化水裝置、二氧化碳除炭器;
所述PH調節單元為PH調節池;
所述膜濃縮單元為二級RO系統;
所述二段結晶單元為二段MVR蒸發器;
所述一級結晶分離單元包括稠厚器、第一離心機;
二級冷凍結晶單元包括冷凍結晶器、第二離心機;
所述單效或多效蒸發單元包括單效或多效蒸發器;
所述三級結晶單元包括冷凍結晶器、第三離心機。
如上所述的系統,所述膜濃縮單元和二段結晶單元之間還設有初濃縮單元,所述初濃縮單元包括一段MVR蒸發器,初濃縮單元將經膜濃縮單元RO反滲透濃縮以后的高TDS廢水進行初步較大水量的濃縮,然后進入后續的析硝和析鹽的過程。
如上所述的系統,所述母液池還設有出水支路與初濃縮單元連通,出水支路上設有換熱器,廢液通過出水支路流經換熱器預熱后進入初濃縮單元,與初濃縮單元中的廢水混合,再次參與析硝和析鹽的過程。
如上所述的系統,所述第二級冷凍結晶單元和單效或多效蒸發單元之間設有能量轉換單元,所述能量轉換單元包括熱泵和換熱器,換熱器設于二級冷凍結晶單元中的第二離心機和單效或多效蒸發單元中的單效或多效蒸發器之間,熱泵連接冷凍結晶器和換熱器,將一級結晶分離單元、二級冷凍結晶單元及單效或多效蒸發單元、三級結晶單元的熱量進行相互轉化并使用,提高能源利用率。
利用上述系統,可通過下述工藝步驟來從廢水處理系統中回收鹽并提純,具體如下:
(1)廢水中加入強氧化劑;
(2)廢水通過去COD單元,去除被氧化的有機污染物及亞硝酸鹽、硫化物、亞鐵鹽及殘余的膜阻垢劑與NH4-N等;
(3)廢水通過澄清石灰池,去除HCO3-;
(4)廢水經過多級過濾處理,去除懸浮物與沉淀物;
(5)廢水經二次軟化去除硬度和堿度,并經過二氧化碳除炭器,去除水中的二氧化碳;
(6)廢水調整PH后進入二級RO系統,進行反滲透濃縮,使高鹽廢水的TDS濃度達到30000~60000;
(7)廢水進入蒸發器進行蒸發,控制溫度在75~100℃,濃縮后結晶出Na2SO4;
(8)過飽和廢水溶液進入稠厚器,依靠冷水控制,使溫度達到50~100℃,繼續結晶析出Na2SO4,通過離心分離或過濾得到達到或超過工業三級標準的工業硝;
(9)廢水進入冷凍結晶器,依靠冷凍水控制冷凍,使溫度達到0~10℃,冷凍結晶析出Na2SO4,通過離心分離或過濾得到達到或超過工業三級標準的工業硝;
(10)析硝以后的廢水母液采用單效或多效蒸發,控制溫度在50~120℃,進一步濃縮析出NaCl,通過離心分離或過濾得到到達或超過工業三級標準的工業鹽;
(11)最后的廢水母液進入步驟(7)中的蒸發器里與待處理的廢水混合再次蒸發,循環步驟(7)~(10)。
考慮到需要處理的廢水含鹽量相對較低,一般在1%~5%之間,含水率高,同時所含的成分復雜,以通常的煤化工污水零排放為例,廢水中鹽的主要成分為NaCl與Na2SO4,且兩者的比例基本在1:1左右,通過一般的鹽硝分離工藝很難將NaCl與Na2SO4分離出來并保證純度,且COD和雜質含量高,結合高鹽水低溫熱泵蒸發或MVR運行的特點,需要對在蒸發過程中溶解度低或者難結晶出來的鹽雜質、COD等產生結垢或蓄積的問題進行初步處理,去除水中的還原性物質及雜質和結垢離子單元,本實用新型步驟(1)~(5)中的氧化、吸附、沉淀、過濾、軟化、去CO2等工藝即是對廢水進行初步處理,排除對步驟(6)中RO反滲透的影響速度和效果,同時確保后續提取的硝和鹽的純度,特別是在步驟(5)中,二氧化碳除炭器在離子交換水處理過程中的作用在于除去水中的二氧化碳,減輕陰離子交換的負荷,提高水處理系統的經濟性及出水水質。
有益效果:本實用新型所述的從廢水處理系統中回收鹽的系統,通過對廢水進行氧化、吸附、沉淀、過濾、軟化、去CO2等工藝步驟對廢水進行處理,去除相關離子和雜質,排除對RO反滲透的影響速度和效果,同時確保提取的硝和鹽的純度,特別是設置二氧化碳除炭 器,減輕陰離子交換的負荷,提高水處理系統的經濟性及出水水質;系統中設置能量轉換單元,將一級結晶分離單元、二級冷凍結晶單元及單效或多效蒸發單元、三級結晶單元的熱量進行相互轉化并使用,提高能源利用率,最大限度的節省資源。
采用本實用新型與傳統四效蒸發節能情況對比如下:以100m3/h,進水TDS 3.5%的污水為例:
注1:上表中以100t/h含鹽3.5%wt的污水為例;
注2:蒸汽價格180元/t,平均電價0.6元/KWh,工程費用14年折舊。







