公布日:2024.03.15
申請日:2023.12.20
分類號:C02F3/00(2023.01)I;C02F3/30(2023.01)I;C02F11/121(2019.01)I;C02F11/00(2006.01)I;C02F101/30(2006.01)N
摘要
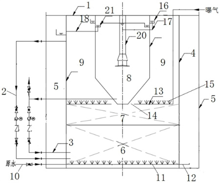
本發明涉及一種一體化微動力循環污水處理裝置,包括立式的反應筒和反應筒外部的硝化液回流管、污泥回流管,反應筒為套層結構,內層為生化處理區,外層為輔助后處理區;生化處理區由下至上包括缺氧區、厭氧區和綜合區,綜合區為套層結構,內層為沉淀區,外層為好氧區,缺氧區的底部設有進水管,好氧區的頂部通過第一輸水管連接沉淀區,將好氧區處理后的水體輸入沉淀區;污泥回流管的進口端和出口端均穿入反應筒,污泥回流管的進口端連接沉淀區的底部,污泥回流管的出口端連接缺氧區;硝化液回流管的進口端和出口端均穿入反應筒,硝化液回流管的進口端連接好氧區,硝化液回流管的出口端連接缺氧區。

權利要求書
1.一種一體化微動力循環污水處理裝置,其特征在于,包括立式的反應筒和反應筒外部的硝化液回流管、污泥回流管,反應筒為套層結構,內層為生化處理區,外層為輔助后處理區;生化處理區由下至上包括缺氧區、厭氧區和綜合區,綜合區為套層結構,內層為沉淀區,外層為好氧區,缺氧區的底部設有進水管,好氧區的頂部通過第一輸水管連接沉淀區,將好氧區處理后的水體輸入沉淀區;污泥回流管的進口端和出口端均穿入反應筒,污泥回流管的進口端連接沉淀區的底部,污泥回流管的出口端連接缺氧區;硝化液回流管的進口端和出口端均穿入反應筒,硝化液回流管的進口端連接好氧區,硝化液回流管的出口端連接缺氧區。
2.根據權利要求1所述的一體化微動力循環污水處理裝置,其特征在于,所述缺氧區內具有顆粒污泥,底部設有布水器;所述布水器為在同一平面上螺旋盤繞若干圈的水管,水管的兩側均勻密布出水嘴,出水嘴向下傾斜設置;布水器的一側連接進水管,另一側連接反沖洗管一,能實現在線反沖洗,保證反應筒連續運行。
3.根據權利要求2所述的一體化微動力循環污水處理裝置,其特征在于,所述缺氧區的頂部連通厭氧區,厭氧區內具有顆粒污泥,側壁連接取樣管二和ORP檢測儀二,用于實時檢測厭氧區內的污泥和水質情況,取樣管二的出口和ORP檢測儀二均穿出反應筒的外壁面,處于反應筒外部。
4.根據權利要求3所述的一體化微動力循環污水處理裝置,其特征在于,所述好氧區底部與沉淀區底部處于相同高度,沉淀區的側壁將好氧區與沉淀區分隔開;好氧區與厭氧區之間設有分隔板,用于分隔好氧區和厭氧區;分隔板為圓環形,分隔板中心對應沉淀區底部的位置空置,且分隔板內側邊沿與沉淀區底部之間具有空隙,該空隙成為過水區,過水區設有隔網一,允許厭氧區的水體上升進入好氧區;分隔板上均勻設置曝氣管一,為好氧區提供氧氣。
5.根據權利要求4所述的一體化微動力循環污水處理裝置,其特征在于,所述沉淀區的側壁外表面設有出水堰,出水堰處于好氧區的頂部,并圍繞沉淀區一圈,使得好氧區處理后的水體均勻進入出水堰;出水堰底部的任意位置設有第一輸水管,第一輸水管穿過沉淀區的側壁進入沉淀區。
6.根據權利要求5所述的一體化微動力循環污水處理裝置,其特征在于,所述沉淀區的中心設有進水穩流桶,所述第一輸水管連接進水穩流桶的上部,將出水堰內的水體輸入進水穩流桶;沉淀區的頂部設有溢流堰,溢流堰繞沉淀區一圈,溢流堰底部連接第二輸水管,用于輸出沉淀區的上清液。
7.根據權利要求6所述的一體化微動力循環污水處理裝置,其特征在于,所述輔助后處理區為圓環形,依次設有過濾區、清水區和污泥處理區,第二輸水管連接過濾區的頂部,過濾區內部設有過濾層;過濾區通過管道連接清水區,清水區設有產水管,將處理后的產水輸出反應筒,所述反沖洗管一連接清水區,使用清水區的水體反沖洗布水器和缺氧區;污泥處理區用于處理厭氧區鈣化的顆粒污泥,由下至上包括過濾捕集區、脫鈣區和第一培養區,厭氧區通過排料管連接過濾捕集區的一側,清水區通過反沖洗管二連接過濾捕集區的另一側,脫鈣區內設有曝氣管二和進藥管,用于攪動脫鈣區內的水體和輸入脫鈣劑。
8.根據權利要求7所述的一體化微動力循環污水處理裝置,其特征在于,所述過濾捕集區內沿著反應筒的周向均勻設置若干個彼此相互平行的過濾捕集網,過濾捕集網傾斜設置且排成一排,用于過濾捕集鈣化的顆粒污泥;厭氧區的底部設有排料管,排料管連接過濾捕集區的上游側一端,過濾捕集區的下游側一端連接反沖洗管二,反沖洗管二設有支管和主管,支管連接厭氧區,主管連接清水區;靠近過濾捕集區的上游側一端的頂部設有通水口一,用于將過濾捕集區捕集的鈣化的顆粒污泥輸入脫鈣區。
9.根據權利要求8所述的一體化微動力循環污水處理裝置,其特征在于,所述脫鈣區的兩側壁面分別設有一根豎直的曝氣管二,曝氣管二連接外部的曝氣風機,為脫鈣區提供氣動攪拌;脫鈣區的中心設有一根豎直的進藥管,進藥管的兩側都均勻密布通孔,進藥管通過輸藥管連接外部的脫鈣劑儲罐;所述清水區通過反沖洗管三連接脫鈣區,為脫鈣區提供沖洗水。
10.根據權利要求9所述的一體化微動力循環污水處理裝置,其特征在于,所述厭氧區與分隔板之間設有第二培養區,第二培養區的底部設有可開合的隔網二,第一培養區的底部通過管道連接第二培養區。
發明內容
針對上述問題,本發明提供一種一體化微動力循環污水處理裝置,包括立式的反應筒和反應筒外部的硝化液回流管、污泥回流管,反應筒為套層結構,內層為生化處理區,外層為輔助后處理區;
生化處理區由下至上包括缺氧區、厭氧區和綜合區,綜合區為套層結構,內層為沉淀區,外層為好氧區,缺氧區的底部設有進水管,好氧區的頂部通過第一輸水管連接沉淀區,將好氧區處理后的水體輸入沉淀區;
污泥回流管的進口端和出口端均穿入反應筒,污泥回流管的進口端連接沉淀區的底部,污泥回流管的出口端連接缺氧區;硝化液回流管的進口端和出口端均穿入反應筒,硝化液回流管的進口端連接好氧區,硝化液回流管的出口端連接缺氧區。
本發明采用改良的AAO工藝,即缺氧、厭氧、好氧、沉淀的工藝,脫氮效率較高。缺氧區內的顆粒污泥利用原水污水中的有機污染物作為碳源進行反硝化脫氮;然后污水上升至厭氧區,厭氧區的上下左右均與大氣隔絕,能保持良好的完全厭氧環境,有利于聚磷菌進行磷的完全釋放;污水再上升至好氧區,好氧區內的活性污泥在溶解氧2-4mg/L環境下,進行有氧呼吸,進一步把有機物分解成無機物。
由于好氧區和沉淀區處于缺氧區上方,硝化液回流和污泥回流采用泵回流,通過好氧區、沉淀區與缺氧區的靜壓差,大大降低了水泵所需提供的楊程,實現微動力循環,從而大大節約設備運行的能耗,降低運行成本。本發明將傳統的平面式污水處理設備改為立式的反應筒,節約污水廠占地面積約30%-60%。
可選的,所述缺氧區內具有顆粒污泥,底部設有布水器;
所述布水器為在同一平面上螺旋盤繞若干圈的水管,水管的兩側均勻密布出水嘴,出水嘴向下傾斜設置;
布水器的一側連接進水管,另一側連接反沖洗管一,能實現在線反沖洗,保證反應筒連續運行。
可選的,所述缺氧區的頂部連通厭氧區,厭氧區內具有顆粒污泥,側壁連接取樣管二和ORP檢測儀二,用于實時檢測厭氧區內的污泥和水質情況,取樣管二的出口和ORP檢測儀二均穿出反應筒的外壁面,處于反應筒外部。
可選的,所述好氧區底部與沉淀區底部處于相同高度,沉淀區的側壁將好氧區與沉淀區分隔開;好氧區與厭氧區之間設有分隔板,用于分隔好氧區和厭氧區;分隔板為圓環形,分隔板中心對應沉淀區底部的位置空置,且分隔板內側邊沿與沉淀區底部之間具有空隙,該空隙成為過水區,過水區設有隔網一,允許厭氧區的水體上升進入好氧區;
分隔板上均勻設置曝氣管一,曝氣管一的進氣端延伸至好氧區的頂部,并連接外部的曝氣風機,為好氧區提供氧氣。
進一步可選的,所述沉淀區的側壁外表面設有出水堰,出水堰處于好氧區的頂部,并圍繞沉淀區一圈,使得好氧區處理后的水體均勻進入出水堰;出水堰底部的任意位置設有第一輸水管,第一輸水管穿過沉淀區的側壁進入沉淀區。
可選的,所述沉淀區的中心設有進水穩流桶,所述第一輸水管連接進水穩流桶的上部,將出水堰內的水體輸入進水穩流桶;
沉淀區的頂部設有溢流堰,溢流堰繞沉淀區一圈,溢流堰底部連接第二輸水管,用于輸出沉淀區的上清液。
可選的,所述輔助后處理區為圓環形,依次設有過濾區、清水區和污泥處理區,第二輸水管連接過濾區的頂部,過濾區內部設有過濾層;過濾區通過管道連接清水區,清水區設有產水管,將處理后的產水輸出反應筒,所述反沖洗管一連接清水區,使用清水區的水體反沖洗布水器和缺氧區;
污泥處理區用于處理厭氧區鈣化的顆粒污泥,由下至上包括過濾捕集區、脫鈣區和第一培養區,厭氧區通過排料管連接過濾捕集區的一側,清水區通過反沖洗管二連接過濾捕集區的另一側,脫鈣區內設有曝氣管二和進藥管,用于攪動脫鈣區內的水體和輸入脫鈣劑。
厭氧區內具有顆粒污泥,一般廢水中會含有部分鈣離子,長期運行后,會形成沉淀鈣鹽,并沉積在顆粒污泥表面或通過顆粒污泥的微孔通道進入內部而結垢成核,使得表面或內部比較堅實,用手觸摸會有類似石子的觸感,則厭氧顆粒污泥發生了鈣化。鈣化后,將隔絕微生物與污水中底物的接觸,阻礙微生物生長代謝,使得污泥活性下降甚至失活。要保證厭氧區的連續運行,除了成本較高的更換顆粒污泥之外,就是將鈣化的顆粒污泥進行脫鈣再生,因此設計了所述污泥處理區。
進一步可選的,所述過濾捕集區內沿著反應筒的周向均勻設置若干個彼此相互平行的過濾捕集網,過濾捕集網傾斜設置且排成一排,用于過濾捕集鈣化的顆粒污泥;
厭氧區的底部設有排料管,排料管連接過濾捕集區的上游側一端,過濾捕集區的下游側一端連接反沖洗管二,反沖洗管二設有支管和主管,支管連接厭氧區,主管連接清水區;
靠近過濾捕集區的上游側一端的頂部設有通水口一,用于將過濾捕集區捕集的鈣化的顆粒污泥輸入脫鈣區。
進一步可選的,所述脫鈣區的兩側壁面分別設有一根豎直的曝氣管二,曝氣管二連接外部的曝氣風機,為脫鈣區提供氣動攪拌;
脫鈣區的中心設有一根豎直的進藥管,進藥管的兩側都均勻密布通孔,進藥管通過輸藥管連接外部的脫鈣劑儲罐;
所述清水區通過反沖洗管三連接脫鈣區,為脫鈣區提供沖洗水。
進一步可選的,所述厭氧區與分隔板之間設有第二培養區,第二培養區的底部設有可開合的隔網二,防止厭氧區的污泥過多進入第二培養區,但允許污水進入第二培養區;第一培養區的底部通過管道連接第二培養區。
(發明人:張傳兵;陸兆華;張勇;黃豆豆;程西亞;孫振洲;任曉敏;賴明建;張世陽;蘇繼明;肖威威;陳永強)






