申請日2016.05.26
公開(公告)日2016.08.17
IPC分類號C02F11/00; C02F9/10
摘要
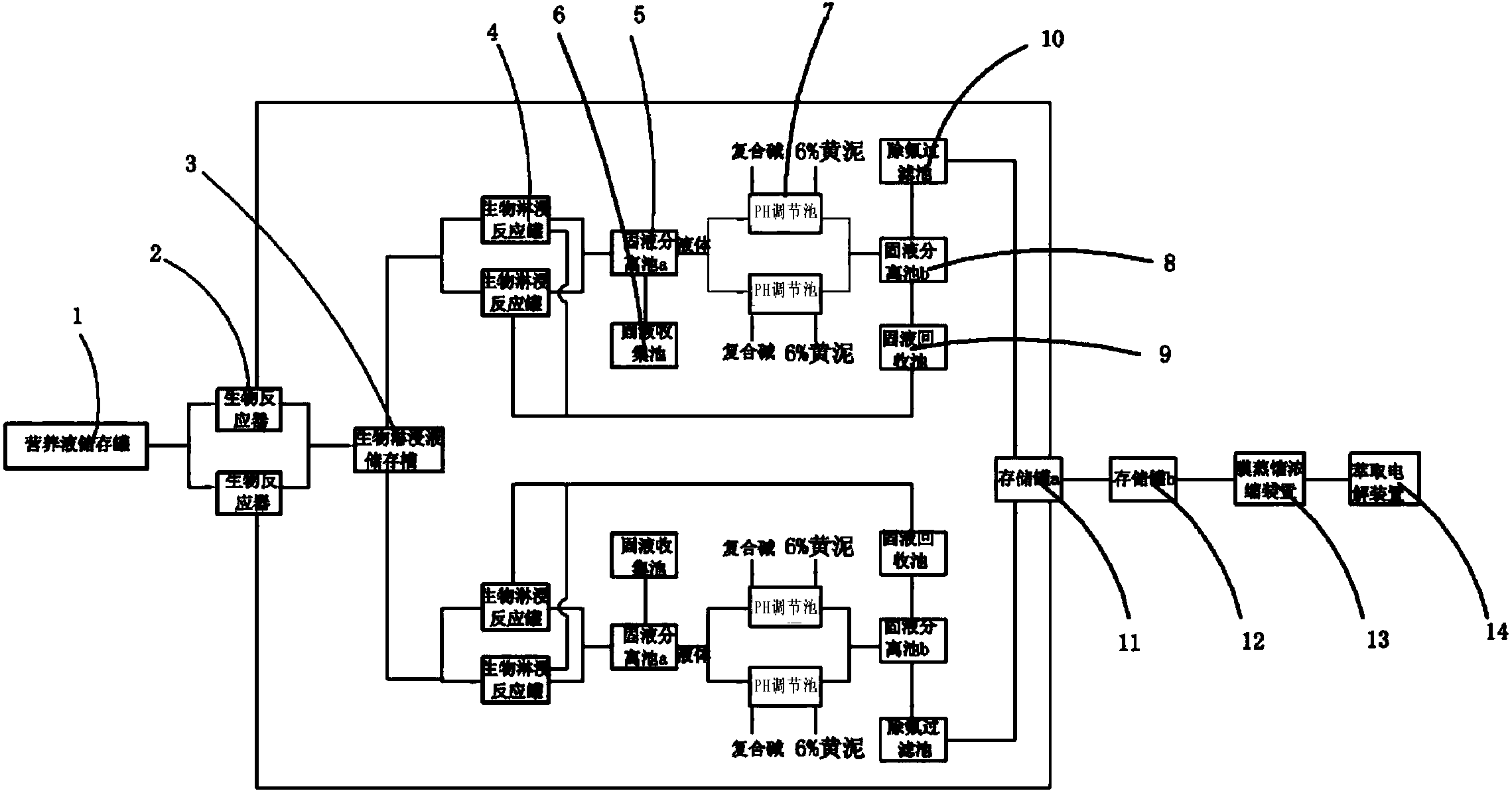
本發明涉及一種污泥重金屬資源化提取系統及其提取方法,培養液儲存罐連著生物反應器;生物反應器連著生物淋浸液儲存槽;生物淋浸液儲存槽連著生物淋浸反應罐;生物淋浸反應罐連著固液分離池a,固液分離池a的底部連著固體收集池,固液分離池a的上部連著PH調節池;PH調節池連著固液分離池b,固液分離池b的底部連著固體回收池,固液分離池b的上部連著除氟過濾池,固體回收池與生物淋浸反應罐相連接,除氟過濾池連著存儲罐a;存儲罐a的排液口與生物反應器相連;存儲罐a連著存儲罐b,存儲罐b的出液口連著膜蒸餾濃縮裝置;膜蒸餾濃縮裝置連著萃取電解裝置。本發明采用生物淋濾技術,處理危險固廢的同時能回收重金屬,經濟、環保、安全。
摘要附圖
權利要求書
1.一種污泥重金屬資源化提取系統,其特征在于:包括培養液儲存罐,培養液儲存罐內裝有硫磺和硫化亞鐵的混合物;所述培養液儲存罐的出液口連接著生物反應器,生物反應器內裝有水和微生物;所述生物反應器的出液口連接著生物淋浸液儲存槽,生物淋浸液儲存槽內儲存有生物活性酸;所述生物淋浸液儲存槽的出液口連接著生物淋浸反應罐,生物淋浸反應罐內裝有黃泥和生物活性酸;所述生物淋浸反應罐的出液口連接著固液分離池a,固液分離池a的底部排渣口連接著固體收集池,固液分離池a的上部排液口連接著PH調節池;所述PH調節池內裝有復合堿和黃泥;所述PH調節池的出液口連接著固液分離池b,固液分離池b的底部連接著固體回收池,固液分離池b的上部連接著除氟過濾池,固體回收池與所述的生物淋浸反應罐相連接,除氟過濾池的排液口連接著存儲罐a;所述存儲罐a的排液口與所述的生物反應器相連接;所述存儲罐a的底部通過管道連接著存儲罐b;所述存儲罐b的出液口連接著膜蒸餾濃縮裝置;所述膜蒸餾濃縮裝置的濃縮液出口連接著萃取電解裝置。
2.根據權利要求1所述的一種污泥重金屬資源化提取系統,其特征在于:所述培養液儲存罐的出液口并列連接有兩組生物反應器,兩組生物反應器的出液口分別連接著生物淋浸液儲存槽。
3.根據權利要求2所述的一種污泥重金屬資源化提取系統,其特征在于:所述生物淋浸液儲存槽的出液口并列連接著四組生物淋浸反應罐。
4.根據權利要求1所述的一種污泥重金屬資源化提取系統,其特征在于:所述膜蒸餾濃縮裝置中安裝有多組僅有水蒸氣能透過的PTFE疏水膜。
5.如權利要求1所述的采用污泥重金屬資源化提取系統對污泥中的重金屬進行資源化提取的方法,其特征在于:包括如下步驟:
(1)將培養液儲存罐中的硫磺和硫化亞鐵的混合物輸送到生物反應器中,與生物反應器中水和微生物發生反應,生成PH=1的生物活性酸;
(2)將步驟(1)中生成的生物活性酸輸送到生物淋浸液儲存槽中儲存;
(3)將步驟(2)中的所述的生物淋浸液儲存槽中的生物活性酸輸送到生物淋浸反應罐中,同時往生物淋浸反應罐中加入黃泥,且黃泥和生物活性酸的固液質量比為6:100,同時對生物淋浸反應罐中混合物充分攪拌5小時將黃泥中的重金屬離子淋浸出來;
(4)將步驟(3)中充分攪拌后的混合物輸送入固液分離池a,在固液分離池a中進行固液分離,分離出的固體從固液分離池a底部的排渣口排入固體收集池,分離出的生物淋浸液從固液分離池a上部的排液口輸送入PH調節池,生物淋浸液中含有金屬離子,同時含有大量的F離子;
(5)將步驟(4)中的PH調節池中加入復合堿和6%黃泥,調節生物淋浸液的PH值,去除大量的F離子;
(6)將步驟(5)中產生的混合物輸送入固液分離池b,在固液分離池b中進行固液分離,分離出的固體從固液分離池b底部的排渣口排入固體回收池,分離出的液體從固液分離池b上部的排液口輸送入除氟過濾池,固體回收池將其內的混合物輸送入生物淋浸反應罐中進行下次循環,除氟過濾池將除去固液分離池b的液體中少量的F離子;除F后的生物淋浸液輸送入存儲罐a中儲存;
(7)將步驟(6)中所述的存儲罐a中的除F后的生物淋浸液返輸送入所述的生物反應器,進行下一次循環,同時存儲罐a內進行重金屬離子的富集,每循環一次,重金屬離子的濃度增加0.8~1.5g/L,循環20次后,重金屬離子的濃度為20~30g/L;
(8)將步驟(7)中產生的含有重金屬離子濃度為20~30g/L的淋濾老化液排放到存儲罐b內,存儲罐b將淋濾老化液輸送入膜蒸餾濃縮裝置中,對淋濾老化液進行膜蒸餾濃縮,使重金屬離子濃度為50~60g/L;
(9)將步驟(8)中的濃度達到50~60g/L重金屬離子的濃縮液輸送入萃取電解裝置中,通過旋流電解將重金屬進行電積,將溶液中重金屬累積,獲得高純度重金屬單品。
說明書
一種污泥重金屬資源化提取系統及其提取方法
技術領域:
本發明涉及污泥處理設備領域,更具體的說是涉及一種污泥重金屬資源化提取系統及其提取方法。
背景技術:
黃泥是不銹鋼生產過程中產生的主要污染物,其中含有鐵、重金屬、鉻等多種重金屬,填埋后可能對環境造成嚴重的危害,因此,對于黃泥的處理成為環境保護的一個重要問題。
目前,對污泥中重金屬的去除主要采用的方法是濕法浸提。濕法浸提是利用酸溶液從固廢中提取金屬。濕法冶金選擇性強,回收效率高,環境污染小,易于量產和自動化。但這種以高濃度強酸為工作介質的濕法浸提工藝,強酸以及氧化劑和還原劑的消耗量很大;大規模的強酸濕法浸提對于設備材質也有很高的要求,操作條件苛刻,安全風險居高。這些都限制了濕法浸提工藝的推廣應用。
發明內容:
本發明的目的是針對現有技術的不足之處,提供一種污泥重金屬資源化提取系統,本發明的另一目的是提供一種利用污泥重金屬資源化提取系統對污泥中的重金屬進行資源化提取的方法,采用生物淋浸技術,利用在微生物作用,生成H+,Fe2+,Fe3+以及其他活性物質。這些活性物質通過氧化、還原、絡合、酸解等溶釋危廢中劇毒和有價金屬,在處理危險固廢的同時能夠回收重金屬等貴重金屬,具有可觀的經濟效益。
本發明的技術解決措施如下:
一種污泥重金屬資源化提取系統,包括培養液儲存罐,培養液儲存罐內裝有硫磺和硫化亞鐵的混合物;所述培養液儲存罐的出液口連接著生物反應器,生物反應器內裝有水和微生物;所述生物反應器的出液口連接著生物淋浸液儲存槽,生物淋浸液儲存槽內儲存有生物活性酸;所述生物淋浸液儲存槽的出液口連接著生物淋浸反應罐,生物淋浸反應罐內裝有黃泥和生物活性酸;所述生物淋浸反應罐的出液口連接著固液分離池a,固液分離池a的底部排渣口連接著固體收集池,固液分離池a的上部排液口連接著PH調節池;所述PH調節池內裝有復合堿和黃泥;所述PH調節池的出液口連接著固液分離池b,固液分離池b的底部連接著固體回收池,固液分離池b的上部連接著除氟過濾池,固體回收池與所述的生物淋浸反應罐相連接,除氟過濾池的排液口連接著存儲罐a;所述存儲罐a的排液口與所述的生物反應器相連接;所述存儲罐a的底部通過管道連接著存儲罐b;所述存儲罐b的出液口連接著膜蒸餾濃縮裝置;所述膜蒸餾濃縮裝置的濃縮液出口連接著萃取電解裝置。
作為優選,所述培養液儲存罐的出液口并列連接有兩組生物反應器,兩組生物反應器的出液口分別連接著生物淋浸液儲存槽。
作為優選,所述生物淋浸液儲存槽的出液口并列連接著四組生物淋浸反應罐。
作為優選,所述膜蒸餾濃縮裝置中安裝有多組僅有水蒸氣能透過的PTFE疏水膜。
采用污泥重金屬資源化提取系統對污泥中的重金屬進行資源化提取的方法,包括如下步驟:
(1)將培養液儲存罐中的硫磺和硫化亞鐵的混合物輸送到生物反應器中,與生物反應器中水和微生物發生反應,生成PH=1的生物活性酸。
(2)將步驟(1)中生成的生物活性酸輸送到生物淋浸液儲存槽中儲存。
(3)將步驟(2)中的所述的生物淋浸液儲存槽中的生物活性酸輸送到生物淋浸反應罐中,同時往生物淋浸反應罐中加入黃泥,且黃泥和生物活性酸的固液質量比為6:100,同時對生物淋浸反應罐中混合物充分攪拌5小時將黃泥中的重金屬離子淋浸出來。
(4)將步驟(3)中充分攪拌后的混合物輸送入固液分離池a,在固液分離池a中進行固液分離,分離出的固體從固液分離池a底部的排渣口排入固體收集池,分離出的生物淋浸液從固液分離池a上部的排液口輸送入PH調節池,生物淋浸液中含有金屬離子,同時含有大量的F離子。
(5)將步驟(4)中的PH調節池中加入復合堿和6%黃泥,調節生物淋浸液的PH值,去除大量的F離子。
(6)將步驟(5)中產生的混合物輸送入固液分離池b,在固液分離池b中進行固液分離,分離出的固體從固液分離池b底部的排渣口排入固體回收池,分離出的液體從固液分離池b上部的排液口輸送入除氟過濾池,固體回收池將其內的混合物輸送入生物淋浸反應罐中進行下次循環,除氟過濾池將除去固液分離池b的液體中少量的F離子;除F后的生物淋浸液輸送入存儲罐a中儲存。
(7)將步驟(6)中所述的存儲罐a中的除F后的生物淋浸液返輸送入所述的生物反應器,進行下一次循環,同時存儲罐a內進行重金屬離子的富集,每循環一次,重金屬離子的濃度增加0.8~1.5g/L,循環20次后,重金屬離子的濃度為20~30g/L。
(8)將步驟(7)中產生的含有重金屬離子濃度為20~30g/L的淋濾老化液排放到存儲罐b內,存儲罐b將淋濾老化液輸送入膜蒸餾濃縮裝置中,對淋濾老化液進行膜蒸餾濃縮,使重金屬離子濃度為50~60g/L。
(9)將步驟(8)中的濃度達到50~60g/L重金屬離子的濃縮液輸送入萃取電解裝置中,通過旋流電解將重金屬進行電積,將溶液中重金屬累積,獲得高純度重金屬單品。
本發明的有益效果在于:
本發明的生物淋浸技術以價格低廉甚至屬于廢棄物為工作介質,在微生物作用下生成活性物質。通過這些活性物質的間接機制、微生物和直接機制包括氧化、還原、絡合、酸解等溶釋危廢中劇毒和有價金屬。生物浸提工藝較之以硫酸和雙氧水為工作介質的化學浸提無疑更加經濟、綠色、安全和環保,完全可以替代目前應用最廣的化學濕法工藝。
物淋浸技術主要利用在微生物作用,微生物在適宜的條件下,能夠將硫磺和黃鐵礦轉變為生物活性酸,生成H+,Fe2+,Fe3+以及其他活性物質,利用該生物活性酸能夠高效的淋洗危險固廢中的重金屬,這些活性物質通過氧化、還原、絡合、酸解等溶釋危廢中劇毒和有價金屬,在處理危險固廢的同時能夠回收重金屬等貴重金屬,具有可觀的經濟效益。
生物淋浸液中不但含有金屬離子,同時含有大量的F離子,F離子對微生物有毒害作用,從而限制了淋濾液的再生。本發明通過調節PH,添加明礬,PAC,PAM等去除F離子,除F后的生物淋浸液,重新返回生物反應器,通過微生物的作用,將其轉變為生物酸,用來淋浸下一批的黃泥從而完成一個循環,實現重金屬離子的富集,當重金屬離子濃度達到一定程度,再將淋濾老化液進行膜蒸餾濃縮,進一步提高重金屬濃度,最后通過旋流電解將重金屬進行電積,不斷地將溶液中重金屬累積,形成重金屬單品。
本發明的淋濾老化液中的廢水中含有大量的鹽分,無法在用反滲透繼續處理,如果直接采用蒸發處理,將消耗大量的熱能,處理成本高昂。本發明采用膜蒸餾濃縮,采用浸沒式內交換膜蒸餾技術,是低溫膜蒸餾技術的一種,是基于傳統膜分離技術的革新。目前反滲透膜技術已逐漸取代傳統的離子交換、電滲析除鹽技術,成為純水制造、城市、工業污廢水深度回用處理的首選技術,但反滲透膜技術理論產水率只有75%,實際僅60%左右,并且能耗較高。
由于低溫膜蒸餾技術是分離過程中,僅有水蒸氣能透過疏水膜孔,因此所產生的水質十分純凈,高于反滲透出水水質,鹽濃度以及濃差極化對膜蒸餾影響與反滲透相比微不足道,可以處理極高濃度無機鹽的水溶液,甚至可以將溶液濃縮到過飽和狀態。理論上膜蒸餾除鹽產水率可達到100%,遠高于反滲透的75%,這是現有所有除鹽處理技術所不能達到的。該技術設備適用于有機化工、精細化工、石油化工、染料、制藥、農藥、印染、造紙等行業的多種高濃度、高鹽度、毒性大、難生化降解的有機廢水降解處理。
本發明的萃取電解裝置中,萃取是利用物質在兩種互不相溶(或微溶)的溶劑中溶解度或分配系數的不同,使溶質物質從一種溶劑內轉移到另外一種溶劑中的方法。在冶金行業中有著廣泛的應用。通過連續多次萃取,可以實現溶液中重金屬的不斷純化,為電解獲得高純度的單質重金屬產品提供支持。旋流電解是一種建立在電化學基礎理論之上的新穎的分離和提純金屬的方法,能夠對有價金屬進行選擇性電解或者電積。通過高速液流消除濃差極化,保證目標金屬優先析出;是封閉式操作,有毒氣體可以實現完全收集,不會向環境釋放。通過電解,可以獲得高純度單位重金屬產品。


