申請日2015.07.10
公開(公告)日2015.10.14
IPC分類號C02F1/50; A01P3/00; A01P1/00; A01N37/16
摘要
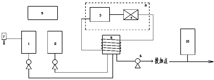
一種智能化污水無氯消毒殺菌系統,其特征是所述的系統包括甲酸貯存箱(1)、雙氧水貯存箱(2)、反應箱(5)、投加計量泵(6)、冷卻裝置、智能控制裝置和在線水質檢測裝置,所述的投加計量泵(6)的輸入端接反應箱(5)的輸出端,投加計量泵(6)的輸出端通過水管伸入污水廠的出水口中并低劑量快速溶入水中在60秒內完成消毒殺菌并快速分解為水和二氧化碳,所述的反應箱(5)的輸入端接甲酸貯存箱(1)和雙氧水貯存箱(2)的輸出端。本發明消毒殺菌效率高,無殘留,運行成本低,維護方便。
權利要求書
1.一種智能化污水無氯消毒殺菌系統,其特征是它包括:
一反應箱(5),該反應箱(5)用于生成消毒殺菌所需的過氧甲酸;
一投加計量泵(6),該投加計量泵(6)用于將反應箱(5)中生成的過氧甲酸按工藝規程的要求和劑量泵送到待處理的污水中;
一甲酸貯存箱(1),該甲酸貯存箱(1)中存放有甲酸,它通過計量泵向反應箱(5)中泵送反應所需的甲酸;
一雙氧水貯存箱(2),該雙氧水貯存箱中存放有以氧水,它通過計量泵向反應箱(5)中泵送反應所需的雙氧水;
一制冷裝置,該制冷裝置有冷卻液貯存箱(3)和壓縮機(4)組成,壓縮機用于將吸熱后的冷卻液進行冷卻,冷卻液通過管道對反應箱(5)進行冷卻,使反應箱(5)內的反應溫度控制在10℃以下;
一智能控制裝置,它用于控制甲酸計量泵、雙氧水劑量泵、投加計量泵及壓縮機的工作,通過控制甲酸計量泵和雙氧水劑量泵的開啟以保證反應箱中所需的原料供應,產生消毒和殺菌所需的過氧甲酸,通過控制投加計量泵,確保向污水中加入的過氧甲酸的量滿足消毒和殺菌所需的10-40PPM的投放劑量,以保證進入污水中的過氧甲酸在60秒內完成消毒殺菌并快速分解為水和二氧化碳;
一在線水質檢測裝置,它用于在線檢測經處理過污水的成份,以便及時調整過氧甲酸的添加量和添加點的數量,啟動或關閉相應的投加計量泵(6)。
2.根據權利要求1所述的系統,其特征是所述的其特征是所述的甲酸貯存箱(1)中安裝有液位傳感器,以便當甲酸貯存箱(1)中的甲酸量低于設定值時能向智能控制裝置自動報警。
3.根據權利要求1所述的系統,其特征是所述的雙氧水貯存箱(2)中安裝有液位傳感器,以便當雙氧水貯存箱(2)中的雙氧水量低于設定值時能向智能控制裝置自動報警。
4.根據權利要求1所述的系統,其特征是所述的反應箱(5)中安裝有溫度傳器和液位傳感器,溫度傳感器用于當反應箱(5)內的溫度大于設定值時自動控制壓縮機工作,對冷卻液進行制冷;液位傳感器用于控制反應箱內的過氧甲酸的量,當反應箱的過氧甲酸達到設定值時自動控制甲酸計量泵和雙氧水劑量泵停止工作。
5.根據權利要求1所述的系統,其特征是所述的甲酸貯存箱(1)設有硫酸催化劑添加裝置(7)。
6.根據權利要求5所述的系統,其特征是所述的硫酸催化劑添加裝置(7)通過催化劑添加泵向甲酸貯存箱(1)中添加催化劑,催化劑的加入量為甲酸質量的0.1%-5%,甲酸濃度為20-40%。
7.根據權利要求8所述的系統,其特征是所述的反應箱(5)的反應溫度為0-4℃。
說明書
智能化污水無氯消毒殺菌系統
技術領域
本發明涉及一種水處理技術,尤其是一種污水處理技術,具體地說是一種智能化污水無氯消毒殺菌系統,它可以廣泛地應用于城市污水處理、工廠生產污水處理、大分子量生產污水、難解高濃度污水處理等。
背景技術
消毒殺菌技術廣泛地應用于水處理領域,是水處理工藝的重要手段之一。現有的消毒殺菌技術主要有以下幾類:
1. 有氯消毒殺菌。如:氯氣,次氯酸鈉,二氧化氯等。
2. 紫外線消毒殺菌。
3. 臭氧消毒殺菌。
4. 雙氧水消毒殺菌。
5. 其他消毒殺菌方式:光催化技術、電場消毒殺菌技術、(銅銀)合金消毒殺菌技術等。
上述消毒殺菌技術存在的主要問題是:
1. 有氯消毒殺菌技術。
這是一種被廣泛用于城市污水消毒殺菌的技術。其中:
氯氣消毒殺菌會生成三鹵甲烷等致癌物質。而氯氣本身就有毒氣,儲存或使用均需要嚴格控制。
次氯酸鈉消毒殺菌一般采用鹽酸(HCl)加氯酸鈉(Na2ClO)反應而成。因鹽酸屬于危險品和易制毒化學品,市場的采購及運輸儲存都要求較高。
二氧化氯消毒殺菌一般通過電解食鹽水而得,效率較低卻耗能很大。
以上幾種有氯消毒殺菌法均能產生對人體或自然環境危害的代謝產物,而且其最終產物中氯離子是工業生產中危害非常大的,它能對管道、設備等產生腐蝕作用。因其化學結構的穩定性,氯離子很難被去除
2.紫外線消毒殺菌技術。
紫外線消毒殺菌是利用適當波長破壞微生物細胞中的DNA(脫氧核糖核酸)和RNA(核糖核酸)的分子結構而起到消毒殺菌作用在使用過程中有以下缺點:
(1)無持續殺菌能力,在紫外線消失后會能再次污染。
(2)濁度及水中懸浮物對紫外線消毒殺菌有較大影響,降低消毒殺菌效果。
(3)紫外線燈套管容易結垢,影響紫外線光的透出和消毒殺菌效果。
(4)相對能耗較大。
3.臭氧殺毒消菌
臭氧殺毒消菌是利用其強氧化性對細菌、細胞壁及其內部DNA、RNA進行破壞起到殺滅作用,在使用過程中有以下缺點:
(1).臭氧消毒殺菌主要存在的問題是生產設備(火花放電法)龐大、流程復雜,需較高的運行管理水平。臭氧制取率較低(1~2%),電能消耗大,基建設備投資較大、成本很高,不適合用于水量較大的消毒殺菌工藝。
(2)臭氧是一種不穩定的氣體,在水中容易分解,單獨采用臭氧消毒殺菌很難保證持續的效果。
(3)有研究表明臭氧和有機物反應會生成不飽和醛類,雙氧化合物等有毒物質,在含有少量溴化物的時候會產生致癌性產物:主要降解產物有有機物:三溴甲烷、乙腈氯甲烷、1-1二溴酮等。無機性產物有溴酸鹽、次溴酸等。其中最要主要的是溴酸鹽,其最大允許濃度極低,美國標準為0.01mg/L。
(4)在臭氧處理后再加氯或氯胺會分別生成三氯硝基甲烷和氯化氰均有較大危害。
4.雙氧水消毒殺菌
雙氧水殺毒消菌也是利用其強氧化性起到消毒殺菌作用,其缺點是:
(1).雙氧水(H2-O2)可致人體遺傳基因(DNA)損傷及基因突變,與各種病變發生關系密切。
(2).雙氧水可導致老鼠及家兔等動物致癌,從而可能對人類具備危險性。
(3).雙氧水可能加速人類衰老進程,其與老年癡呆尤其是早老性癡呆的發生和發展密切相關,作為強氧化劑通過耗損體內抗氧化物質,使抗氧化能力低下,抵抗力下降進一步造成各種疾病。
(4).雙氧水可能導致或加重白內障等眼部疾病,通過呼吸道可導致肺損傷,多次接觸可導致人體毛發變白,皮膚變黃等。
(5).小分子雙氧水經口攝入很容易進入體內細胞和組織,可進入自由基反應鏈造成與自由基相關的許多疾病。
5.其他消毒殺菌方式----
由于其自身的局限性:如效率太低、能耗太大、投資太高和穩定性不夠等因素不能被水處理市場廣泛接受。
發明內容
本發明的目的是針對現有的污水處理存在的殘留大、效率低,成本高的問題,設計一種無殘留、高效快速的污水無氯消毒殺菌系統。
本發明的技術方案是:
一種智能化污水無氯消毒殺菌系統,其特征是它包括:
一反應箱5,該反應箱5用于生成消毒殺菌所需的過氧甲酸;
一投加計量泵6,該投加計量泵6用于將反應箱5中生成的過氧甲酸按工藝規程的要求和劑量泵送到等處理的污水中;
一甲酸貯存箱1,該甲酸貯存箱1中存放有甲酸,它通過計量泵向反應箱5中泵送反應所需的甲酸;
一雙氧水貯存箱2,該雙氧水貯存箱中存放有以氧水,它通過計量泵向反應箱5中泵送反應所需的雙氧水;
一制冷裝置,該制冷裝置有冷卻液貯存箱3和壓縮機4組成,壓縮機用于將吸熱后的冷卻液進行冷卻,冷卻液通過管道對反應箱5進行冷卻,使反應箱5內的反應溫度控制在10℃以下;
一智能控制裝置,它用于控制甲酸計量泵、雙氧水劑量泵、投加計量泵及壓縮機的工作,通過控制甲酸計量泵和雙氧水劑量泵的開啟以保證反應箱中所需的原料供應,產生消毒和殺菌所需的過氧甲酸,通過控制投加計量泵,確保向污水中加入的過氧甲酸的量滿足消毒和殺菌所需的10-40PPM的投放劑量,以保證進入污水中的過氧甲酸在60秒內完成消毒殺菌并快速分解為水和二氧化碳;
一在線水質檢測裝置,它用于在線檢測經處理過污水的成份,以便及時調整過氧甲酸的添加量和添加點的數量,啟動或關閉相應的投加計量泵6。
所述的其特征是所述的甲酸貯存箱1中安裝有液位傳感器,以便當甲酸貯存箱1中的甲酸量低于設定值時能向智能控制裝置自動報警。
所述的雙氧水貯存箱2中安裝有液位傳感器,以便當雙氧水貯存箱2中的雙氧水量低于設定值時能向智能控制裝置自動報警。
所述的反應箱5中安裝有溫度傳器和液位傳感器,溫度傳感器用于當反應箱5內的溫度大于設定值時自動控制壓縮機工作,對冷卻液進行制冷;液位傳感器用于控制反應箱內的過氧甲酸的量,當反應箱的過氧甲酸達到設定值時自動控制甲酸計量泵和雙氧水劑量泵停止工作。
所述的甲酸貯存箱1設有催化劑添加裝置7。
所述的催化劑添加裝置7通過催化劑添加泵向甲酸貯存箱1中添加催化劑,催化劑的加入量為甲酸質量的0.1%-5%,甲酸濃度為20-40%。
所述的催化劑為硫酸。
本發明的技術方案之二是:
一種污水無氯消毒殺菌方法,其特征是首先向甲酸中添加硫酸作為催化劑,其次,利用添加有硫酸的甲酸和雙氧水反應生成過氧甲酸,并使所述的反應溫度不超過10℃,然后將過氧甲酸按10-40PPM的劑量加入污水中,在60秒內快速溶解在水中并分解為二氧化碳和水,在分解過程中完成消毒和殺菌,實現污水的清潔。
催化劑的加入量為甲酸質量的0.1%-5%,甲酸濃度為20-40%。
所述的反應溫度為0-4℃。
本發明的有益效果:
1. 消毒殺菌效率高:在10ppm條件下,60S內細菌消滅率達99.8%。
2. 最終代謝產物為CO2與H2O,不存在對人體有害的產物,不會對設備、管路等產生腐蝕。
3. 不受水體環境如溫度、濁度等影響而降低消毒殺菌效率。
4. 設備結構簡單、運行功率小,相比電解法、紫外線法、臭氧發生器等能節省空間約50%、節省運行成本70~80%。
5. 能滿足自然水廠、城市污水廠等廣泛水處理行業。
6.本發明結構簡單,制造、安裝方便,維護運行成本低。







