申請日2014.10.24
公開(公告)日2016.04.27
IPC分類號C07C211/10; C07C209/86; C02F9/08
摘要
本發明涉及一種乙二胺(EDA)廢水回收工藝,主要解決現有技術中存在的EDA回收率低,含胺廢水處理費用高的問題。本發明通過在EDA回收塔加壓精餾處理脫水塔含有少量夾帶劑和EDA的廢水,夾帶劑與水從塔頂移出進入分相槽分相,有機相(主要包含夾帶劑)循環至脫水塔作為夾帶劑,廢水相(主要含水)進入高效聚結分離器分離殘余夾帶劑循環至脫水塔,廢水去后處理,脫水塔釜液和EDA回收塔釜液混合進入EDA產品塔,塔頂采出夾帶劑和少量的EDA送至EDA回收塔,EDA產品塔頂下方側線采出EDA產品,達到有效地回收廢水中的EDA和夾帶劑,降低廢水處理費用的技術方案,較好地解決了該問題,可用于EDA的工藝生產中。
權利要求書
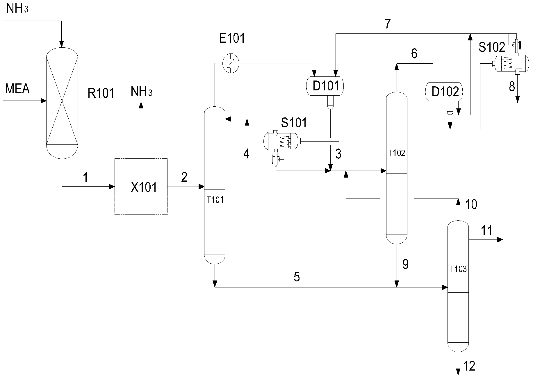
1.一種用于乙二胺廢水回收方法,其特征在于脫水塔含有少量夾帶劑和EDA(乙二胺)的廢水進入EDA回收塔加壓精餾處理,夾帶劑與水從塔頂移出進入分相槽分相,有機相(主要包含夾帶劑)循環至脫水塔作為夾帶劑,主要含水的廢水相進入分離器分離殘余夾帶劑循環至脫水塔,廢水去后處理,脫水塔釜液和EDA回收塔釜液混合進入EDA產品塔,塔頂采出夾帶劑和少量的EDA送至EDA回收塔,EDA產品塔頂下方側線采出EDA產品。
2.根據權利要求1所述的用于乙二胺廢水回收方法,其特征在于脫水塔頂分相槽有機相去分離器分離殘余的水之后作為脫水塔回流。
3.根據權利要求1所述的用于乙二胺廢水回收方法,其特征在于精餾塔具有20-100塊理論塔板。
4.根據權利要求1所述的用于乙二胺廢水回收方法,其特征在于脫水塔操作壓力為0.05-0.5MPaA,塔頂溫度為60-100℃。
5.根據權利要求1所述的用于乙二胺廢水回收方法,其特征在于其特征在于脫水塔頂分相槽分相溫度為35~50℃。
6.根據權利要求1所述的用于乙二胺廢水回收方法,其特征在于EDA回收塔操作壓力為0.2-0.8MPaA,塔頂溫度為120-180℃。
7.根據權利要求6所述的用于乙二胺廢水回收方法,其特征在于EDA產品塔操作壓力為0.01-0.5MPaA,塔頂溫度為50-100℃。
8.根據權利要求1所述的用于乙二胺廢水回收方法,其特征在于EDA產品塔頂下方第1-10塊理論板位置采出EDA產品。
9.根據權利要求1~8任一項所述的用于乙二胺廢水回收方法,其特征在于分離器為高效聚結分離器。
10.根據權利要求9任一項所述的用于乙二胺廢水回收方法,其特征在于高效聚結分離器內部有一根或多根錐形聚結濾芯結構。
說明書
乙二胺廢水回收工藝
技術領域
本發明涉及一種乙二胺廢水回收工藝,具體來說,乙醇胺(MEA)催化氨化法生產乙二胺工藝中廢水回收工藝。
背景技術
乙二胺(EDA)是帶有胺基官能團的有機堿,具有表面活性的特點,是化學活性的精細中間體、醫藥中間體。EDA易溶于水,生成乙二胺水合物,易溶于乙醇和甲醇,微溶于乙醚,不溶于苯。EDA用途十分廣泛,在有機化合物、高分子化合物、醫藥、染料、農藥等行業中有較多應用,是國內亟待進口的一種重要的精細化工中間體,可用于制備環氧樹脂固化劑、金屬螯合劑EDTA、紙張潤濕強化劑、潤滑油穩定劑、農藥殺菌劑、橡膠硫化促進劑、染料固色劑及其他精細化工添加劑。目前國內市場EDA主要依賴進口,使乙二胺成為國內為數不多的幾種緊俏的化工原料之一。
MEA催化氨化法是一種清潔的乙二胺綠色生產技術,采用Ni、Co基催化劑,在氫氣還原氛圍中,高壓條件下反應生成乙二胺。BASF、AkzoNobel、DOW等公司均采用此工藝,并在國際市場上具有壟斷地位,中國科學院大連化學物理研究所和西安現代化學研究所也進行了該工藝的相關研究。
MEA法主要反應方程式如下:
NH2CH2CH2OH+NH3→NH2CH2CH2NH2+H2O
同時發生一系列副反應,生成二乙烯三胺(DETA),哌嗪(PIP),三乙烯二胺(TEDA),羥乙基哌嗪(HEP)等副產物。
生成DETA反應方程式如下:
NH2CH2CH2OH+NH2CH2CH2NH2→H2NCH2CH2NHCH2CH2NH2+H2O
生成PIP反應方程式如下:
NH2CH2CH2OH+NH2CH2CH2NH2→C4H10N2+H2O+NH3
生成TEDA反應方程式如下:
2NH2CH2CH2OH+NH2CH2CH2NH2→C6H12N2+2H2O+2NH3
生成HEP反應方程式如下:
3NH2CH2CH2OH→C6H14N2O+2H2O+NH3
從以上主副反應來看,反應均生成水,且產物和副產物均極易溶于水,其中EDA,TEDA,PIP與水會形成結晶水合物。而EDA產品,PIP產品均對含水量有嚴格要求,例如BASF公司要求乙二胺產品中水含量低于0.5wt%。結晶水和游離水的分離大多采用共沸精餾過程。CN103159629A采用的脫水劑為苯、二異丙酯、環己烷中的一種或二種以上的混合物。《化學工程》2012年03期《乙二胺直接環化產物的分離與模擬》提出以甲苯為共沸劑去除混合溶液中的乙二胺和結晶水的間歇共沸精餾法,最后得到質量分數為96.79%的哌嗪及98.26%三乙烯二胺產品,并以水為萃取劑,實現共沸劑的回收利用。由于共沸劑與水形成共沸物除水過程中,共沸劑如苯,甲苯也與乙二胺形成共沸物,乙二胺和水很難進行清晰分離,塔頂氣相中混有少量的乙二胺,由于乙二胺易溶于水,冷凝分相后,乙二胺幾乎全部進入廢水相,部分夾帶劑也會進入廢水相,廢水直接排放將會損失乙二胺和夾帶劑,并且增加廢水處理費用。
本發明提供乙二胺廢水的回收工藝,有效地回收廢水中的EDA和夾帶劑,降低廢水處理費用,提高乙二胺產品質量。
發明內容
本發明提供乙二胺(EDA)廢水回收工藝,主要解決現有技術中存在的EDA回收率低,含胺廢水處理費用高的問題。采用本發明的技術方案用于乙二胺(EDA)廢水回收時,具有EDA回收率高,含胺廢水處理費用低的優點。
為解決上述技術問題,本發明采用的技術方案為:
一種用于乙二胺廢水回收方法,其特征在于脫水塔含有少量夾帶劑和EDA(乙二胺)的廢水進入EDA回收塔加壓精餾處理,夾帶劑與水從塔頂移出進入分相槽分相,有機相(主要包含夾帶劑)循環至脫水塔作為夾帶劑,廢水相(主要含水)進入高效聚結分離器分離殘余夾帶劑循環至脫水塔,廢水去后處理,脫水塔釜液和EDA回收塔釜液混合進入EDA產品塔,塔頂采出夾帶劑和少量的EDA送至EDA回收塔,EDA產品塔頂下方側線采出EDA產品。
上述技術方案中,優選地,脫水塔頂分相槽有機相去分離器分離殘余的水之后作為脫水塔回流;
優選地,精餾塔具有20-100塊理論塔板;
優選地,脫水塔操作壓力為0.05-0.5MPaA,塔頂溫度為60-100℃;
優選地,脫水塔頂分相槽分相溫度為35~50℃;
優選地,EDA回收塔操作壓力為0.2-0.8MPaA,塔頂溫度為120-180℃;
優選地,EDA產品塔操作壓力為0.01-0.5MPaA,塔頂溫度為50-100℃。
優選地,EDA產品塔頂下方第1-10塊理論板位置采出EDA產品。
優選地,分離器為高效聚結分離器;更優選地,高效聚結分離器內部有一根或多根錐形聚結濾芯結構。
脫水塔頂分相槽有機相去高效聚結分離器分離殘余的水之后作為脫水塔回流。
傳統的過濾分離設備,如重力沉降罐、傾斜板式分離器、波紋板式分離器、旋風分離器,及傳統的過濾聚結器只有在分散相液滴大于150μm、60μm、20μm、10μm和10μm時才有效。通常情況下,這些設備中夾帶液滴的直徑都大于15μm,為分離出直徑小于10μm的液滴,需要使用油水高效聚結分離器。
高效聚結分離器內部采用錐形聚結濾芯結構,流體從內向外流動。油水分離效率高,成本低,占用空間小。高效聚結分離器處理后排出的水相中游離油含量低至5-15ppm。與傳統的沉降罐或過濾器相比,高效聚結式烴液回收技術能夠為工藝水或采出水系統提供卓越的顆粒和烴液回收性能,有效去除低至0.5微米的顆粒物,其內部采用獨特設計的錐形聚結濾芯,流體從內向外流動,通過單次聚結過程即能將游離烴降低至5-15ppm的水平,無需二次分離過程。即使對于煉油廠、石化廠,及天然氣處理廠中的胺液、酸性水、急冷水貨油田采出水中穩定的乳化烴液,高效聚結式烴液回收技術也能夠提供高達99.98%的分離效率。
油中除水聚結技術用于去除工藝流體中本質上所有不互溶的分散液體。油中除水聚結器采用特殊濾材攔截低于微米級的夾帶液滴。該技術使用獨特的錐形聚結濾芯設計,錐形設計采用特定的纖維幾何結構和表面屬性,能夠促使流體均勻流動,最大程度降低對去除效果造成干擾的湍流和高流速,流體從內向外流動時,通過單次聚結過程即能將油液中游離水分含量降低至5-15ppm的水平,無需二次分離過程。
EDA回收塔采用加壓精餾,操作壓力為0.2-0.8MPaA,優選為0.45-0.8MPaA,在此壓力范圍內,EDA和水共沸消失,輕組分上升至塔頂,重組分EDA至塔釜,水上升至塔頂的同時,與夾帶劑形成共沸物,夾帶共沸劑。
精餾塔每種都可以設計為填充規整填料或散裝填料的填料塔或安裝有浮閥塔板、篩 板、雙流塔板、泡罩塔板或索爾曼塔板的板式塔。







