公布日:2024.05.14
申請日:2024.03.29
分類號:C02F9/00(2023.01)I;C02F103/34(2006.01)N;C02F1/40(2023.01)N;C02F1/24(2023.01)N;C02F1/66(2023.01)N;C02F1/52(2023.01)N;C02F1/00(2023.01)N;
C02F1/56(2023.01)N;C02F5/02(2023.01)N;C02F101/20(2006.01)N;C02F1/78(2023.01)N;C02F1/72(2023.01)N;C02F1/28(2023.01)N;C02F1/44(2023.01)N;
C02F101/16(2006.01)N
摘要
本發明公開了一種濾清器生產線污水零排放處理方法及裝置,屬于廢水處理領域。該處理方法包括步驟:S1.隔油處理;S2.混凝氣浮;S3.軟化混凝;S4.臭氧氧化;S5.吸附及過濾;S6.納濾,所述濾清器生產線污水包括鐵0.21~1.11mg/L、鋅0.05~0.24mg/L、鎳<0.05mg/L。本發明提供的一種濾清器生產線污水零排放處理方法無生化處理步驟,避免重金屬對生化處理產生影響,運行操作簡單,日常運行穩定,出水水質能夠滿足《城市污水再生利用工業用水水質》。

權利要求書
1.一種濾清器生產線污水零排放處理方法,其特征在于,包括步驟:S1.隔油處理;S2.混凝氣浮:加入中和劑、絮凝劑、助凝劑,通入空氣;S3.軟化混凝:加入軟化劑、絮凝劑、助凝劑;S4.臭氧氧化;S5.吸附及過濾;S6.納濾;所述濾清器生產線污水包括鐵0.21~1.11mg/L、鋅0.05~0.24mg/L、鎳<0.05mg/L。
2.根據權利要求1所述的濾清器生產線污水零排放處理的方法,其特征在于,所述濾清器生產線污水還包括懸浮物34~51mg/L、氨氮0.043~1.10mg/L、COD80~151mg/L、總磷0.18~0.29mg/L,以及60~70mg/L的油分。
3.根據權利要求1所述的濾清器生產線污水零排放處理的方法,其特征在于,所述中和劑包括片堿、石灰、碳酸鈉中的一種或多種;絮凝劑包括PAC、硫酸鋁、氯化亞鐵中的一種或多種;助凝劑包括PAM、PCE、生物膠中的一種或多種;軟化劑包括碳酸鈉、生石灰、熟石灰中的一種或多種。
4.根據權利要求1所述的濾清器生產線污水零排放處理的方法,其特征在于,控制步驟S2中的污水的pH在7-8。
5.根據權利要求4所述的濾清器生產線污水零排放處理的方法,其特征在于,步驟S2中和劑、絮凝劑、助凝劑和污水的流量比為1:1:1:(5~10)。
6.根據權利要求1所述的濾清器生產線污水零排放處理的方法,其特征在于,步驟S3軟化劑、絮凝劑、助凝劑和污水的流量比為1:1:1:(5~10)。
7.根據權利要求1所述的濾清器生產線污水零排放處理的方法,其特征在于,還包括污泥處理步驟,混凝氣浮和軟化混凝中產生的污泥經板框壓濾機濾干。
8.根據權利要求1所述的濾清器生產線污水零排放處理的方法,其特征在于,還包括濃水處理步驟,過濾得到的濃水,利用低溫蒸發濃縮器冷卻,在160~200℃下析出鹽。
9.根據權利要求1所述的濾清器生產線污水零排放處理的方法,其特征在于,步驟S6后所得污水的COD、氨氮、總磷的去除率分別為60%-70%、55%-60%、98%-99%。
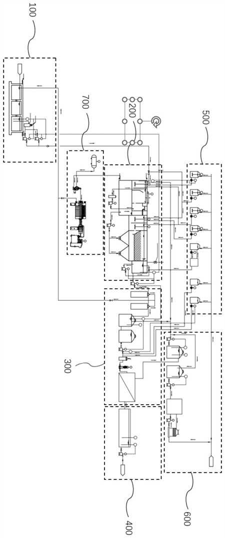
10.一種實現權利要求1-9任一項所述的方法的裝置,其特征在于,包括除油單元(100)、反應單元(200)、過濾單元(300)、產水單元(400)、加藥單元(500)、污泥處理單元(600)以及濃水處理單元(700),所述除油單元(100)、反應單元(200)、過濾單元(300)和產水單元(400)依次連接,所述加藥單元(500)分別與反應單元(200)和過濾單元(300)連接,所述污泥處理單元(600)分別與反應單元(200)和過濾單元(300)連接,所述濃水處理單元(700)與過濾單元(300)后端連接。
發明內容
1.要解決的問題
針對現有生化處理方法難以處理重金屬含量高的濾清器生產線廢水的問題,本發明提供一種濾清器生產線污水零排放處理方法及裝置,利用該方法及裝置處理濾清器生產線污水,日常運行穩定,出水水質能夠滿足《城市污水再生利用工業用水水質》。
2.技術方案
為了解決上述問題,本發明所采用的技術方案如下:
一種濾清器生產線污水零排放處理的方法,包括以下步驟:
S1.隔油處理:廢水通過流入隔油調節池進行隔油處理。
其中,隔油處理利用廢水中懸浮物和水的比重不同而達到分離的目的。當含油廢水進入隔油調節池后,沿水平方向緩慢流動,通過多格隔油調節池,油品在流動中上浮水面,過水孔設置于水面以下,便于截留上浮水面的油品和其他雜質。分離的污水則通過過水孔進入最后一格,再經隔油調節池提升泵提升至氣浮池。
S2.混凝氣浮:隔油調節池出水抽送至氣浮池,加入中和劑、絮凝劑、助凝劑,在溶氣水作用下,廢水中的油類物質、懸浮物、COD等污染物質上浮至水面被刮渣系統去除。
其中,中和劑包括片堿、石灰、碳酸鈉中的一種或多種,其作用為調節廢水至適宜的pH區間,優選的pH為7-8,易于混凝;絮凝劑包括PAC、硫酸鋁、氯化亞鐵中的一種或多種,其作用為將水中的懸浮物質及膠體物質聚集在一起;助凝劑包括PAM、PCE、生物膠中的一種或多種。
S3.軟化混凝:氣浮池澄清出水流入軟化混凝池,在軟化劑、絮凝劑、助凝劑的作用下,廢水中的COD、懸浮物、重金屬等污染物質進一步沉淀去除,用于降低水的硬度,使最后經過膜過濾后的濃液里的金屬離子減少,減少濃液的量。混凝氣浮和軟化混凝中產生的污泥經板框壓濾機濾干。
其中,軟化劑包括碳酸鈉、生石灰、熟石灰中的一種或多種,作用為去除水中的硬度,即2價金屬離子鈣、鎂等;絮凝劑包括PAC、硫酸鋁、氯化亞鐵中的一種或多種,將2價金屬離子形成的沉淀物質進行聚集;助凝劑包括PAM、PCE、生物膠中的一種或多種,將聚集的物質進行連接,使絮狀體積變大利于沉淀。
S4.臭氧氧化:沉淀池所得上清液出水流入臭氧催化氧化池,利用臭氧發生器發生的臭氧對廢水中的難降解物質進行強氧化去除,進一步降低COD含量。其中,臭氧催化氧化池中設有臭氧發生器。
S5.吸附及過濾:臭氧催化氧化池出水通過進水泵抽送至多介質過濾器進行微小懸浮物的吸附及過濾,保證后段處理系統的穩定運行。
其中,所述多介質過濾器中的介質包括石英砂、無煙煤、活性炭、磁鐵礦、石榴石、多孔陶瓷、塑料球等,多介質過濾器在篩選過程中,水流過濾料層時,較大的顆粒物和懸浮物質將被攔截在濾料深處,而較小的顆粒和溶解物則能夠通過濾料層。在吸附過程中,活性炭等吸附性濾料的微細孔道能夠吸附水中的有機物質、氯、異味等有害物質,使水質得到更好的凈化。
S6.納濾:多介質過濾器出水再進入SNF膜系統,去除廢水中的COD、氨氮、二價鹽等污染物質,SNF膜系統產水進入產水水箱后可達標回用。污水在SNF膜系統中COD、氨氮、總磷的去除率分別為60%-70%、55%-60%、98%-99%。SNF膜組件處理得到的濃水,利用低溫蒸發濃縮器冷卻,在160~200℃下析出鹽,除去多數2價和3價鹽,少量一價鹽。
一種濾清器生產線污水零排放處理裝置,包括除油單元、反應單元、過濾單元、產水單元、加藥單元、污泥處理單元以及濃水處理單元,所述除料單元、反應單元、過濾單元和產水單元依次連接,所述加藥單元分別與反應單元和過濾單元連接,所述污泥處理單元分別與反應單元和過濾單元連接,所述濃水處理單元與過濾單元后端連接。
所述除油單元包括隔油調節池,隔油調節池配有將污水輸入反應單元的提升泵。
更進一步地,所述隔油調節池為平面為矩形的多格隔油調節池,其設有若干個池體,所述隔油調節池側壁設有過水孔,污水通過過水孔在相鄰隔油調節池之間流動。
所述反應單元包括依次連接的氣浮池、軟化混凝池和臭氧催化氧化池。
所述氣浮池包括池體和溶氣裝置,所述溶氣裝置包括溶氣罐和與溶氣罐相連接的氣浮溶氣泵,所述溶氣罐通過氣浮溶氣泵將氣體通入池體的液面下。所述氣浮池內還設有刮渣裝置,所述刮渣裝置包括至少一個刮渣板,所述刮渣板位于氣浮池液面之上,通過驅動裝置運行,所述氣浮池下方設有污泥池,通過刮渣板的持續運行,將不斷浮于表面的雜質刮至污泥池內。處理后的污水由管道溢流至軟化混凝池。
所述軟化混凝池包括反應池和沉淀池,反應池和沉淀池之間通過擋板隔離,所述擋板上開設過水孔,廢水通過過水孔在反應池和沉淀池之間流動,沉淀池用于將反應池生成的絮狀沉淀物進行重力沉降,其下方通過管道與污泥池連接。所述反應池中設有第一攪拌裝置,將廢水與反應試劑混合均勻。
更進一步地,所述沉淀池內設有相互平行的斜管,所述斜管優選地為PP材質,利用斜管將沉淀池中的廢水及反應試劑進行分區,減少沉淀堆積富集,影響沉淀效率。
所述臭氧催化氧化池與沉淀池之間通過擋板隔離,擋板上部設有溢流堰,所述臭氧催化氧化池中設有臭氧發生器,用于有機物的氧化去除,最后經處理的污水進入過濾單元進行過濾。
更進一步地,還包括內循環泵,通過內循環泵進行循環,讓臭氧與污水進行充分反應。
所述過濾單元包括依次連接的多介質過濾器和SNF膜裝置。
所述SNF膜裝置包括精密過濾器和SNF膜組件,用于去除廢水中的COD、氨氮、二價鹽等污染物質,SNF膜系統產水進入產水水箱后可達標回用。其中,所述精密過濾器前設有SNF增壓泵,用于對進入精密過濾器的水進行增壓,所述SNF膜組件前設有SNF高壓泵,用于對進入SNF膜組件的水進行增壓。
更進一步地,所述多介質多濾器和SNF膜裝置之間設有原水桶。
所述SNF膜裝置后與產水箱連接,符合回用水標準的產水通過回用水泵在生產過程中進行回用。
所述加藥單元包括至少一個加藥罐,用于向氣浮池、軟化混凝池、過濾單元中加料,加藥罐加藥的管道上設有閥門,用于控制加藥流量。
所述污泥處理單元包括板框壓濾機,所述板框壓濾機與污泥池連接,用于接受從氣浮池刮渣裝置刮下的污泥以及沉淀池中沉淀至底部的污泥,板框壓濾機將污泥濾干,濾得的污泥委外處理。
更進一步地,板框壓濾過程中,通過空壓機驅動氣動隔膜泵,實現污泥的快速壓濾。
所述濃水處理單元包括濃水桶,所述濃水桶與SNF膜組件連接,接收SNF膜組件處理得到的濃水,所述濃水桶一端與氣浮池連接,濃水桶中的濃水一部分通入氣浮池,經過反應單元和過濾單元再處理。濃水桶另一端與濃水循環水桶連接,所述濃水循環水桶依次連接低溫蒸發濃縮器和冷卻塔,利用低溫蒸發濃縮器冷卻,濃水低溫下析出鹽,控制溫度在160~200℃。
其中,所述氣浮池、反應池中設有攪拌裝置,用于反應物的混合均勻。
所述氣浮池設有在線pH計,控制反應單元中的廢水的pH在7-8。
本發明所述的一種濾清器生產線污水零排放處理方法,利用臭氧的氧化性(氧化電位2.03V)將水中的有機物直接氧化,或者將大分子有機物氧化分解成小分子,使其更容易被降解。臭氧催化氧化技術特別適用于可生化性較差的廢水處理。臭氧氧化技術流程簡單,處理時間較短,且不會產生殘渣,一般不會產生二次污染。
本申請采用隔油處理→混凝氣浮→軟化混凝→臭氧氧化→過濾及吸附→納濾。值得注意的是,本申請的方法尤其適用于包含鋅、鐵、鎳的含油廢水。本申請首先采用隔油處理去除廢水中粒徑大于100um的油滴;用混凝氣浮去除廢水中粒徑10~100um的細分散油;再用臭氧氧化去除廢水中殘留的COD;之后利用過濾和吸附去除污水中的懸浮物及吸附廢水中的COD,為后續納濾系統提供保障,減少污水中的污染物質,保證出水符合設計要求。
處理后的出水,其滿足《城市污水再生利用工業用水水質》(GB/T19923-2005)中工藝與產品用水標準。
3.有益效果
相比于現有技術,本發明的有益效果為:
(1)本發明提供的一種濾清器生產線污水零排放處理方法采用隔油處理→混凝氣浮→軟化混凝→臭氧氧化→過濾及吸附→納濾,避免重金屬對生化處理產生影響,運行操作簡單,日常運行穩定,加藥量較少,出水水質能夠滿足《城市污水再生利用工業用水水質》(GB/T19923-2005);
(2)本發明將SNF膜組件處理得到的濃水,利用低溫蒸發濃縮器冷卻處理,出水可實現廠內回用,達到回用水標準,實現零排放;
(3)本發明將混凝氣浮和軟化混凝中產生的污泥經板框壓濾機濾干,濾得的污泥委外處理,便于污染物的后處理。
(發明人:林彬鵬;溫在濤;黃國梁;蔡戰林)






