公布日:2023.11.10
申請日:2023.08.16
分類號:C02F9/00(2023.01)I;C02F11/122(2019.01)I;C02F1/00(2023.01)N;C02F1/40(2023.01)N;C02F1/28(2023.01)N;C02F1/42(2023.01)N;C02F1/44(2023.01)N;C02F1
/52(2023.01)N;C02F1/66(2023.01)N;C02F1/469(2023.01)N
摘要
本發明公開了一種三元前驅體廢水除油除硬過濾并制備酸堿的方法,按下述步驟進行:步驟S1:將三元前驅體廢水進行第一級除油處理得到除油后的三元前驅體廢水,三元前驅體廢水進入中間水箱;步驟S2:將步驟S1中的三元前驅體廢水通過多介質過濾器進行多介質過濾處理,去除水中的雜質,得到過濾后的料液及多介質過濾器沖洗廢水,多介質過濾器沖洗廢水排至廢水收集池;步驟S3:將步驟S2中的料液通過活性炭過濾器進行活性炭過濾處理,對鐵、錳離子及油份進行吸附;本發明以三元前驅體廢水為原料制得酸堿液,實現資源循環利用,且具備原材料利用率高的特點。

權利要求書
1.一種三元前驅體廢水除油除硬過濾并制備酸堿的方法,其特征在于:按下述步驟進行:步驟S1:將三元前驅體廢水進行第一級除油處理得到除油后的三元前驅體廢水,三元前驅體廢水進入中間水箱;步驟S2:將步驟S1中的三元前驅體廢水通過多介質過濾器進行多介質過濾處理,去除水中的雜質,得到過濾后的料液及多介質過濾器沖洗廢水,多介質過濾器沖洗廢水排至廢水收集池;步驟S3:將步驟S2中的料液通過活性炭過濾器進行活性炭過濾處理,對鐵、錳離子及油份進行吸附,得到活性炭過濾器產水及活性炭過濾器沖洗廢水,活性炭過濾器產水進入炭濾產水箱,活性炭過濾器沖洗廢水排至廢水收集池;步驟S4:將步驟S3中的活性炭過濾器產水進行二級除油處理,得到料液以及除油樹脂再生廢液;步驟S5:將步驟S4中的料液通過三級樹脂軟化器進行三級軟化除硬處理,得到軟化除重后的料液及三級軟化樹脂的再生廢液,再生廢液經中和后排至廢水收集池;步驟S6:將步驟S5中的軟化除重后的料液通過超濾系統進行除雜處理,得到超濾產水和超濾廢水,超濾廢水進入中間水箱與三元前驅體廢水混合;步驟S7:步驟S6中的超濾產水進入雙極膜系統進行處理,得到稀鹽水、酸液以及堿液,稀鹽水進入稀鹽水收集水箱,酸液進入酸水箱,堿液進入堿水箱內。
2.根據權利要求1所述的三元前驅體廢水除油除硬過濾并制備酸堿的方法,其特征在于:還包括稀鹽水的多級淡化,按下述步驟進行:步驟A1:步驟S7中的稀鹽水進入一級RO系統進行濃縮淡化得到一級濃水和一級淡水,一級濃水進入炭濾產水箱,一級淡水進入一級淡水箱;步驟A2:步驟A1的一級淡水進入二級RO系統進行二次脫鹽處理,得到二級濃水和二級淡水,二級濃水進入稀鹽水收集水箱,二級淡水進入二級淡水箱;步驟A3:步驟A2的二級淡水進入三級RO系統進行三次脫鹽處理,得到三級濃水和三級淡水,三級濃水進入一級淡水箱,三級淡水進入純水箱。
3.根據權利要求1所述的三元前驅體廢水除油除硬過濾并制備酸堿的方法,其特征在于:廢水收集池內的廢水在高密反應沉淀池內加藥反應沉淀處理得到澄清液及污泥,澄清液進入中間水箱,污泥進入板框壓濾機內進行板框壓濾得到干泥和板框濾液,板框濾液回到廢水收集池內。
4.根據權利要求1所述的三元前驅體廢水除油除硬過濾并制備酸堿的方法,其特征在于:所述步驟S7中的酸液及堿液采用純水箱內的純水進行接液。
5.根據權利要求2所述的三元前驅體廢水除油除硬過濾并制備酸堿的方法,其特征在于:所述純水箱內的純水與步驟S7的酸液及堿液在樹脂酸堿再生罐混合后用于三級樹脂軟化器的酸堿再生。
6.根據權利要求1所述的三元前驅體廢水除油除硬過濾并制備酸堿的方法,其特征在于:所述步驟S1的第一級出油采用除油濾芯形式,所述步驟S4的二級出油處理采用除油樹脂形式。
7.根據權利要求1所述的三元前驅體廢水除油除硬過濾并制備酸堿的方法,其特征在于:所述步驟S7中雙極膜系統處理后的稀鹽水經PH調節至中性后進入稀鹽水收集水箱。
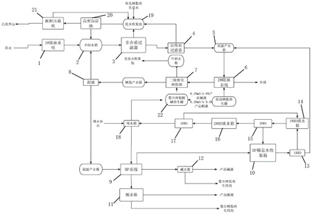
8.根據權利要求1-7任一項所述的三元前驅體廢水除油除硬過濾并制備酸堿的方法的裝置,其特征在于:包括依次相連的一級除油系統(1)、中間水箱(2)、多介質過濾器(3)、活性炭過濾器(4)、炭濾產水箱(5)、二級除油系統(6)、三級軟化樹脂器(7)、超濾系統(8)和雙極膜系統(9);所述雙極膜系統(9)的末端分別連接有稀鹽水收集水箱(10)、酸水箱(11)和堿水箱(12),稀鹽水收集水箱(10)的末端依次連接有一級RO系統(13)、一級淡水箱(14)、二級RO系統(15)、二級淡水箱(16)、三級RO系統(17)和純水箱(18),一級RO系統(13)與炭濾產水箱(5)相連,二級RO系統(15)與稀鹽水收集水箱(10)相連,三級RO系統(17)與一級淡水箱(14)相連;所述三級樹脂軟化器(7)上連接有樹脂酸堿再生罐(22)。
9.根據權利要求8所述的三元前驅體廢水除油除硬過濾并制備酸堿的方法的裝置,其特征在于:還包括與多介質過濾器(3)、活性炭過濾器(4)、三級樹脂軟化器(7)相連的廢水收集池(19),廢水收集池(19)末端依次設有高密反應沉淀池(20)和板框壓濾機(21),高密反應沉淀池(20)與中間水箱(2)相連,板框壓濾機(21)末端與廢水收集池(19)相連。
發明內容
本發明的目的在于,提供一種三元前驅體廢水除油除硬過濾并制備酸堿的方法。本發明以三元前驅體廢水為原料制得酸堿液,實現資源循環利用,且具備原材料利用率高的特點。
本發明的技術方案:一種三元前驅體廢水除油除硬過濾并制備酸堿的方法,按下述步驟進行:
步驟S1:將三元前驅體廢水進行第一級除油處理得到除油后的三元前驅體廢水,三元前驅體廢水進入中間水箱;
步驟S2:將步驟S1中的三元前驅體廢水通過多介質過濾器進行多介質過濾處理,去除水中的雜質,得到過濾后的料液及多介質過濾器沖洗廢水,多介質過濾器沖洗廢水排至廢水收集池;
步驟S3:將步驟S2中的料液通過活性炭過濾器進行活性炭過濾處理,對鐵、錳離子及油份進行吸附,得到活性炭過濾器產水及活性炭過濾器沖洗廢水,活性炭過濾器產水進入炭濾產水箱,活性炭過濾器沖洗廢水排至廢水收集池;
步驟S4:將步驟S3中的活性炭過濾器產水進行二級除油處理,得到料液以及除油樹脂再生廢液;
步驟S5:將步驟S4中的料液通過三級樹脂軟化器進行三級軟化除硬處理,得到軟化除重后的料液及三級軟化樹脂的再生廢液,再生廢液經中和后排至廢水收集池;
步驟S6:將步驟S5中的軟化除重后的料液通過超濾系統進行除雜處理,得到超濾產水和超濾廢水,超濾廢水進入中間水箱與三元前驅體廢水混合;
步驟S7:步驟S6中的超濾產水進入雙極膜系統進行處理,得到稀鹽水、酸液以及堿液,稀鹽水進入稀鹽水收集水箱,酸液進入酸水箱,堿液進入堿水箱內;
上述的三元前驅體廢水除油除硬過濾并制備酸堿的方法中,還包括稀鹽水的多級淡化,按下述步驟進行:
步驟A1:步驟S7中的稀鹽水進入一級RO系統進行濃縮淡化得到一級濃水和一級淡水,一級濃水進入炭濾產水箱,一級淡水進入一級淡水箱;
步驟A2:步驟A1的一級淡水進入二級RO系統進行二次脫鹽處理,得到二級濃水和二級淡水,二級濃水進入稀鹽水收集水箱,二級淡水進入二級淡水箱;
步驟A3:步驟A2的二級淡水進入三級RO系統進行三次脫鹽處理,得到三級濃水和三級淡水,三級濃水進入一級淡水箱,三級淡水進入純水箱。
前述的三元前驅體廢水除油除硬過濾并制備酸堿的方法中,廢水收集池內的廢水在高密反應沉淀池內加藥反應沉淀處理得到澄清液及污泥,澄清液進入中間水箱,污泥進入板框壓濾機內進行板框壓濾得到干泥和板框濾液,板框濾液回到廢水收集池內。
前述的三元前驅體廢水除油除硬過濾并制備酸堿的方法中,所述步驟S7中的酸液及堿液采用純水箱內的純水進行接液。
前述的三元前驅體廢水除油除硬過濾并制備酸堿的方法中,所述純水箱內的純水與步驟S7的酸液及堿液在樹脂酸堿再生罐混合后用于三級樹脂軟化器的酸堿再生。
前述的三元前驅體廢水除油除硬過濾并制備酸堿的方法中,所述步驟S1的第一級出油采用除油濾芯形式,所述步驟S4的二級出油處理采用除油樹脂形式。
前述的三元前驅體廢水除油除硬過濾并制備酸堿的方法中,所述步驟S7中雙極膜系統處理后的稀鹽水經PH調節至中性后進入稀鹽水收集水箱。
前述的三元前驅體廢水除油除硬過濾并制備酸堿的方法的裝置,包括依次相連的一級除油系統、中間水箱、多介質過濾器、活性炭過濾器、炭濾產水箱、二級除油系統、三級軟化樹脂器、超濾系統和雙極膜系統;所述雙極膜系統的末端分別連接有稀鹽水收集水箱、酸水箱和堿水箱,稀鹽水收集水箱的末端依次連接有一級RO系統、一級淡水箱、二級RO系統、二級淡水箱、三級RO系統和純水箱,一級RO系統與炭濾產水箱相連,二級RO系統與稀鹽水收集水箱相連,三級RO系統與一級淡水箱相連;所述三級樹脂軟化器上連接有樹脂酸堿再生罐。
前述的三元前驅體廢水除油除硬過濾并制備酸堿的方法的裝置,還包括與多介質過濾器、活性炭過濾器、三級樹脂軟化器相連的廢水收集池,廢水收集池末端依次設有高密反應沉淀池和板框壓濾機,高密反應沉淀池與中間水箱相連,板框壓濾機末端與廢水收集池相連。
與現有技術相比,本發明具有以下有益效果:
三元前驅體廢水經過第一級除油處理吸附水中的油污得到除油后的三元前驅體廢水,三元前驅體廢水通過多介質過濾器進行多介質過濾處理,去除水中的雜質,得到過濾后的料液及多介質過濾器沖洗廢水、料液通過活性炭過濾器進行活性炭過濾處理,對鐵、錳離子及油份進行吸附,得到活性炭過濾器產水及活性炭過濾器沖洗廢水、活性炭過濾器產水進行二級除油處理得到料液,料液通過三級樹脂軟化器進行三級軟化除硬處理得到軟化除重后的料液,軟化除重后的料液通過超濾系統進行除雜處理,得到超濾產水,超濾產水再經過雙極膜系統的離子交換得到稀鹽水、酸液以及堿液,完成酸堿的制備,實現三元前驅體廢水的利用;此外,多介質過濾處理、活性炭過濾處理以及三級軟化除硬處理后得到的廢水被收集進入到廢水收集池,廢水收集池內的廢水被再次處理用于新一輪次的酸堿制備,實現原料的充分利用;同時稀鹽水進一步通過三級反滲透系統得到純水,處理過程中一級濃水、二級濃水以及三級濃水均受到反復利用,進一步提升原材料的利用率。
(發明人:譚淵清;丁冰;馬棟豪;董柱永;周偉良)






