公布日:2024.03.08
申請日:2023.12.19
分類號:C02F3/30(2023.01)I;C02F1/00(2023.01)N
摘要
本發明公開了一種強化生物耦合吸附的污水除磷裝置及除磷方法,涉及污水處理技術領域,包括:初沉水箱,出水口分別與預缺氧池和厭氧池連接,預缺氧池的出水端與厭氧池連接;缺氧池,進水端與厭氧池連接,缺氧池的出水端與好氧池連接,好氧池的出水端分別與缺氧池的底部和沉淀池連接,沉淀池的底部與預缺氧池連接;中間水箱,進水端與沉淀池的出水端連接;除磷濾柱,底部與中間水箱連接,除磷濾柱的頂部與產水箱連接;在線監測系統,探頭分別設置在生物處理部分池內初沉水箱、預缺氧池、厭氧池、缺氧池、好氧池、中間水箱和產水箱內;自動控制系統,與在線監測系統連接;該除磷方法在保證除磷效果的基礎上降低了藥劑成本又避免了二次污染。

權利要求書
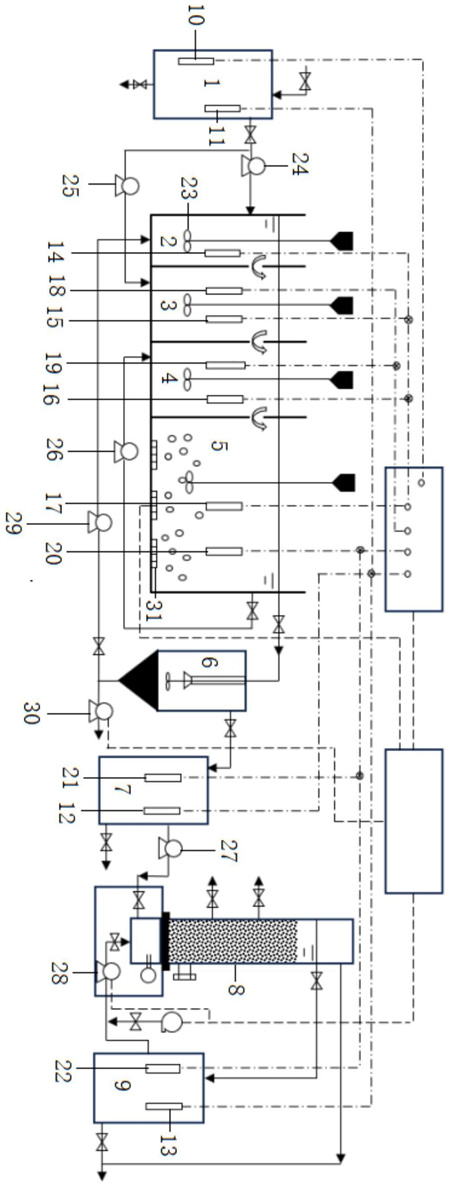
1.一種強化生物耦合吸附的污水除磷裝置,其特征在于,包括:初沉水箱,出水口分別與預缺氧池和厭氧池連接,所述預缺氧池的出水端與所述厭氧池的進水端連接;缺氧池,進水端與所述厭氧池的出水端連接,所述缺氧池的出水端與好氧池的進水端連接,所述好氧池的出水端分別與所述缺氧池的底部和沉淀池連接,所述沉淀池的底部與所述預缺氧池連接;中間水箱,進水端與所述沉淀池的出水端連接;除磷濾柱,底部與所述中間水箱的出水端連接,所述除磷濾柱的頂部與產水箱連接;在線監測系統,探頭分別設置在所述初沉水箱、所述預缺氧池、所述厭氧池、所述缺氧池、所述好氧池、所述中間水箱和所述產水箱內;自動控制系統,與所述在線監測系統連接。
2.根據權利要求1所述的強化生物耦合吸附的污水除磷裝置,其特征在于,所述在線監測系統包括設置在所述初沉水箱中的泥位檢測探頭和第一正磷酸鹽在線監測探頭、設置在所述預缺氧池中的第一DO在線監測探頭、設置在所述厭氧池中的第二DO在線監測探頭和第一硝氮探頭、設置在所述缺氧池中的第三DO在線監測探頭和第二硝氮探頭、設置在所述好氧池中的第四DO在線監測探頭和第一SS探頭、設置在所述中間水箱中的第二SS探頭和第二正磷酸鹽在線監測探頭、設置在所述產水箱中的第三SS探頭和第三正磷酸鹽在線監測探頭。
3.根據權利要求1所述的強化生物耦合吸附的污水除磷裝置,其特征在于,在所述預缺氧池、所述厭氧池、所述缺氧池和所述好氧池內分別設置有攪拌器。
4.根據權利要求1所述的強化生物耦合吸附的污水除磷裝置,其特征在于,所述自動控制系統包括:第一水泵,設置在所述初沉水箱與所述預缺氧池之間的污水管上;第二水泵,設置在所述初沉水箱與所述厭氧池之間的污水管上;第三水泵,設置在所述好氧池與所述缺氧池之間的污水管上;第四水泵,設置在所述中間水箱與所述除磷濾柱之間的污水管上;第五水泵,設置在所述產水箱與所述除磷濾柱之間的水管上;污泥泵,設置在所述沉淀池與所述預缺氧池之間的污水管上。排泥泵,設置在所述沉淀池的底部外排管上。
5.根據權利要求1所述的強化生物耦合吸附的污水除磷裝置,其特征在于,所述自動控制系統還包括設置在所述好氧池中的曝氣泵。
6.根據權利要求1所述的強化生物耦合吸附的污水除磷裝置,其特征在于,所述產水箱的反沖洗水出口與所述除磷濾柱的底部連接。
7.根據權利要求1所述的強化生物耦合吸附的污水除磷裝置,其特征在于,所述除磷濾柱包括:濾柱殼,內部由下至上依次設置有承托層和濾料層;卸料口,設置在所述濾柱殼的底部,所述濾柱殼上還設置有取樣口和壓力表。
8.一種強化生物耦合吸附的污水除磷方法,利用根據權利要求1-7任一項所述的強化生物耦合吸附的污水除磷裝置,其特征在于,該除磷方法包括:初沉水箱中10%-30%的污水進入預缺氧池,70%~90%的污水進入厭氧池;預缺氧池中水力停留時間控制在0.5~1h,溶解氧
發明內容
本發明的目的是針對現有技術存在的不足,提供了一種強化生物耦合吸附的污水除磷裝置及除磷方法,該除磷方法以生物耦合吸附的方法去除污水中的磷酸鹽,除磷過程中不額外投加任何除磷藥劑,在保證除磷效果的基礎上既降低了藥劑成本又避免了金屬離子對水環境造成的二次污染。
為了實現上述目的,本發明提供了一種強化生物耦合吸附的污水除磷裝置,包括:
初沉水箱,出水口分別與預缺氧池和厭氧池連接,所述預缺氧池的出水端與所述厭氧池的進水端連接;
缺氧池,進水端與所述厭氧池的出水端連接,所述缺氧池的出水端與好氧池的進水端連接,所述好氧池的出水端分別與所述缺氧池的底部和沉淀池連接,所述沉淀池的底部與所述預缺氧池連接;
中間水箱,進水端與所述沉淀池的出水端連接;
除磷濾柱,底部與所述中間水箱的出水端連接,所述除磷濾柱的頂部與產水箱連接;
在線監測系統,探頭分別設置在所述初沉水箱、所述預缺氧池、所述厭氧池、所述缺氧池、所述好氧池、所述中間水箱和所述產水箱內;
自動控制系統,與所述在線監測系統連接。
可選地,所述在線監測系統包括設置在所述初沉水箱中的泥位檢測探頭和第一正磷酸鹽在線監測探頭、設置在所述預缺氧池中的第一DO在線監測探頭、設置在所述厭氧池中的第二DO在線監測探頭和第一硝氮探頭、設置在所述缺氧池中的第三DO在線監測探頭和第二硝氮探頭、設置在所述好氧池中的第四DO在線監測探頭和第一SS探頭、設置在所述中間水箱中的第二SS探頭和第二正磷酸鹽在線監測探頭、設置在所述產水箱中的第三SS探頭和第三正磷酸鹽在線監測探頭。
可選地,在所述預缺氧池、所述厭氧池、所述缺氧池和所述好氧池內分別設置有攪拌器。
可選地,所述自動控制系統包括:
第一水泵,設置在所述初沉水箱與所述預缺氧池之間的污水管上;
第二水泵,設置在所述初沉水箱與所述厭氧池之間的污水管上;
第三水泵,設置在所述好氧池與所述缺氧池之間的污水管上;
第四水泵,設置在所述中間水箱與所述除磷濾柱之間的污水管上;
第五水泵,設置在所述產水箱與所述除磷濾柱之間的水管上;
污泥泵,設置在所述沉淀池與所述預缺氧池之間的污水管上。
排泥泵,設置在所述沉淀池的底部外排管上;
可選地,所述自動控制系統還包括設置在所述好氧池中的曝氣泵。
可選地,所述產水箱的反沖洗水出口與所述除磷濾柱的底部連接。
可選地,所述除磷濾柱包括:
濾柱殼,內部由下至上依次設置有承托層和濾料層;
卸料口,設置在所述濾柱殼的底部,所述濾柱殼上還設置有取樣口和壓力表。
本發明還提供了一種強化生物耦合吸附的污水除磷方法,利用上述的強化生物耦合吸附的污水除磷裝置,該除磷方法包括:
初沉水箱中10%-30%的污水進入預缺氧池,70%~90%的污水進入厭氧池;
預缺氧池中水力停留時間控制在0.5~1h,溶解氧<0.5mg/L,攪拌器每啟動1h間隔停止8-15min;
缺氧池中水力停留時間控制在2~4h,溶解氧
(發明人:李魁曉;王剛;王慰;許騏;姜大偉;李偉;張新勃)






