申請日2017.09.30
公開(公告)日2018.01.09
IPC分類號C02F9/04
摘要
本發明涉及一種工業廢水凈化排放設備,尤其涉及一種工業廢水凈化排放設備。本發明要解決的技術問題是提供一種能夠對廢水過濾掉雜質再進行凈化和能夠對廢水進行多級凈化的工業廢水凈化排放設備。為了解決上述技術問題,本發明提供了這樣一種工業廢水凈化排放設備,包括有底座等;底座頂部偏右側連接有箱體,箱體頂部連接有過濾機構,箱體內連接有凈化機構。本發明通過設置了過濾機構和凈化機構,來完成對工業廢水進行過濾掉雜質完成凈化的目的,設置的凈化箱、網框和活性炭等,能夠達到對凈化之后的廢水再次進行凈化,為了提高再次進行凈化的速率,通過控制電動推桿不斷的收縮,來讓凈化箱內的廢水能夠與活性炭得到充分的接觸,完成再次凈化。
權利要求書
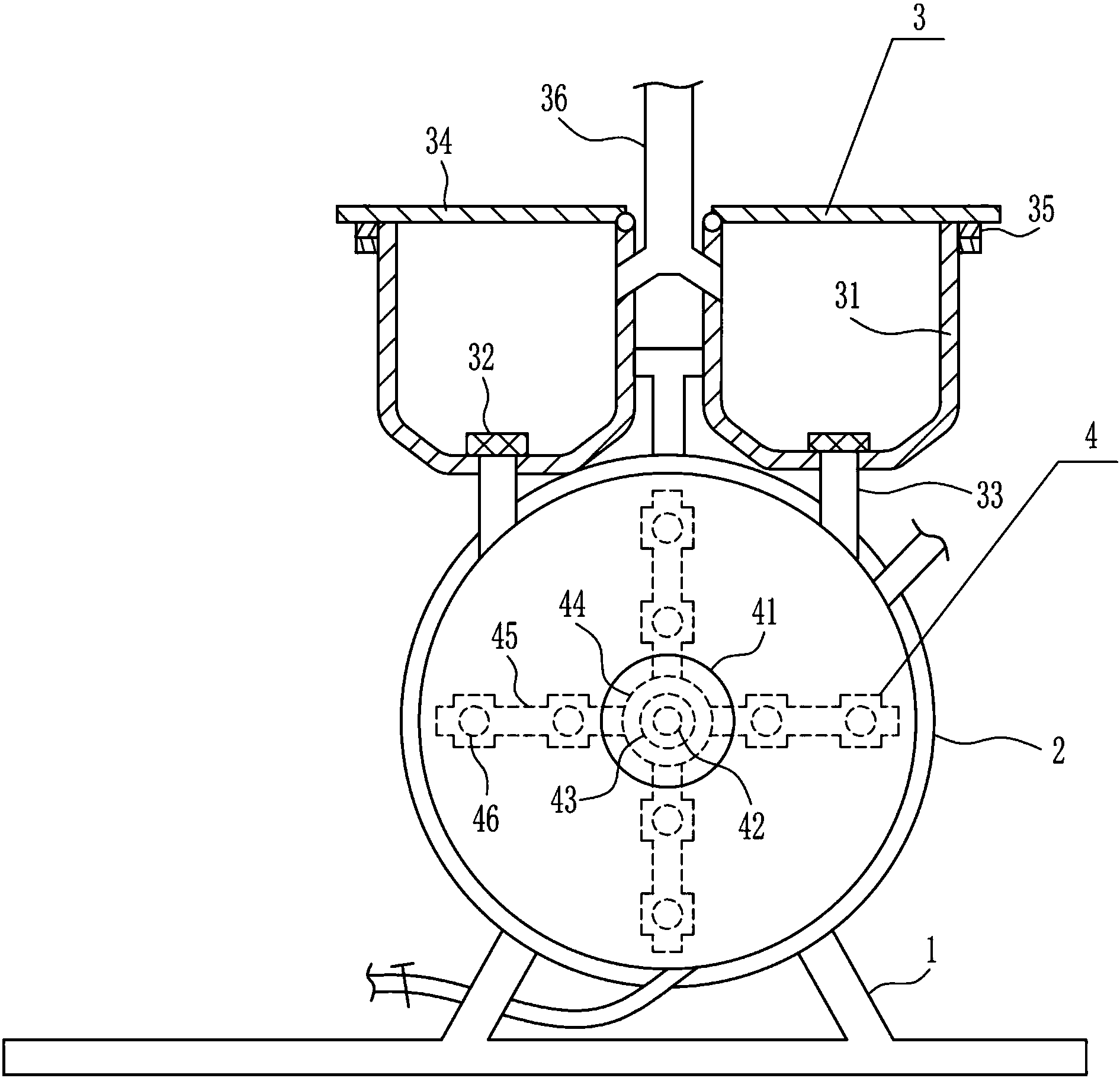
1.一種工業廢水凈化排放設備,其特征在于,包括有底座(1)、箱體(2)、過濾機構(3)和凈化機構(4),底座(1)頂部偏右側連接有箱體(2),箱體(2)頂部連接有過濾機構(3),箱體(2)內連接有凈化機構(4)。
2.根據權利要求1所述的一種工業廢水凈化排放設備,其特征在于,過濾機構(3)包括有過濾箱(31)、濾網(32)、進水管(33)、蓋板(34)、磁塊(35)和排水管(36),箱體(2)頂部中間左右對稱連接有過濾箱(31),過濾箱(31)頂部均轉動式連接有蓋板(34),蓋板(34)底部均與過濾箱(31)的左右兩壁頂端接觸,過濾箱(31)底部中間與箱體(2)頂之間均連接有排水管(36),排水管(36)頂端均連接有濾網(32),濾網(32)底部與過濾箱(31)內底部接觸,左側的蓋板(34)底部左側和右側的蓋板(34)底部右側與左側的過濾箱(31)左側上部和右側的過濾箱(31)右側上部均連接有磁塊(35),上下兩側的磁塊(35)相互配合。
3.根據權利要求2所述的一種工業廢水凈化排放設備,其特征在于,凈化機構(4)包括有電機(41)、轉桿(42)、密封圈(43)、轉輪(44)、攪拌桿(45)和圓形桿(46),箱體(2)外前壁中間連接有電機(41),電機(41)的輸出軸上連接有轉桿(42),轉桿(42)穿過箱體(2)外前壁,轉桿(42)上套有密封圈(43),密封圈(43)安裝在箱體(2)外前壁,轉桿(42)上連接有轉輪(44),轉輪(44)山均勻連接有攪拌桿(45),攪拌桿(45)前后兩側均連接有圓形桿(46)。
4.根據權利要求3所述的一種工業廢水凈化排放設備,其特征在于,還包括有凈化箱(5)、網框(6)、活性炭(7)、連桿(8)、閥門(9)和出水管(10),底座(1)底部最左側連接有凈化箱(5),凈化箱(5)內放置有網框(6),網框(6)內設有活性炭(7),凈化箱(5)左側下部連接有出水管(10),出水管(10)上連接有閥門(9),網框(6)內側左上部連接有連桿(8)。
5.根據權利要求4所述的一種工業廢水凈化排放設備,其特征在于,還包括有支桿(11)、電動推桿(12)、升降板(13)、滑軌(14)、滑塊(15)和連接桿(16),左側的過濾箱(31)左側上部連接有支桿(11),支桿(11)左端連接有電動推桿(12),電動推桿(12)底端連接有升降板(13),升降板(13)底部左側與連桿(8)頂端連接,凈化箱(5)內中部左右對稱連接有滑軌(14),滑軌(14)上滑動式連接有滑塊(15),滑塊(15)均與滑軌(14)配合,滑塊(15)上均連接有連接桿(16),連接桿(16)均與網框(6)的左右兩側連接。
6.根據權利要求5所述的一種工業廢水凈化排放設備,其特征在于,還包括有移動桿(17)和攪動桿(18),網框(6)左右兩側下部均連接有移動桿(17),移動桿(17)前后兩側均連接有攪動桿(18),移動桿(17)上均開有通孔(19),通孔(19)均位于攪動桿(18)的內側。
7.根據權利要求6所述的一種工業廢水凈化排放設備,其特征在于,還包括有混合桿(20)、彈簧(21)和鋼珠(22),攪拌桿(45)中部均對稱連接有混合桿(20),混合桿(20)末端均連接有彈簧(21),彈簧(21)末端均連接有鋼珠(22)。
說明書
一種工業廢水凈化排放設備
技術領域
本發明涉及一種工業廢水凈化排放設備,尤其涉及一種工業廢水凈化排放設備。
背景技術
工業廢水指工藝生產過程中排出的廢水和廢液,其中含有隨水流失的工業生產用料、中間產物、副產品以及生產過程中產生的污染物,是造成環境污染,特別是水污染的重要原因。工業廢水的處理雖然早在19世紀末已經開始,但由于許多工業廢水成分復雜,性質多變,仍有一些技術問題沒有完全解決。
由于現有的在對工業廢水進行凈化處理當中,不能對雜質進行過濾,導致后續的凈化工作困難,并且不能夠對廢水進行多級凈化,導致凈化一次排放出來的廢水還是會對土壤造成影響。
因此亟需研發一種能夠對廢水過濾掉雜質再進行凈化和能夠對廢水進行多級凈化的工業廢水凈化排放設備,來克服現有技術中不能夠對廢水過濾掉雜質再進行凈化和不能夠對廢水進行多級凈化的缺點。
發明內容
(1)要解決的技術問題
本發明為了克服現有技術中不能夠對廢水過濾掉雜質再進行凈化和不能夠對廢水進行多級凈化的缺點,本發明要解決的技術問題是提供一種能夠對廢水過濾掉雜質再進行凈化和能夠對廢水進行多級凈化的工業廢水凈化排放設備。
(2)技術方案
為了解決上述技術問題,本發明提供了這樣一種工業廢水凈化排放設備,包括有底座、箱體、過濾機構和凈化機構,底座頂部偏右側連接有箱體,箱體頂部連接有過濾機構,箱體內連接有凈化機構。
優選地,過濾機構包括有過濾箱、濾網、進水管、蓋板、磁塊和排水管,箱體頂部中間左右對稱連接有過濾箱,過濾箱頂部均轉動式連接有蓋板,蓋板底部均與過濾箱的左右兩壁頂端接觸,過濾箱底部中間與箱體頂之間均連接有排水管,排水管頂端均連接有濾網,濾網底部與過濾箱內底部接觸,左側的蓋板底部左側和右側的蓋板底部右側與左側的過濾箱左側上部和右側的過濾箱右側上部均連接有磁塊,上下兩側的磁塊相互配合。
優選地,凈化機構包括有電機、轉桿、密封圈、轉輪、攪拌桿和圓形桿,箱體外前壁中間連接有電機,電機的輸出軸上連接有轉桿,轉桿穿過箱體外前壁,轉桿上套有密封圈,密封圈安裝在箱體外前壁,轉桿上連接有轉輪,轉輪山均勻連接有攪拌桿,攪拌桿前后兩側均連接有圓形桿。
優選地,還包括有凈化箱、網框、活性炭、連桿、閥門和出水管,底座底部最左側連接有凈化箱,凈化箱內放置有網框,網框內設有活性炭,凈化箱左側下部連接有出水管,出水管上連接有閥門,網框內側左上部連接有連桿。
優選地,還包括有支桿、電動推桿、升降板、滑軌、滑塊和連接桿,左側的過濾箱左側上部連接有支桿,支桿左端連接有電動推桿,電動推桿底端連接有升降板,升降板底部左側與連桿頂端連接,凈化箱內中部左右對稱連接有滑軌,滑軌上滑動式連接有滑塊,滑塊均與滑軌配合,滑塊上均連接有連接桿,連接桿均與網框的左右兩側連接。
優選地,還包括有移動桿和攪動桿,網框左右兩側下部均連接有移動桿,移動桿前后兩側均連接有攪動桿,移動桿上均開有通孔,通孔均位于攪動桿的內側。
優選地,還包括有混合桿、彈簧和鋼珠,攪拌桿中部均對稱連接有混合桿,混合桿末端均連接有彈簧,彈簧末端均連接有鋼珠。
工作原理:使用時,工人首先將工業廢水排放到過濾機構內完成過濾雜質,過濾掉雜質的廢水則會落入到箱體內,啟用凈化機構,即可對過濾掉雜質的廢水進行凈化處理,凈化完成之后,停止啟用凈化機構,再讓凈化完成的廢水排放出來即可。
因為過濾機構包括有過濾箱、濾網、進水管、蓋板、磁塊和排水管,箱體頂部中間左右對稱連接有過濾箱,過濾箱頂部均轉動式連接有蓋板,蓋板底部均與過濾箱的左右兩壁頂端接觸,過濾箱底部中間與箱體頂之間均連接有排水管,排水管頂端均連接有濾網,濾網底部與過濾箱內底部接觸,左側的蓋板底部左側和右側的蓋板底部右側與左側的過濾箱左側上部和右側的過濾箱右側上部均連接有磁塊,上下兩側的磁塊相互配合。使用時,首先通過排水管將工業廢水排放到左右兩側的過濾箱內,排放到左右兩側的過濾箱內的廢水則會通過濾網過濾掉雜質,過濾掉的廢水則會通過濾網和進水管進行入到箱體內,通過將蓋板掰開,即可對過濾箱內過濾掉的雜質進行處理,處理后蓋上蓋板即可,蓋上蓋板使得上下兩側的磁塊相互吸住,即可對蓋板蓋上的位置進行固定。
因為凈化機構包括有電機、轉桿、密封圈、轉輪、攪拌桿和圓形桿,箱體外前壁中間連接有電機,電機的輸出軸上連接有轉桿,轉桿穿過箱體外前壁,轉桿上套有密封圈,密封圈安裝在箱體外前壁,轉桿上連接有轉輪,轉輪山均勻連接有攪拌桿,攪拌桿前后兩側均連接有圓形桿。當過濾掉雜質的廢水落入到箱體內之后,首先往箱體內加入明礬,來讓明礬融于廢水,完成對廢水進行凈化的目的,接著啟用電機轉動,電機則會帶動轉桿轉動,轉桿則會帶動轉輪和攪拌桿轉動,攪拌桿則會帶動圓形桿轉動,通過攪拌桿和圓形桿的不斷轉動,來實現讓明礬更快的與廢水融合得到凈化,凈化完成之后,關閉電機。
因為還包括有凈化箱、網框、活性炭、連桿、閥門和出水管,底座底部最左側連接有凈化箱,凈化箱內放置有網框,網框內設有活性炭,凈化箱左側下部連接有出水管,出水管上連接有閥門,網框內側左上部連接有連桿。為了能夠對加入明礬凈化之后的廢水再次進行凈化,來讓凈化后的廢水排放到凈化箱內再次得到凈化,設置的網框和活性炭,能夠對進入到凈化箱內的廢水得到再次凈化,當通過活性炭的吸附完成再次凈化之后,打開閥門,來讓得到再次凈化的廢水通過出水管排放出去即可,排放完成之后關閉閥門。
因為還包括有支桿、電動推桿、升降板、滑軌、滑塊和連接桿,左側的過濾箱左側上部連接有支桿,支桿左端連接有電動推桿,電動推桿底端連接有升降板,升降板底部左側與連桿頂端連接,凈化箱內中部左右對稱連接有滑軌,滑軌上滑動式連接有滑塊,滑塊均與滑軌配合,滑塊上均連接有連接桿,連接桿均與網框的左右兩側連接。為了提高再次進行凈化的速率,通過控制電動推桿不斷的收縮,電動推桿則會帶動升降板不斷的上下運動,升降板則會帶動網框通過滑塊不斷的上下運動,使得凈化箱內的廢水能夠與活性炭得到充分的接觸,完成再次凈化,再次凈化完成并且網框回到原位之后,關閉電動推桿。
因為還包括有移動桿和攪動桿,網框左右兩側下部均連接有移動桿,移動桿前后兩側均連接有攪動桿,移動桿上均開有通孔,通孔均位于攪動桿的內側。為了能夠對凈化的廢水進行攪動完成再次凈化的目的,通過網框不斷的上下運動來實現帶動移動桿和攪動桿不斷的上下運動,并且廢水通過通孔的不斷的擠壓,能夠讓廢水在晃動中進一步的與活性炭接觸完成凈化。
因為還包括有混合桿、彈簧和鋼珠,攪拌桿中部均對稱連接有混合桿,混合桿末端均連接有彈簧,彈簧末端均連接有鋼珠。為了能夠加速讓明礬與廢水融合得到凈化,來讓攪拌桿轉動的同時也帶動混合桿、彈簧和鋼珠轉動,達到加速攪拌混合的目的。
(3)有益效果
本發明通過設置了過濾機構和凈化機構,來完成對工業廢水進行過濾掉雜質完成凈化的目的,設置的凈化箱、網框和活性炭等,能夠達到對凈化之后的廢水再次進行凈化,為了提高再次進行凈化的速率,通過控制電動推桿不斷的收縮,來讓凈化箱內的廢水能夠與活性炭得到充分的接觸,完成再次凈化,為了能夠對凈化的廢水進行攪動完成再次凈化的目的,通過網框不斷的上下運動來實現帶動移動桿和攪動桿不斷的上下運動即可,為了更方便工人控制電動推桿工作完成再次凈化,這時可通過按下第一開關來完成即可,為了能夠加速讓明礬與廢水融合得到凈化,來讓攪拌桿轉動的同時也帶動混合桿、彈簧和鋼珠轉動,達到加速攪拌混合的目的。



