申請日2017.09.30
公開(公告)日2017.12.08
IPC分類號C02F1/04; B01D47/06
摘要
本發明涉及環保設備技術領域。為解決現有技術中存在的蒸發效率低、煙氣量需求高的技術問題,本發明提供一種廢水濃縮裝置,包括塔體;所述塔體內設有蒸發室和與蒸發室連通的塔池;所述蒸發室設于塔池的上方;所述塔池上設有濃液出口;所述蒸發室下部或所述塔池上方設有煙氣進口,蒸發室上部設有煙氣出口,所述煙氣進口和煙氣出口之間的塔體內設有第一噴淋裝置,所述第一噴淋裝置與所述塔池之間通過管道連接有廢水加熱器和循環泵,所述塔體或與所述塔體相連通的通道上設有廢水進料口。本發明具有濃縮效果好、成本低、蒸發效率高的特點。
權利要求書
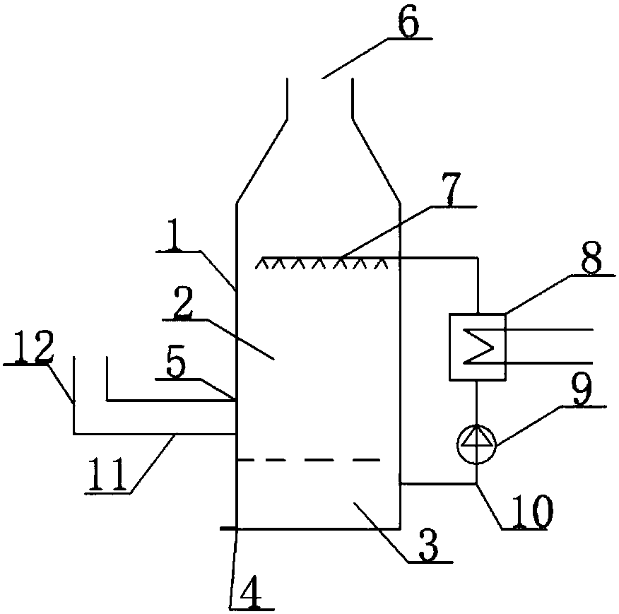
1.一種廢水濃縮裝置,其特征在于,包括塔體;所述塔體內設有蒸發室和與蒸發室連通的塔池;所述蒸發室設于塔池的上方;所述塔池上設有濃液出口;所述蒸發室下部或所述塔池上方設有煙氣進口,所述蒸發室上部設有煙氣出口,所述煙氣進口和所述煙氣出口之間的塔體內設有第一噴淋裝置,所述第一噴淋裝置與所述塔池之間通過管道連接有廢水加熱器和循環泵,所述塔體或與所述塔體相連通的通道上設有廢水進料口。
2.根據權利要求1所述的一種廢水濃縮裝置,其特征在于,所述廢水加熱器采用煙氣加熱,所述廢水加熱器布置在煙道內,使用時,煙氣與所述廢水加熱器中的廢水通過熱交換的方式加熱廢水;或者所述廢水加熱器為蒸汽加熱器或電加熱器。
3.根據權利要求1或2所述的一種廢水濃縮裝置,其特征在于,所述煙氣進口與所述第一噴淋裝置之間設有第二噴淋裝置,所述第二噴淋裝置通過管道與所述廢水進料口連通。
4.根據權利要求1或2所述的一種廢水濃縮裝置,其特征在于,所述煙氣進口上設有進煙腔道,所述進煙腔道處設有第二噴淋裝置,所述第二噴淋裝置通過管道與廢水進料口連通;所述第二噴淋裝置布置在所述煙氣進口內或出口處。
5.根據權利要求1或2所述的一種廢水濃縮裝置,其特征在于,所述煙氣進口為2個或以上;所有的煙氣進口在所述塔體的垂直投影方向上均衡設置,使所述塔體內的煙氣流場均勻。
6.根據權利要求5所述的一種廢水濃縮裝置,其特征在于,所述塔池包括第一塔池和第二塔池,所述第一塔池為開口朝上、上寬下窄的倒錐型結構;所述第一塔池設于所述第二塔池內,所述第一塔池的底部與所述濃液出口連通;所述第一塔池的上邊沿設有溢流通道;使用時,所述第一塔池內澄清的廢水從所述第一塔池的上邊沿的溢流通道流入所述第二塔池內。
7.根據權利要求6所述的一種廢水濃縮裝置,其特征在于,所述蒸發室與所述塔池為分體結構,所述塔池為箱式結構,所述箱式結構與所述蒸發室之間直接連通或通過管道連通。
8.根據權利要求7所述的一種廢水濃縮裝置,其特征在于,所述廢水進料口上連接有進料水預加熱裝置;使用時,廢水經過廢水預加熱裝置預熱后通過廢水進料口進入塔體內。
9.根據權利要求4所述的一種廢水濃縮裝置,其特征在于,所述第一噴淋裝置為噴嘴或高速霧化盤;所述第二噴淋裝置為噴槍或雙流體噴槍;所述進煙腔道為縮放噴管或噴嘴結構。
10.根據權利要求9所述的一種廢水濃縮裝置,其特征在于,所述煙氣進口上設有用于調整進入所述塔體內煙氣量或方向的調整裝置。
說明書
一種廢水濃縮裝置
技術領域
本發明涉及環保設備技術領域,特別涉及一種利用煙氣余熱進行廢水濃縮的一種廢水濃縮裝置。
背景技術
目前市場上利用鍋爐煙氣進行廢水蒸發濃縮等用途的裝置,一般采用噴淋塔結構,其結構通常包括筒狀塔身,塔身底設置有塔池,塔身對應塔池上部設置有一個進氣口,塔身項部設置有出氣口,塔身對應進氣口和出氣口中間設置有噴淋管,噴淋管上設置有噴頭,塔身外側還設置有連接塔池和噴淋管的導管,導管上設置有循環泵。廢水從噴淋管噴淋而下,與從進氣口進入塔身的上升的煙氣發生換熱反應,從而達到蒸發濃縮的目的。然而,現有技術存在以下主要問題:僅采用進入噴淋塔內的煙氣對廢水進行蒸發濃縮,由于噴淋塔內煙氣流速有一定的限值,一般不大于4米/秒,煙氣流速過高會增加煙氣對廢水的攜帶,因此就限定了進入噴淋塔內的煙氣流量,進而限定了噴淋塔的廢水蒸發量和濃縮量。為增加廢水蒸發濃縮量需要增加噴淋塔的直徑,進而增加設備造價和占地面積。這種方式僅采用了廢水與煙氣的混合換熱進行蒸發濃縮,因此在蒸發量一定時,所需煙氣量較大。
發明內容
本發明的目的在于解決以上現有技術中存在的技術問題的至少一項,提供一種濃縮效果好、成本低、蒸發效率高的廢水濃縮裝置。
本發明的目的是通過以下技術方案實現的:
一種廢水濃縮裝置,包括塔體;所述塔體內設有蒸發室和與蒸發室連通的塔池;所述蒸發室設于塔池的上方;所述塔池上設有濃液出口;所述蒸發室下部或所述塔池上方設有煙氣進口,所述蒸發室上部設有煙氣出口,所述煙氣進口和所述煙氣出口之間的塔體內設有第一噴淋裝置,所述第一噴淋裝置與所述塔池之間通過管道連接有廢水加熱器和循環泵,所述塔體或與所述塔體相連通的通道上設有廢水進料口。
進一步的,所述廢水加熱器采用煙氣加熱,所述廢水加熱器布置在煙道內,使用時,煙氣與所述廢水加熱器中的廢水通過熱交換的方式加熱廢水;或者所述廢水加熱器為蒸汽加熱器或電加熱器。
進一步的,所述煙氣進口與所述第一噴淋裝置之間設有第二噴淋裝置,所述第二噴淋裝置通過管道與所述廢水進料口連通。
進一步的,所述煙氣進口上設有進煙腔道,所述進煙腔道處設有第二噴淋裝置,所述第二噴淋裝置通過管道與廢水進料口連通;所述第二噴淋裝置布置在所述煙氣進口內或出口處。
進一步的,所述煙氣進口為2個或以上;所有的煙氣進口在所述塔體的垂直投影方向上均衡設置,使所述塔體內的煙氣流場均勻。
進一步的,所述塔池包括第一塔池和第二塔池,所述第一塔池為開口朝上、上寬下窄的倒錐型結構;所述第一塔池設于所述第二塔池內,所述第一塔池的底部與所述濃液出口連通;所述第一塔池的上邊沿設有溢流通道;使用時,所述第一塔池內澄清的廢水從所述第一塔池的上邊沿的溢流通道流入所述第二塔池內。
進一步的,所述蒸發室與所述塔池為分體結構,所述塔池為箱式結構,所述箱式結構與所述蒸發室之間直接連通或通過管道連通。
進一步的,所述廢水進料口上連接有進料水預加熱裝置;使用時,廢水經過廢水預加熱裝置預熱后通過廢水進料口進入塔體內。
進一步的,所述第一噴淋裝置為噴嘴或高速霧化盤;所述第二噴淋裝置為噴槍或雙流體噴槍;所述進煙腔道為縮放噴管或噴嘴結構。
進一步的,所述煙氣進口上設有用于調整進入所述塔體內煙氣量或方向的調整裝置。
本發明相對于現有技術的有益效果是:本發明的廢水濃縮裝置利用蒸發室內煙氣與廢水進行混合換熱蒸發,通過廢水加熱器等其它能量加熱廢水,提高了進入所述噴淋裝置的廢水溫度,進而提高蒸發濃縮效率;縮短了廢水濃縮所需時間;本發明又通過對煙氣進口和煙氣流量的優化,使塔體內的煙氣流場均勻,從而保證廢水與煙氣混合接觸的均衡性,減少煙氣和廢水偏流或壁流的情況,從而提高所述塔體內部空間的利用率和蒸發濃縮效率;本發明通過第一噴淋裝置和第二噴淋裝置的組合使用,大幅提高換熱蒸發效率;進一步提高濃縮倍率,減少后續固化系統的處理量,同時可以對第二噴淋裝置的廢水液滴與煙氣混合氣體起到除霧除塵作用,從而減少流出所述煙氣出口的煙氣的液滴、固體顆粒物的攜帶、保證本發明的可靠穩定性能。



