申請日2016.05.16
公開(公告)日2016.12.07
IPC分類號C02F11/12
摘要
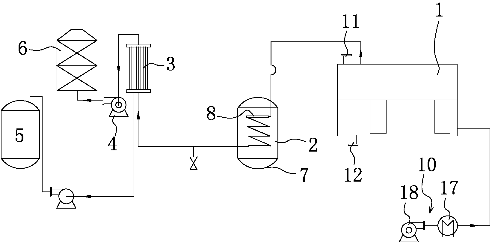
本實用新型屬于污泥處理技術領域,涉及一種用于污泥干燥的風冷干化機構。它包括風冷干化器,所述的風冷干化器的出風口連接換熱罐,換熱罐內具有換熱介質,所述的換熱罐連接氣液分離器,所述的氣液分離器的液體出口通過輸送泵連接冷凝液儲罐,所述的氣液分離器的氣體出口連接除塵器。本實用新型設計合理,干化效果好,工作效率高,易于推廣應用。
權利要求書
1.一種用于污泥干燥的風冷干化機構,包括風冷干化器(1),其特征在于,所述的風冷干化器(1)的出風口連接換熱罐(2),換熱罐(2)內具有換熱介質,所述的換熱罐(2)連接氣液分離器(3),所述的氣液分離器(3)的液體出口通過輸送泵(4)連接冷凝液儲罐(5),所述的氣液分離器(3)的氣體出口連接除塵器(6)。
2.根據權利要求1所述的用于污泥干燥的風冷干化機構,其特征在于,所述的換熱罐(2)包括換熱罐體(7)及位于換熱罐體(7)內的呈螺旋狀的換熱盤管(8),所述的風冷干化器(1)的出風口連接換熱盤管(8)的一端,換熱盤管(8)的另一端連接氣液分離器(3),換熱罐體(7)內填充有換熱介質。
3.根據權利要求1所述的用于污泥干燥的風冷干化機構,其特征在于,所述的風冷干化器(1)包括風冷干化倉(9),所述的風冷干化倉(9)連接熱風輸送機構(10),風冷干化倉(9)頂部連接的出風口連接換熱罐(2),風冷干化倉(9)的頂部和底部分別設有進料口(11)和出料口(12)。
4.根據權利要求3所述的用于污泥干燥的風冷干化機構,其特征在于,所述的風冷干化器(1)內設有用于輸送污泥的輸送帶組件(13)、用于過濾污泥的過濾機構(14)和用于翻拋污泥的翻拋機構(15),所述的過濾機構(14)位于輸送帶組件(13)下方,翻拋機構(15)位于過濾機構(14)下方。
5.根據權利要求4所述的用于污泥干燥的風冷干化機構,其特征在于,所述的輸送帶組件(13)包括若干條輸送帶(16),每兩條相鄰的輸送帶(16)的傳送方向相反。
6.根據權利要求4所述的用于污泥干燥的風冷干化機構,其特征在于,熱風輸送機構(10)包括加熱器(17)和鼓風機(18),其中加熱器(17)連接風冷干化倉(9),鼓風機(18)連接加熱器(17)。
7.根據權利要求6所述的用于污泥干燥的風冷干化機構,其特征在于,加熱器(17)與風冷干化倉(9)的連接處位于過濾機構(14)下方。
8.根據權利要求4所述的用于污泥干燥的風冷干化機構,其特征在于,所述的過濾機構(14)包括位于風冷干化倉(9)內的濾網(19)。
9.根據權利要求4所述的用于污泥干燥的風冷干化機構,其特征在于,所述的翻拋機構(15)包括與風冷干化倉(9)轉動連接的轉軸(20)及與轉軸(20)驅動連接的驅動器(21),所述的轉軸(20)上設有若干翻拋斗(22)。
10.根據權利要求9所述的用于污泥干燥的風冷干化機構,其特征在于,所述的若干翻拋斗(22)在轉軸(20)上呈交錯設置,且翻拋斗(22)呈勺狀。
說明書
用于污泥干燥的風冷干化機構
技術領域
本實用新型屬于污泥處理技術領域,涉及一種用于污泥干燥的風冷干化機構。
背景技術
隨著我國城鎮化水平不斷提高,污水處理設施建設得到了高速發展,據《2013-2017年中國污泥處理處置深度調研與投資戰略規劃分析報告》統計2010年我國城鎮污水處理廠已經建有2500多座,城市污水處理能力已達到每天1.22億噸,為實現國家的減排目標和水環境改善,做出了巨大貢獻。但是污水廠的建設及運行伴隨產生了大量剩余污泥,以含水率80%計,全國年污泥總產水量將很快突破3000萬噸,污泥處理形勢十分嚴峻。由于我國污水廠在建設過程中,長期以來“重水輕泥”,我國城鎮污水處理廠基本實現了污泥的初步減量化,但未實現污泥的穩定化處理。據統計,約80%污水廠建有污泥的濃縮脫水設施,達到了一定程度的減量化;約有80%的污泥未經穩定化處理,污泥中含有惡臭物質、病原體、持久性有機物等污染物從污水轉移到陸地,導致污染物進一步擴散,使得已經建成投運的大污水處理設施的環境減排效益大打折扣。另外,河道污泥、市政污泥的量也在持續增加,如果不進行有效的處理,對環境會造成再次污染。
目前處理污泥的方法主要是干化法或焚燒法,即將污泥脫水干化或焚燒,其中焚燒會產生大量的煙塵,具有一定的局限性,因此干化脫水成為目前廣泛使用的方法。如中國專利文獻公開了一種污泥干化焚燒系統、污泥干化機及污泥干化方法[申請號:201110067528.7],其中污泥干化機,包括至少一個第一污泥干化模塊;所述第一污泥干化模塊包括設有污泥進口和污泥出口封閉的第一外殼、設置在所述污泥進口和污泥出口之間導熱的第一污泥支承板、設置在所述第一污泥支承板上方的第一刮泥機構、在所述第一污泥支承板上方吹風的第一風機、蒸發冷凝裝置以及與提供熱量的第一表冷器;所述蒸發冷凝裝置包括連接成回路的壓縮機、冷凝器、蒸發器以及排水器;所述冷凝器位于所述第一污泥支承板下方并將熱量傳遞至所述第一污泥支承板;所述蒸發器和第一風機位于所述第一污泥支承板的兩側,并且所述第一表冷器位于所述蒸發器和第一風機之間;所述第一風機送出的空氣依次經過所述第一污泥支承板上方、蒸發器、第一表冷器形成循環;所述排水器與所述蒸發器配合并將所述蒸發器的冷凝水排出所述第一外殼。
上述方案能提高污泥干化效率和實現能源的充分利用,使系統效率更高。通過第一刮泥機構來推動第一污泥支承板上的污泥前進,此過程中是污泥不斷的被翻動,從而使得循環風能夠快速的帶走污泥的水分,大大提高了污泥的干化速率。但是,該方案結構復雜,造價較高,不易推廣。
實用新型內容
本實用新型的目的是針對上述問題,提供一種結構簡單、易于實施的用于污泥干燥的風冷干化機構。
為達到上述目的,本實用新型采用了下列技術方案:一種用于污泥干燥的風冷干化機構,包括風冷干化器,所述的風冷干化器的出風口連接換熱罐,換熱罐內具有換熱介質,所述的換熱罐連接氣液分離器,所述的氣液分離器的液體出口通過輸送泵連接冷凝液儲罐,所述的氣液分離器的氣體出口連接除塵器。
在上述的用于污泥干燥的風冷干化機構中,所述的換熱罐包括換熱罐體及位于換熱罐體內的呈螺旋狀的換熱盤管,所述的風冷干化器的出風口連接換熱盤管的一端,換熱盤管的另一端連接氣液分離器,換熱罐體內填充有換熱介質。
在上述的用于污泥干燥的風冷干化機構中,所述的風冷干化器包括風冷干化倉,所述的風冷干化倉連接熱風輸送機構,風冷干化倉頂部連接的出風口連接換熱罐,風冷干化倉的頂部和底部分別設有進料口和出料口。
在上述的用于污泥干燥的風冷干化機構中,所述的風冷干化器內設有用于輸送污泥的輸送帶組件、用于過濾污泥的過濾機構和用于翻拋污泥的翻拋機構,所述的過濾機構位于輸送帶組件下方,翻拋機構位于過濾機構下方。
在上述的用于污泥干燥的風冷干化機構中,所述的輸送帶組件包括若干條輸送帶,每兩條相鄰的輸送帶的傳送方向相反。
在上述的用于污泥干燥的風冷干化機構中,熱風輸送機構包括加熱器和鼓風機,其中加熱器連接風冷干化倉,鼓風機連接加熱器。
在上述的用于污泥干燥的風冷干化機構中,加熱器與風冷干化倉的連接處位于過濾機構下方。
在上述的用于污泥干燥的風冷干化機構中,所述的過濾機構包括位于風冷干化倉內的濾網。
在上述的用于污泥干燥的風冷干化機構中,所述的翻拋機構包括與風冷干化倉轉動連接的轉軸及與轉軸驅動連接的驅動器,所述的轉軸上設有若干翻拋斗。
在上述的用于污泥干燥的風冷干化機構中,所述的若干翻拋斗在轉軸上呈交錯設置,且翻拋斗呈勺狀。
與現有技術相比,本實用新型的優點在于:設計合理,干化效果好,工作效率高,易于推廣應用。



