申請日2016.05.27
公開(公告)日2016.08.31
IPC分類號C02F3/30; C02F3/34; C02F101/16
摘要
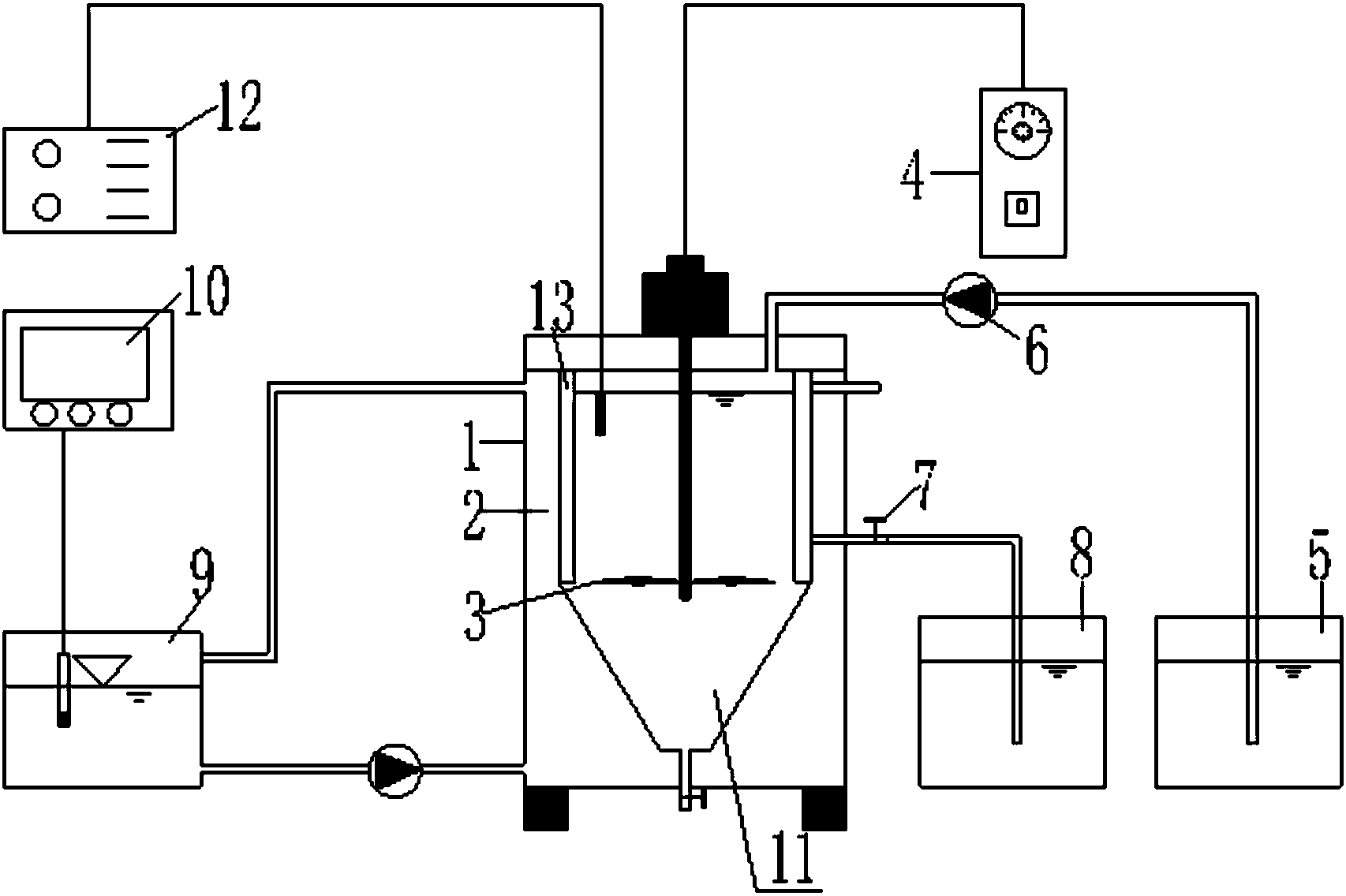
本發明公開了一種全程自養脫氮顆粒污泥的制備裝置,包括由內腔體和外腔體組成的反應器以及與反應器內腔體連通的進水箱和排水箱,還包括pH調節箱、調速電機和水浴鍋,pH調節箱的探測頭伸入反應器內腔體中,調速電機連接攪拌槳,攪拌槳伸入反應器內腔體中,水浴鍋通過管道與反應器外腔體形成循環回路;內腔體分為排水區和沉積區。本發明還公開了一種全程自養脫氮顆粒污泥的制備方法。本發明裝置采用機械曝氣,使混合液液面不斷更新與空氣接觸,有效增加了水中的溶解氧,形成大氣復氧來對反應器進行充氧,同時使廢水與污泥充分混合,具有極高的經濟性;本發明方法能夠快速形成外層好氧內層厭氧的顆粒污泥,且脫氮效率高達79.40%。
摘要附圖
權利要求書
1.一種全程自養脫氮顆粒污泥的制備裝置,其特征在于:包括由內腔體和外腔體組成的反應器以及與反應器內腔體連通的進水箱和排水箱,還包括pH調節箱、調速電機和水浴鍋,所述pH調節箱的探測頭伸入反應器內腔體中,所述調速電機連接攪拌槳,所述攪拌槳伸入反應器內腔體中,所述水浴鍋通過管道與反應器外腔體形成循環回路;所述內腔體縱向上依次分為排水區和沉積區。
2.根據權利要求1所述的全程自養脫氮顆粒污泥的制備裝置,其特征在于:還包括溫控器,所述溫控器的探測頭伸入水浴鍋中。
3.根據權利要求1所述的全程自養脫氮顆粒污泥的制備裝置,其特征在于:所述排水區呈圓柱形,所述沉積區呈圓錐形。
4.根據權利要求1所述的全程自養脫氮顆粒污泥的制備裝置,其特征在于:所述排水區內設有4個長方形擋板,4個擋板兩兩之間相互對稱設置。
5.一種全程自養脫氮顆粒污泥的制備方法,其特征在于,包括如下步驟:
步驟1,向反應器中接種一定量的Anammox污泥和市政好氧池污泥;
步驟2,通過進水泵將進水箱中的人工高氨氮廢水引入反應器中,采用pH調節箱調節進水的pH為7~8;通過溫控器調節反應器的水溫為30~32℃;
步驟3,啟動攪拌,反應一段時間后停止攪拌,將沉淀后的上清液排入排水箱中;
步驟4,多次重復步驟2~3的操作,重復過程中逐步增加攪拌速率;
步驟5,經過培養馴化后得到外層包覆有短程硝化菌的Anammox顆粒污泥。
6.根據權利要求5所述的全程自養脫氮顆粒污泥的制備方法,其特征在于:步驟1中,所述Anammox污泥接種量為0.5L,其濃度為4.005g/L;所述市政好氧池污泥接種量為0.5L,其污泥濃度為4.097g/L。
7.根據權利要求5所述的全程自養脫氮顆粒污泥的制備方法,其特征在于:步驟2中,所述人工高氨氮廢水的氨氮濃度為400mg/L。
8.根據權利要求5所述的全程自養脫氮顆粒污泥的制備方法,其特征在于:步驟3中,反應過程中往水中加入2.5g/L~3g/L的KHCO3。
9.根據權利要求5所述的全程自養脫氮顆粒污泥的制備方法,其特征在于:步驟3中,初始攪拌速度為40r/min。
10.根據權利要求5所述的全程自養脫氮顆粒污泥的制備方法,其特征在于:所述進水時間為20min,所述反應時間為23h,所述沉淀時間為20min,所述排水時間為20min。
說明書
一種全程自養脫氮顆粒污泥的制備裝置和制備方法
技術領域
本發明涉及一種機械曝氣式全程自養脫氮顆粒污泥的制備裝置,還涉及采用上述裝置制備全程自養脫氮顆粒污泥的方法,屬于城市污水處理與資源化領域。
背景技術
氮素含量是水質控制的重要指標。水體中的氮素含量會引起嚴重的富營養化,危害水生生態系統等。高氨氮廢水成分復雜,可生化性差,無法達標排放仍是水處理的難點。
高氨氮系統容易實現短程硝化,系統通過游離氨(FA)和游離亞硝酸(FNA)聯合抑制實現短程硝化。目前國內外對高氨氮廢水的處理研究主要是最經濟、高效的短程硝化與Anammox(厭氧氨氧化)聯合工藝。
全程自養脫氮工藝將短程硝化和Anammox結合,在單一反應器中實現,節省空間,全程自養脫氮工藝能耗降低了63%、碳源減少100%、污泥量減少90%,優勢巨大。隨之而來,全程自養脫氮工藝需要嚴格控制曝氣,保證部分短程硝化的效果,形成氨氮與亞硝氮約為1∶1的比例。
傳統的全程自養脫氮工藝均采用鼓風曝氣,胡石等人在中國環境科學2014,34(1):111-117期刊中發表的“一體化全程自養(CANON)工藝效能及污泥特性”一文中,在氨氮濃度梯度升高的條件下,通過控制DO等方式在一體化CSTR反應器中實現了一體化全程自養脫氮,試驗期間無亞硝態氮的積累,反應器后期在高氨氮進水下最高氨氮去除率84.4%,最高去除負荷0.42kg/(m3·d),最高總氮去除率72.0%,最高去除負荷0.35kg/(m3·d);李冬等在中國環境科學2015,35(1):72~79期刊中發表的“機械攪拌對CANON污泥快速顆粒化的影響”一文中,采用單純依靠曝氣的SBR反應器與曝氣和機械攪拌聯合的SBR反應器作對比,研究了不同控制方式對CANON污泥顆粒化影響,表明采用曝氣和機械攪拌的SBR更快實現顆粒化,且顆粒化期平均總氮去除率更高,為83.07%,平均總氮容積負荷為0.26kgN/m3·d,說明增加了攪拌作用,能快速實現CANON工藝啟動,提升脫氮效率。鼓風曝氣增大了能耗,且曝氣量很難控制,在經濟性上有待提高。因此一種采用機械曝氣式制備全程自養脫氮污泥顆粒的裝置和方法的開發很有必要。
發明內容
發明目的:本發明所要解決的技術問題是提供一種機械曝氣式全程自養脫氮顆粒污泥的制備裝置。
本發明還要解決的技術問題是提供采用上述機械曝氣式全程自養脫氮裝置制備脫氮顆粒污泥的方法。
為解決上述技術問題,本發明所采用的技術方案為:
一種全程自養脫氮顆粒污泥的制備裝置,包括由內腔體和外腔體組成的反應器以及與反應器內腔體連通的進水箱和排水箱,還包括pH調節箱、調速電機和水浴鍋,所述pH調節箱的探測頭伸入反應器內腔體中,所述調速電機連接攪拌槳,所述攪拌槳伸入反應器內腔體中,所述水浴鍋通過管道與反應器外腔體形成循環回路;所述內腔體縱向上依次分為排水區和沉積區。
其中,還包括溫控器,所述溫控器的探測頭伸入水浴鍋中。
其中,所述排水區呈圓柱形,所述沉積區呈圓錐形。
其中,所述排水區內設有4個長方形擋板,4個擋板兩兩之間相互對稱設置。
一種全程自養脫氮顆粒污泥的制備方法,包括如下步驟:
步驟1,向反應器中接種一定量的Anammox污泥和市政好氧池污泥;
步驟2,通過進水泵將進水箱中的人工高氨氮廢水引入反應器中,采用pH調節箱調節進水的pH為7~8;通過溫控器調節反應器的水溫為30~32℃;
步驟3,啟動攪拌,反應一段時間后停止攪拌,將沉淀后的上清液排入排水箱中;
步驟4,多次重復步驟2~3的操作,重復過程中逐步增加攪拌速率;
步驟5,經過培養馴化,得到外層包覆有短程硝化菌的Anammox顆粒污泥。
其中,步驟1中,所述Anammox污泥接種量為0.5L,其濃度為4.005g/L;所述市政好氧池污泥接種量為0.5L,其污泥濃度為4.097g/L。
其中,步驟2中,所述人工高氨氮廢水的氨氮濃度為400mg/L。
其中。步驟3中,反應過程中往水中加入2.5g/L~3g/L的KHCO3。
其中,步驟3中,初始攪拌速度為40r/min。
其中,所述進水時間為20min,所述反應時間為23h,所述沉淀時間為20min,所述排水時間為20min。
與現有技術相比,本發明技術方案具有的有益效果是:
首先,本發明裝置采用機械曝氣,使混合液液面不斷更新與空氣接觸,有效增加了水中的溶解氧,形成大氣復氧來對反應器進行充氧,同時使廢水與污泥充分混合,具有極高的經濟性;
其次,其實現了在機械曝氣條件下同一反應器內部分短程硝化和Anammox的同時進行,節省了空間和能耗;
最后,本發明的全程自養脫氮顆粒污泥制備方法能夠快速形成外層好氧內層厭氧的顆粒污泥,且脫氮效率高達79.40%。


