申請日2016.05.27
公開(公告)日2016.12.21
IPC分類號C02F5/00; C02F1/78
摘要
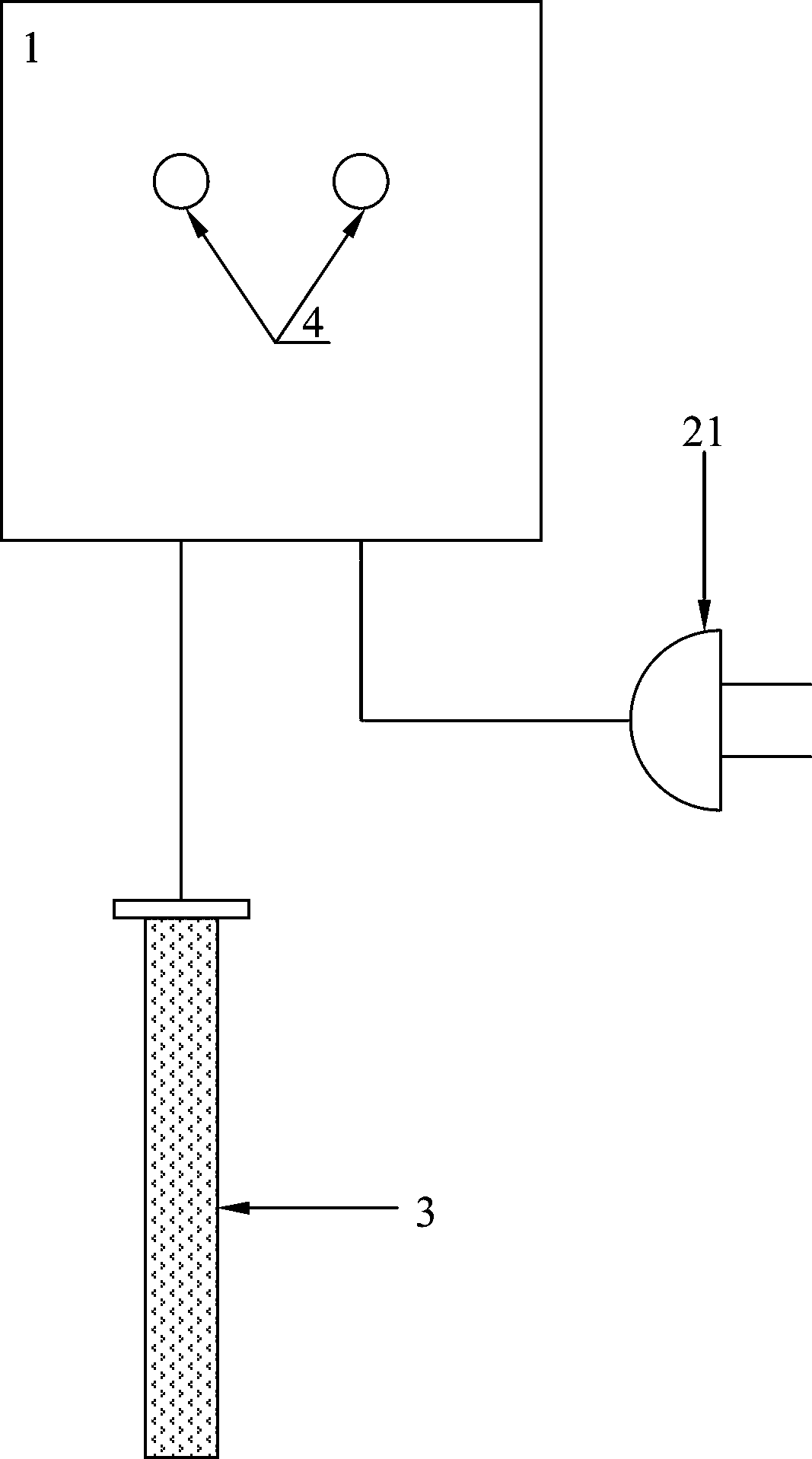
本實用新型涉及水的防垢或除垢領域,具體為一種用于循環水處理的高壓靜電凈化器。一種用于循環水處理的高壓靜電凈化器,包括電控箱(1),其特征是:還包括靜電發生器(2)和導電探頭(3),靜電發生器(2)設于電控箱(1)內,靜電發生器(2)包括依次電氣連接的電源插頭(21)、降壓單元(22)、整流濾波單元(23)、穩壓單元(24)、自激振蕩單元(25)、倍壓單元(26)和整流單元(27),整流單元(27)的直流輸出端連接導電探頭(3)。本實用新型結構簡單,使用方便,除垢徹底,安全環保,節水減排。
摘要附圖
權利要求書
1. 一種用于循環水處理的高壓靜電凈化器,包括電控箱(1),其特征是:還包括靜電發生器(2)和導電探頭(3),
靜電發生器(2)設于電控箱(1)內,靜電發生器(2)包括依次電氣連接的電源插頭(21)、降壓單元(22)、整流濾波單元(23)、穩壓單元(24)、自激振蕩單元(25)、倍壓單元(26)和整流單元(27),降壓單元(22)的初級線圈通過電源插頭(21)連接交流電源(20),降壓單元(22)的次級線圈連接整流濾波單元(23)的交流輸入端,整流濾波單元(23)的直流輸出端經穩壓單元(24)連接自激振蕩單元(25)的電源輸入端,自激振蕩單元(25)的高頻交流輸出端連接倍壓單元(26)的初級線圈,倍壓單元(26)的次級線圈連接整流單元(27)的交流輸入端,整流單元(27)的直流輸出端連接導電探頭(3)。
2. 如權利要求1所述的用于循環水處理的高壓靜電凈化器,其特征是:導電探頭(3)選用圓柱或圓臺;選用圓柱時,所述圓柱的高和底面直徑之比為5~10;選用圓臺時,所述圓臺的大圓底面直徑和小圓底面直徑之比為1.5~2,所述圓臺的高和小圓底面直徑之比為5~10。
3. 如權利要求1或2所述的用于循環水處理的高壓靜電凈化器,其特征是:還包括指示燈(4),指示燈(4)串聯在靜電發生器(2)的電源輸入端并嵌在電控箱(1)的箱板上。
4. 如權利要求3所述的用于循環水處理的高壓靜電凈化器,其特征是:整流單元(27)的直流輸出端輸出的直流電壓為15kV~25kV。
說明書
用于循環水處理的高壓靜電凈化器
技術領域
本實用新型涉及水的防垢或除垢領域,具體為一種用于循環水處理的高壓靜電凈化器。
背景技術
1. 工業用水的現狀
隨著我國工業的發展,淡水消耗量急速增加,在城市用水中,工業用水約占總用水量的60~80%,其中冷卻水用量占整個工業用水量的70~80%。據有關資料顯示我國的工業用水重復利用率平均為40~50%,我國城市工業萬元產值耗水量達340立方米,是發達國家的10~20倍。耗水量高,重復利用率低,是我國工業系統水資源利用的突出問題,因此,節約工業冷卻水,使有限的水源得到最大限度的利用,是工業領域節水工作的重中之重,而采用循環冷卻水技術是工業領域節水的主要方法。
2. 常規工業循環水處理方法與不足之處如下表所示:
綜上所述,傳統處置方法普遍存在對金屬管道的腐蝕嚴重、對水體的二次污染、濃縮比低(耗水)、垢片脫落堵塞管道等問題,這些問題不解決,影響生產、影響設備壽命,造成企業運行成本居高不下。
實用新型內容
為了克服現有技術的缺陷,提供一種結構簡單、使用方便、除垢徹底、安全環保、節水減排的除垢設備,本實用新型公開了一種用于循環水處理的高壓靜電凈化器。
本實用新型通過如下技術方案達到發明目的:
一種用于循環水處理的高壓靜電凈化器,包括電控箱,其特征是:還包括靜電發生器和導電探頭,
靜電發生器設于電控箱內,靜電發生器包括依次電氣連接的電源插頭、降壓單元、整流濾波單元、穩壓單元、自激振蕩單元、倍壓單元和整流單元,降壓單元的初級線圈通過電源插頭連接交流電源,降壓單元的次級線圈連接整流濾波單元的交流輸入端,整流濾波單元的直流輸出端經穩壓單元連接自激振蕩單元的電源輸入端,自激振蕩單元的高頻交流輸出端連接倍壓單元的初級線圈,倍壓單元的次級線圈連接整流單元的交流輸入端,整流單元的直流輸出端連接導電探頭。
所述的用于循環水處理的高壓靜電凈化器,其特征是:導電探頭選用圓柱或圓臺;選用圓柱時,所述圓柱的高和底面直徑之比為5~10;選用圓臺時,所述圓臺的大圓底面直徑和小圓底面直徑之比為1.5~2,所述圓臺的高和小圓底面直徑之比為5~10。
所述的用于循環水處理的高壓靜電凈化器,其特征是:還包括指示燈,指示燈串聯在靜電發生器的電源輸入端并嵌在電控箱的箱板上。
所述的用于循環水處理的高壓靜電凈化器,其特征是:整流單元的直流輸出端輸出的直流電壓為15kV~25kV。
本實用新型使用時,降壓單元、整流濾波單元和穩壓單元構成向自激振蕩單元提供能量的直流電源,外接交流電源經降壓、整流、濾波和穩壓后轉換成直流電源輸入自激振蕩單元,自激振蕩單元由振蕩線圈或集成電路構成,自激振蕩單元經自激振蕩產生頻率在5kHz~20kHz的高頻交變電,高頻交流電經倍壓單元升壓再經整流單元整流成15kV~25kV的直流電輸入導電探頭。將導電探頭插入水中,導電探頭在水中產生以自身為中心的以同心圓形式向外逐漸衰減的靜電場,輔之以在水中加入適量的表面活性劑和環保增效劑,通過靜電場可以達到如下效果:
1. 能有效阻止硬垢生成:水分子具有較強的極性,在自然狀態下水分子由于熱運動而呈無序排列,在高壓靜電場中,水分子因電荷的吸引和排斥會發生有規則的排列,從而將水體中的陽離子(如Ca2+、Mg2+等)、陰離子(如Cl-和SO42-等)包圍起來,阻止其化學反應的發生,并且在水分子和設備間形成電位差,束縛離子向設備聚集的能力,起到阻止結垢的作用。
2. 能有效去除系統中的硬垢:在高壓靜電場中水垢分子間的電子結合力能得到破壞,改變了其晶體結構,促使其疏松,并加大水分子的偶極距,增強與鹽類分子的水合能力,使水垢逐漸剝蝕、脫落。
3. 能在管壁上形成一層致密的氧化膜,同時提高整個水體的電位,使整個水體和整個系統產生電位差,應用陽極保護法的原理降低循環水對系統的腐蝕。
4. 能在循環水中產生臭氧,臭氧的殺菌速度比氯快600~3000倍,能夠有效殺滅水體中的細菌和藻類,并且阻止軟垢的生成。
本實用新型具有如下有益效果:
1. 易除垢:水體中的陽離子被形成偶極子的水分子包圍起來,阻止其化學反應的發生,水分子和設備間形成電位差,束縛離子向設備聚集的能力,起到阻止結垢的作用;
2. 殺菌滅藻:高壓靜電水處理器在循環水中產生的臭氧的殺菌速度比氯快得多,能夠有效殺滅水體中的細菌和藻類;
3. 清洗凈化同步完成:在工業冷卻循環水處理系統中,利用水電解原理,能使清洗和凈化過程同步完成,即環保、高效低成本,又可完全免除化學物品的使用,清除污垢,凈化水質;
4. 環保:純物理處理,水在循環水中不添加任何化學藥劑,不腐蝕管道,不造成二次水污染;
5. 節能:阻止結垢,除垢脫落處理,大幅度提高熱交換器效率;
6. 節水減排:無需排放換水,節約水資源,提高濃縮倍率;
7. 防腐及延長設備壽命:形成防腐氧化膜,有效預防腐蝕,延長設備使用壽命。


