申請日2013.08.27
公開(公告)日2015.01.07
IPC分類號C02F9/14
摘要
SBR短程硝化-SBBR厭氧氨氧化組合垃圾滲濾液生物脫氮裝置與方法屬于污水生物脫氮技術領域,適用于高氨氮低碳氮比(C/N)的廢水。本發明裝置設有SBR和SBBR。SBR反應器主要進行短程硝化反應,以下簡稱SBRSBNR,SBBR反應器主要進行厭氧氨氧化反應,以下簡稱SBBRANAMMOX。滲濾液原液首先與SBBRANAMMOX出水回流液混合后進入SBRSBNR進行反硝化,既可以稀釋滲濾液原液,又可以充分利用原水中的碳源去除出水中的部分硝態氮。然后SBRSBNR的出水再與滲濾液原液混合進入SBBRANAMMOX進行厭氧氨氧化-反硝化同步脫氮反應,實現氮和COD的同步去除。系統COD去除率為91%,TN 去除率大于97.5%, SBBRANAMMOX的總氮負荷為0.7 Kg TN/m3左右。
權利要求書
1.一種SBR短程硝化-SBBR厭氧氨氧化組合垃圾滲濾液生物脫氮方法,應 用如下裝置:
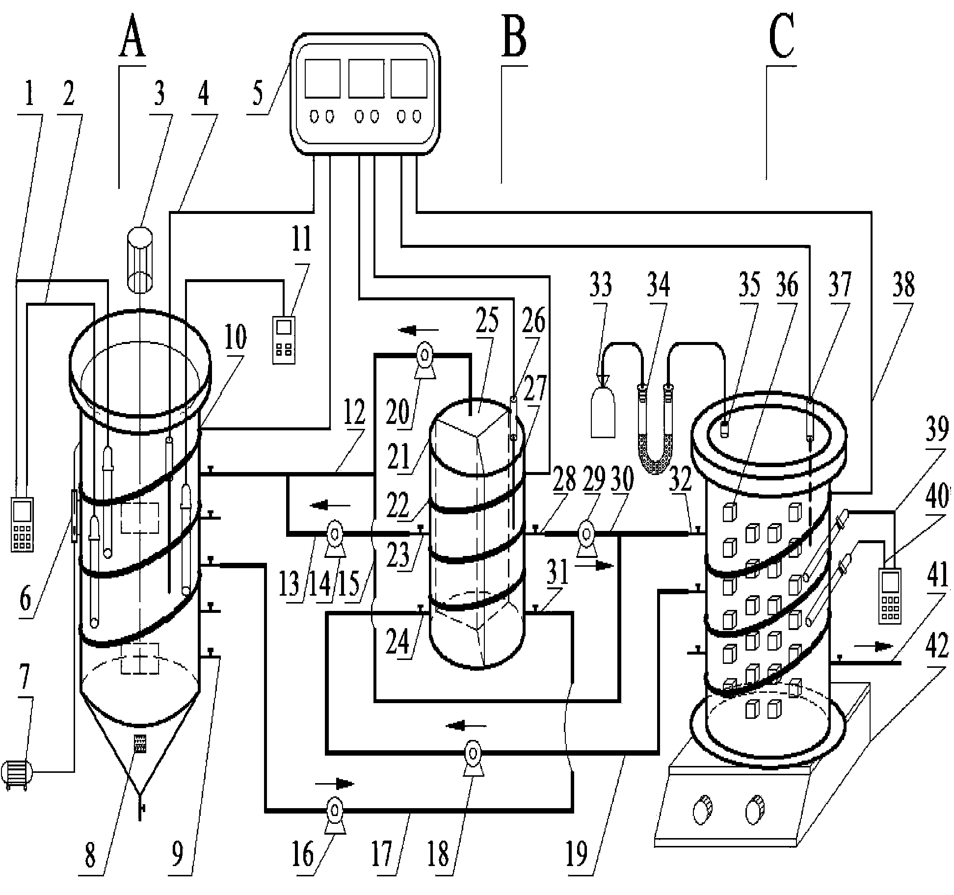
由SBRSBNR(A)、一體化水箱(B)、和SBBRANAMMOX(C)串聯而成;
SBRSBNR(A)自上而下設有第一取樣閥(9),機械攪拌裝置(3)和曝氣頭(8),曝 氣頭通過氣體流量計(6)與曝氣泵(7)相連;SBRSBNR(A)反應器內設置有第一溫度 傳感器(4),外圍設有第一控溫加熱帶(10),第一溫度傳感器(4)與溫控箱(5)相 連;SBRSBNR(A)反應器內配有DO儀(1)、第一pH儀(2)和第一ORP儀(11);
一體化水箱(B)設有垃圾滲濾液原水箱(25)、SBRSBNR出水箱(27)和 SBBRANAMMOX出水回流箱(21),分別設置有SBBRANAMMOX出水回流箱進水閥 (24)、SBBRANAMMOX出水回流箱出水閥和SBRSBNR出水箱進水閥(31)與SBRSBNR出水箱出水閥(28);一體化水箱(B)內設置有第二溫度傳感器(26),外圍設有第 二控溫加熱帶(22),第二溫度傳感器(26)與溫控箱(5)相連;
SBBRANAMMOX(C)自上而下設有第二取樣閥(32),內部填充有海綿填料(36), 配有第二ORP儀(39)、第二pH儀(40);反應器頂部設有排氣口(35),經過干燥 管(34)與集氣袋(33)相連;SBBRANAMMOX(C)反應器內設置有第三溫度傳感器(37), 外圍設有第三控溫加熱帶(38),有第三溫度傳感器(37)與溫控箱(5)相連,底部設 置有磁力攪拌儀(42);
一體化水箱的垃圾滲濾液原水箱(25)出水管通過垃圾滲濾液原水箱出水泵 (20)分別與SBRSBNR進水管(12)和SBBRANAMMOX進水管(15)相連,SBBRANAMMOX出水回流箱出水管(13)通過SBBRANAMMOX出水回流箱出水泵(14)也與SBRSBNR進水管(12)相連;SBRSBNR出水管(17)通過SBRSBNR出水泵(16)與SBRSBNR出水箱 進水閥(31)相連;SBRSBNR出水箱出水管(30)通過SBRSBNR出水箱出水泵(29)與 SBBRANAMMOX進水管(15)相連;SBBRANAMMOX出水回流管(19)通過SBBRANAMMOX出水回流泵(18)與SBBRANAMMOX出水回流箱(21)相連;系統出水通過 SBBRANAMMOX出水管(41)排出;
其特征在于,包括以下步驟:
(1)啟動SBRSBNR:SBRSBNR的接種污泥為城市污水處理廠的硝化污泥,以 城市垃圾填埋場晚期滲濾液為原液作為反應器進水;在反應過程中,控制反應溫 度為25℃,調節曝氣量來控制反應器中DO濃度為2mg/L,同時通過添加緩沖 劑調節pH在7~8.5之間;在啟動過程中,逐漸增加進水量,當反應器出水亞硝 酸積累率達到97%以上后,則可認為SBRSBNR啟動成功;
(2)啟動SBBRANAMMOX:以城市污水厭氧氨氧化反應器中的污泥為接種污 泥,投加到加了海綿填料的SBBRANAMMOX中,填充比為30%~50%;將SBRSBNR啟動成功后的出水與垃圾滲濾液混合后作為SBBRANAMMOX進水,保證進水混合 液中NH4+-N/NO2--N質量濃度比為1:1.2~1.4;通過加熱帶控制SBBRANAMMOX溫 度穩定在30℃,通過磁力攪拌儀進行厭氧攪拌;當生物膜掛膜成功且進水總氮 TN濃度達到450mg/L以上、反應器出水的NH4+-N與NO2--N濃度均小于10mg/L 后,表明厭氧氨氧化反應器啟動成功;
(3)SBRSBNR和SBBRANAMMOX分別完成啟動后,將兩反應器與一體化水箱串 聯運行,組成為SBR短程硝化-SBBR厭氧氨氧化組合垃圾滲濾液生物脫氮裝置:
①將一體化水箱中的垃圾滲濾液原水箱與SBBRANAMMOX出水回流箱的出水 管通過蠕動泵與SBRSBNR進水管相連,使垃圾滲濾液與SBBRANAMMOX出水回流 液以1:3.5~4.5的體積比混合注入SBRSBNR中;
②開啟SBRSBNR的溫控裝置和機械攪拌裝置進行反硝化反應,控制反應器溫 度為25℃;在此階段,觀察反應器中的氧化還原電位ORP和pH值的變化,當 ORP逐漸下降到出現平臺,pH值逐漸升高到不再變化時,表明反硝化結束; 此時關閉SBRSBNR的機械攪拌裝置,停止缺氧攪拌;
③開啟SBRSBNR的曝氣裝置和機械攪拌裝置進行短程硝化反應;在此階段, 觀察反應器中的ORP、pH值和DO濃度的變化,當ORP值逐漸增大到出現平 臺,pH值由逐漸降低轉變為逐漸升高且DO濃度增大到4mg/L以上時,表明硝 化反應結束,關閉氣泵和機械攪拌裝置,停止曝氣和攪拌;靜置沉淀后出水排入 一體化水箱中的SBRSBNR出水箱;
④將一體化水箱中的垃圾滲濾液原水箱與SBRSBNR出水箱的出水管通過蠕 動泵與SBBRANAMMOX進水管相連,使垃圾滲濾液與SBRSBNR出水混合后注入 SBBRANAMMOX中,保證混合液中NH4+-N/NO2--N質量濃度比為1:1.2~1.4;
⑤開啟SBBRANAMMOX的溫控裝置和磁力攪拌儀進行厭氧氨氧化-反硝化同步 脫氮反應,控制反應器溫度為30℃;反應結束后,把出水部分回流到 SBBRANAMMOX出水回流箱中;當SBBRANAMMOX總氮負荷高于0.5Kg TN/(m3·d), 并且系統出水總氮TN小于50mg/L后,系統完成了垃圾滲濾液的全程自養脫氮 過程。
說明書
SBR短程硝化-SBBR厭氧氨氧化組合垃圾滲濾液生物脫氮裝置與方法
技術領域
本發明屬于污水生物脫氮技術領域,適用于處理晚期垃圾滲濾液等氨氮濃度高而C/N 低的廢水。具體有以下技術特點:(1)通過回流適量SBBRANAMMOX出水至SBRSBNR中,利 用滲濾液中的有機碳源進行反硝化反應,在去除厭氧氨氧化反應器殘留硝氮的同時去除了 原水中的COD,同時還為硝化反應提供一定堿度;(2)通過動態控制來實現垃圾滲濾液短 程硝化反應;(3)通過生物膜系統實現厭氧氨氧化-反硝化同步反應,在脫氮的同時去除 COD。
背景技術
近年來,隨著我國城市發展加快,城市生活垃圾產量也不斷增加,衛生填埋法成了主 要的垃圾處理和處置方法。衛生填埋會產生填埋氣和滲濾液,其中滲濾液因水質水量變化 大、有機物和氨氮濃度高、營養元素比例失調等水質特點,使現有的垃圾滲濾液的處理方 法效率低且成本高。因此,需要提出更加經濟有效的脫氮裝置和方法。
傳統的生物脫氮工藝主要是由有機氮氨化、硝化和反硝化來實現的。在硝化階段, NH4+-N先在氨氧化菌(AOB)作用下轉化為NO2--N,然后在亞硝氧化菌(NOB)的作用下轉化 為NO3--N,此階段要消耗大量氧氣;在反硝化階段,反硝化菌以NO3--N為電子受體,有 機物作為電子供體,將硝氮轉化為氮氣完成生物脫氮,此階段需要消耗大量有機物。
對于高氨氮、低碳氮比(C/N比僅在1左右)的晚期垃圾滲濾液而言,因其有機碳源嚴重 不足,使得傳統生物脫氮效率只能達到10%左右,處理能耗大。近年來,為了提高垃圾滲 濾液的脫氮效率,很多新的生物脫氮技術應運而生,其中,短程硝化-厭氧氨氧化組合工藝 成了研究熱點之一。短程硝化技術,是將生物硝化過程控制在氨氧化階段,使NH4+-N在 轉化為NO2--N后不再轉變為NO3--N;厭氧氨氧化技術是將NH4+-N和NO2--N直接轉化為 氮氣的生物反應技術。而短程硝化-厭氧氨氧化組合工藝則結合了兩種技術的優點,相對于 傳統工藝來說,大大減少了耗氧量、不需要投加外碳源、剩余污泥產量少且提高了脫氮效 率。為維持短程硝化,必須降低亞硝酸鹽氧化速率,提高氨氧化速率,其影響因素包括: pH、溶解氧、溫度、污泥停留時間、游離氨(FA)和游離亞硝酸(FNA),其中FA是重要的 影響因素。FA對硝化反應速率的影響是通過AOB和NOB的選擇性抑制實現的。已有研 究表明,FA對NOB的抑制濃度為0.1~1.0mg·L-1,對AOB的抑制濃度為10~150mg·L-1。 而因垃圾滲濾液氨氮濃度很高,從而使得通過控制FA濃度實現短程硝化的可行性很高, 但短程硝化-厭氧氨氧化組合工藝在處理垃圾滲濾液時仍有很多技術難點:(1)短程硝化結 束時間難以控制,過曝氣不但浪費能源,還會破壞短程效果;(2)厭氧氨氧化菌倍增時間長 (11~14天),細胞產率低,導致厭氧氨氧化工藝啟動時間長,且對環境條件敏感,難以穩定 運行;(3)厭氧氨氧化反應所需NH4+-N與NO2--N比例為1:1.32,通常有兩種方法實現:一 是半短程,即在短程硝化反應進行到NH4+-N/NO2--N比為1:1.32時,停止曝氣攪拌,但由 于垃圾滲濾液水質波動較大,半短程極難控制;二是全短程,即使反應器中的NH4+-N完 全硝化成為NO2--N,再與滲濾液原液混合,使混合液中NH4+-N/NO2--N比例為1:1.32,但 由于垃圾滲濾液往往堿度不夠,使得滲濾液中的NH4+-N難以完全短程硝化為NO2--N。(4) 厭氧氨氧化反應會產生一定量的硝態氮,從而導致出水總氮相對較高。
SBBR反應器是通過在SBR反應器中引入生物膜而形成的一種改良工藝。SBBR工藝 用于培養厭氧氨氧化菌有以下優點:(1)生物膜系統具有較長的污泥停留時間,適合于培養 生長速率較慢的厭氧氨氧化菌;(2)生物膜系統中菌種繁多,反硝化菌和厭氧氨氧化菌互利 共生,能為厭氧氨氧化菌提供良好的厭氧環境:生物膜表層生長的反硝化菌可利用水中的 COD進行反硝化反應,并為生長于里層的厭氧氨氧化菌提供一定量的NO2--N;(3)生物膜 系統具有良好的耐沖擊性能,有利于厭氧氨氧化反應器的長期穩定運行。
發明內容
本發明的目的是為了解決上述問題,提供了一種垃圾滲濾液短程硝化-厭氧氨氧化生物 脫氮的裝置與方法,解決垃圾滲濾液因高氨氮、低C/N比難處理的問題,并解決了垃圾滲 濾液實現全短程時堿度不足以及厭氧氨氧化處理出水中殘留硝態氮較高的問題,提高了TN 去除率。
本發明的技術方案,SBR短程硝化-SBBR厭氧氨氧化組合垃圾滲濾液脫氮裝置與方法, 其特征在于:
一種SBR短程硝化-SBBR厭氧氨氧化組合垃圾滲濾液脫氮裝置,其特征在于:
如圖1所示,整個組合裝置由SBRSBNRA、一體化水箱B、和SBBRANAMMOXC串聯而 成;
SBRSBNRA至上而下設有第一取樣閥9,機械攪拌裝置3和曝氣頭8,曝氣頭通過氣體 流量計6與曝氣泵7相連;反應器內設置有第一溫度傳感器4,外圍第一控溫加熱帶10, 與溫控箱5相連;配有DO儀1、第一pH儀2和第一ORP儀11;
一體化水箱B設有垃圾滲濾液原水箱25、SBRSBNR出水箱27和SBBRANAMMOX出水回 流箱21,分別設置有SBBRANAMMOX出水回流箱進水閥24、SBBRANAMMOX出水回流箱出水 閥和SBRSBNR出水箱進水閥31與SBRSBNR出水箱出水閥28;水箱內設置有第二溫度傳感 器26,外圍第二控溫加熱帶22,與溫控箱5相連;
SBBRANAMMOXC至上而下設有第二取樣閥32,內部填充有海綿填料36,配有第二ORP 儀39、第二pH儀40;反應器頂部設有排氣口35,經過干燥管34與集氣袋33相連;內設 置有第三溫度傳感器37,外圍第三控溫加熱帶38,與溫控箱5相連,底部設置有磁力攪 拌儀42;
一體化水箱的垃圾滲濾液原水箱25出水管通過垃圾滲濾液原水箱出水泵20分別與 SBRSBNR進水管12和SBBRANAMMOX進水管15相連,SBBRANAMMOX出水回流箱出水管13 通過SBBRANAMMOX出水回流箱出水泵14也與SBRSBNR進水管12相連;SBRSBNR出水管 17通過SBRSBNR出水泵16與SBRSBNR出水箱進水閥31相連;SBRSBNR出水箱出水管30 通過SBRSBNR出水箱出水泵29與SBBRANAMMOX進水管15相連;SBBRANAMMOX出水回流 管19通過SBBRANAMMOX出水回流泵18與SBBRANAMMOX出水回流箱21相連;系統出水 通過SBBRANAMMOX出水管41排出。
根據以上述裝置,實現晚期垃圾滲濾液的脫氮處理方法,包括以下步驟:
(1)啟動SBRSBNR:SBRSBNR的接種污泥為城市污水處理廠的硝化污泥,以城市垃圾填 埋場晚期滲濾液為原液作為反應器進水。在反應過程中,控制反應溫度為25℃,調節曝氣 量來控制反應器中DO濃度為2mg/L,同時通過添加緩沖劑調節pH在7~8.5之間。在啟動 過程中,逐漸增加進水量,保證反應器中的FA濃度高于NOB的抑制濃度而不抑制AOB, 同時控制反應時間與反應器運行周期,當反應器出水亞硝酸積累率達到97%以上后,則可 認為SBRSBNR啟動成功。
(2)啟動SBBRANAMMOX:以城市污水厭氧氨氧化反應器中的污泥為接種污泥,投加到 加了海綿填料的SBBRANAMMOX中,填充比為30%~50%。將SBRSBNR啟動成功后的出水與 垃圾滲濾液混合后作為SBBRANAMMOX進水,保證進水混合液中NH4+-N/NO2--N質量濃度 比為1:1.2~1.4。通過加熱帶控制SBBRANAMMOX溫度穩定在30℃,通過磁力攪拌儀進行厭 氧攪拌。當生物膜掛膜成功且進水總氮TN濃度達到450mg/L以上、反應器出水的NH4+-N 與NO2--N濃度均小于10mg/L后,表明厭氧氨氧化反應器啟動成功。
(3)SBRSBNR和SBBRANAMMOX分別完成啟動后,將兩反應器與一體化水箱串聯運行, 組成為SBR短程硝化-SBBR厭氧氨氧化組合垃圾滲濾液生物脫氮裝置:
①將一體化水箱中的垃圾滲濾液原水箱與SBBRANAMMOX出水回流箱的出水管通過蠕 動泵與SBRSBNR進水管相連,使垃圾滲濾液與SBBRANAMMOX出水回流液以1:3.5~4.5的體 積比混合注入SBRSBNR中,保證滲濾液原液中的有機碳源能在反硝化階段全部去除,且FA 濃度高于NOB的抑制濃度而不抑制AOB。
②開啟SBRSBNR的機械攪拌裝置,從而利用原滲濾液中的碳源進行反硝化反應。這樣 既去除了滲濾液中的COD,也能去除SBBRANAMMOX出水中的殘留NO3--N及SBRSBNR中 未排出的NO2--N,在提高了TN去除率的同時,也為后續的短程硝化反應補充了一定量的 堿度,利于實現全短程。開啟SBRSBNR的溫控裝置,使反應器溫度為25℃。在此階段,通 過觀察反應器中的ORP和pH值的變化來判定反硝化終點。當ORP逐漸下降到出現平臺, pH值逐漸升高到不再變化時,表明反硝化結束。此時關閉SBRSBNR的機械攪拌裝置,停 止缺氧攪拌。
③開啟SBRSBNR的曝氣裝置和機械攪拌裝置進行短程硝化反應。在此階段,通過觀察 反應器中的ORP、pH值和DO濃度的變化來判定硝化終點。隨著硝化反應時間增加,pH 值因產酸而逐漸降低,DO濃度緩慢增加,ORP值逐漸增大。當NH4+-N被消耗完時,NO2--N 濃度達到最大值,pH因吹脫作用而增大,DO濃度因反應結束而迅速增加到4mg/L以上, 同時ORP值也出現平臺不再增大。此時表明硝化反應結束,關閉氣泵和機械攪拌裝置,停 止曝氣和攪拌。靜置沉淀后出水排入一體化水箱中的SBRSBNR出水箱。
④將一體化水箱中的垃圾滲濾液原水箱與SBRSBNR出水箱的出水管通過蠕動泵與 SBBRANAMMOX進水管相連,使垃圾滲濾液與SBRSBNR出水混合后注入SBBRANAMMOX中, 保證混合液中NH4+-N/NO2--N質量濃度比為1:1.2~1.4。
⑤開啟SBBRANAMMOX的溫控裝置和磁力攪拌儀進行反應,控制反應器溫度為30℃。 因生物膜系統中反硝化菌與厭氧氨氧化菌同時存在,所以系統中存在反硝化反應和厭氧氨 氧化反應。反應結束后,把出水部分回流到SBBRANAMMOX出水回流箱中。當SBBRANAMMOX總氮負荷高于0.5Kg TN/(m3d),并且系統出水中總氮TN小于50mg/L N后,系統完成 了垃圾滲濾液的全程自養脫氮過程。
本發明SBR短程硝化-SBBR厭氧氨氧化組合垃圾滲濾液脫氮工藝的機理:SBRSBNR先后經過了反硝化和短程硝化兩個階段,在反硝化階段,由于厭氧氨氧化反應器出水回流, 使得滲濾液原液得到稀釋,且同時去除了原液中的有機物、SBBRANAMMOX出水中的NO3--N 及SBRSBNR中未排出的NO2--N,在提高了TN去除率的同時,也為后續的短程硝化反應補 充了一定量的堿度,保證短程硝化反應完全進行。在硝化階段,由于垃圾滲濾液中的FA 和FNA對NOB的抑制作用,使得NO2--N大量積累,實現短程硝化,為之后的厭氧氨氧 化反應做準備。在SBBRANAMMOX中,因生物膜系統中菌種繁多,反硝化菌和厭氧氨氧化 菌互利共生,使得反應系統能同時進行反硝化和厭氧氨氧化反應,SBRSBNR出水與滲濾液 原液混合,使得混合液中含有COD、NH4+-N和NO2--N,滿足厭氧氨氧化反應的條件。
本發明的有益效果在于:
(1)短程硝化-厭氧氨氧化組合脫氮工藝,有別于傳統的硝化-反硝化脫氮工藝,無需投 加外加碳源,縮短了曝氣時間和反應時間,減少了剩余污泥產量,大大節省了能耗及運行 費用。
(2)本發明在運行過程中,直接通過回流水稀釋原液來保證FA濃度,不需要外加水稀 釋,且不需添加其他藥劑,進一步節省了運行費用,流程簡單,易于管理。
(3)SBRSBNR中先反硝化,同時去除了原液中的有機物、SBBRANAMMOX出水中的NO3--N 及SBRSBNR中部分未排出的NO2--N,提高了總氮去除率,同時還為后續的短程硝化反應補 充了一定量的堿度。
(4)通過動態控制來實現垃圾滲濾液短程硝化反應,在線監測ORP、pH值和DO濃度 的變化值,能快速了解反硝化和硝化反應的結束時間,節省了能耗,同時能確保維持較高 的亞硝積累率。
(5)用序批式生物膜反應器培養厭氧氨氧化菌,縮短了厭氧氨氧化反應器的啟動時間; 生物量高,提高了處理效率,且剩余污泥產量少;受外界環境及水質變化的影響小,有利 于長期穩定運行。
(6)生物膜系統中菌種繁多,反硝化菌和厭氧氨氧化菌互利共生,能為厭氧氨氧化菌提 供一個良好的厭氧環境。反硝化菌可以利用滲濾液原液中的COD,去除厭氧氨氧化反應產 生的NO3--N。







