公布日:2023.12.01
申請日:2023.09.11
分類號:C02F9/00(2023.01)I;C02F1/00(2023.01)N;C02F1/28(2023.01)N;C02F1/42(2023.01)N;C02F1/66(2023.01)N;C02F1/461(2023.01)N;C02F101/20(2006.01)N;
C02F101/22(2006.01)N;C02F103/10(2006.01)N
摘要
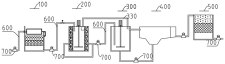
本發明公開了一種礦山重金屬廢水的處理系統和處理方法,屬于廢水處理技術領域。本發明提供的處理系統包括經由管道依次連接的預處理單元、吸附單元、中和單元、沉淀池和離子交換單元;吸附單元包括吸附池、導電網和過濾網;導電網將吸附池的內部空間隔為導電網內部區間和導電網外部區間;過濾網將導電網內部區間隔為濾網內部區間和濾網外部區間;導電網內部區間中填充有木屑;導電網外部區間填充有活性炭;導電網和電源陰極連接;處理系統還設有自中和單元至濾網內部區間導通的中和單元回流管道;中和單元中填充有石灰石。由此提升了重金屬離子的去除比例。本發明還提供了采用上述處理系統實施的處理方法。

權利要求書
1.一種礦山重金屬廢水的處理系統,其特征在于,所述處理系統包括經由管道依次連接的預處理單元、吸附單元、中和單元、沉淀池和離子交換單元;所述吸附單元包括吸附池、導電網和過濾網;所述導電網將所述吸附池的內部空間隔為導電網內部區間和導電網外部區間;所述過濾網將所述導電網內部區間隔為濾網內部區間和濾網外部區間;所述導電網內部區間中填充有木屑;所述導電網外部區間填充有活性炭;所述導電網和電源陰極連接;所述吸附池的池壁和電源陽極連接;所述處理系統還設有自所述中和單元至所述濾網內部區間導通的中和單元回流管道;所述中和單元中填充有石灰石。
2.根據權利要求1所述的處理系統,其特征在于,所述預處理單元包括依次導通的過濾器、無煙煤濾層和石英砂濾層。
3.根據權利要求2所述的處理系統,其特征在于,所述過濾器為旋轉過濾器;和/或,所述過濾器的網孔孔徑為0.2~0.3mm。
4.根據權利要求1所述的處理系統,其特征在于,所述沉淀池包括平流式沉淀池。
5.根據權利要求4所述的處理系統,其特征在于,所述處理系統包括自所述沉淀池底部向所述中和單元回流的沉淀池回流管道。
6.根據權利要求1所述的處理系統,其特征在于,所述離子交換單元包括依次導通的沸石層和磺化煤層。
7.根據權利要求1~6任一項所述的處理系統,其特征在于,所述導電網內部區間設有吸附單元攪拌裝置;和/或,所述中和單元設有中和單元攪拌裝置。
8.一種采用如權利要求1~7任一項所述處理系統實施的礦山重金屬廢水的處理方法,其特征在于,所述處理方法包括使所述礦山重金屬廢水依次通過所述預處理單元、吸附單元、中和單元、沉淀池和離子交換單元;過程中,所述中和單元中的部分混合物回流至所述吸附單元的濾網中。
9.根據權利要求8所述的處理方法,其特征在于,所述中和單元向所述吸附單元的回流比為5~10%。
10.根據權利要求8或9所述的處理方法,其特征在于,所述礦山重金屬廢水的pH為2.5~4.5;和/或,所述礦山重金屬廢水中,重金屬離子包括Cu2+、Zn2+、Pb2+、Cd2+、Hg2+、Ni2+、Cr3+、Cr6+、Fe2+、Fe3+、Al3+、Mn2+、Co2+、Mo2+、Mo6+、V3+、V5+和Ti4+中的至少一種。
發明內容
本發明旨在至少解決現有技術中存在的技術問題之一。為此,本發明提出一種礦山重金屬廢水的處理系統,能夠縮小處理系統的占地面積、提升處理效率和效果。
本發明還提供了采用所述處理系統實施的處理方法。
根據本發明第一方面的實施例,提供了一種礦山重金屬廢水的處理系統,所述處理系統包括經由管道依次連接的預處理單元、吸附單元、中和單元、沉淀池和離子交換單元;
所述吸附單元包括吸附池、導電網和過濾網;所述導電網將所述吸附池的內部空間隔為導電網內部區間和導電網外部區間;所述過濾網將所述導電網內部區間隔為濾網內部區間和濾網外部區間;所述導電網內部區間中填充有木屑;所述導電網外部區間填充有活性炭;所述導電網和電源陰極連接;
所述處理系統還設有自所述中和單元至所述濾網內部區間導通的中和單元回流管道;
所述中和單元中填充有石灰石。
根據本發明實施例的處理系統,至少具有如下有益效果:
礦山重金屬廢水通常是酸性的,酸性環境對土壤等都有負面影響,因此有技術嘗試添加堿,但是堿的量難以確定。本發明在中和單元中添加石灰石,其可調節所得液體的pH至8~9,且未被反應的石灰石可在沉淀池中分離出來,不會對所得液體進行二次污染。
重金屬離子在酸性環境中是以離子形式存在的,容易遷移;本發明將中和單元中的混合物部分回流至吸附單元的濾網內部區間,由此一方面可以在調整吸附單元內混合物pH的基礎上,避免石灰石堵塞導電網內部區間和導電網外部區間的填料孔結構(孔結構是重金屬離子吸附的重要位點);另一方面,在電解還原重金屬離子的過程中,液體的酸性會進一步增加,本申請如此調節酸堿性,還避免了被還原固定的重金屬離子再次被溶解。更進一步的,導電網連接陽極,由此流出所述吸附單元的重金屬廢水必須經過電處理,過程中生成的單質成分,可被所述活性碳固定;未被電解還原的重金屬離子還可以被木屑和活性炭吸附固定。
綜上,本發明提供的處理系統中,吸附單元和中和單元協同,吸附單元的內部結構之間協同,共同降低了所述中和單元出水中重金屬離子的含量,且其pH為近中性,更適合使用或者排放。
根據本發明的一些實施例,所述預處理單元包括依次導通的過濾器、無煙煤濾層和石英砂濾層。由此相當于三層過濾,可基本去除所述礦山重金屬廢水中的不溶物,例如泥沙等,可增強后續單元的處理效果。
根據本發明的一些實施例,所述過濾器為旋轉過濾器。
所述預處理單元的側壁上設有至少一個電動旋轉軸。所述旋轉過濾器通過所述電動旋轉軸固定于所述預處理單元的側壁上,并由其帶動旋轉;進一步的,可以是勻速旋轉。由此能充分利用過濾器的網孔進行過濾,防止單向過濾堵塞帶來的不便,網孔使用效率得到提升,最終提高了所述預處理單元的處理效率。
根據本發明的一些實施例,所述預處理單元還包括預處理單元進水口。
所述預處理單元進水口和所述過濾器連通。
根據本發明的一些實施例,所述過濾器的網孔孔徑為0.2~0.3mm。例如具體可以是約0.25mm。
根據本發明的一些實施例,所述過濾器的材質包括不銹鋼。具體型號可以是SUS304不銹鋼。
根據本發明的一些實施例,所述無煙煤濾層中,無煙煤的DV50為1.1~1.6mm。例如具體可以是約1.2mm。
根據本發明的一些實施例,所述無煙煤濾層中,無煙煤的不均勻系數為1.25~1.35。例如具體可以是約1.2。
若無特殊說明,本發明中,不均勻系數的定義為DV90和DV10之差和DV50的比值。
根據本發明的一些實施例,所述石英砂濾層中,石英砂的DV50為0.5~0.7mm。例如具體可以是約0.55mm。
根據本發明的一些實施例,所述石英砂濾層中,石英砂的不均勻系數為1.15~1.25。例如具體可以是約1.2。
根據本發明的一些實施例,所述無煙煤濾層和石英砂濾層之間設有無煙煤承托板。
根據本發明的一些實施例,所述無煙煤承托板上設有孔。其中,孔的孔徑為1~1.5mm。例如具體可以是約1.15mm。該孔徑不小于所述無煙煤的DV50。由此可避免所述無煙煤濾層和所述石英砂濾層之間互混,且可確保水通過。所述無煙煤承托板的材質包括不銹鋼。
根據本發明的一些實施例,所述預處理單元還包括預處理單元集水區。用于存放所述石英砂濾層得到的中間水相。
根據本發明的一些實施例,所述石英砂濾層下設有石英砂承托板。由此可確保所述預處理單元集水區中不含有固相,方便中間液相的轉移。
根據本發明的一些實施例,所述石英砂承托板上設有孔?椎目讖綖0.4~0.6mm。例如具體可以是約0.5mm。該孔徑不小于所述石英砂的DV50。所述石英砂承托板的材質包括不銹鋼。
根據本發明的一些實施例,所述預處理單元還包括預處理單元出水口。所述預處理單元出水口和所述預處理單元集水區連通。由此,可將所述預處理單元中過濾后的廢水,轉移至所述吸附單元中。
根據本發明的一些實施例,所述預處理單元為筒式預處理單元和箱式預處理單元中的至少一種。
根據本發明的一些實施例,所述預處理單元中各結構垂直設置(重力學方向),即自上而下依次是所述過濾器、無煙煤濾層、無煙煤承托板、石英砂濾層、石英砂承托板和預處理單元集水區。由此可依靠重力實現預處理,減少了能量消耗,且可最大程度實現所述礦山重金屬廢水和各級過濾層的充分接觸,提升過濾效率。
根據本發明的一些實施例,所述吸附單元為圓柱式吸附單元。
根據本發明的一些實施例,所述導電網中,網孔的孔徑為0.4~0.6mm。例如具體可以是約0.5mm。
根據本發明的一些實施例,所述木屑的DV50為0.6~1.2mm。不小于所述導電網的網孔。例如具體可以是約0.8mm。
根據本發明的一些實施例,所述木屑的不均勻系數為1.0~1.2。例如具體可以是約1.1。
根據本發明的一些實施例,所述活性炭的DV50為1.5~15mm。例如具體可以是約5mm。
根據本發明的一些實施例,所述活性炭的不均勻系數為1.0~1.2。例如具體可以是約1.1。
根據本發明的一些實施例,所述導電網內部區間(濾網外部區間)設有吸附單元攪拌裝置。
根據本發明的一些實施例,所述吸附單元攪拌裝置包括攪拌軸和槳葉。所述攪拌軸和槳葉的材質包括不銹鋼。例如具體可以是SUS304不銹鋼。
根據本發明的一些實施例,所述導電網的材質包括不銹鋼。
根據本發明的一些實施例,所述吸附池的池壁和陽極連通。
根據本發明的一些實施例,所述吸附單元包括吸附單元進水口。所述吸附單元進水口設于所述吸附池上。具體可以設于所述吸附池的頂部。進一步具體的,所述吸附單元的進水口與所述濾網外部區間連通。
根據本發明的一些實施例,所述吸附單元包括吸附單元出水口。所述吸附單元出水口設于所述吸附池上。具體可以設于所述吸附池接近底部的位置。
所述吸附單元進水口和吸附單元出水口的設置位置,可確保來自所述預處理單元中的廢水和所述吸附單元中的所有部分均勻接觸,提升對重金屬離子的吸附、固定效率。
根據本發明的一些實施例,所述吸附單元出水口的個數≥2個。且均勻分布在所述吸附池的側壁,靠近底的位置。由于所述吸附單元是圓形的,所述吸附單元出水口的設置位置在一定程度上會引導其中水流的方向;本發明設置多個吸附單元出水口,可充分利用所述導電網外部區間中填料的吸附、固定作用,提升所述礦山重金屬廢水中重金屬的去除效率。
根據本發明的一些實施例,所述吸附單元出水口的個數為4個。4個吸附單元出水口流出的廢水集合后轉移至所述中和單元中。
根據本發明的一些實施例,所述石灰石的DV50為0.15~0.25mm。例如具體可以是約0.2mm。該粒徑范圍內的石灰石,比表面積大,大大提高石灰石與污染因子的接觸反應,提高反應效率,并通過所述沉淀池回流管道,將未完全反應的石灰石粉末重新進行循環反應,降低藥劑使用量,降低運行成本。
根據本發明的一些實施例,所述石灰石的不均勻系數為1.0~1.2。例如具體可以是約1.1。
根據本發明的一些實施例,所述中和單元設有中和單元攪拌裝置。
根據本發明的一些實施例,所述中和單元攪拌裝置包括攪拌軸和槳葉。其材質包括不銹鋼。例如具體可以是SUS304不銹鋼。
根據本發明的一些實施例,所述中和單元包括中和反應池。
根據本發明的一些實施例,所述中和單元包括中和單元進水口。所述中和單元進水口設于所述中和反應池上,具體設于所述中和反應池頂端。進一步具體的,所述中和單元進水口的導管伸入所述中和反應池中下部的位置。由于中和反應池中填充有石灰石,其比重大于水,因此,本發明中和單元進水口的設置位置有利于提升所述中和單元中物料的傳質速度。
根據本發明的一些實施例所述中和單元包括中和單元出水口。所述中和單元出水口設于所述中和反應池上。具體設于所述中和反應池側壁接近頂端位置。由此,所述中和單元的出水,相當于所述中和單元的溢流,其中固體石灰石的比例較低,降低了所述沉淀池的負擔。
根據本發明的一些實施例,所述中和單元回流管道和所述中和單元連通位點位于所述中和單元出水口附近。
根據本發明的一些實施例,所述中和單元為圓柱式中和單元。由此方便攪拌等傳質手段的實施。
根據本發明的一些實施例,所述處理系統包括自所述沉淀池底部向所述中和單元回流的沉淀池回流管道。所述沉淀池回流管道和所述中和單元的連接位點位于所述中和反應池底部。
根據本發明的一些實施例,所述沉淀池包括平流式沉淀池。
根據本發明的一些實施例,所述沉淀池包括沉淀池壁。所述沉淀池壁內部空間被分割成沉淀池集水區和沉淀區。所述沉淀池回流管道和所述沉淀區底部連通。
根據本發明的一些實施例,所述沉淀池設有沉淀池進水口。所述沉淀池進水口和所述沉淀區連通。為避免所述沉淀池進水口輸入的廢水對所述沉淀區的沉淀過程產生嚴重影響,所述沉淀池進水口設于所述沉淀池壁的側壁接近頂端位置。
根據本發明的一些實施例,所述沉淀池設有沉淀池出水口。所述沉淀池出水口和所述沉淀池集水區連通。
根據本發明的一些實施例,所述離子交換單元包括依次導通的沸石層和磺化煤層。其中,沸石層中的鈉離子以及磺化煤層中的氫離子可以和廢水中的重金屬離子發生離子交換,去除殘留的微量的重金屬離子。
根據本發明的一些實施例,所述沸石層的交換容量≥300mmol/L。
根據本發明的一些實施例,所述沸石層中,沸石的DV10≥0.5mm。
根據本發明的一些實施例,所述沸石層中,沸石的DV90≤1.2mm。
即所述0.5~1.2mm的沸石,占所有沸石的體積百分數≥80%。
根據本發明的一些實施例,所述沸石層和所述磺化煤層之間設有沸石承托板。
根據本發明的一些實施例,所述沸石承托板上設有孔,其孔徑為0.45~0.55mm。例如具體可以是約0.5mm。
根據本發明的一些實施例,所述磺化煤層的交換容量≥250mmol/L。
根據本發明的一些實施例,所述磺化煤層中,磺化煤的DV10≥0.5mm。
根據本發明的一些實施例,所述磺化煤層中,磺化煤的DV90≤1.2mm。
即所述0.5~1.2mm的磺化煤,占所有磺化煤的體積百分數≥80%。
根據本發明的一些實施例,所述離子交換單元還包括離子交換單元集水區。所述磺化煤層和所述離子交換單元集水區之間設有磺化煤承托板。
根據本發明的一些實施例,所述磺化煤承托板上設有孔,其孔徑為0.45~0.55mm。例如具體可以是約0.5mm。
根據本發明的一些實施例,所述離子交換單元包括離子交換單元的側壁。
根據本發明的一些實施例,所述離子交換單元包括離子交換單元進水口。所述離子交換單元進水口設于所述離子交換單元的側壁靠近頂部的位置。
根據本發明的一些實施例,所述離子交換單元包括離子交換單元出水口。所述離子交換單元出水口設于所述離子交換單元的側壁靠近底部的位置;進一步具體的可以是和所述離子交換單元集水區連通。由此,來自所述沉淀池中的廢水,可通過所述離子交換單元的所有層,充分去除殘留的重金屬離子。
根據本發明的一些實施例,所述離子交換單元包括自上而下(重力方向)設置的:沸石層、沸石承托板、磺化煤層、磺化煤承托板和離子交換單元集水區。
所述處理系統中,各單元的填料包括無煙煤、石英砂、鋸屑(木屑)、沸石和磺化煤等,都是廉價易得的,降低了系統整體成本,具有較好的經濟效應。
根據本發明的一些實施例,所述管道上設有水泵,以實現所述處理系統中,各單元之間的物料轉移。
根據本發明第二方面的實施例,提供了一種采用所述處理系統實施的礦山重金屬廢水的處理方法,所述處理方法包括使所述礦山重金屬廢水依次通過所述預處理單元、吸附單元、中和單元、沉淀池和離子交換單元;過程中,所述中和單元中的部分混合物回流至所述吸附單元的濾網中。
根據本發明提供的處理方法,至少具有以下有益效果:
本發明提供的制備方法中,除石灰石外不需要添加其他的化學試劑,且過程中可以自動運轉,幾乎不需要人工參與即可實現連續工作,具有操作簡單、效率高、成本低、藥劑利用率高等優點。此外,本發明采用的處理系統可連續運行,與礦山產生的重金屬廢水連續產生需要連續處理相契合,更好的符合現場實際需要。
根據本發明的一些實施例,所述礦山重金屬廢水的pH為2.5~4.5。例如具體可以是約3.8。
根據本發明的一些實施例,所述礦山重金屬廢水中,重金屬離子包括Cu2+、Zn2+、Pb2+、Cd2+、Hg2+、Ni2+、Cr3+、Cr6+、Fe2+、Fe3+、Al3+、Mn2+、Co2+、Mo2+、Mo6+、V3+、V5+和Ti4+中的至少一種。其重金屬離子的濃度之和≥300mg/L。
根據本發明的一些實施例,所述礦山重金屬廢水中,重金屬離子包括Pb2+、Cd2+、Mn2+和Zn2+。其中,Pb2+的濃度為1~5mg/L。Cd2+的濃度為20~50mg/L。Mn2+的濃度為20~50mg/L。Zn2+的濃度為300~500mg/L。
根據本發明的一些實施例,所述處理方法中,所述吸附單元攪拌裝置的攪拌轉速為1000~1500rpm。
根據本發明的一些實施例,所述處理方法中,所述吸附單元攪拌裝置的攪拌轉速為1100~1300rpm。例如具體可以是約1200rpm。
根據本發明的一些實施例,所述處理方法中,加在所述吸附單元的電源的電壓為5~15V。(陽極和陰極的壓差)。該電壓范圍低于人體的臨界安全電壓,因此可確保操作的安全性。例如具體可以是8~10V。
根據本發明的一些實施例,所述處理方法中,所述中和單元攪拌裝置的攪拌轉速為1000~1500rpm。
根據本發明的一些實施例,所述處理方法中,所述中和單元攪拌裝置的攪拌轉速為1100~1300rpm。例如具體可以是約1200rpm。
根據本發明的一些實施例,所述中和單元向所述吸附單元的回流比為5~10%。例如具體可以是約8%。
若無特殊說明,本發明的“約”實際表示的含義是允許誤差在±2%的范圍內,例如約100實際是100±2%×100。
若無特殊說明,本發明中的“在……之間”包含本數,例如“在2~3之間”包括端點值2和3。
本發明的其它特征和優點將在隨后的說明書中闡述,并且,部分地從說明書中變得顯而易見,或者通過實施本發明而了解。
(發明人:鄢昭;胡桂星;張光文;李威)






