公布日:2023.12.01
申請日:2023.09.07
分類號:C02F9/00(2023.01)I;C02F3/00(2023.01)I;C02F1/44(2023.01)I;C02F1/00(2023.01)I;C02F11/00(2006.01)I;C02F103/00(2006.01)N
摘要
本發明公開了一種廚余廢水經濟型深度處理系統及方法,廚余廢水調節池的出口經預處理單元與廚余廢水生化處理單元的入口相連通,廚余廢水生化處理單元的出水分為兩路,其中,一路與膜深度處理單元的入口相連通,另一路與排放水池的入口相連通,預處理單元及廚余廢水生化處理單元產出的污泥與污泥生物炭制備系統入口相連通,污泥生物炭制備系統出口與廚余廢水生化處理單元入口相連通,膜深度處理單元的產水出口與排放水池的入口相連通,膜深度處理單元的濃水與污水廠生化系統的入口相連通,該系統及方法能夠實現廚余廢水達標排放,同時實現廚余廢水資源化處理,且投資成本及運行成本較低。

權利要求書
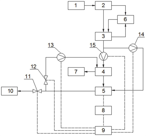
1.一種廚余廢水經濟型深度處理系統,其特征在于,包括廚余廢水調節池(1)、預處理單元(2)、廚余廢水生化處理單元(3)、膜深度處理單元(4)、排放水池(5)及污水廠生化處理單元(7);廚余廢水收集進入廚余廢水調節池(1),廚余廢水調節池(1)的出口經預處理單元(2)與廚余廢水生化處理單元(3)的入口相連通,廚余廢水生化處理單元(3)的出口分為兩路,其中,一路與膜深度處理單元(4)的入口相連通,另一路與排放水池(5)的入口相連通,膜深度處理單元(4)的產水出口與排放水池(5)的入口相連通,膜深度處理單元(4)的濃水出口與污水廠生化處理單元(7)的入口相連通,排放水池(5)的出口連通有達標排放口(10)。
2.根據權利要求1所述的廚余廢水經濟型深度處理系統,其特征在于,還包括排放水池水質監控系統(8),排放水池水質監控系統(8)與排放水池(5)的取樣口相連通。
3.根據權利要求2所述的廚余廢水經濟型深度處理系統,其特征在于,廚余廢水生化處理單元(3)的出口經膜深度處理單元進水泵(15)與膜深度處理單元(4)的入口相連通;廚余廢水生化處理單元(3)的出口經生化出水排放泵(14)與排放水池(5)相連通。
4.根據權利要求3所述的廚余廢水經濟型深度處理系統,其特征在于,還包括智能控制系統(9),智能控制系統(9)與排放水池水質監控系統(8)、膜深度處理單元進水泵(15)、生化出水排放泵(14)、出水閥(11)、回流閥(12)及回流泵(13)相連接。
5.根據權利要求1所述的廚余廢水經濟型深度處理系統,其特征在于,還包括污泥生物炭制備系統(6),其中,污泥生物炭制備系統(6)的入口與預處理單元(2)的污泥出口及廚余廢水生化處理單元(3)的污泥出口相連通,污泥生物炭制備系統(6)的生物炭出口與廚余廢水生化處理單元(3)的入口相連通。
6.根據權利要求1所述的廚余廢水經濟型深度處理系統,其特征在于,還包括污水廠生化處理單元(7),膜深度處理單元(4)的濃水出口與污水廠生化處理單元(7)的入口相連通。
7.一種廚余廢水經濟型深度處理方法,其特征在于,基于權利要求5所述的廚余廢水經濟型深度處理系統,包括以下步驟:廚余廢水收集進入到廚余廢水調節池(1)中進行均質均量,然后進入到預處理單元(2)中進一步處理,經預處理單元(2)處理后的廚余廢水進入廚余廢水生化處理單元(3)中生化處理,廚余廢水生化處理單元(3)輸出的廢水分為兩路,其中,一路進入膜深度處理單元(4)中,另一路直接送入排放水池(5)中,膜深度處理單元(4)輸出的濃水排至污水廠生化處理單元(7)中,膜深度處理單元(4)輸出的產水至排放水池(5)中,預處理單元(2)及廚余廢水生化處理單元(3)產出的污泥經污泥生物炭制備系統(6)生成生物炭后加入到廚余廢水生化處理單元(3)中。
8.根據權利要求7所述的廚余廢水經濟型深度處理方法,其特征在于,排放水池(5)的取樣口連通有排放水池水質監控系統(8);廚余廢水生化處理單元(3)的出口經膜深度處理單元進水泵(15)與膜深度處理單元(4)的入口相連通;廚余廢水生化處理單元(3)的出口經生化出水排放泵(14)與排放水池(5)相連通;通過水質監控系統(8)監測排放水池(5)中水的水質,當水質監控系統(8)監測的水質變差時,則增大膜深度處理單元進水泵(15)的流量,降低生化出水排放泵(14)的流量;當水質監控系統(8)監測的水質變好時,則降低膜深度處理單元進水泵(15)的流量,增大生化出水排放泵(14)的流量,以保證排放水池(5)的出水水質滿足標準限值要求。
發明內容
本發明的目的在于克服上述現有技術的缺點,提供了一種廚余廢水經濟型深度處理系統及方法,該系統及方法能夠實現廚余廢水達標排放,同時實現廚余廢水資源化處理,且投資成本及運行成本較低。
為達到上述目的,本發明公開了一種廚余廢水經濟型深度處理系統,包括廚余廢水調節池、預處理單元、廚余廢水生化處理單元、膜深度處理單元、排放水池及污水廠生化處理單元;
廚余廢水調節池的出口經預處理單元與廚余廢水生化處理單元的入口相連通,廚余廢水生化處理單元的出口分為兩路,其中,一路與膜深度處理單元的入口相連通,另一路與排放水池的入口相連通,膜深度處理單元的產水出口與排放水池的入口相連通,膜深度處理單元的濃水出口與污水廠生化處理單元的入口相連通,排放水池的出口連通有達標排放口。
還包括排放水池水質監控系統,排放水池水質監控系統與排放水池的取樣口相連通。
廚余廢水生化處理單元的出口經膜深度處理單元進水泵與膜深度處理單元的入口相連通;
廚余廢水生化處理單元的出口經生化出水排放泵與排放水池相連通。
還包括智能控制系統,智能控制系統與排放水池水質監控系統、膜深度處理單元進水泵、生化出水排放泵、出水閥、回流閥及回流泵相連接。
還包括污泥生物炭制備系統,其中,污泥生物炭制備系統與預處理單元的污泥出口及廚余廢水生化處理單元的污泥出口相連通,污泥生物炭制備系統的出口與廚余廢水生化處理單元的入口相連通。
還包括污水廠生化處理單元,膜深度處理單元的濃水出口與污水廠生化處理單元的入口相連通。
本發明公開了一種廚余廢水經濟型深度處理方法,包括以下步驟:
廚余廢水進入到廚余廢水調節池中進行均質均量,然后進入到預處理單元中進一步處理,經預處理單元處理后的廚余廢水進入廚余廢水生化處理單元中生化處理,廚余廢水生化處理單元輸出的廢水分為兩路,其中,一路進入膜深度處理單元中,另一路直接送入排放水池中,膜深度處理單元輸出的濃水排至污水廠生化處理單元中,膜深度處理單元輸出的產水至排放水池中,預處理單元及廚余廢水生化處理單元產出的污泥,經過污泥生物炭制備系統制備生物炭,再加入到廚余廢水生化處理系統進行利用。
排放水池的取樣口連通有排放水池水質監控系統;廚余廢水生化處理單元的出口經膜深度處理單元進水泵與膜深度處理單元的入口相連通;廚余廢水生化處理單元的出口經生化出水排放泵與排放水池相連通;
通過水質監控系統監測排放水池中水的水質,當水質監控系統監測的水質變差時,則增大膜深度處理單元進水泵的流量,降低生化出水排放泵的流量;當水質監控系統監測的水質變好時,則降低膜深度處理單元進水泵的流量,增大生化出水排放泵的流量,以保證排放水池的出水水質滿足標準限值要求。
本發明具有以下有益效果:
本發明所述的廚余廢水經濟型深度處理系統及方法在具體操作時,廚余廢水進入廚余廢水調節池中進行均質均量后,進入預處理單元進一步處理,經預處理單元處理后的廚余廢水進入廚余廢水生化處理單元中處理,廚余廢水生化處理后的出水分為兩路,其中一路進入膜深度處理單元,另一路直接連通至排放水池;預處理單元與廚余廢水生化處理單元輸出的污泥進入污泥生物炭制備系統,將成品生物炭投加至廚余廢水生化處理單元,以提高生化處理效果,減少廚余廢水生化處理單元投資成本和占地;膜深度處理單元的產水排至排放水池,濃水排至污水廠生化處理單元,以實現達標排放,運行成本較低,結構簡單,操作方便,實用性極強。
進一步,根據排放水池中水的水質,調控生化處理單元排入排放水池的水量和排放水池出水的去向及比例,以實現廚余廢水的穩定達標排放。
(發明人:冉瓊;蘇艷;王正江;王璟;袁國全;張成;楊陽;高峰;徐連超)






