公布日:2023.11.24
申請日:2023.08.07
分類號:C02F1/04(2023.01)I;C02F1/16(2023.01)I;F23J15/02(2006.01)I;C02F103/18(2006.01)N
摘要
一種干燥處理脫硫廢水系統與工藝流程,采用鍋爐引風機出口的高溫熱煙氣,經除塵進入蒸發器盤管換熱實現鹽水濃縮,并配合風門實現蒸發器內升溫并達到結晶溫度要求,通過濃縮液直噴高溫風道進行汽固分離,再進入干燥器內進行氣固高溫旋風分離。本發明布置更為合理,維護成本更低,成品出產適用性更廣,經濟效益更高,尤其是避免氯化物結晶鹽污染灰渣,使灰渣與氯化物結晶鹽能夠分別收集并加以利用。

權利要求書
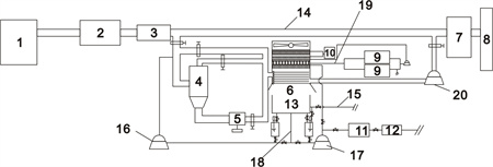
1.一種干燥處理脫硫廢水系統,包括鍋爐,所述的鍋爐煙氣管道連接除塵器,所述的除塵器管道連接引風機,所述的引風機通過排風管管道連接脫硫塔,且所述的脫硫塔管道連接煙囪,其特征在于:所述的引風機出口端通過三通管道連接熱風風管,所述熱風風管上設置有三通閥,且通過三通閥連接蒸發器換熱管與干燥管;所述的蒸發器換熱管管道連接蒸發器的換熱盤管;所述的蒸發器包括機體外殼,所述的機體外殼上部設置有軸流風機;軸流風機下部設置有工藝水噴淋單元,工藝水噴淋單元下部設置有排氣隔板,在排氣隔板上陣列設置有排氣管,且在每個排氣管上罩設有擋水帽;所述的排氣隔板下部陣列設置有高鹽廢水噴頭,所述的高鹽廢水噴頭下部設置有換熱盤管;所述蒸發器的機體外殼底部為水槽,所述水槽管道連接高鹽廢水輸送管;在水槽上部的機體外殼上開設有風門;所述的水槽下部設置有高鹽水循環管,高鹽水循環管通過三通管道連接循環輸送管,所述循環輸送管上一路設置有循環泵,所述的循環泵管道連接高鹽廢水噴頭;循環輸送管的另一路管道上設置有輸送泵,所述的輸送泵管道連接濃縮液噴淋模塊,且所述的濃縮液噴淋模塊設置在干燥管內;所述的干燥管管道連接干燥分離器,所述的干燥分離器管道連接第二除塵器,且所述的第二除塵器上設置有余熱煙氣管道,余熱煙氣管道通過三通管道連接蒸發器換熱管;所述第二除塵器下部設置有成品物料出口;所述蒸發器的機體外殼上,在換熱盤管下部設置有引風管道,所述的引風管道上設置有第二引風機,所述的第二引風機管道連接排風管路。
2.根據權利要求1所述的干燥處理脫硫廢水系統,其特征在于:所述的工藝水噴淋單元設置形式采用如下形式:所述蒸發器的機體外殼內,在軸流風機下部設置雙層除霧器,在雙層除霧器之間與下部,分設有兩層工藝水噴淋模塊;所述的工藝水噴淋模塊管道連接工藝水水箱;所述的工藝水噴淋單元下部還設置有冷卻水循環噴淋模塊,所述的冷卻水循環噴淋模塊設置形式采用如下形式:所述蒸發器的機體外殼上,在排氣隔板上部設置有冷凝水排出管,且冷凝水排出管管道連接蓄水池;所述的蓄水池通過水泵管道連接冷凝水噴淋裝置,所述的冷凝水噴淋裝置是陣列設置在工藝水噴淋單元下部的噴頭。
3.根據權利要求1所述的干燥處理脫硫廢水系統,其特征在于:所述水槽底部設置有高密度鹽水緩沖箱,所述的高密度鹽水緩沖箱管道連接干燥輸送管路;所述的高密度鹽水緩沖箱內還設置有攪拌裝置。
4.根據權利要求1所述的干燥處理脫硫廢水系統,其特征在于:所述的水槽管道連接高鹽廢水緩沖箱,所述高鹽廢水緩沖箱管道連接循環泵,并通過循環泵管道連接高鹽廢水噴頭;所述的高鹽廢水輸送管上設置有三通閥,并通過三通閥一路連接水槽,另一路連接高鹽廢水緩沖箱;所述的高鹽廢水緩沖箱內還是有攪拌裝置。
5.根據權利要求1所述的干燥處理脫硫廢水系統,其特征在于:所述的循環泵與高鹽廢水噴頭之間的管路上設置有三通閥,并通過三通閥管道連接備用制備系統;所述的備用制備系統包括物料輸送管,所述的物料輸送管通過三通閥與循環泵與高鹽廢水噴頭之間的管路管道連接;所述的物料輸送管管道連接稠厚器,所述稠厚器管道連接離心機。
6.根據權利要求1所述的干燥處理脫硫廢水系統,其特征在于:其工藝流程包括以下步驟;1.鍋爐熱煙氣經除塵器除塵后,通過引風機將熱風,此處所說的熱風,是指120-130℃內,不含灰渣的熱風;分別輸送至脫硫塔方向與熱風風管方向;其中熱風風管向蒸發器換熱管與干燥管方向輸送熱風;蒸發器內的換熱盤管經蒸發器換熱管輸送熱風換熱;2.高鹽廢水經高鹽廢水輸送管流入蒸發器的水槽內,水槽內的高鹽廢水經循環輸送管、循環泵,通過高鹽廢水噴頭噴淋在換熱盤管上;3.經蒸發器反復濃縮至1300kg/m3以上,關閉風門與軸流風機,進行循環對流升溫,提高蒸發器內溫度至飽和鹽水析出結晶溫度,水槽內的高密度鹽水通過輸送泵,經循環輸送管、輸送泵、噴槍模塊將高密度鹽水噴入干燥管,實現汽固分離,并直接形成氯化物結晶鹽;4.干燥管內物料經干燥分離器,實現氣固分離,經第二除塵器形成不含灰渣的成品物料。
發明內容
本發明的目的在于,克服現有技術不足之處,提供一種實施過程更為合理,堵塞故障率低,易于維護,尤其是汽固分離要求溫度低,成品結晶不含灰渣的一種干燥處理脫硫廢水系統與工藝流程。
所述干燥處理脫硫廢水系統包括鍋爐,所述的鍋爐煙氣管道連接除塵器,所述的除塵器管道連接引風機,所述的引風機通過排風管管道連接脫硫塔,且所述的脫硫塔管道連接煙囪;所述的引風機出口端,也就是排風管前端頭位置通過三通管道連接熱風風管,所述熱風風管上設置有三通閥,且通過三通閥連接蒸發器換熱管與干燥管;所述的蒸發器換熱管管道連接蒸發器的換熱盤管;所述的蒸發器包括機體外殼,所述的機體外殼上部設置有軸流風機;軸流風機下部設置有工藝水噴淋單元,工藝水噴淋單元下部設置有排氣隔板,在排氣隔板上陣列設置有排氣管,且在每個排氣管上罩設有擋水帽;所述的排氣隔板下部陣列設置有高鹽廢水噴頭,所述的高鹽廢水噴頭下部設置有換熱盤管;所述蒸發器的機體外殼底部為水槽,所述水槽管道連接高鹽廢水輸送管,所述的高鹽廢水輸送管用于向水槽內注入高鹽廢水;在水槽上部的機體外殼上開設有風門;所述的水槽下部設置有高鹽水循環管,高鹽水循環管通過三通管道連接循環輸送管,所述循環輸送管上一路設置有循環泵,所述的循環泵管道連接高鹽廢水噴頭;循環輸送管的另一路管道上設置有輸送泵,所述的輸送泵管道連接濃縮液噴淋模塊,且所述的濃縮液噴淋模塊設置在干燥管內;所述的干燥管管道連接干燥分離器,所述的干燥分離器管道連接第二除塵器,且所述的第二除塵器上設置有余熱煙氣管道,余熱煙氣管道通過三通管道連接蒸發器換熱管;所述第二除塵器下部設置有成品物料出口。
所述蒸發器的機體外殼上,在換熱盤管下部設置有引風管道,所述的引風管道上設置有第二引風機,所述的第二引風機管道連接排風管路。
進一步的,所述的工藝水噴淋單元設置形式采用如下形式:所述蒸發器的機體外殼內,在軸流風機下部設置雙層除霧器,在雙層除霧器之間與下部,分設有兩層工藝水噴淋模塊;所述的工藝水噴淋模塊管道連接工藝水水箱;所述的工藝水噴淋單元下部還設置有冷卻水循環噴淋模塊,所述的冷卻水循環噴淋模塊設置形式采用如下形式:所述蒸發器的機體外殼上,在排氣隔板上部設置有冷凝水排出管,且冷凝水排出管管道連接蓄水池;所述的蓄水池通過水泵管道連接冷凝水噴淋裝置,所述的冷凝水噴淋裝置是陣列設置在工藝水噴淋單元下部的噴頭。
進一步的,所述水槽底部設置有高密度鹽水緩沖箱,所述的高密度鹽水緩沖箱管道連接干燥輸送管路;所述的高密度鹽水緩沖箱內還設置有攪拌裝置。
以此實現的效果是水槽內鹽水密度達標后,可預先注入高密度鹽水緩沖箱內,并在水槽內持續注入高鹽廢水,并以此起到連續生產的目的。
進一步的,所述的水槽管道連接高鹽廢水緩沖箱,所述高鹽廢水緩沖箱管道連接循環泵,并通過循環泵管道連接高鹽廢水噴頭;所述的高鹽廢水輸送管上設置有三通閥,并通過三通閥一路連接水槽,另一路連接高鹽廢水緩沖箱;所述的高鹽廢水緩沖箱內還是有攪拌裝置。
以此實現的效果是通過高鹽廢水緩沖箱起到暫存鹽水的作用。
進一步的,所述的循環泵與高鹽廢水噴頭之間的管路上設置有三通閥,并通過三通閥管道連接備用制備系統;所述的備用制備系統包括物料輸送管,所述的物料輸送管通過三通閥與循環泵與高鹽廢水噴頭之間的管路管道連接;所述的物料輸送管管道連接稠厚器,所述稠厚器管道連接離心機。
也就是說,在蒸發器涉及的氯化物結晶鹽生產系統檢修維護時,可通過備用制備系統連續生產,起到避免停車影響生產的作用。
所述的干燥處理脫硫廢水工藝流程包括以下步驟;1.鍋爐熱煙氣經除塵器除塵后,通過引風機將熱風,此處所說的熱風,是指120-130℃內,不含灰渣的熱風;分別輸送至脫硫塔方向與熱風風管方向;其中熱風風管向蒸發器換熱管與干燥管方向輸送熱風;蒸發器內的換熱盤管經蒸發器換熱管輸送熱風換熱;2.高鹽廢水經高鹽廢水輸送管流入蒸發器的水槽內,水槽內的高鹽廢水經循環輸送管、循環泵,通過高鹽廢水噴頭噴淋在換熱盤管上;3.經蒸發器反復濃縮至1300kg/m3以上,關閉風門與軸流風機,進行循環對流升溫,提高蒸發器內溫度至飽和鹽水析出結晶溫度,水槽內的高密度鹽水通過輸送泵,經循環輸送管、輸送泵、噴槍模塊將高密度鹽水噴入干燥管,實現汽固分離,并直接形成氯化物結晶鹽;4.干燥管內物料經干燥分離器,實現氣固分離,經第二除塵器形成不含灰渣的成品物料。
本發明的有益效果是:本發明布置更為合理,維護成本更低,成品出產適用性更廣,經濟效益更高,相較于現有技術中的脫硫廢水干燥處理工藝而言,更為具體的說,本申請解決了:1.實現了脫硫廢水的低溫干燥結晶。
2.避免了煙氣中的二氧化硫與脫硫廢水生成強酸,導致濃縮塔及管道腐蝕嚴重的問題;避免了煙氣與脫硫廢水混合,造成濃縮塔內產生大量的亞硫酸鈣,不能進行有效的蒸發濃縮,且物料堵塞管道、煙道的問題;3.避免氯化物結晶鹽污染灰渣,也就是通過低溫干燥結晶工藝,將濃縮液噴入過濾后的低溫熱風環境即可實現汽固分離,避免濃縮液噴入高熱煙氣環境,使灰渣與氯化物結晶鹽能夠分別收集并加以利用。
(發明人:王洪亮;李繼鵬;孫松;卜攀;王宜灝)






