公布日:2023.11.24
申請日:2023.08.25
分類號:B30B11/24(2006.01)I;B30B11/22(2006.01)I;C02F11/00(2006.01)I
摘要
本發明公開了一種混合污泥成形機,包括機體、設置在機體內的送泥軸模塊、若干擠泥軸模塊與成形軸模塊以及設置在機體上的用以分別驅動送泥軸模塊、若干擠泥軸模塊與成形軸模塊在機體內轉動的若干驅動單元;機體在其內形成有機腔,且機腔內的一側為擠泥區;機腔的上部分隔為儲料腔、中部分隔為送料腔及下部分隔為成形腔;送泥軸模塊與擠泥區相對地橫向設置在儲料腔內;若干擠泥軸模塊間距地立向設置在擠泥區內,擠泥軸模塊的上部設于儲料腔內,擠泥軸模塊的下部設于送料腔內;成形軸模塊設于擠泥區內且橫向地設置在成形腔內;第二隔層板的底面在擠泥區的兩側分別設有朝向成形轉軸傾斜延伸的第一擋泥板與第二擋泥板。本發明能提高污泥成形效率。

權利要求書
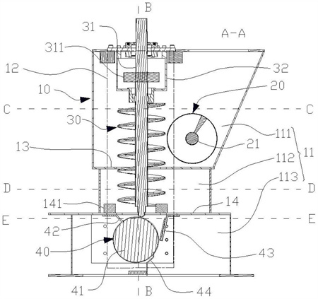
1.一種混合污泥成形機,其特征在于:包括機體(10)、設置在機體(10)內的送泥軸模塊(20)、若干擠泥軸模塊(30)與成形軸模塊(40)以及設置在機體(10)上的用以分別驅動送泥軸模塊(20)、若干擠泥軸模塊(30)與成形軸模塊(40)在機體(10)內轉動的若干驅動單元;所述機體(10)在其內形成有機腔(11),且機腔(11)內的一側為擠泥區(12);所述機腔(11)在其上部與中部之間設有第一隔層板(13)及在其中部與下部之間設有第二隔層板(14),將機腔(11)的上部分隔為儲料腔(111)、中部分隔為送料腔(112)及下部分隔為成形腔(113),且第一隔層板(13)與第二隔層板(14)均在其位于擠泥區(12)內的一段上間距地開設有若干個貫通其頂面與底面的通口(101);所述送泥軸模塊(20)與擠泥區(12)相對地橫向設置在儲料腔(111)內;若干擠泥軸模塊(30)間距地立向設置在擠泥區(12)內,每一擠泥軸模塊(30)對應地穿過第一隔層板(13)的一通口(101),且位于第二隔層板(14)的一通口(101)上方,使擠泥軸模塊(30)的上部設于儲料腔(111)內,擠泥軸模塊(30)的下部設于送料腔(112)內;所述成形軸模塊(40)設于擠泥區(12)內且橫向地設置在成形腔(113)內,成形軸模塊(40)包括可轉動地設置在成形腔(113)內的成形轉軸(41),所述成形轉軸(41)沿其軸體細密地排布設有若干環形條槽(411);所述第二隔層板(14)的底面在擠泥區(12)的兩側分別設有朝向成形轉軸(41)傾斜延伸的第一擋泥板(42)與第二擋泥板(43),供污泥倒入儲料腔(111)內后,若干驅動單元分別驅動送泥軸模塊(20)、若干擠泥軸模塊(30)與成形軸模塊(40)轉動,以送泥軸模塊(20)的轉動將污泥朝向擠泥區(12)輸送,以擠泥軸模塊(30)的轉動在擠泥區(12)將污泥從儲料腔(111)輸送向送料腔(112),且從送料腔(112)輸送向成形腔(113),在第一擋泥板(42)與第二擋泥板(43)的配合下,使污泥在若干環形條槽(411)內成形,并隨成形軸模塊(40)的成形轉軸(41)轉動,成形的泥條從環形條槽(411)輸出。
2.根據權利要求1所述的混合污泥成形機,其特征在于:所述送泥軸模塊(20)包括可轉動地設置在儲料腔(111)內的送泥轉軸(21),所述送泥轉軸(21)采用螺旋軸,且送泥轉軸(21)的一端穿出至機體(10)外,用以配合對應的驅動單元。
3.根據權利要求1所述的混合污泥成形機,其特征在于:所述擠泥軸模塊(30)包括可轉動地設置在擠泥區(12)內的擠泥轉軸(31),所述擠泥轉軸(31)采用螺旋軸;若干擠泥軸模塊(30)兩兩為一組,每組的兩根擠泥轉軸(31)的頂部均穿出到機體(10)的頂部或其中一根擠泥轉軸(31)的頂部穿出到機體(10)的頂部,用以配合對應的驅動單元。
4.根據權利要求3所述的混合污泥成形機,其特征在于:所述儲料腔(111)在其頂壁間距地設有對應地將每組的兩根擠泥轉軸(31)罩設在其內的若干件罩殼(32),所述擠泥轉軸(31)穿設在罩殼(32)內的一段上套設有傳動齒輪(311),每組的兩根擠泥轉軸(31)的傳動齒輪(311)嚙合。
5.根據權利要求4所述的混合污泥成形機,其特征在于:若干擠泥軸模塊(30)與對應的驅動單元之間采用齒輪齒條傳動結構、齒輪鏈條傳動結構或齒輪絲桿傳動結構傳動。
6.根據權利要求1所述的混合污泥成形機,其特征在于:所述第一擋泥板(42)延伸向成形轉軸(41)的一端形成有穿入到若干環形條槽(411)內的第一齒條,所述第二擋泥板(43)延伸向成形轉軸(41)的一端與成形轉軸(41)相切,供污泥能夠擠壓在第一擋泥板(42)、第二擋泥板(43)與成形轉軸(41)之間。
7.根據權利要求1所述的混合污泥成形機,其特征在于:所述成形腔(113)在其底壁設有朝向成形轉軸(41)延伸的擠切刮刀(44),所述擠切刮刀(44)延伸向成形轉軸(41)的一端形成有穿入到若干環形條槽(411)內的第二齒條,用于輔助成形的泥條從環形條槽(411)輸出,及避免雜物堵塞環形條槽(411)。
8.根據權利要求1所述的混合污泥成形機,其特征在于:所述機體(10)的頂部在其與擠泥區(12)相對的一側上間距地開設有供污泥輸入的若干輸入口(102)。
9.根據權利要求1所述的混合污泥成形機,其特征在于:所述機體(10)在成形腔(113)的底壁開設有供成形的泥條輸出的輸出口(103)。
10.根據權利要求1所述的混合污泥成形機,其特征在于:所述第二隔層板(14)的頂面在擠泥區(12)的兩側相對設有兩根擋條(141)。
發明內容
本發明的目的在于提供一種混合污泥成形機,該混合污泥成形機無需成型盤輔助污泥成形。
為實現上述目的,本發明提供如下技術方案:
一種混合污泥成形機,包括機體、設置在機體內的送泥軸模塊、若干擠泥軸模塊與成形軸模塊以及設置在機體上的用以分別驅動送泥軸模塊、若干擠泥軸模塊與成形軸模塊在機體內轉動的若干驅動單元;
所述機體在其內形成有機腔,且機腔內的一側為擠泥區;所述機腔在其上部與中部之間設有第一隔層板及在其中部與下部之間設有第二隔層板,將機腔的上部分隔為儲料腔、中部分隔為送料腔及下部分隔為成形腔,且第一隔層板與第二隔層板均在其位于擠泥區內的一段上間距地開設有若干個貫通其頂面與底面的通口;
所述送泥軸模塊與擠泥區相對地橫向設置在儲料腔內;若干擠泥軸模塊間距地立向設置在擠泥區內,每一擠泥軸模塊對應地穿過第一隔層板的一通口,且位于第二隔層板的一通口上方,使擠泥軸模塊的上部設于儲料腔內,擠泥軸模塊的下部設于送料腔內;所述成形軸模塊設于擠泥區內且橫向地設置在成形腔內,成形軸模塊包括可轉動地設置在成形腔內的成形轉軸,所述成形轉軸沿其軸體細密地排布設有若干環形條槽;
所述第二隔層板的底面在擠泥區的兩側分別設有朝向成形轉軸傾斜延伸的第一擋泥板與第二擋泥板,供污泥倒入儲料腔內后,若干驅動單元分別驅動送泥軸模塊、若干擠泥軸模塊與成形軸模塊轉動,以送泥軸模塊的轉動將污泥朝向擠泥區輸送,以擠泥軸模塊的轉動在擠泥區將污泥從儲料腔輸送向送料腔,且從送料腔輸送向成形腔,在第一擋泥板與第二擋泥板的配合下,使污泥在若干環形條槽內成形,并隨成形軸模塊的成形轉軸轉動,成形的泥條從環形條槽輸出。
作為本發明進一步技術方案:所述送泥軸模塊包括可轉動地設置在儲料腔內的送泥轉軸,所述送泥轉軸采用螺旋軸,且送泥轉軸的一端穿出至機體外,用以配合對應的驅動單元。
作為本發明進一步技術方案:所述擠泥軸模塊包括可轉動地設置在擠泥區內的擠泥轉軸,所述擠泥轉軸采用螺旋軸;若干擠泥軸模塊兩兩為一組,每組的兩根擠泥轉軸的頂部均穿出到機體的頂部或其中一根擠泥轉軸的頂部穿出到機體的頂部,用以配合對應的驅動單元。
作為本發明進一步技術方案:所述儲料腔在其頂壁間距地設有對應地將每組的兩根擠泥轉軸罩設在其內的若干件罩殼,所述擠泥轉軸穿設在罩殼內的一段上套設有傳動齒輪,每組的兩根擠泥轉軸的傳動齒輪嚙合。
作為本發明進一步技術方案:若干擠泥軸模塊與對應的驅動單元之間采用齒輪齒條傳動結構、齒輪鏈條傳動結構或齒輪絲桿傳動結構傳動。
作為本發明進一步技術方案:所述第一擋泥板延伸向成形轉軸的一端形成有穿入到若干環形條槽內的第一齒條,所述第二擋泥板延伸向成形轉軸的一端與成形轉軸相切,供污泥能夠擠壓在第一擋泥板、第二擋泥板與成形轉軸之間。
作為本發明進一步技術方案:所述成形腔在其底壁設有朝向成形轉軸延伸的擠切刮刀,所述擠切刮刀延伸向成形轉軸的一端形成有穿入到若干環形條槽內的第二齒條,用于輔助成形的泥條從環形條槽輸出,及避免雜物堵塞環形條槽。
作為本發明進一步技術方案:所述機體的頂部在其與擠泥區相對的一側上間距地開設有供污泥輸入的若干輸入口。
作為本發明進一步技術方案:所述機體在成形腔的底壁開設有供成形的泥條輸出的輸出口。
作為本發明進一步技術方案:所述第二隔層板的頂面在擠泥區的兩側相對設有兩根擋條。
與現有技術相比,本發明的有益效果是:本發明提出一種混合污泥成形機通過機體、送泥軸模塊、若干擠泥軸模塊、成形軸模塊以及若干驅動單元之間的配合,能夠有效地將污泥成形為泥條,且在成形過程中無需成型盤輔助污泥成形,避免雜物影響的同時,有效地提高了污泥成形效率。
(發明人:邱亞平;賀小勇)






