公布日:2023.11.10
申請日:2023.07.20
分類號:C02F3/12(2023.01)I;C02F101/30(2006.01)N
摘要
本發明公開了一種處理含布洛芬廢水的裝置及方法,屬于廢水處理領域。該裝置包括:低氧曝氣池;變氧曝氣池;連接兩曝氣池的污泥輸送管,曝氣池底設有可調式空氣泵對系統進行曝氣。所述方法包括:非響應狀態下控制兩池中溶解氧并關閉污泥輸送管閥門,兩池正常進行污水處理;當使用液相色譜檢測到進水中布洛芬濃度達到一定濃度時,關閉低氧曝氣池進出水閥門使該池污泥處于饑餓狀態,調節變氧曝氣池溶解氧,使該池污泥處于好氧條件以維持處理效果,同時定期將低氧曝氣池中饑餓污泥通過污泥輸送管送入變氧曝氣池中以高效降解布洛芬,將二沉池中污泥送入低氧曝氣池,當反應器響應以后,低氧曝氣池僅進行曝氣,此時污泥將污水中的營養物質消耗完畢后就進入饑餓狀態。本發明的操作過程簡單,充分利用曝氣池,應用潛力巨大。

權利要求書
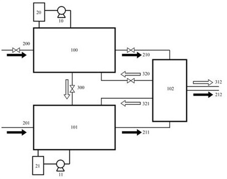
1.一種處理含布洛芬廢水的裝置,其特征在于,包括:并聯設立的低氧曝氣池與變氧曝氣池,以及與分別與所述低氧曝氣池與變氧曝氣池串聯的二沉池;可調式空氣泵,包括兩個,分別設置于所述低氧曝氣池與所述變氧曝氣池池底,用于曝氣;溶解氧控制裝置,包括兩個,分別與可調式空氣泵的其中一個連接并監測低氧曝氣池與變氧曝氣池中溶解氧濃度,用于調節兩個曝氣池溶解氧濃度;其中,每一個所述溶解氧控制裝置包括溶解氧探頭和控制器,所述溶解氧探頭位于所述變氧曝氣池中用于監測并反饋調節曝氣池的溶解氧,所述控制器與所述可調式空氣泵連接以控制所述可調式空氣泵曝氣量。
2.根據權利要求1所述的處理含布洛芬廢水的裝置,其特征在于,所述低氧曝氣池與變氧曝氣池之間通過污泥輸送管并聯連接,所述低氧曝氣池還包括低氧曝氣池進水管,所述變氧曝氣池還包括變氧曝氣池進水管。
3.根據權利要求1所述的處理含布洛芬廢水的裝置,其特征在于,所述二沉池包括排泥管與排水管;所述二沉池與所述低氧曝氣池之間通過第一污泥收集管和第一污泥回流管串聯連接,所述二沉池與所述變氧曝氣池之間通過第二污泥收集管和第二污泥回流管串聯連接。
4.根據權利要求1所述的處理含布洛芬廢水的裝置,其特征在于,所述低氧曝氣池與所述變氧曝氣池的污泥齡為20d。
5.一種處理含布洛芬廢水的方法,其特征在于,在于采用權利要求1-4中任一項所述的處理含布洛芬廢水的裝置進行處理,所述方法包括以下步驟:S1:當進水中未檢測到布洛芬或者布洛芬濃度未達到一定閾值時,裝置處于非響應狀態,打開所述低氧曝氣池的進出水口、第一污泥收集管以及第一污泥回流管閥門,關閉污泥輸送管的閥門;S2:當進水中檢測到一定濃度布洛芬時,裝置進入響應狀態,關閉所述低氧曝氣池的進出水口以及第一污泥收集管閥門,打開污泥輸送管的閥門,使所述低氧曝氣池中污泥處于饑餓狀態,并將二沉池中沉淀污泥通過第一污泥回流管補充至所述低氧曝氣池中,將所述低氧曝氣池中的饑餓污泥通過污泥輸送管輸送至所述變氧曝氣池中。
6.根據權利要求5所述的處理含布洛芬廢水的方法,其特征在于,步驟S1中所述低氧曝氣池與變氧曝氣池的污泥濃度在4000~6000mg/L之間;所述低氧曝氣池與變氧曝氣池的溶解氧為1.0~1.5mg/L。
7.根據權利要求5所述的處理含布洛芬廢水的方法,其特征在于,步驟S2中所述低氧曝氣池污泥濃度在5000~10000mg/L之間;所述變氧曝氣池污泥濃度在2000~4000mg/L之間;所述低氧曝氣池的溶解氧為1.0~1.5mg/L,所述變氧曝氣池的溶解氧為3.0±0.5mg/L。
8.根據權利要求5所述的處理含布洛芬廢水的方法,其特征在于,步驟S1中所述低氧曝氣池與變氧曝氣池的水力停留時間為10~12h。
9.根據權利要求5所述的處理含布洛芬廢水的方法,其特征在于,步驟S2中所述變氧曝氣池水力停留時間為12~15h;所述低氧曝氣池污泥停留時間為3~5天,即每天將1/5~1/3的污泥通過污泥輸送管接種至所述變氧曝氣池中,并從所述低氧曝氣池中補充相應的污泥,以保持所述變氧曝氣池中污泥量不變。
10.根據權利要求4所述的處理含布洛芬廢水的方法,其特征在于,步驟S1中所述閾值為100μg/L;步驟S2中進水布洛芬濃度下限為100μg/L。
發明內容
基于上述問題,本發明的目的在于提供一種處理含布洛芬廢水的裝置及方法。本發明的裝置與方法結合能夠實現水中布洛芬的高效去除。
為實現上述目的,本發明提供如下技術方案。
本發明的方案中將活性污泥分為兩個部分,非響應狀態下保持活性污泥處于低氧狀態,當檢測到進水中含有布洛芬時,將其中一部分活性污泥進行適當的饑餓處理,富集具有高效降解布洛芬功能的污泥,另一部分污泥則處于溶解氧濃度較高的條件下,并利用富集得到的饑餓污泥對含有布洛芬的污水進行處理,一方面可以應對布洛芬對活性污泥呼吸作用造成的抑制以保證常規污染物的去除效果,另一方面饑餓污泥對布洛芬的降解效率更高,從而實現污水中布洛芬的高效去除。
為此,本發明的一個實施例提供了一種處理含布洛芬廢水的裝置,包括:并聯設立的低氧曝氣池與變氧曝氣池,以及與分別與所述低氧曝氣池與變氧曝氣池串聯的二沉池;可調式空氣泵,包括兩個,分別設置于所述低氧曝氣池與所述變氧曝氣池池底,用于曝氣;溶解氧控制裝置,包括兩個,分別與可調式空氣泵的其中一個連接并監測低氧曝氣池與變氧曝氣池中溶解氧濃度,用于調節兩個曝氣池溶解氧濃度;其中,每一個所述溶解氧控制裝置包括溶解氧探頭和控制器,所述溶解氧探頭位于所述變氧曝氣池中用于監測并反饋調節曝氣池溶解氧,所述控制器與所述可調式空氣泵連接以控制所述可調式空氣泵曝氣量;根據本發明上述實施例提供的一種處理含布洛芬廢水的裝置,所述低氧曝氣池與變氧曝氣池之間通過污泥輸送管并聯連接,所述低氧曝氣池還包括低氧曝氣池進水管,所述變氧曝氣池還包括變氧曝氣池進水管。
根據本發明上述實施例提供的一種處理含布洛芬廢水的裝置,所述二沉池包括排泥管與排水管;所述二沉池與所述低氧曝氣池之間通過第一污泥收集管和第一污泥回流管串聯連接,所述二沉池與所述變氧曝氣池之間通過第二污泥收集管和第二污泥回流管串聯連接。
根據本發明上述實施例提供的一種處理含布洛芬廢水的裝置,所述低氧曝氣池與所述變氧曝氣池的污泥齡為20d。過長的污泥齡會導致污泥老化,降低處理效果;過短的污泥齡會導致污泥濃度持續下降。
本發明的另一個實施例還提供了一種處理含布洛芬廢水的方法,在于采用處理含布洛芬廢水的裝置進行處理,所述方法包括以下步驟:S1:當進水中未檢測到布洛芬或者布洛芬濃度未達到一定閾值時,裝置處于非響應狀態,打開所述低氧曝氣池的進出水口、第一污泥收集管以及第一污泥回流管閥門,關閉污泥輸送管的閥門;S2:當進水中檢測到一定濃度布洛芬時,裝置進入響應狀態,關閉所述低氧曝氣池的進出水口以及第一污泥收集管閥門,打開污泥輸送管的閥門,使所述低氧曝氣池中污泥處于饑餓狀態,并將二沉池中沉淀污泥通過第一污泥回流管補充至所述低氧曝氣池中,將所述低氧曝氣池中的饑餓污泥通過污泥輸送管輸送至所述變氧曝氣池中。
根據本發明上述實施例提供的一種處理含布洛芬廢水的方法,步驟S1中所述低氧曝氣池與變氧曝氣池的污泥濃度在4000~6000mg/L之間;所述低氧曝氣池與變氧曝氣池的溶解氧為1.0~1.5mg/L。
根據本發明上述實施例提供的一種處理含布洛芬廢水的方法,步驟S2中所述低氧曝氣池污泥濃度在5000~10000mg/L之間;所述變氧曝氣池污泥濃度在2000~4000mg/L之間;所述低氧曝氣池的溶解氧為1.0~1.5mg/L,所述變氧曝氣池的溶解氧為3.0±0.5mg/L。
在步驟S1和S2中,低氧曝氣池污泥濃度太低會降低富集饑餓污泥的效率,變氧曝氣池污泥濃度太高易導致污泥流失與消解。
在步驟S1中低氧曝氣池與變氧曝氣池溶解氧含量下,由絲狀菌引發的污泥膨脹可以控制在一個合理的范圍內,同時保障出水水質不會惡化。
在步驟S1中,低氧曝氣池溶解氧太低會抑制好氧過程,過高的溶解氧會浪費能源,變氧曝氣池進水中的布洛芬會抑制污泥呼吸速率,過低的溶解氧會導致污泥處理效率下降甚至導致生物處理系統崩潰。
根據本發明上述實施例提供的一種處理含布洛芬廢水的方法,步驟S1中所述低氧曝氣池與變氧曝氣池的水力停留時間為10~12h。
根據本發明上述實施例提供的一種處理含布洛芬廢水的方法,步驟S2中所述變氧曝氣池水力停留時間為12~15h;所述低氧曝氣池污泥停留時間為3~5天,即每天將1/5~1/3的污泥通過污泥輸送管接種至所述變氧曝氣池中,并從所述低氧曝氣池中補充相應的污泥,以保持所述變氧曝氣池中污泥量不變。
根據本發明上述實施例提供的一種處理含布洛芬廢水的方法,步驟S1中所述閾值為100μg/L。
根據本發明上述實施例提供的一種處理含布洛芬廢水的方法,步驟S2中進水布洛芬濃度下限為100μg/L。高于此濃度的布洛芬即會對活性污泥的活性造成影響。
非響應狀態下控制兩池(低氧曝氣池和變氧曝氣池)中溶解氧為1.0~1.5mg/L并關閉污泥輸送管閥門,兩池正常進行污水處理;當檢測到進水中布洛芬濃度高于100μg/L時,關閉低氧曝氣池進出水閥門使該池污泥處于饑餓條件,調節變氧曝氣池溶解氧至3±0.5mg/L,使該池污泥處于好氧條件以維持處理效果,同時定期將低氧曝氣池中饑餓污泥通過污泥輸送管送入變氧曝氣池中以處理布洛芬,將二沉池中污泥送入低氧曝氣池使污泥處于饑餓狀態。
與現有技術比,本發明取得的有益效果是:(1)本發明在非響應狀態下使用低氧活性污泥法,可以有效降低能耗并減少污泥膨脹現象。
(2)本發明有效利用曝氣池。在非響應狀態下,兩個曝氣池可作為低氧活性污泥工藝的生物處理單元對污水進行處理;當進水中含有一定量布洛芬后,可在短時間內實現工藝流程更改并及時響應,避免活性污泥因布洛芬的沖擊導致系統處理效率下降甚至崩潰。
(3)本發明在響應狀態下的污水處理過程中,污泥通過空間上的移動使得狀態處于“饑餓-處理-再饑餓”循環,即使處理單元只剩變氧曝氣池,也可保持較高污泥的利用率,從而不會過多降低處理效果。
(4)本發明在非響應狀態下使用低溶解氧活性污泥工藝,污泥產率相較于傳統活性污泥法大幅降低,在響應狀態下低氧曝氣池富集饑餓污泥的過程中,又會導致污泥中有機物被消耗,以及部分污泥的消解,從而大大降低整個系統的剩余污泥量。
(5)本發明將污泥分成兩部分,進水中含有布洛芬時,一部分污泥進行饑餓處理,另一部分用于處理含布洛芬的廢水,并通過污泥輸送管將兩池污泥進行輪換,該過程操作簡單,充分利用曝氣池,有較高的實際使用價值。本發明通過富集饑餓污泥,可以有效提升曝氣池中活性污泥對布洛芬的去除效率,并可避免購買與投加布洛芬降解菌的步驟,減少功能菌種購買與貯存的成本。
(發明人:黃開龍;王云浩;左怡琳;楊慶;李恒通;阮在高;朱時峰)






