公布日:2024.03.05
申請日:2023.12.13
分類號:C02F3/30(2023.01)I;C02F101/16(2006.01)N;C02F101/30(2006.01)N
摘要
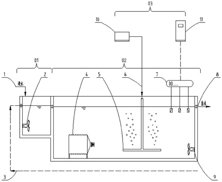
本申請公開了一種多模污水處理系統及其工藝,多模污水處理系統包括:好氧處理單元和集控單元;集控單元包括檢測儀表模塊、智能控制模塊與氣體發生裝置;檢測儀表模塊,用于檢測好氧處理單元內的介質參數,并將介質參數上傳至智能控制模塊;智能控制模塊,用于基于介質參數的變化速率確定處理污水的所需氣體量,并將所需氣體量發送至氣體發生裝置;氣體發生裝置,用于基于所需氣體量產生氣體,并將氣體擴散至好氧處理單元;好氧處理單元,用于基于氣體對污水進行脫氮處理。在本申請中,根據介質參數的變化速率的變化,改變所需氣體量,滿足不同排放標準的處理要求,以在改造傳統污水處理系統時,提高對原有系統的有效利用率。

權利要求書
1.一種多模污水處理系統,其特征在于,所述多模污水處理系統包括:好氧處理單元和集控單元;所述集控單元包括檢測儀表模塊、智能控制模塊與氣體發生裝置;所述檢測儀表模塊,用于檢測所述好氧處理單元內的介質參數,并將所述介質參數上傳至所述智能控制模塊,所述介質參數包括溶解氧、氧化還原電位、進水量、總氮與化學需氧量中的至少一項;所述智能控制模塊,用于基于所述介質參數的變化速率確定處理污水的所需氣體量,并將所述所需氣體量發送至所述氣體發生裝置;所述氣體發生裝置,用于基于所述所需氣體量產生氣體,并將所述氣體擴散至所述好氧處理單元;所述好氧處理單元,用于基于所述氣體對污水進行脫氮以及去除有機物處理。
2.如權利要求1所述的多模污水處理系統,其特征在于,所述氣體發生裝置上連接有輸氣管路,所述輸氣管路的另一端連接有氣體擴散裝置,所述氣體擴散裝置位于所述好氧處理單元內按照預設梯度布置,以確定所述介質參數的梯度范圍;所述氣體擴散裝置,用于將所述氣體發生裝置產生的氣體擴散至所述好氧處理單元內。
3.如權利要求2所述的多模污水處理系統,其特征在于,所述智能控制模塊,還用于獲取用戶修改的系統參數,并基于所述系統參數改變所述介質參數的變化速率以及所述梯度范圍,所述系統參數為所述智能控制模塊的參數。
4.如權利要求1所述的多模污水處理系統,其特征在于,所述好氧處理單元內設置有集成脫氮反應裝置;所述集成脫氮反應裝置,用于平衡所述好氧處理單元內的硝化反應與反硝化反應。
5.如權利要求4所述的多模污水處理系統,其特征在于,所述集成脫氮反應裝置的半封閉狀態,用于降低所述污水中溶解氧流向所述集成脫氮反應裝置內的速率。
6.如權利要求4所述的多模污水處理系統,其特征在于,所述集成脫氮反應裝置的一端設置有推流器,所述集成脫氮裝置內設置有不同類型的組合填料,所述組合填料為提供微生物生長的載體;所述推流器,用于將所述污水和所述溶解氧在所述集成脫氮反應裝置中混合。
7.如權利要求4所述的多模污水處理系統,其特征在于,所述多模污水處理系統還包括厭氧處理單元,所述厭氧處理單元與所述好氧處理單元連通設置,所述厭氧處理單元內設置有混合器;所述混合器,用于將排入所述厭氧處理單元的待處理水與外回流污泥混合。
8.一種基于權利要求1至7任一項所述多模污水處理系統的多模污水處理工藝,其特征在于,所述多模污水處理工藝包括以下步驟:利用所述檢測儀表模塊檢測所述好氧處理單元中的污水,獲得所述污水中的所述介質參數,將所述介質參數發送所述智能控制模塊;所述智能控制模塊根據所述介質參數的變化速率,控制所述氣體發生裝置向所述好氧處理單元內排入所述所需氣體;利用所述所需氣體,混合所述好氧處理單元中的預設活性污泥與所述污水,以降解所述污水中的污染物,獲得降解水;利用所述集成脫氮反應裝置,對所述降解水進行脫氮,獲得滿足預設排放標準的排放水。
9.如權利要求8所述的多模污水處理工藝,其特征在于,所述利用所述檢測儀表模塊檢測所述好氧處理單元中的污水,獲得所述污水中的所述介質參數,將所述介質參數發送所述智能控制模塊的步驟之前,還包括:利用所述混合器,將進入所述厭氧處理單元中的待處理水與外回流污泥混合吸收,獲得對所述待處理水進行初步處理過的污水,并將所述污水排進所述好氧處理單元內。
10.如權利要求8所述的多模污水處理工藝,其特征在于,所述利用所述集成脫氮反應裝置,對所述降解水進行脫氮,獲得滿足預設排放標準的排放水的步驟,包括:利用所述集成脫氮反應裝置中的組合填料消耗所述降解水中的氧,在所述集成脫氮反應裝置內生成滿足預設脫氮速率的脫氮環境,所述氧是流入所述脫氮反應裝置中的氧;其中,所述組合填料為A類填料與B類填料;在所述脫氮環境中對所述降解水進行脫氮,獲得滿足預設排放標準的排放水。
發明內容
本申請的主要目的在于提供一種多模污水處理系統及其工藝,旨在解決現有技術中增加處理步驟,并銜接新的處理子系統并不能提高原有的傳統污水處理系統的污水處理效果,導致,原有的傳統污水處理系統的有效利用率低下的技術問題。
為實現上述目的,本申請提供一種多模污水處理系統,所述多模污水處理系統包括:好氧處理單元和集控單元;
所述集控單元包括檢測儀表模塊、智能控制模塊與氣體發生裝置;
所述檢測儀表模塊,用于檢測所述好氧處理單元內的介質參數,并將所述介質參數上傳至所述智能控制模塊,所述介質參數包括溶解氧、氧化還原電位、進水量、總氮與化學需氧量中的至少一項;
所述智能控制模塊,用于基于所述介質參數的變化速率確定處理污水的所需氣體量,并將所述所需氣體量發送至所述氣體發生裝置;
所述氣體發生裝置,用于基于所述所需氣體量產生氣體,并將所述氣體擴散至所述好氧處理單元;
所述好氧處理單元,用于基于所述氣體對污水進行脫氮以及去除有機物處理。
可選地,所述氣體發生裝置上連接有輸氣管路,所述輸氣管路的另一端連接有氣體擴散裝置,所述氣體擴散裝置位于所述好氧處理單元內按照預設梯度布置,以確定所述介質參數的梯度范圍;
所述氣體擴散裝置,用于將所述氣體發生裝置產生的氣體擴散至所述好氧處理單元內。
可選地,所述智能控制模塊,還用于獲取用戶修改的系統參數,并基于所述系統參數改變所述介質參數的變化速率以及所述梯度范圍,所述系統參數為所述智能控制模塊的參數。
可選地,所述好氧處理單元內設置有集成脫氮反應裝置;
所述集成脫氮反應裝置,用于平衡所述好氧處理單元內的硝化反應與反硝化反應。
可選地,所述集成脫氮反應裝置的半封閉狀態,用于降低所述污水中溶解氧流向所述集成脫氮反應裝置內的速率。
可選地,所述集成脫氮反應裝置的一端設置有推流器,所述集成脫氮裝置內設置有不同類型的組合填料,所述組合填料為提供微生物生長的載體;
所述推流器,用于將所述污水和所述溶解氧在所述集成脫氮反應裝置中混合。
可選地,所述多模污水處理系統還包括厭氧處理單元,所述厭氧處理單元與所述好氧處理單元連通設置,所述厭氧處理單元是利用所述傳統污水處理系統中的A池與水池改造得到的,述厭氧處理單元內設置有混合器;
所述混合器,用于將排入所述厭氧處理單元的待處理水與外回流污泥混合。
本申請基于所述多模污水處理系統還提供一種多模污水處理工藝,所述多模污水處理工藝包括以下步驟:
利用所述檢測儀表模塊檢測所述好氧處理單元中的污水,獲得所述污水中的所述介質參數,將所述介質參數發送所述智能控制模塊;
所述智能控制模塊根據所述介質參數的變化速率,控制所述氣體發生裝置向所述好氧處理單元內排入所述所需氣體;
利用所述所需氣體,混合所述好氧處理單元中的預設活性污泥與所述污水,以降解所述污水中的污染物,獲得降解水;
利用所述集成脫氮反應裝置,對所述降解水進行脫氮,獲得滿足預設排放標準的排放水。
可選地,所述利用所述檢測儀表模塊檢測所述好氧處理單元中的污水,獲得所述污水中的所述介質參數,將所述介質參數發送所述智能控制模塊的步驟之前,還包括:
利用所述混合器,將進入所述厭氧處理單元中的待處理水與外回流污泥混合吸收,獲得對所述待處理水進行初步處理過的污水,并將所述污水排進所述好氧處理單元內。
可選地,所述利用所述集成脫氮反應裝置,對所述降解水進行脫氮,獲得滿足預設排放標準的排放水的步驟,包括:
利用所述集成脫氮反應裝置中的組合填料消耗所述降解水中的氧,在所述集成脫氮反應裝置內生成滿足預設脫氮速率的脫氮環境,所述氧是流入所述脫氮反應裝置中的氧;
其中,所述組合填料為A類填料與B類填料;
在所述脫氮環境中對所述降解水進行脫氮,獲得滿足預設排放標準的排放水。
本申請提供一種多模污水處理系統及其工藝,與現有技術中增加處理步驟,并銜接新的處理子系統并不能提高原有的傳統污水處理系統的污水處理效果,導致,原有的傳統污水處理系統的有效利用率低下相比,在本申請中,所述多模污水處理系統包括:好氧處理單元和集控單元;所述集控單元包括檢測儀表模塊、智能控制模塊與氣體發生裝置;所述檢測儀表模塊,用于檢測所述好氧處理單元內的介質參數,并將所述介質參數上傳至所述智能控制模塊,所述介質參數包括溶解氧、氧化還原電位、進水量、總氮與化學需氧量中的至少一項;所述智能控制模塊,用于基于所述介質參數的變化速率確定處理污水的所需氣體量,并將所述所需氣體量發送至所述氣體發生裝置;所述氣體發生裝置,用于基于所述所需氣體量產生氣體,并將所述氣體擴散至所述好氧處理單元;所述好氧處理單元,用于基于所述氣體對污水進行脫氮以及去除有機物處理。即在本申請中,設置新增檢測儀表模塊、智能控制模塊與氣體發生裝置,通過檢測儀表模塊檢測污水中的介質參數,再通過智能控制模塊精準確定介質參數的變化速率,以確定處理污水的所需氣體量,使氣體發生裝置根據所需氣體量,精準的在污水中產生發生硝化反應與反硝化反應所需要的氣體,也即,根據介質參數的變化速率的變化,改變的向污水中排放氣體的所需氣體量,滿足不同的處理水量要求,進而,使改造的傳統多模污水處理系統能夠滿足多種不同排放標準的處理要求,以在改造傳統污水處理系統時提高對原有系統的有效利用率。
(發明人:關銳;扶志遠)






