公布日:2024.12.20
申請日:2024.11.05
分類號:C02F9/00(2023.01)I;C02F1/00(2023.01)I;C02F1/461(2023.01)I;C02F1/52(2023.01)I;C02F3/30(2023.01)I;C02F1/04(2023.01)I;C02F1/469(2023.01)I;C02F3/12
(2023.01)I;C02F1/44(2023.01)I;C02F101/30(2006.01)N;C02F101/10(2006.01)N
摘要
本發明屬于廢水處理技術領域,公開了一種生物質廢水處理系統及生物質廢水處理方法,一種生物質廢水處理系統包括第一過濾單元、微電解池、混凝沉淀池、水解酸化池、厭氧反應器、厭氧好氧池、第二過濾單元、電滲析器和蒸發器,微電解池與第一過濾單元連接;混凝沉淀池與微電解池連接;水解酸化池與混凝沉淀池連接;厭氧反應器與水解酸化池、厭氧好氧池均連接;第二過濾單元與厭氧好氧池連接;電滲析器設置于第二過濾單元下游,蒸發器與電滲析器連接;第一過濾單元、微電解池、混凝沉淀池、水解酸化池、厭氧反應器、厭氧好氧池、第二過濾單元、電滲析器和蒸發器沿廢水排放方向依次設置。如此,能夠降低生物質廢水處理難度,提高生物質廢水利用率。

權利要求書
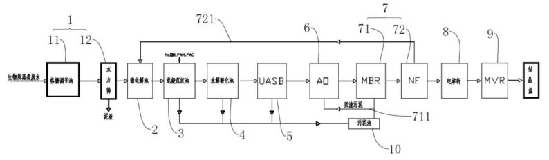
1.一種生物質廢水處理系統,其特征在于,包括:第一過濾單元(1),用于過濾廢水中的固體雜質;微電解池(2),所述微電解池(2)與所述第一過濾單元(1)連接,用于微電解廢水;混凝沉淀池(3),所述混凝沉淀池(3)與所述微電解池(2)連接,用于沉淀廢水;水解酸化池(4),所述水解酸化池(4)與所述混凝沉淀池(3)連接;厭氧反應器(5)和厭氧好氧池(6),所述厭氧反應器(5)與所述水解酸化池(4)、所述厭氧好氧池(6)均連接,用于分解廢水中的有機物;第二過濾單元(7),所述第二過濾單元(7)與所述厭氧好氧池(6)連接,用于對所述厭氧好氧池(6)輸出的廢水進行過濾;電滲析器(8)和蒸發器(9),所述電滲析器(8)設置于所述第二過濾單元(7)下游,所述蒸發器(9)與所述電滲析器(8)連接,用于提取廢水中的鹽分;所述第一過濾單元(1)、所述微電解池(2)、所述混凝沉淀池(3)、所述水解酸化池(4)、所述厭氧反應器(5)、所述厭氧好氧池(6)、所述第二過濾單元(7)、所述電滲析器(8)和所述蒸發器(9)沿廢水排放方向依次設置。
2.根據權利要求1所述的生物質廢水處理系統,其特征在于,所述第一過濾單元(1)包括格柵調節池(11)和水力篩(12),所述水力篩(12)設置于所述格柵調節池(11)的下游并與所述微電解池(2)的輸入端連接。
3.根據權利要求1所述的生物質廢水處理系統,其特征在于,所述第二過濾單元(7)包括膜生物反應器(71),所述膜生物反應器(71)與所述厭氧好氧池(6)的輸出端連接,用于對所述厭氧好氧池(6)輸出的廢水進行過濾。
4.根據權利要求3所述的生物質廢水處理系統,其特征在于,所述第二過濾單元(7)還包括納濾(72),所述納濾(72)設置于所述膜生物反應器(71)的下游并與所述電滲析器(8)的輸入端連接。
5.根據權利要求4所述的生物質廢水處理系統,其特征在于,所述納濾(72)連接有廢水回路(721),所述廢水回路(721)背離所述納濾(72)的一端與所述微電解池(2)連接,用于向所述微電解池(2)輸送分離后的廢水。
6.根據權利要求3所述的生物質廢水處理系統,其特征在于,所述生物質廢水處理系統還包括污泥池(10),所述污泥池(10)與所述膜生物反應器(71)連接。
7.根據權利要求3所述的生物質廢水處理系統,其特征在于,所述膜生物反應器(71)連接有污泥回路(711),所述污泥回路(711)與所述厭氧好氧池(6)連接,用于將所述膜生物反應器(71)中的至少部分污泥輸送至所述厭氧好氧池(6)內。
8.根據權利要求7所述的生物質廢水處理系統,其特征在于,所述厭氧好氧池(6)包括缺氧池和好氧池,所述污泥回路(711)與所述缺氧池連接。
9.根據權利要求1所述的生物質廢水處理系統,其特征在于,所述生物質廢水處理系統還包括污泥池(10),所述混凝沉淀池(3)、所述水解酸化池(4)、所述厭氧反應器(5)均與所述污泥池(10)連接。
10.一種生物質廢水處理方法,其特征在于,應用于如權利要求1-9任一項所述的生物質廢水處理系統,所述生物質廢水處理方法包括以下步驟:將廢水排放至所述第一過濾單元(1)進行過濾,得到污水和固體雜質;將污水排放至所述微電解池(2),并對污水進行微電解,得到微電解出水;將微電解出水排放至所述混凝沉淀池(3),加入氫氧化鈉、絮凝劑進行反應,降低微電解出水的硬度和濁度,得到混凝沉淀出水和污泥;將混凝沉淀出水排放至所述水解酸化池(4)進行水解酸化,去除部分懸浮物,得到水解酸化出水和污泥;將水解酸化出水依次排放至所述厭氧反應器(5)和所述厭氧好氧池(6),使微生物對水解酸化出水進行凈化,得到凈化出水;將凈化出水排放至所述第二過濾單元(7)進行過濾,得到過濾出水和污泥;將過濾出水依次排放至所述電滲析器(8)和所述蒸發器(9)進行電滲析濃縮,得到結晶鹽。
發明內容
本發明的目的在于提供一種生物質廢水處理系統及生物質廢水處理方法,以解決生物質廢水處理難度大、利用率低的問題。
為達此目的,本發明采用以下技術方案:
第一方面,一種生物質廢水處理系統,包括:第一過濾單元,用于過濾廢水中的固體雜質;微電解池,所述微電解池與所述第一過濾單元連接,用于微電解廢水;混凝沉淀池,所述混凝沉淀池與所述微電解池連接,用于沉淀廢水;水解酸化池,所述水解酸化池與所述混凝沉淀池連接;厭氧反應器和厭氧好氧池,所述厭氧反應器與所述水解酸化池、所述厭氧好氧池均連接,用于分解廢水中的有機物;第二過濾單元,所述第二過濾單元與所述厭氧好氧池連接,用于對所述厭氧好氧池輸出的廢水進行過濾;電滲析器和蒸發器,所述電滲析器設置于所述第二過濾單元下游,所述蒸發器與所述電滲析器連接,用于提取廢水中的鹽分;所述第一過濾單元、所述微電解池、所述混凝沉淀池、所述水解酸化池、所述厭氧反應器、所述厭氧好氧池、所述第二過濾單元、所述電滲析器和所述蒸發器沿廢水排放方向依次設置。
作為優選,所述第一過濾單元包括格柵調節池和水力篩,所述水力篩設置于所述格柵調節池的下游并與所述微電解池的輸入端連接。
作為優選,所述第二過濾單元包括膜生物反應器,所述膜生物反應器與所述厭氧好氧池的輸出端連接,用于對所述厭氧好氧池輸出的廢水進行過濾。
作為優選,所述第二過濾單元還包括納濾,所述納濾設置于所述膜生物反應器的下游并與所述電滲析器的輸入端連接。
作為優選,所述納濾連接有廢水回路,所述廢水回路背離所述納濾的一端與所述微電解池連接,用于向所述微電解池輸送分離后的廢水。
作為優選,所述生物質廢水處理系統還包括污泥池,所述污泥池與所述膜生物反應器連接。
作為優選,所述膜生物反應器連接有污泥回路,所述污泥回路與所述厭氧好氧池連接,用于將所述膜生物反應器中的至少部分污泥輸送至所述厭氧好氧池內。
作為優選,所述厭氧好氧池包括缺氧池和好氧池,所述污泥回路與所述缺氧池連接。
作為優選,所述生物質廢水處理系統還包括污泥池,所述混凝沉淀池、所述水解酸化池、所述厭氧反應器均與所述污泥池連接。
第二方面,一種生物質廢水處理方法,應用于如上所述的生物質廢水處理系統,所述生物質廢水處理方法包括以下步驟:
將廢水排放至所述第一過濾單元進行過濾,得到污水和固體雜質;
將污水排放至所述微電解池,并對污水進行微電解,得到微電解出水;
將微電解出水排放至所述混凝沉淀池,加入氫氧化鈉、絮凝劑進行反應,降低微電解出水的硬度和濁度,得到混凝沉淀出水和污泥;
將混凝沉淀出水排放至所述水解酸化池進行水解酸化,去除部分懸浮物,得到水解酸化出水和污泥;
將水解酸化出水依次排放至所述厭氧反應器和所述厭氧好氧池,使微生物對水解酸化出水進行凈化,得到凈化出水;
將凈化出水排放至所述第二過濾單元進行過濾,得到過濾出水和污泥;
將過濾出水依次排放至所述電滲析器和所述蒸發器進行電滲析濃縮,得到結晶鹽。
本發明的有益效果:
一種生物質廢水處理系統,包括第一過濾單元、微電解池、混凝沉淀池、水解酸化池、厭氧反應器、厭氧好氧池、第二過濾單元、電滲析器和蒸發器,第一過濾單元用于過濾廢水中的固體雜質;微電解池與第一過濾單元連接,用于微電解廢水;混凝沉淀池與微電解池連接,用于沉淀廢水;水解酸化池與混凝沉淀池連接;厭氧反應器與水解酸化池、厭氧好氧池均連接,用于分解廢水中的有機物;第二過濾單元與厭氧好氧池連接,用于對厭氧好氧池輸出的廢水進行過濾;電滲析器設置于第二過濾單元下游,蒸發器與電滲析器連接,用于提取廢水中的鹽分;第一過濾單元、微電解池、混凝沉淀池、水解酸化池、厭氧反應器、厭氧好氧池、第二過濾單元、電滲析器和蒸發器沿廢水排放方向依次設置。
如此,生物質廢水依次經過物理過濾、內電解反應、水解酸化、生物降解、過濾分離、濃縮潔凈等多個工序處理,降低了生物質廢水的處理難度,不僅能減少廢水中的有機物含量,使廢水達到排放標準,降低對環境的污染,還能有效利用廢水中的鹽分制取結晶鹽,提高生物質廢水的利用率。
(發明人:任顯龍;陳偉;孫健;黎福斌;周林;李亞洲)






