申請日2015.07.24
公開(公告)日2015.12.02
IPC分類號C02F1/44; C02F9/02
摘要
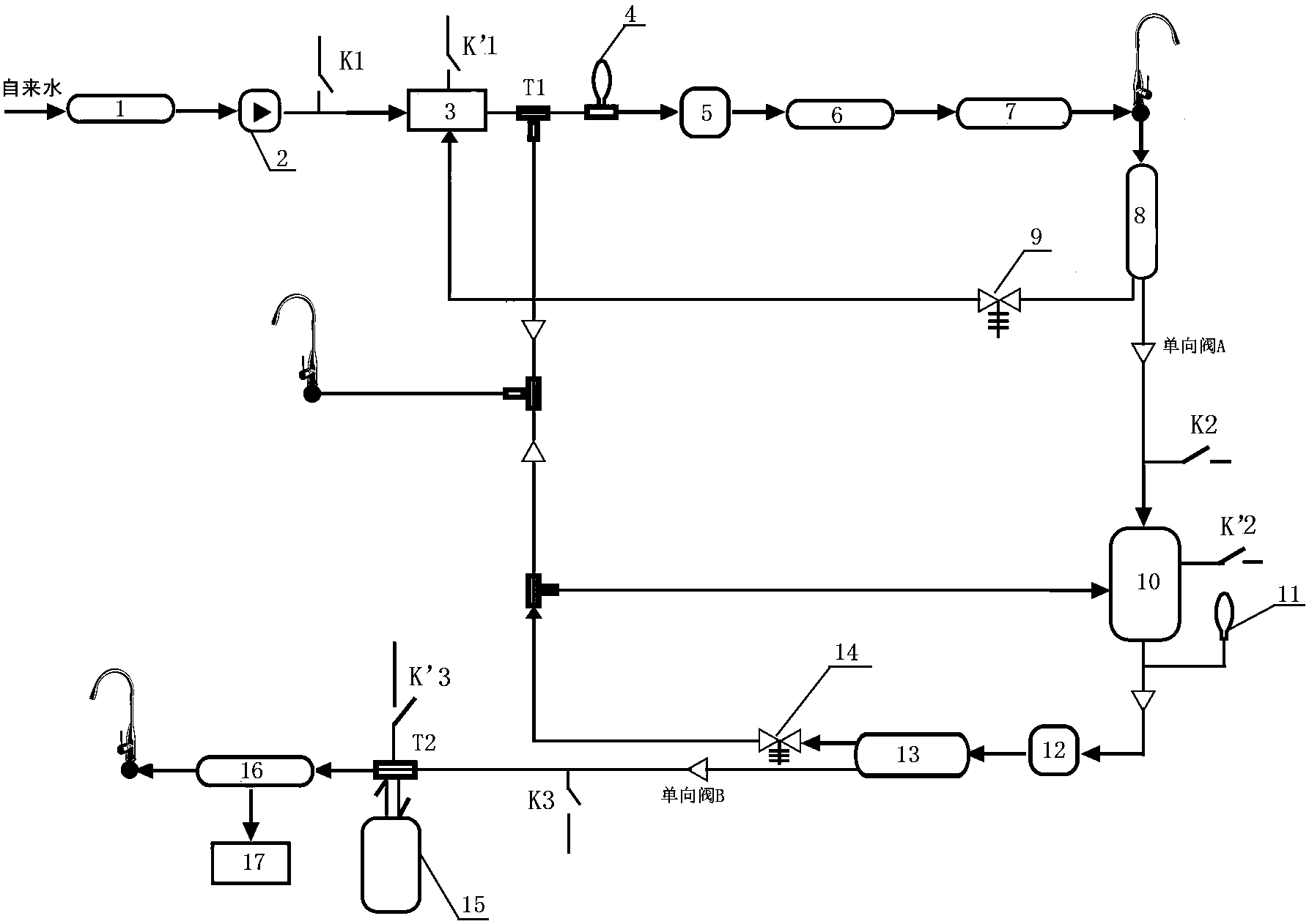
本實用新型公開了一種雙梯級雙循環RO無廢水凈水機,包括一級純水系統和二級純水系統,所述的一級純水系統包括通過水管依次連接的PP棉、減壓閥、第一級循環水箱、第一三通閥、第一緩沖包、第一水泵、超濾膜、燒結活性炭、第一級RO膜,其中第一級RO膜的出水端還通過第一級廢水比閥與第一級循環水箱相連,所述的二級純水系統包括依次連接的第二級循環水箱、第二緩沖包、第二水泵、第二級RO膜、四通閥、小T33,其中第二級RO膜的出水端還通過第二級廢水比閥與第二級循環水箱相連。本實用新型有效、實用、可行,最終使高濃縮廢水均可通過生活水龍頭有效利用,達到節約水資源的目的。
權利要求書
1.雙梯級雙循環RO無廢水凈水機,包括一級純水系統和二級純水系統,其特征在于:所述的一級純水系統包括通過水管依次連接的PP棉(1)、減壓閥(2)、第一級循環水箱(3)、第一緩沖包(4)、第一水泵(5)、超濾膜(6)、燒結活性炭(7)、第一級RO膜(8),其中第一級RO膜(8)的出水端還通過第一級廢水比閥(9)與第一級循環水箱(3)相連,所述的二級純水系統包括依次連接的第二級循環水箱(10)、第二緩沖包(11)、第二水泵(12)、第二級RO膜(13)、四通閥(T2)、小T33(16),其中第二級RO膜(13)的出水端還通過第二級廢水比閥(14)與第二級循環水箱(10)相連,所述的第二級循環水箱(10)的進水端通過單向閥A與第一級RO膜(8)的出水端相連。
2.根據權利要求1所述的雙梯級雙循環RO無廢水凈水機,其特征在于:所述的第一級循環水箱(3)串接有第一高壓開關(K’1),所述的第二級循環水箱(10)串接有第二高壓開關(K’2)。
3.根據權利要求1所述的雙梯級雙循環RO無廢水凈水機,其特征在于:所述的減壓閥(2)與第一級循環水箱(3)之間設置有第一低壓開關(K1),所述的單向閥A與第二級循環水箱(10)之間設置有第二低壓開關(K2)。
4.根據權利要求1所述的雙梯級雙循環RO無廢水凈水機,其特征在于:所述的第二級RO膜(13)與四通閥(T2)之間還連接有單向閥B和第三低壓開關(K3)。
5.根據權利要求1所述的雙梯級雙循環RO無廢水凈水機,其特征在于:所述的四通閥(T2)還與壓力桶(16)和第三高壓開關(K’3)相連。
6.根據權利要求1所述的雙梯級雙循環RO無廢水凈水機,其特征在于:所述的小T33(16)串接管線機(17)。
說明書
雙梯級雙循環RO無廢水凈水機
技術領域
本實用新型涉及一種凈水機,尤其涉及一種雙梯級雙循環RO無廢水凈水機。
背景技術
隨著人們生活水平的不斷提高,人們對飲用水的質量和要求越來越高,為了適應人們的飲水要求。RO凈水機應運而生,RO凈水機即使用反滲透技術原理進行水過濾的凈水機。在一定的壓力條件下,水分子可以通過RO膜,而源水中的無機鹽、重金屬離子、有機物、膠體、細菌、病毒等雜質由于無法透過RO膜,從而使一部分水透過RO膜分離出來,未透過的水因溶質增加形成濃縮水。
但隨著使用者進一步使用RO凈水機發現,RO凈水機制出來的水雖然干凈、健康,但浪費水的現象非常明顯,每制得一噸純凈水約需要浪費掉5~6噸重的自來水,這與國家的節能減排目標背道而馳。單級RO無廢水凈水機,主要用于自來水TDS原值小于800的地區,制出可直飲的純水。但經某些水質較硬的地區試用后發現,當TDS原值高于800時,制出的純水TDS值經常高于50,制水效果不盡如意。
發明內容
本實用新型針對上述現有技術的問題,提供一種雙梯級雙循環RO無廢水凈水機,該凈水機能夠針對原水水質硬度超高(TDS>800)地區,對自來水進行軟化,并生產出合格純水。
本實用新型是通過如下技術方案實現的:一種雙梯級雙循環RO無廢水凈水機,包括一級純水系統和二級純水系統,所述的一級純水系統包括通過水管依次連接的PP棉、減壓閥、第一級循環水箱、第一三通閥、第一緩沖包、第一水泵、超濾膜、燒結活性炭、第一級RO膜,其中第一級RO膜的出水端還通過第一級廢水比閥與第一級循環水箱相連,所述的二級純水系統包括依次連接的第二級循環水箱、第二緩沖包、第二水泵、第二級RO膜、四通閥、小T33,其中第二級RO膜的出水端還通過第二級廢水比閥與第二級循環水箱相連,所述的第二級循環水箱的進水端通過單向閥A與第一級RO膜的出水端相連。
進一步地,所述的第一級循環水箱串接有第一高壓開關,所述的第二級循環水箱串接有第二高壓開關。
進一步地,所述的減壓閥與第一級循環水箱之間設置有第一低壓開關,所述的單向閥A與第二級循環水箱之間設置有第二低壓開關。
進一步地,所述的第二級RO膜與四通閥之間還連接有單向閥B和第三低壓開關。
進一步地,所述的四通閥還與壓力桶和第三高壓開關相連。
進一步地,所述的小T33串接管線機。
本實用新型相比現有技術,具有以下有益效果:
1.本實用新型針對原自來水TDS值偏高地區的應用試驗,最終產出的純水TDS值可以穩定在20以下。
2.本實用新型通過雙回路循環收集高濃縮清潔水用于生活洗漱,達到了節水目的。







