申請日2013.08.22
公開(公告)日2014.01.29
IPC分類號E03C1/12
摘要
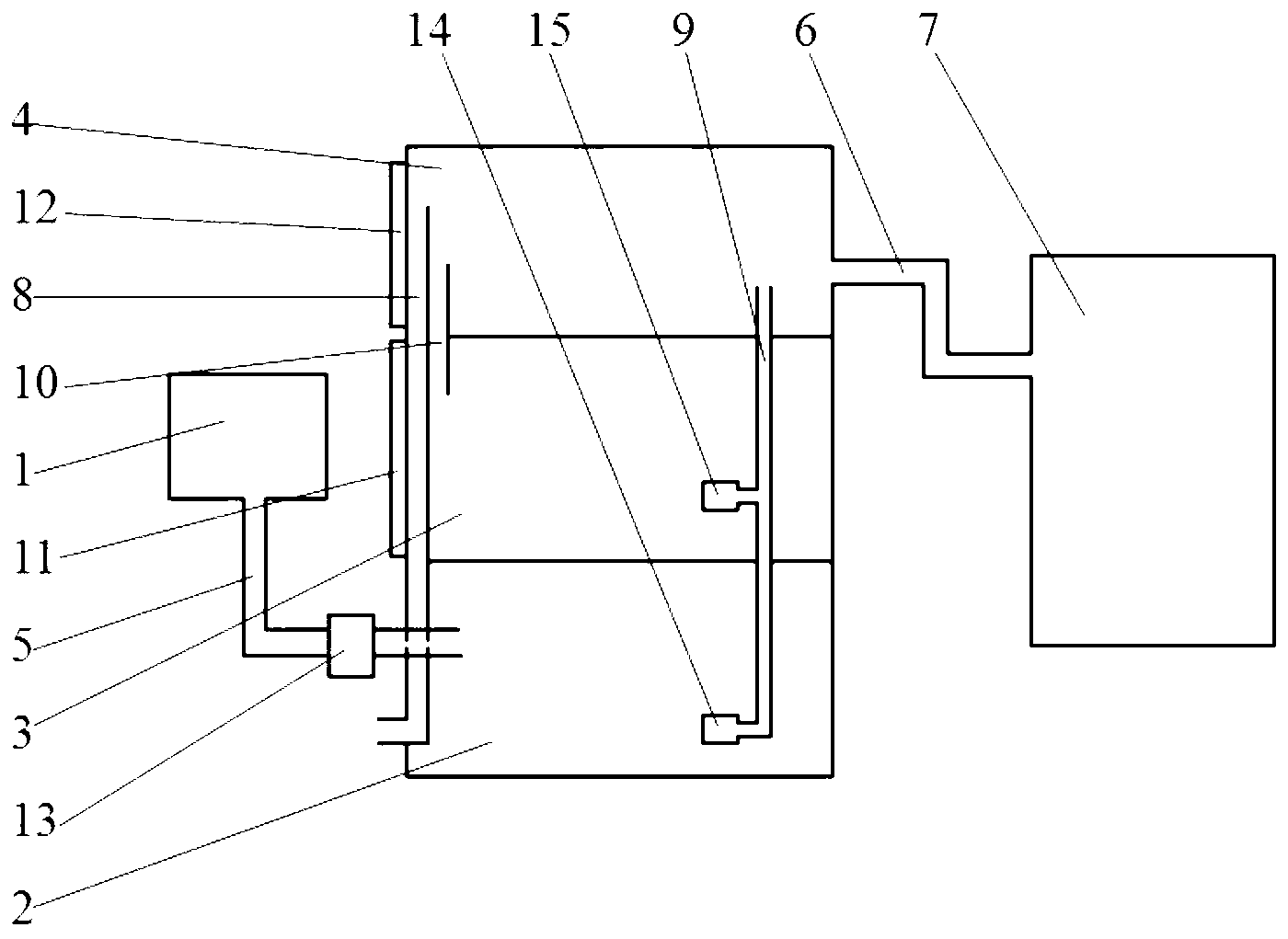
本實用新型公開了一種家庭廢水循環系統,包括:廢水供應裝置、密閉水箱、進水管道、出水管道和坐便器;所述廢水供應裝置通過所述進水管道與所述密閉水箱連接,所述密閉水箱通過所述出水管道與所述坐便器連接;所述密閉水箱的高度高于所述坐便器的高度。本實用新型提供的一種家庭廢水循環系統,生活廢水經過進水管道儲存至密閉水箱內。密閉水箱通過出水管道與坐便器連接,密閉水箱的高度高于坐便器的高度。故儲存在密閉水箱中的生活廢水依靠自身重力流入坐便器中,用于沖刷坐便器。故生活廢水有效的得到了再利用,降低了大量水資源的浪費。
權利要求書
1.一種家庭廢水循環系統,其特征在于,包括:廢水供應裝置、 密閉水箱、進水管道、出水管道和坐便器;所述廢水供應裝置 通過所述進水管道與所述密閉水箱連接,所述密閉水箱通過所 述出水管道與所述坐便器連接;所述密閉水箱的高度高于所述 坐便器的高度。
2.根據權利要求1所述的一種家庭廢水循環系統,其特征在于, 還包括排水通道,所述排水通道設置在所述密閉水箱內,當所 述密閉水箱裝滿廢水時,廢水從所述排水通道排出所述密閉水 箱。
3.根據權利要求2所述的一種家庭廢水循環系統,其特征在于, 還包括第一水泵、供水通道;所述密閉水箱自下而上分成下水 箱和上水箱;所述廢水供應裝置通過所述進水管道與所述下水 箱相連;所述下水箱通過所述供水通道與所述上水箱連接;所 述上水箱通過所述出水管道與所述坐便器相連;所述上水箱的 高度高于所述坐便器;所述下水箱內設置有第一水泵,所述第 一水泵與所述供水通道相連,用于將所述廢水供入所述上水 箱。
4.根據權利要求3所述的一種家庭廢水循環系統,其特征在于, 還包括第二水泵和回水通道;所述上水箱自下而上分成第一水 箱和第二水箱,所述第一水箱通過所述回水通道與所述第二水 箱相連,所述第一水箱用于儲存經所述回水通道回流的廢水; 所述第二水箱通過所述出水管道與所述坐便器相連;所述第二 水箱的高度高于所述坐便器的高度;所述第一水箱內設置有所 述第二水泵,所述第二水泵與所述供水通道相連,用于將儲存 在所述第一水箱的廢水供入所述第二水箱內。
5.根據權利要求4所述的一種家庭廢水循環系統,其特征在于, 還包括第一液位計,所述第一液位計設置在所述第一水箱的外 部,用于監控所述第一水箱內廢水量。
6.根據權利要求5所述的一種家庭廢水循環系統,其特征在于, 還包括第二液位計,所述第二液位計設置在所述第二水箱的外 部,用于監控所述第二水箱內廢水量。
7.根據權利要求6所述的一種家庭廢水循環系統,其特征在于, 還包括過濾裝置,所述進水管道通過所述過濾裝置與所述下水 箱相連,所述過濾裝置用于過濾廢水中的雜質。
8.根據權利要求7所述的一種家庭廢水循環系統,其特征在于, 所述過濾裝置為過濾網。
說明書
一種家庭廢水循環系統
技術領域
本實用新型涉及日用生活領域,具體而言,涉及一種家庭廢水 循環系統。
背景技術
日常生活中會產生大量的生活廢水,譬如洗菜水、洗衣水、洗 臉水等。生活廢水可以有很高的再利用價值,譬如沖刷廁所。相關 技術中,生活廢水不能被再次利用,大量的生活廢水直接排入污水 系統或廁所中,造成大量的水資源浪費。
實用新型內容
本實用新型的目的在于提供一種家庭廢水循環系統,以解決上 述的問題。
在本實用新型的實施例中提供了一種家庭廢水循環系統,包括 廢水供應裝置、密閉水箱、進水管道、出水管道和坐便器;廢水供 應裝置通過進水管道與密閉水箱連接,密閉水箱通過出水管道與坐 便器連接;密閉水箱的高度高于坐便器的高度。
本實用新型上述實施例的一種家庭廢水循環系統,生活廢水經 過進水管道儲存至密閉水箱內。密閉水箱通過出水管道與坐便器連 接,密閉水箱的高度高于坐便器的高度。故儲存在密閉水箱中的生 活廢水依靠自身重力流入坐便器中,用于沖刷坐便器。故生活廢水 有效的得到了再利用,降低了大量水資源的浪費。







