申請日2014.10.15
公開(公告)日2014.12.10
IPC分類號C02F103/12; C02F9/14
摘要
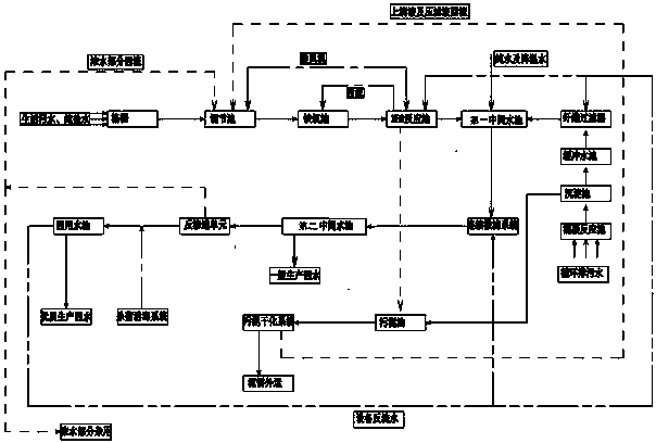
本實用新型公開了一種水泥廠集成化污水處理系統,包括鍋爐排污水及冷卻循環水預處理單元、生活污水及純鹽水預處理單元、過濾單元及反滲透單元,其中,上述鍋爐排污水及冷卻循環水對循環排污水進行預處理,預處理后的水經纖維過濾器過濾后進入第一中間水池中;上述生活污水及純鹽水預處理單元對生活污水及純鹽水進行預處理,預處理后的水經MBR反應池進行生物處理后導入第一中間水池中;上述過濾單元連接第一中間水池,并對第一中間水池中的混合水進行過濾,過濾后導入上述反滲透單元中,反滲透單元處理后的水經殺菌消毒系統進行殺菌消毒。本實用新型減少占地面積、工程投資、運行費用、確保水質達標,且能達到水泥行業污水處理“零”排放。
權利要求書
1.一種水泥廠集成化污水處理系統,其特征在于:包括鍋爐排污水及冷卻循環水預處理單元、生活污水及純鹽水預處理單元、過濾單元及反滲透單元,其中,上述鍋爐排污水及冷卻循環水對循環排污水進行預處理,預處理后的水經纖維過濾器過濾后進入第一中間水池中;上述生活污水及純鹽水預處理單元對生活污水及純鹽水進行預處理,預處理后的水經MBR反應池進行生物處理后導入第一中間水池中;上述過濾單元連接第一中間水池,并對第一中間水池中的混合水進行過濾,過濾后導入上述反滲透單元中,反滲透單元處理后的水經殺菌消毒系統進行殺菌消毒后得到優質的生產回用水。
2.根據權利要求1所述的一種水泥廠集成化污水處理系統,其特征在于:所述的鍋爐排污水及冷卻循環水預處理單元包括依次連接的混凝反應池、沉淀池及緩沖水池,水泥廠產生的鍋爐排污水及冷卻循環水進入混凝反應池進行加藥攪拌、絮凝沉淀;混凝反應池的出水進入沉淀池進行泥水分離,經分離后進入緩沖水池通過水泵提升至纖維過濾器過濾,以便進行除污。
3.根據權利要求2所述的一種水泥廠集成化污水處理系統,其特征在于:所述的沉淀池連接污泥池,沉淀池中沉淀的固體污泥導入污泥池中,污泥池連接污泥干化系統,污泥池中的污泥經污泥干化系統處理形成泥餅;上述污泥干化系統又連接調節池,經污泥干化系統處理后得到的上清液及壓濾液回流至調節池中進行重新利用。
4.根據權利要求3所述的一種水泥廠集成化污水處理系統,其特征在于:所述的生活污水及純鹽水預處理單元包括依次連接的格柵、調節池及缺氧池,生活污水及純鹽水經過格柵進行粗濾,粗濾后依次進入廢水調節池及缺氧池,再進入MBR反應池中進行生物處理。
5.根據權利要求4所述的一種水泥廠集成化污水處理系統,其特征在于:所述的MBR反應池連接污泥池,并將反應剩余的固體污泥導入污泥池中,MBR池反應后的液體傳輸至第一中間水池。
6.根據權利要求5所述的一種水泥廠集成化污水處理系統,其特征在于:所述的過濾單元包括纖維過濾器及連續微濾系統,其中,連續微濾系統與第一中間水池連接,并通過水泵將第一中間水池中的混合液體傳送至連續微濾系統中進行過濾;連續微濾系統又包括多介質過濾器、布袋過濾器及保安過濾器。
7.根據權利要求6所述的一種水泥廠集成化污水處理系統,其特征在于:所述的連續微濾系統連接第二中間水池,經連續微濾系統過濾后的水導入第二中間水池中進行沉淀后能得到生產回用水。
8.根據權利要求7所述的一種水泥廠集成化污水處理系統,其特征在于:所述的第二中間水池連接反滲透單元,第二中間水池中的水進入反滲透單元進行處理后再經殺菌消毒系統殺菌消毒后進入回用水池內,經回用水池的沉淀后得到高質量的生產回用水。
9.根據權利要求8所述的一種水泥廠集成化污水處理系統,其特征在于:所述的回用水池還連接MBR反應池及連續微濾系統,反洗設備后的設備反洗水經回用水池分別進入MBR反應池及連續微濾系統中,以便重復利用。
10.根據權利要求9所述的一種水泥廠集成化污水處理系統,其特征在于:所述的反滲透單元又連接調節池,經反滲透單元處理后留下的濃水部分回流至調節池中,以重復利用,另外的部分濃水直接用于生產生活。
說明書
一種水泥廠集成化污水處理系統
技術領域
本實用新型污水處理系統,特別指一種水泥廠集成化污水處理系統。
背景技術
現有的水泥廠污水處理技術是針對廠區職工生活污水、水泥廠產生的鍋爐排污水、冷卻循環水排污水、純水濃鹽水等分別進行處理,處理程序相當復雜,沒有形成廠區的水系統總量控制和統一分配。由于水泥廠產生的污水點多、污水種類分散、各種類污水水量水質變化大,一般技術單獨處理造成了污水處理系統龐而大且處理效果不理想,由于是水質水量變化大的時候造成了單一系統處理負荷加大,處理后的出水水質尤其是氨氮、CODcr、總氮、含鹽量等仍不能達標或穩定達標。
實用新型內容
本實用新型要解決的技術問題是針對上述現有技術的不足,提供一種水泥廠生產循環補水,設計合理,綜合處理能力強的水泥廠集成化污水處理系統。
本實用新型采取的技術方案如下:一種水泥廠集成化污水處理系統,包括鍋爐排污水及冷卻循環水預處理單元、生活污水及純鹽水預處理單元、過濾單元及反滲透單元,其中,上述鍋爐排污水及冷卻循環水對循環排污水進行預處理,預處理后的水經纖維過濾器過濾后進入第一中間水池中;上述生活污水及純鹽水預處理單元對生活污水及純鹽水進行預處理,預處理后的水經MBR反應池進行生物處理后導入第一中間水池中;上述過濾單元連接第一中間水池,并對第一中間水池中的混合水進行過濾,過濾后導入上述反滲透單元中,反滲透單元處理后的水經殺菌消毒系統進行殺菌消毒后得到優質的生產回用水。
優選地,所述的鍋爐排污水及冷卻循環水預處理單元包括依次連接的混凝反應池、沉淀池及緩沖水池,水泥廠產生的鍋爐排污水及冷卻循環水進入混凝反應池進行加藥攪拌、絮凝沉淀;混凝反應池的出水進入沉淀池進行泥水分離,經分離后進入緩沖水池通過水泵提升至纖維過濾器過濾,以便進行除污。
優選地,所述的沉淀池連接污泥池,沉淀池中沉淀的固體污泥導入污泥池中,污泥池連接污泥干化系統,污泥池中的污泥經污泥干化系統處理形成泥餅;上述污泥干化系統又連接調節池,經污泥干化系統處理后得到的上清液及壓濾液回流至調節池中進行重新利用。
優選地,所述的生活污水及純鹽水預處理單元包括依次連接的格柵、調節池及缺氧池,生活污水及純鹽水經過格柵進行粗濾,粗濾后依次進入廢水調節池及缺氧池,再進入MBR反應池中進行生物處理。
優選地,所述的MBR反應池連接污泥池,并將反應剩余的固體污泥導入污泥池中,MBR池反應后的液體傳輸至第一中間水池。
優選地,所述的過濾單元包括纖維過濾器及連續微濾系統,其中,連續微濾系統與第一中間水池連接,并通過水泵將第一中間水池中的混合液體傳送至連續微濾系統中進行過濾;連續微濾系統又包括多介質過濾器、布袋過濾器及保安過濾器。
優選地,所述的連續微濾系統連接第二中間水池,經連續微濾系統過濾后的水導入第二中間水池中進行沉淀后能得到生產回用水。
優選地,所述的第二中間水池連接反滲透單元,第二中間水池中的水進入反滲透單元進行處理后再經殺菌消毒系統殺菌消毒后進入回用水池內,經回用水池的沉淀后得到高質量的生產回用水。
優選地,所述的回用水池還連接MBR反應池及連續微濾系統,反洗設備后的設備反洗水經回用水池分別進入MBR反應池及連續微濾系統中,以便重復利用。
優選地,所述的反滲透單元又連接調節池,經反滲透單元處理后留下的濃水部分回流至調節池中,以重復利用,另外的部分濃水直接用于生產生活。
本實用新型的有益效果在于:
本實用新型針對水泥廠污水處理系統進行集成式優化處理。減少占地面積、工程投資、運行費用、確保水質達標并對不同工段用水要求進行不同的處理供水,且能達到水泥行業污水處理“零”排放。
本實用新型對水泥廠不同工段產生的廢水如鍋爐排污水、冷卻循環水排污水、生活污水與純水濃鹽水進行集成式處理并根據不同工段水質使用要求進行回用,具有優越的脫氮和除磷功能,出水水質穩定,得到優質回用水;全自動PLC控制,自動報警。
本實用新型進行上述處理時,占地面積小,可采用地下式結構,不會影響廠區美觀和整體布局;具有優越的脫氮和除磷功能,出水不存在富營養化的問題;采用微濾中空纖維膜出水,出水水質穩定,得到優質回用水;污泥齡長,剩余污泥量少,無需專門的污泥處理設備;全自動PLC控制,自動報警,運行管理方便,只需要少數維護人員;膜組件已經模塊化,只要預留足夠的位置,即可對出水水量進行擴容,可對近、遠期進行綜合考慮,避免產生二次污染。
本實用新型處理后的水泥廠產生的鍋爐排污水、冷卻循環水排污水、廠區職工生活污水、純水濃鹽水等4種廢水經過該技術集成化處理后達到《城市污水再生利用 工業用水水質》(GB/T19923-2005)回用于生產循環水補水、生產用水、沖洗廁所、澆灌綠地、噴灑道路等,經過實驗運行,其具有突顯的優越性。







