公布日:2023.05.23
申請日:2023.03.13
分類號:C02F9/00(2023.01)I;C02F1/00(2023.01)I;C02F3/30(2023.01)I;C02F1/44(2023.01)I
摘要
本申請公開一種應用污泥致密技術的廢水處理系統,包括初級沉淀器、生化反應器、生化污泥智能調控單元、以及沉淀器或膜器;初級沉淀器、生化反應器、以及沉淀器或膜器依次設置;生化反應器至少包括厭氧區和好氧區;在生化反應器處進行第一加藥步驟,在初級沉淀器下游至沉淀器或膜器之間進行同步沉淀;生化污泥智能調控單元包括致密成套裝置和專用測試裝置,致密成套裝置包括機械過濾功能區和致密反應功能區;專用測試裝置用于測試混合液的沉淀高度和達到預定高度所用時間,專用測試裝置還用于測試沉淀物料的骨架密度和生物體含量。本說明書所提供的應用污泥致密技術的廢水處理系統,能調控生物功能體使其發揮其本有的功能或增加其功能效率。
![]()
權利要求書
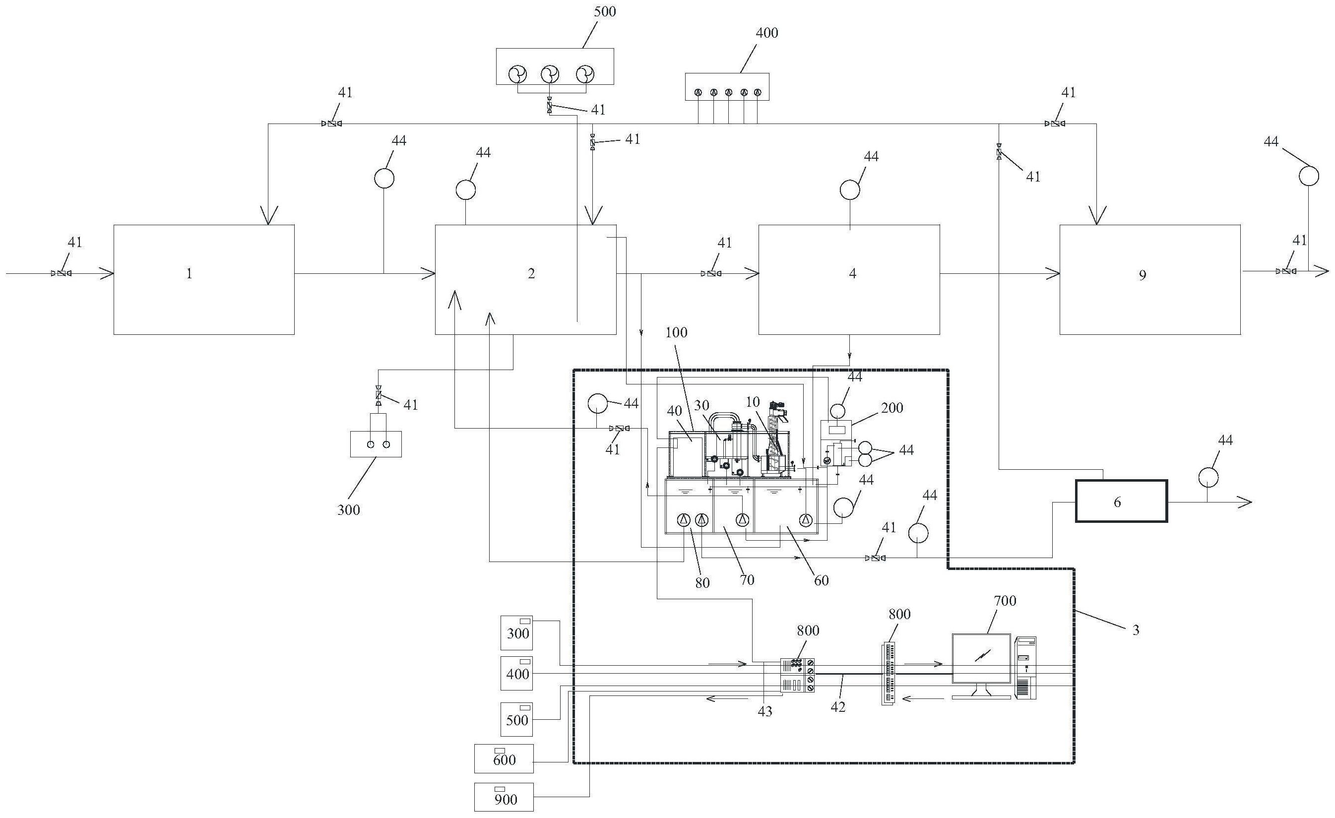
1.一種應用污泥致密技術的廢水處理系統,其特征在于,包括初級沉淀器、生化反應器、生化污泥智能調控單元、以及沉淀器或膜器;其中,所述初級沉淀器、所述生化反應器、以及所述沉淀器或膜器自上游至下游依次設置;所述生化反應器至少包括厭氧區和好氧區;在所述生化反應器處進行第一加藥步驟,在所述初級沉淀器下游至所述沉淀器或膜器之間進行同步沉淀;所述生化污泥智能調控單元的上游為所述生化反應器或者所述沉淀器或膜器;所述生化污泥智能調控單元包括致密成套裝置和專用測試裝置,所述致密成套裝置包括用于去除非常規懸浮無機物的機械過濾功能區和用于擴展功能體內質密度的致密反應功能區,所述機械過濾功能區位于所述致密反應功能區的上游;所述專用測試裝置與所述生化反應器和所述致密成套裝置相連通,所述專用測試裝置用于測試混合液的沉淀高度以及達到預定高度所用時間,所述專用測試裝置還用于測試沉淀物料的骨架密度、生物體含量。
2.根據權利要求1所述的應用污泥致密技術的廢水處理系統,其特征在于,所述機械過濾功能區包括第一進料口、過濾腔、出渣口和第一出料口;所述第一進料口和所述過濾腔相連通;所述過濾腔內設有過濾網板和用于輸送所述過濾網板所過濾的物質的輸料螺桿,所述輸料螺桿位于所述第一進料口和所述過濾網板之間,所述過濾網板位于所述輸料螺桿和所述第一出料口之間;所述出渣口位于所述輸料螺桿遠離所述過濾網板的一端,用于輸出所述輸料螺桿輸送的物質;所述輸料螺桿連接有用于驅動所述輸料螺桿轉動的提渣電機;所述致密成套裝置還包括一端與所述第一出料口相連通的第一管道;所述致密反應功能區包括致密反應器、第二管道和第三管道;所述致密反應器設有與所述第一管道遠離所述第一出料口的一端相連通的第二進料口、以及位于所述致密反應器底部的致密排泥嘴,所述致密排泥嘴連通有用于排料的第一出口;所述第二管道的一端連接于所述致密反應器的頂部且與所述致密反應器內部相連通,另一端連通有用于排料的第二出口;所述第三管道的一端連接于所述致密反應器的側壁且與所述致密反應器內部相連通,另一端連通有用于排料的第三出口,所述第三管道上設有用于控制所述第三管道通斷的電動閥;所述致密成套裝置還包括分別與所述提渣電機和所述電動閥電連接的控制機構。
3.根據權利要求2所述的應用污泥致密技術的廢水處理系統,其特征在于,所述致密成套裝置還包括用于進料的第一腔室、用于出料的第二腔室和用于出料的第三腔室;所述第一腔室、所述第二腔室、所述第三腔室相互隔離;所述第一腔室與所述機械過濾功能區的所述第一進料口相連通;所述第二腔室與所述致密反應功能區的所述第一出口、所述第三出口相連通;所述第三腔室與所述致密反應功能區的所述第二出口相連通。
4.根據權利要求3所述的應用污泥致密技術的廢水處理系統,其特征在于,所述專用測試裝置與所述控制機構電連接;所述專用測試裝置包括集成外殼、沉降筒、分析腔和顯示及操作界面;所述沉降筒和所述分析腔設于所述集成外殼內,所述分析腔與所述沉降筒相連通;所述顯示及操作界面設于所述集成外殼外。
5.根據權利要求4所述的應用污泥致密技術的廢水處理系統,其特征在于,所述沉降筒設有稀釋水進口、抽吸進口和第二出料口;所述第二出料口位于所述沉降筒的底部;所述抽吸進口和所述稀釋水進口與所述沉降筒的上部相連通;所述抽吸進口與所述沉降筒之間設有吸泵和電磁閥。
6.根據權利要求5所述的應用污泥致密技術的廢水處理系統,其特征在于,所述抽吸進口與所述生化反應器、所述第一腔室、所述第二腔室和所述第三腔室相連通,所述專用測試裝置用于測定好氧過程、所述第一腔室、所述第二腔室和所述第三腔室的混合液的沉淀高度;所述專用測試裝置能測定30min所述沉淀高度和沉淀至20cm時所用的時間、以及所述沉淀物料的骨架密度和生物體含量并發送至所述控制機構。
7.根據權利要求1所述的應用污泥致密技術的廢水處理系統,其特征在于,所述生化污泥智能調控單元的上游為所述沉淀器或膜器,所述生化污泥智能調控單元的下游為所述生化反應器。
8.根據權利要求1所述的應用污泥致密技術的廢水處理系統,其特征在于,所述生化污泥智能調控單元的上游為所述生化反應器,所述生化污泥智能調控單元的下游為所述沉淀器或膜器。
9.根據權利要求1所述的應用污泥致密技術的廢水處理系統,其特征在于,還包括硝酸鹽回流流道,所述硝酸鹽回流流道從所述生化反應器和所述沉淀器或膜器之間流向所述生化污泥智能調控單元,再流向所述生化反應器;或者,所述硝酸鹽回流流道從所述生化污泥智能調控單元流向所述生化反應器。
10.根據權利要求1所述的應用污泥致密技術的廢水處理系統,其特征在于,所述生化污泥智能調控單元與碳源、藥劑投加單元、鼓風機、混合液回流泵電連接,所述生化污泥智能調控單元用于調控自身分配進出流量和調控外圍。
發明內容
經研究發現,絮體顆粒此沉降性征僅為處理效率的表象,具體是因絮體密度與內質相互作用、溶解基質作用力相關,多無機懸浮物及絲狀細菌組成表征為低密度低沉降功能體,多無機大分子內質及多生物功能細菌的組合表征為高密度高沉降功能體,高密度高沉降功能體應為工藝處理的核心生物功能體,此核心生物功能體的中心內質密度表征功能體的密度,尤其涉及到一種聚磷生物功能體(PAO),其在生化反應處理方法中起著除磷的主要作用以及脫氮的重要作用。
聚磷生物功能體(PAO)性征為一種聚合物,其內質多為高密度的無機大分子等組成,向外逐漸顯現低密度層體及其外層多結合硝化細菌及其它細菌、糖源及金屬離子等。
這樣的性征使得PAO功能體具有特殊的結構,在一定的條件下可形成內缺/厭氧外好氧的功能體,如其在生化反應器混合液中的具有環境DO濃度、營養物質等濃度時,環境溶解氧(DO)和溶解基質可滲透進入外好氧功能區發生硝化,氧很快消耗,使氧不能穿透高密度功能區,而硝化生產的硝酸鹽能等和其它會滲入高密度區發生反硝化,此特殊的結構功能會加強環境營養基質的脫氮除磷,大量核心功能體在生化處理環境基質中循環勢必會大大提高處理效率。
聚磷生物功能體(PAO)另一重要性征為,在一定極端條件下,如其在環境DO濃度低、氮磷營養物質等低濃度時,其會發抵抗極端的、不利于其生存的環境壓力而發生應急反應變化而使其功能體內質密度擴展。
聚磷生物功能體(PAO)內質密度擴展變化(骨架密度)可使此給功能體形成更多面積的內缺/厭氧外好氧功能區,和其功能體在混合液中數量含量的擴展變化表征反應器處理效率情況。
pH值和水溫是進水水質控制,溶解氧(DO)、碳源投加量及化學藥劑投加量時外源控制,活性污泥濃度(MLSS)、沉降比(SV30)、污泥容積指數(SVI)、污泥齡(SRT)、回流比(%)為表象控制,F/M=Q*BOD5(每天進入系統中的食料量)/(MLSS*Va)(曝氣過程中的微生物量),從公式關系看到其仍為表象,涉及到微生物的量就涉及到微生物的多種類,多細菌性征,涉及到其中高效功能的生物體積極的變化情況和進一步涉及到高效功能的生物體數量含量變化情況。
因此,本公開的技術方向為調整工藝生化處理方法,認識影響生化反應及代謝功能的本質,通過客觀認識聚磷生物功能體并樹立其為核心生物功能體的主導指示作用,以通過創造新的生化環境使得其功能體的內質密度(骨架密度)得到擴展,新建或創造聚磷生物功能體(PAO)內質密度(骨架密度)數據為工藝處理的指示參數,新建或創造聚磷生物功能體(PAO)在整個生化反應器中的數量含量為工藝處理的指示參數,并此指示參數形成直觀的參數數據、變化趨勢曲線及生成客觀報告并以此為依據進行調控常規過程控制參數。
綜上,鑒于現有技術的不足,本說明書的一個目的是提供一種應用污泥致密技術的廢水處理系統,其能調控生物功能體使其發揮其本有的功能或增加其功能效率。
為達到上述目的,本說明書實施方式提供一種應用污泥致密技術的廢水處理系統,包括初級沉淀器、生化反應器、生化污泥智能調控單元、以及沉淀器或膜器;
其中,所述初級沉淀器、所述生化反應器、以及所述沉淀器或膜器自上游至下游依次設置;所述生化反應器至少包括厭氧區和好氧區;在所述生化反應器處進行第一加藥步驟,在所述初級沉淀器下游至所述沉淀器或膜器之間進行同步沉淀;所述生化污泥智能調控單元的上游為所述生化反應器或者所述沉淀器或膜器;所述生化污泥智能調控單元包括致密成套裝置和專用測試裝置,所述致密成套裝置包括用于去除非常規懸浮無機物的機械過濾功能區和用于擴展功能體內質密度的致密反應功能區,所述機械過濾功能區位于所述致密反應功能區的上游;所述專用測試裝置與所述生化反應器和所述致密成套裝置相連通,所述專用測試裝置用于測試混合液的沉淀高度以及達到預定高度所用時間,所述專用測試裝置還用于測試沉淀物料的骨架密度、生物體含量。
作為一種優選的實施方式,所述機械過濾功能區包括第一進料口、過濾腔、出渣口和第一出料口;所述第一進料口和所述過濾腔相連通;所述過濾腔內設有過濾網板和用于輸送所述過濾網板所過濾的物質的輸料螺桿,所述輸料螺桿位于所述第一進料口和所述過濾網板之間,所述過濾網板位于所述輸料螺桿和所述第一出料口之間;所述出渣口位于所述輸料螺桿遠離所述過濾網板的一端,用于輸出所述輸料螺桿輸送的物質;所述輸料螺桿連接有用于驅動所述輸料螺桿轉動的提渣電機;
所述致密成套裝置還包括一端與所述第一出料口相連通的第一管道;
所述致密反應功能區包括致密反應器、第二管道和第三管道;所述致密反應器設有與所述第一管道遠離所述第一出料口的一端相連通的第二進料口、以及位于所述致密反應器底部的致密排泥嘴,所述致密排泥嘴連通有用于排料的第一出口;所述第二管道的一端連接于所述致密反應器的頂部且與所述致密反應器內部相連通,另一端連通有用于排料的第二出口;所述第三管道的一端連接于所述致密反應器的側壁且與所述致密反應器內部相連通,另一端連通有用于排料的第三出口,所述第三管道上設有用于控制所述第三管道通斷的電動閥;
所述致密成套裝置還包括分別與所述提渣電機和所述電動閥電連接的控制機構。
作為一種優選的實施方式,所述致密成套裝置還包括用于進料的第一腔室、用于出料的第二腔室和用于出料的第三腔室;所述第一腔室、所述第二腔室、所述第三腔室相互隔離;所述第一腔室與所述機械過濾功能區的所述第一進料口相連通;所述第二腔室與所述致密反應功能區的所述第一出口、所述第三出口相連通;所述第三腔室與所述致密反應功能區的所述第二出口相連通。
作為一種優選的實施方式,所述專用測試裝置與所述控制機構電連接;所述專用測試裝置包括集成外殼、沉降筒、分析腔和顯示及操作界面;所述沉降筒和所述分析腔設于所述集成外殼內,所述分析腔與所述沉降筒相連通;所述顯示及操作界面設于所述集成外殼外。
作為一種優選的實施方式,所述沉降筒設有稀釋水進口、抽吸進口和第二出料口;所述第二出料口位于所述沉降筒的底部;所述抽吸進口和所述稀釋水進口與所述沉降筒的上部相連通;所述抽吸進口與所述沉降筒之間設有吸泵和電磁閥。
作為一種優選的實施方式,所述抽吸進口與所述生化反應器、所述第一腔室、所述第二腔室和所述第三腔室相連通,所述專用測試裝置用于測定好氧過程、所述第一腔室、所述第二腔室和所述第三腔室的混合液的沉淀高度;所述專用測試裝置能測定30min所述沉淀高度和沉淀至20cm時所用的時間、以及所述沉淀物料的骨架密度和生物體含量并發送至所述控制機構。
作為一種優選的實施方式,所述生化污泥智能調控單元的上游為所述沉淀器或膜器,所述生化污泥智能調控單元的下游為所述生化反應器。
作為一種優選的實施方式,所述生化污泥智能調控單元的上游為所述生化反應器,所述生化污泥智能調控單元的下游為所述沉淀器或膜器。
作為一種優選的實施方式,還包括硝酸鹽回流流道,所述硝酸鹽回流流道從所述生化反應器和所述沉淀器或膜器之間流向所述生化污泥智能調控單元,再流向所述生化反應器;或者,所述硝酸鹽回流流道從所述生化污泥智能調控單元流向所述生化反應器。
作為一種優選的實施方式,所述生化污泥智能調控單元與碳源、藥劑投加單元、鼓風機、混合液回流泵電連接,所述生化污泥智能調控單元用于調控自身分配進出流量和調控外圍。
有益效果:
本實施方式所提供的應用污泥致密技術的廢水處理系統,將生化污泥智能調控單元內置于工藝流程中,生化污泥智能調控單元的建設或改造不影響主工藝的最主要水力流程。生化污泥智能調控單元包括致密成套裝置和專用測試裝置,其中,致密成套裝置包括用于去除非常規懸浮無機物的機械過濾功能區和用于擴展功能體內質密度的致密反應功能區,專用測試裝置用于測試混合液的沉淀高度以及達到預定高度所用時間,專用測試裝置還用于測試沉淀物料的骨架密度、生物體含量。
在廢水處理系統中加入生化污泥智能調控單元具有以下優點:減少廢水處理系統的占地面積;減少生物曝氣池/二沉池污泥所占容積;減少化學沉淀藥劑用量;減少化學絮凝劑用量;降低電耗;降低污泥沉淀指數;減少排碳量;增加生物曝氣池/二沉池的處理能力;提高二沉池透視度;加快污泥沉降速度;確保出水水質指標穩定。好氧顆粒污泥高效處理應用運行可實現:(1)改善污泥沉降性能,提高生物除磷和硝化脫氮的效率;(2)確保恒定的出水質量,二沉池出水濁度極限較低;(3)污泥沉淀指數SVI平均值將會大幅度降低;(4)化學藥劑和能耗分別得以降低大量費用;(5)生化處理性能顯著提高,處理能力得以提高;(6)污泥脫水能力提高,污泥處置體積降低;(7)二沉池處理能力提高,避免/減少浮渣和膨脹污泥問題;(8)污水處理廠的運轉變得容易簡單,保養工作降低至最低程度;(9)可以快速集成到現有系統中。
參照后文的說明和附圖,詳細公開了本發明的特定實施方式,指明了本發明的原理可以被采用的方式。應該理解,本發明的實施方式在范圍上并不因而受到限制。
針對一種實施方式描述和/或示出的特征可以以相同或類似的方式在一個或更多個其它實施方式中使用,與其它實施方式中的特征相組合,或替代其它實施方式中的特征。
應該強調,術語“包括/包含”在本文使用時指特征、整件、步驟或組件的存在,但并不排除一個或更多個其它特征、整件、步驟或組件的存在或附加。
(發明人:王冰;劉國強;朱黎巍;姜鳴;王春偉)






