申請日2015.07.13
公開(公告)日2015.12.16
IPC分類號C02F101/20; C02F9/04
摘要
本實用新型涉及一種含汞廢水處理裝置,提供了一種微量反應器與膜分離組件耦合的含汞廢水處理裝置,包括微量反應器和與所述的微量反應器串連連接的膜分離組件:所述的微量反應器包括反應器和設置其頂部的混合器;所述的混合器包括外套管和內管,所述的外套管套在內管外,所述的外套管的下部設有噴頭,所述的外套管的上部設有廢水入口,所述的內管的上部為硫化鈉水溶液入口;本實用新型采用微量反應器和膜分離組件耦合,加速了除汞化學藥劑在含汞廢水中的混合、傳質和化學反應推動力,整個系統含汞廢水100%通過膜過濾達標排放,泥渣100%回用至觸媒廠家,具有較大的工業化應用前景。
權利要求書
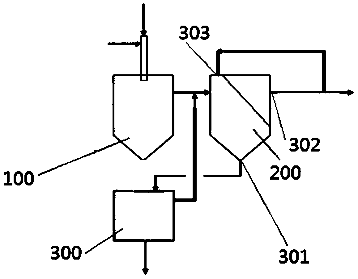
1.微量反應器與膜分離組件耦合的含汞廢水處理裝置,其特征在于,包括微量反應器(100)和與所述的微量反應器(100)串連連接的膜分離組件(200):
所述的微量反應器(100)包括反應器(1)和設置其頂部的混合器(2);
所述的混合器(1)包括外套管(101)和內管(102),所述的外套管(101)套在內管(102)外,所述的外套管(101)的下部設有噴頭(103),所述的外套管(101)的上部設有廢水入口(104),所述的內管(102)的上部為硫化鈉水溶液入口(105)。
2.根據權利要求1所述的微量反應器與膜分離組件耦合的含汞廢水處理裝置,其特征在于,所述的噴頭的中部設有喉管(106)。
3.根據權利要求2所述的微量反應器與膜分離組件耦合的含汞廢水處理裝置,其特征在于,所述的外套管橫截面面積與所述的內管橫截面面積之比為:外套管橫截面面積∶內管橫截面面積=1∶0.001~0.01;
外套管橫截面面積∶喉管橫截面面積=1∶0.001~0.005。
4.根據權利要求1所述的微量反應器與膜分離組件耦合的含汞廢水處理裝置,其特征在于,所述的內管與外套管的下端之間設有間距L,所述的間距L為5~20mm。
5.根據權利要求1所述的微量反應器與膜分離組件耦合的含汞廢水處理裝置,其特征在于,所述的噴頭的噴射角度α為55~65°。
6.根據權利要求1所述的微量反應器與膜分離組件耦合的含汞廢水處理裝置,其特征在于,所述的噴頭的端部的直徑小于等于外套管的直徑。
7.根據權利要求1~6任一項所述的微量反應器與膜分離組件耦合的含汞廢水處理裝置,其特征在于,還包括脫水單元(300),所述的脫水單元與膜分離單元的液固混合物出口(301)通過管線相連接。
8.根據權利要求7所述的微量反應器與膜分離組件耦合的含汞廢水處理裝置,其特征在于,膜分離單元的濾清液出口(302)通過管線與膜分離單元的物料入口(303)相連接。
說明書
微量反應器與膜分離組件耦合的含汞廢水處理裝置
技術領域
本實用新型涉及一種含汞廢水處理裝置。
背景技術
汞是一種銀白色的液體金屬,汞及其化合物都是有毒物質,可以通過各種途徑侵入人或動物體內,它的毒性是累積的,其中無機汞主要積聚于內臟,少量積聚于腦髓、皮膚和其他部分。汞的中毒表現一般多為慢性中毒,汞主要影響人和動物的中樞神經。含汞達0~0.02mg/L的水能使魚類中毒,達0.03mg/L能使水生蟲類中毒,而人飲用含汞50mg/L的水會中毒致死。
由于汞具有一些特殊的物理、化學性能,所以廣泛的應用在化工和石油化學工業、制藥、紙漿、造紙、電器、電子、儀表等工業部門,其中氯堿化工采用的水銀電解技術、PVC行業所采用的含汞觸媒、低汞觸媒都汞及其化合物的應用。
汞及其化合物以"三廢"形式進入環境,成為重要的污染物之一,其中含汞廢水主要來源于氯堿工業、塑料工業、皮毛加工和制藥等“三廢”排放及含汞有機殺菌劑的使用等。
常用的含汞廢水處理技術有硫化物沉淀法、混凝法、活性炭吸附法、離子交換法、還原過濾法、微生物濃集法和羊毛吸附法等。
硼酸鈉是一種非金屬還原劑,它與汞離子反應后主要生成單質汞和偏硼酸、放出氫氣。每kg的NaBH4可反應回收2kg的單質汞。
凡是氧化還原電位低于Hg2+的金屬單質,如Cu、Zn、Fe、Mn、Mg、Al等,均可與廢水中的Hg2+離子發生置換反應,以鐵為例,將鐵屑裝成填料塔,當含汞廢水通過填料塔的鐵屑床層時將發生如下反應:
Fe+Hg2+=Fe2++Hg↓
置換反應的速率與廢水的pH值、溫度、金屬的純度、金屬單質與廢水的接觸面積等因素有關。但有機汞不能用金屬直接還原、置換,通常用氧化劑(如氯)先將其破壞,轉化為無機汞,然后再用金屬置換。
硫化物沉淀法是目前廣泛被采用的一種高效能的除汞方法,如果廢水中有過量的S2-離子時,可通過投加硫酸亞鐵(FeSO4)與過量的S2-離子生成硫化鐵沉淀。
投加一部分Fe2+,能與廢水中的OH-離子結合生成Fe(OH)2或氧化后生成Fe(OH)3,對數量少而微小的HgS懸浮微粒,起共同沉淀和凝聚沉降作用。投加FeSO4后,不會影響HgS的優先沉淀。因為生成的FeS的溶度積(Ksp=3.7x10-19)比HgS的溶度積大億萬倍。在實際生產中,先用石灰調節pH=8~9,廢水呈堿性,再加FeSO4。采用硫化鈉沉淀法除汞,使廢水中汞量降至1~0.1mg/L,可采取鐵屑過濾、活性炭吸附、凝聚劑沉淀等,使廢水中含汞量降至0.05~0.01mg/L以下。
目前國內最常用的吸附劑是活性炭,靜態吸附,先沉淀,后吸附。
離子交換法,將幾種樹脂裝柱組成廢水凈化系列,這樣含汞廢水通過幾個交換柱后,出水中檢不出汞。但樹脂吸附飽和后存在解吸再生的問題,且報廢的樹脂目前也沒有很好的處理手段。
凝聚沉淀法,采用石灰作為凝聚劑,向含汞廢水中投加石灰,生成Ca(OH)2,Ca(OH)2對汞有凝聚吸附作用,在有三價鐵離子存在的情況下,效果更好。用硫酸鋁作凝聚劑處理含汞廢水,效果也較好。經凝聚沉淀后,出水水質含汞量可降到0.05mg/L以下。
溶劑萃取法及其它方法,目前,國外有采用三異辛胺一二甲苯對含汞廢水進行萃取,經萃取后,萃取汞后的萃取劑,采用非酸性鹽類反萃取,以回收汞。此外,國外采用微生物回收汞、電解法回收汞、鐵氧體沉淀法除汞、硫化物沉淀—浮選分離法除汞,國內正在研究的有轉化法除汞、含腐植酸煤吸附法除汞等。
目前所采用的含汞廢水處理方法都存在一定的技術問題,如還原法、硫化物沉淀法、混凝沉淀法等均無法達到出水含汞≤0.001~0.002mg/L的指標,根據HgS的Ksp值可以看出,采用硫化法反應之后,廢水的殘余Hg2+完全可以達到0.001~0.002mg/L以下,但就目前已經使用的硫化法案例來看,出水達不到0.001~0.002mg/L以下的原因主要有兩個:
(1)硫化鈉精制劑的擴散速度不夠:
含汞廢水中的Hg2+濃度一般都很低,如用濃度相當的硫化鈉溶液與廢水反應,處理后廢水的總水量將會增大很多,為了避免出現這種情況,多將硫化鈉濃度配制的較高,使之不影響含汞廢水的總水量,因此硫化鈉精制劑的濃度多為Hg2+離子的數百倍數千倍,硫化鈉精制劑的體積也就是含汞廢水的數百分之一或數千分之一,當少量的高濃度硫化鈉溶液加入到大量的含汞廢水中以后,如何使硫化鈉快速分散、不至于局部過量等就變得十分重要。
(2)反應形成的硫化汞未能有效分離
由于硫化汞顆粒非常細小,無論是采用混凝沉降還是活性炭吸附,對于細小的硫化汞顆粒都不是最理想的。
目前各企業普遍采用硫化法除汞,但受廢水汞濃度所限,反應一般較難控制,且形成的硫化汞顆粒難以有效分離,最終導致處理后產水中汞含量勉強達到0.005mg/L。新的環保法對含汞廢水的處理制定了更高的標準,要求產水Hg≤0.002mg/L,看上去由0.005mg/L降至0.002mg/L差別不大,但由于反應是在ppb數量級,已經完全進入微量反應的范疇,反應難度更大。
實用新型內容
本實用新型的目的是提供一種微量反應器與膜分離組件耦合的含汞廢水處理裝置,以克服現有技術存在的缺陷。
所述的微量反應器與膜分離組件耦合的含汞廢水處理裝置,包括微量反應器和與所述的微量反應器串連連接的膜分離組件:
所述的微量反應器包括包括反應器和設置其頂部的混合器;
所述的混合器包括外套管和內管,所述的外套管套在內管外,所述的外套管的下部設有噴頭,所述的外套管的上部設有廢水入口,所述的內管的上部為硫化鈉水溶液入口;
所述的膜分離單元,可采用常規的膜分離組件,如上海力脈環保設備有限公司牌號為Lymax/IMF的膜分離組件;
本實用新型采用微量反應器和膜分離組件耦合,加速了除汞化學藥劑在含汞廢水中的混合、傳質和化學反應推動力,整個系統含汞廢水100%通過膜過濾達標排放,泥渣100%回用至觸媒廠家,具有較大的工業化應用前景。







