申請日2015.06.11
公開(公告)日2015.09.02
IPC分類號C02F9/14
摘要
本發明公開了一種焦化廢水深度處理回用工藝,它包括如下步驟:(1)在混沉池中進行沉淀處理;(2)在多介質過濾器中進行過濾處理;(3)在臭氧催化氧化反應器中進行催化氧化反應;(4)再輸送至中間水槽中,后輸送至MBR膜生物反應器;(5)將從MBR膜生物反應器中出來的廢水直接用作生化過程中消泡劑用水、煤場抑塵和生活雜用水;或者:(6)將從MBR膜生物反應器中出來的廢水輸送至保安過濾器中進一步過濾處理;(7)再將廢水輸送至反滲透裝置中進行進一步除鹽。本發明還公開了一種焦化廢水深度處理回用裝置。該工藝及裝置設計合理,具有很強的工程應用價值;該工藝及裝置操作簡單,運行成本低,出水水質可以滿足不同用水要求。
摘要附圖
權利要求書
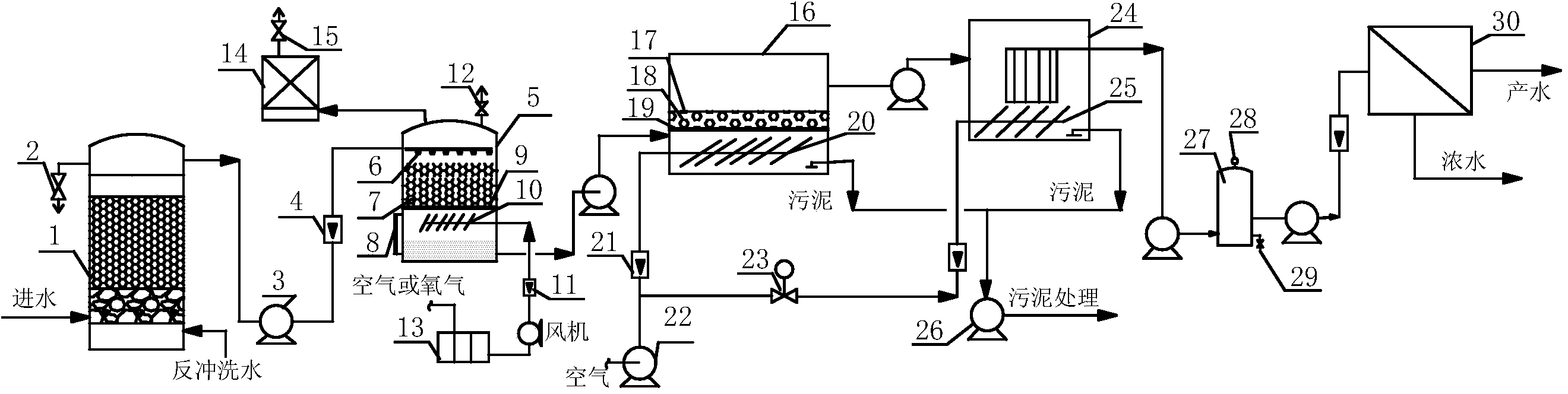
1.一種焦化廢水深度處理回用工藝,其特征在于:它包括如下步驟:
(1)將廢水送至混沉池中進行沉淀處理,得到沉淀后的焦化廢水;
(2)從混沉池出來的焦化廢水輸送至多介質過濾器中進行過濾處理, 以進一步減少廢水中的懸浮物的含量;
(3)將過濾后的焦化廢水輸送至臭氧催化氧化反應器中進行臭氧氧 化、催化劑催化氧化反應,使焦化廢水中生物難降解的有機物質通過羥基 自由基的氧化,將廢水中大分子有機物及芳香烴化合物降解成小分子或CO2和水;同時,逸出的剩余臭氧進入臭氧破壞裝置;
(4)將氧化后的廢水輸送至中間水槽中,通過中間水槽內曝氣裝置、 臭氧分解劑的作用進一步將廢水中的臭氧濃度降低后輸送至MBR膜生物 反應器,通過高濃度活性污泥的生物降解、截留作用,對小分子化合物進 一步生化降解,同時也截留部分懸浮物;
(5)將從MBR膜生物反應器中出來的廢水直接用作生化過程中消泡 劑用水、煤場抑塵和生活雜用水;或者:
(6)將從MBR膜生物反應器中出來的廢水輸送至保安過濾器中進一 步過濾處理,濾除其中部分懸浮物;
(7)將經過保安過濾后的廢水輸送至反滲透裝置中進行進一步除鹽, 所得除鹽廢水回用作工藝循環冷卻水,而反滲透出來的濃水作為高爐爐渣 冷卻沖渣用水、煤場抑塵用水、道路清掃用水。
2.根據權利要求1所述的焦化廢水深度處理回用工藝,其特征在于: 所述步驟(3)中,臭氧催化氧化反應器內填料為燒結硅藻土、陶粒或活性 炭,填料比表面積大于200m2/m3;臭氧催化氧化反應器內填料投加量為臭 氧催化氧化反應器體積的25~60%;臭氧發生器氣源采用空氣或氧氣。
3.根據權利要求1所述的焦化廢水深度處理回用工藝,其特征在于: 所述步驟(4)中,中間水槽設置曝氣裝置和臭氧分解劑;曝氣裝置采用鈦 質曝氣板,氣源采用空氣;臭分解劑采用Mn、Cu的氧化物作為活性組分, 載體采用γ-Al2O3、TiO2、SiO2、分子篩、活性炭或以上幾種的復合物;臭 氧分解劑填料投加量為中間水槽體積的15~35%。
4.根據權利要求1所述的焦化廢水深度處理回用工藝,其特征在于: 所述步驟(6)中,保安過濾器的濾管材料為陶瓷、玻璃砂或塑料;過濾孔 徑為0.5~120μm;所述保安過濾器前設有加藥點,分別投加次氯酸鈉殺菌 劑和亞硫酸氫鈉作為還原劑。
5.一種為實現權利要求1所述工藝而設計的焦化廢水深度處理回用裝 置,包括多介質過濾器(1),臭氧催化氧化反應器(5),臭氧發生器(13), 臭氧破壞裝置(14),中間水槽(16),MBR膜生物反應器(24),保安過 濾器(27),反滲透裝置(30),其特征在于:
所述多介質過濾器(1)的進口分別與進水管和反沖洗進水管連接,多 介質過濾器(1)的出口分別與臭氧催化氧化反應器(5)的進口和反沖洗 出水管連接,臭氧催化氧化反應器(5)的出口與中間水槽(16)的進口連 接,臭氧催化氧化反應器(5)的臭氧輸入口通過臭氧輸送管道與臭氧發生 器(13)連接,臭氧催化氧化反應器(5)的臭氧輸出口通過管道與臭氧破 壞裝置(14)的進口連接,臭氧破壞裝置(14)的出口與設有尾氣放空口 (15)的尾氣管道連接;中間水槽(16)的出口與MBR膜生物反應器(24) 的進口連接,MBR膜生物反應器(24)的出口與保安過濾器(27)的進口 連接,保安過濾器(27)的出口與反滲透裝置(30)的進口連接;反滲透 裝置(30)的出口分別與濃水管和工藝循環冷卻水管連接;保安過濾器(27) 頂部設有壓力表(28),保安過濾器(27)底部設有外排口(29);
還包括空氣鼓風機(22),空氣鼓風機(22)通過設有空氣流量計(21) 的第一輸氣管與中間水槽(16)的底部連接,空氣鼓風機(22)通過設有 調節閥(23)的第二輸氣管與MBR膜生物反應器(24)的底部連接,中間 水槽(16)和MBR膜生物反應器(24)的污泥輸出口均通過污泥泵(26) 與污泥處理管道連接。
6.根據權利要求5所述的焦化廢水深度處理回用裝置,其特征在于: 所述多介質過濾器(1)內的濾料為粒徑Φ0.5~2mm的無煙煤、粒徑Φ3~ 6mm的陶粒或粒徑Φ4~10mm的石英砂。
7.根據權利要求5所述的焦化廢水深度處理回用裝置,其特征在于: 所述臭氧催化氧化反應器(5)為立式筒狀結構,筒狀結構內部自上而下依 次設有布水板(6)、催化劑填料層(7)、填料承托板(9)和鈦質曝氣板(10), 筒狀結構的頂部設有應急放空口(12),筒狀結構的外壁設有液位計(8)。
8.根據權利要求5所述的焦化廢水深度處理回用裝置,其特征在于: 所述中間水槽(16)內部自上而下依次設有上部網狀擋板(17),臭氧分解 劑(18)、下部支撐板(19)和曝氣裝置(20);所述曝氣裝置(20)為鈦 質曝氣板。
9.根據權利要求5所述的焦化廢水深度處理回用裝置,其特征在于: 所述MBR膜生物反應器(24)采用浸沒式MBR膜生物反應器,曝氣形式 采用連續曝氣,氣源采用空氣。
10.根據權利要求5所述的焦化廢水深度處理回用裝置,其特征在于: 所述保安過濾器(27)的進口端設有加藥點,保安過濾器(27)中的濾管 材料為陶瓷、玻璃砂或塑料中任一種;保安過濾器(27)的過濾孔徑范圍 為0.5~120μm。
說明書
焦化廢水深度處理回用工藝和裝置
技術領域
本發明涉及環保技術領域,具體地指是一種焦化廢水深度處理回用工 藝和裝置。
背景技術
焦化廢水是一種公認的難生物降解的工業廢水,其難度在于廢水的可 生化性差,除氨、氰及硫氰根等無機污染物外,還含有酚類、萘、吡啶、 喹啉等雜環及多環芳香族化合物(PAHS)很難生物降解,這些物質能夠對 環境產生長期影響,且部分已被研究證實為致癌物質,另外高濃度氨氮、 硫化物、氰化物對微生物活性有很強的抑制作用,生物脫氮效果不佳。目 前,焦化廢水普遍采用不同形式的A/O生物脫氮工藝作為其處理的主要工 藝,但處理后出水中COD指標難以達到標準要求。部分鋼鐵企業已經開展 焦化廢水深度處理及回用,回用途徑包括濕法熄焦、高爐沖渣、煤場抑塵 和直接用于工業循環水等,但這些方法均存在操作環境差,二次污染產生 或轉移、設備、管道腐蝕嚴重等問題。
2015年1月1日起,現行的焦化企業將執行“煉焦化學工業污染物排 放標準”中新建企業水污染物排放標準(GB16171-2012)。因此對焦化廢水 進行深度處理和回用是減少污水外排,降低新水消耗量的最佳選擇,而尋 求一種高效、低成本的深度處理與回用技術是目前焦化廢水深度處理過程 迫切需求。本發明的目的是改變傳統深度處理工藝,提出了利用臭氧催化 氧化、生物濾池和浸沒式MBR膜生物反應器組合新工藝和裝置,避免了通 過引入其他化學藥劑等造成二次污染的做法,同時,也實現了降低焦化廢 水處理成本,節約大量生產用水,為焦化廢水的深度處理與回用提供了一 條經濟、實用、高效的深度處理工藝和裝置。
目前焦化廢水深度處理和回用工藝存在的突出問題有以下幾個內容: 1、通過化學藥劑深度處理廢水(如采用芬頓試劑等),該方法可能會引入 二次污染,存在管網及設備腐蝕等問題,增加后續脫鹽費用;2、將焦化廢 水用于濕法熄焦或高爐沖渣,廢水中污染物發生了轉移,操作環境差;3、 膜法除鹽深度處理后的濃水去向也是亟需解決的問題。
發明內容
本發明的目的就是要提供一種焦化廢水深度處理回用工藝和裝置。
為實現上述目的,本發明提供一種焦化廢水深度處理回用工藝,其特 征在于:它包括如下步驟:
(1)將廢水送至混沉池中進行沉淀處理,得到沉淀后的焦化廢水;
(2)從混沉池出來的焦化廢水輸送至多介質過濾器中進行過濾處理, 以進一步減少廢水中的懸浮物的含量;
(3)將過濾后的焦化廢水輸送至臭氧催化氧化反應器中進行臭氧氧 化、催化劑的催化氧化反應,使焦化廢水中生物難降解的有機物質通過羥 基自由基的氧化,將廢水中大分子有機物及芳香烴化合物降解成小分子或 CO2和水;同時,逸出的剩余臭氧進入臭氧破壞裝置;
(4)將氧化后的廢水輸送至中間水槽中,通過中間水槽內曝氣裝置、 臭氧分解劑的作用進一步將廢水中的臭氧濃度降低后輸送至MBR膜生物 反應器,通過高濃度活性污泥的生物降解、截留作用,對小分子化合物進 一步生化降解,同時也截留部分懸浮物;
(5)將從MBR膜生物反應器中出來的廢水直接用作生化過程中消泡 劑用水、煤場抑塵和生活雜用水;或者:
(6)將從MBR膜生物反應器中出來的廢水輸送至保安過濾器中進一 步過濾處理,濾除其中部分懸浮物;
(7)將經過保安過濾后的廢水輸送至反滲透裝置中進行進一步除鹽, 所得除鹽廢水回用作工藝循環冷卻水,而反滲透出來的濃水作為高爐爐渣 冷卻沖渣用水、煤場抑塵用水、道路清掃用水。
作為一種優選方案,所述步驟(3)中臭氧催化氧化反應器內填料為燒 結硅藻土、陶粒或活性炭,填料比表面積大于200m2/m3;臭氧催化氧化反 應器內填料投加量為臭氧催化氧化反應器體積的25~60%;臭氧發生器氣 源采用空氣或氧氣。
作為又一種優選方案,所述步驟(4)中中間水槽設置曝氣裝置和臭氧 分解劑;曝氣裝置采用鈦質曝氣板,氣源采用空氣;臭分解劑采用Mn、Cu 的氧化物作為活性組分,載體采用γ-Al2O3、TiO2、SiO2、分子篩、活性炭 或以上幾種的復合物;臭氧分解劑填料投加量為中間水槽體積的15~35%。
作為又一種優選方案,所述步驟(6)中保安過濾器的濾管材料為陶瓷、 玻璃砂或塑料;過濾孔徑為0.5~120μm;所述保安過濾器前設有加藥點, 分別投加次氯酸鈉殺菌劑和亞硫酸氫鈉作為還原劑。
本發明還提供了一種利用上述焦化廢水深度處理回用工藝的裝置,該 系統包括多介質過濾器,臭氧催化氧化反應器,臭氧發生器,臭氧破壞裝 置,中間水槽,MBR膜生物反應器,保安過濾器,反滲透裝置,其特征在 于:所述多介質過濾器1的進口分別與進水管和反沖洗進水管連接,多介 質過濾器的出口分別與臭氧催化氧化反應器的進口和反沖洗出水管連接, 臭氧催化氧化反應器的出口與中間水槽的進口連接,臭氧催化氧化反應器 的臭氧輸入口通過臭氧輸送管道與臭氧發生器連接,臭氧催化氧化反應器 的臭氧輸出口通過管道與臭氧破壞裝置的進口連接,臭氧破壞裝置的出口 與設有尾氣放空口的尾氣管道連接;中間水槽的出口與MBR膜生物反應器 的進口連接,MBR膜生物反應器的出口與保安過濾器的進口連接,保安過 濾器的出口與反滲透裝置的進口連接;反滲透裝置的出口分別與濃水管和 工藝循環冷卻水管連接;所述保安過濾器頂部設有壓力表,保安過濾器底 部設有外排口;
還包括空氣鼓風機,所述空氣鼓風機通過設有空氣流量計的第一輸氣 管與中間水槽的底部連接,空氣鼓風機通過設有調節閥的第二輸氣管與 MBR膜生物反應器的底部連接,所述中間水槽和MBR膜生物反應器的污 泥輸出口均通過污泥泵與污泥處理管道連接。
進一步地,所述多介質過濾器內的濾料為粒徑Φ0.5~2mm的無煙煤、 粒徑Φ3~6mm的陶粒或粒徑Φ4~10mm的石英砂。
更進一步地,所述臭氧催化氧化反應器為立式筒狀結構,筒狀結構內 部自上而下依次設有布水板、催化劑填料層、填料承托板和鈦質曝氣板, 筒狀結構的頂部設有應急放空口,筒狀結構的外壁設有液位計。
更進一步地,所述中間水槽內部自上而下依次設有上部網狀擋板,臭 氧分解劑下部支撐板和曝氣裝置;所述曝氣裝置為鈦質曝氣板。
更進一步地,所述MBR膜生物反應器采用浸沒式MBR膜生物反應器, 曝氣形式采用連續曝氣,氣源采用空氣。
更進一步地,所述保安過濾器的進口端設有加藥點,保安過濾器中的 濾管材料為陶瓷、玻璃砂或塑料中任一種;保安過濾器的過濾孔徑范圍為 0.5~120μm。
本發明的優點在于:
其一,該工藝及裝置設計合理,解決了焦化廢水深度處理及回用中的 難題,具有很強的工程應用價值;
其二,該工藝及裝置解決了焦化廢水的高污染環境下的對操作人員不 安全因素和危害健康的潛在風險;
其三,該工藝及裝置操作簡單,運行成本低,出水水質可以滿足不同 用水要求。






