申請日2015.06.11
公開(公告)日2015.09.16
IPC分類號C02F9/14
摘要
本發明屬于污水處理技術領域,公開了一種MABR和MBR聯用式污水處理裝置,包括沿污水流動方向依次設置的預處理單元,MABR單元和MBR單元,以及與所述的MBR單元匹配的反沖洗單元。同時公開了其控制方法。本發明充分結合了兩種膜反應器的優勢,能很好的實現脫氮除磷。這是由于在MABR池采用無泡曝氣,氧的利用率很高,幾乎可達到100%。由于氧的傳質范圍很小,水中主要存在反硝化菌和反硝化聚磷菌,完成硝酸鹽反硝化和釋磷過程,強化了下一階段脫氮除磷的性能。進入好氧的MBR池后,好氧菌進一步去除水中殘留的亞硝氮和氨氮,好氧聚磷菌完成除磷工作。通過MABR前期的處理,減少了MBR的容積負荷。
摘要附圖
權利要求書
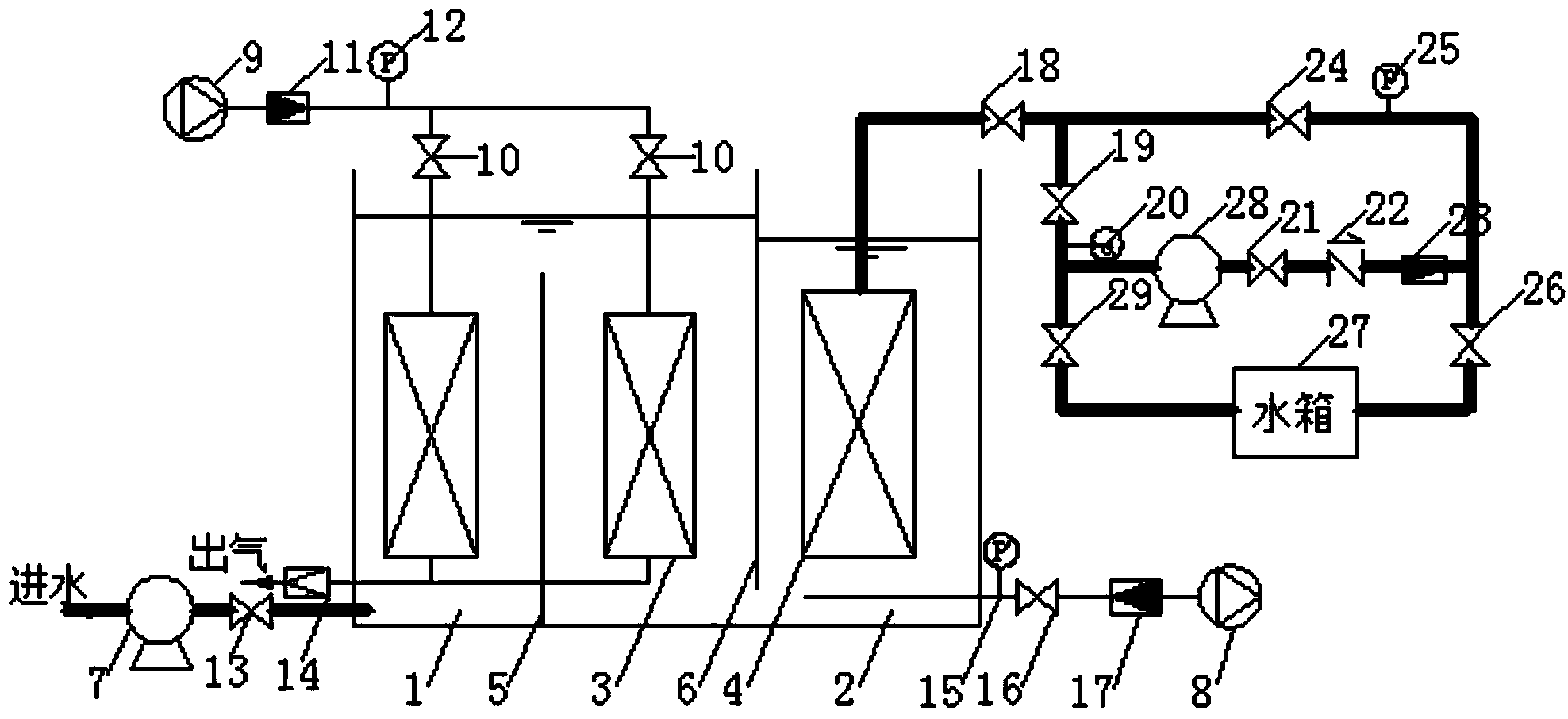
1.一種MABR和MBR聯用式污水處理裝置,其特征在于,包括沿污水流 動方向依次設置的預處理單元,MABR單元和MBR單元,以及與所述的MBR 單元匹配的反沖洗單元。
2.如權利要求1所述的污水處理裝置,其特征在于,所述的預處理單元為 依次設置的格柵、調節池和毛發過濾器,或調節池和毛發過濾器。
3.如權利要求1所述的污水處理裝置,其特征在于,所述的MABR單元包 括池體,浸沒式固定設置在所述池體內的疏水透氣性微孔膜組件或透氣性致密 MABR膜組件,以及與所述的MABR膜組件連通的的曝氣系統。
4.如權利要求1所述的污水處理裝置,其特征在于,所述的MBR單元包 括池體,浸沒式設置在所述池體內的親水性微孔MBR膜組件,設置在所述池體 底部的曝氣部件和排泥管,以及串接在所述的MBR膜組件的產水管上的輸水 泵。
5.如權利要求4所述的污水處理裝置,其特征在于,所述的反沖洗單元包 括與輸水泵出水口連通的用以存儲或緩存產水的水箱,可受控將所述的水箱連 與輸水泵進水口連通的反洗進水支路,以及可受控將輸水泵出水口與產水管連 通的反洗支路。
6.如權利要求3所述的污水處理裝置,其特征在于,所述曝氣系統包括空 壓機、連通所述的空壓機出氣口至所述的MABR膜組件的膜腔一端的進氣管, 串接在所述的進氣管上的氣體流量計、壓力表和進氣電磁閥,以及與膜腔另一 端連通的出氣管和串接在所述的出氣管上的泄壓閥。
7.一種采用如權利要求1所述的污水處理裝置的處理方法,其特征在于, 包括以下步驟:
1)將經過預處理單元處理的廢水引入MABR反應池中,通過曝氣系統以無 泡供氧的形式向MABR膜組件的膜腔內曝氣,氧在濃度差的驅動下由內向外擴 散,為附著在MABR膜組件的膜壁上的微生物供氧,使MABR膜組件及附近區 域形成好氧、兼氧、缺氧三個層次,其中,將曝氣氣壓調節到所用曝氣膜泡點 以下且接近泡點,PH控制在6.5~8.5、水力停留時間控制在8~15h;
2)經過MABR處理的廢水進入MBR反應池,在池體底部進行曝氣,在上 一階段水中的殘余有機碳、硝氮、亞硝氮以及磷酸鹽經過活性污泥中好氧菌的 處理進一步去除,最后在MBR膜組件截留作用下,污水得到最終的凈化,在該 階段,通過調節曝氣量控制溶解氧使該池內溶解氧濃度控制在3.5~5.5mg/L、PH 控制在7~8.5、水力停留時間控制在5~15h,污泥濃度在5000~10000mg/L。
8.如權利要求7所述的的處理方法,其特征在于,所述的污水為生活污水 及生化降解的高氮磷廢水。
說明書
MABR和MBR聯用式污水處理裝置及處理方法
技術領域
本發明涉及污水處理技術領域,特別是涉及一種MABR和MBR聯用式污 水處理裝置及處理方法。
背景技術
如圖1所示,膜曝氣生物反應器(通常簡稱MABR)是膜生物反應器的一 種類型,該反應器是一種通過向疏水透氣性的中空纖維膜腔體100內充氧,氧 氣和污染物在生物膜附近形成濃度差,以膜腔為中心,兩者分別由內向外和由 外向內異向擴散,通過生物膜中微生物的新陳代謝消耗溶解氧并使污水中的有 機污染物得到降解的一種污水處理技術。MABR系統去除污染物的過程可分為 以下四步:首先,水體中的污染物與水流中的厭氧菌反應,使得一部分磷酸鹽 被吸附、含氮有機物降解為氨氮,第二,降解后的污染物隨水流與生物膜碰撞 接觸,在濃度差驅動下,向生物膜面擴散,同時氧氣由膜腔內向外部擴散;第 三,生物膜內的好氧菌或兼氧菌通過新陳代謝將污染物進一步降解為硝酸鹽 NO3-、亞硝酸鹽NO2-等;第四,二次降解后的污染物隨水流再次進入厭氧區, 轉化后的硝酸鹽、亞硝酸鹽被還原成N2,釋放達到除氮效果。該反應器缺氧與 厭氧環境的共存還使得反硝化聚磷菌得以富集,在脫氮的同時還可去除部分磷。
無泡曝氣避免了傳統曝氣時污水中易揮發性物質如甲苯、苯酚隨氣泡進入 大氣而對環境造成污染,同時不會由于表面活性劑的存在而產生泡沫。通過無 泡供氧,傳氧效率得到極大的提高,幾乎能達到100%,運行費用也會降低。同 時,氣液兩相以膜作為分界,曝氣系統的控制可以更加靈活方便。
目前該反應器存在的問題就是MABR單獨使用時,有研究表明反應器雖然 可同時進行硝化和反硝化,但除磷效果不佳。
膜分離生物反應器(MBR)是一種將生物處理技術與膜過濾技術相結合的 新型高效污水處理工藝。它是以膜組件代替傳統的生物處理技術末端二沉池, 使生物反應器中保持高活性污泥濃度,提高生物處理有機負荷,通過保持低污 泥負荷減少剩余污泥量。在連續曝氣條件下,活性污泥中的好氧菌對待處理的 有機污染物一部分用于自身消耗,一部分降解為小分子物質進行去除。經過膜 生物反應器工藝處理的廢水出水細菌、懸浮物和濁度接近于零,還可以截留糞 大腸菌等生物性污染物,處理后的出水經消毒后可以直接回用。
MBR工藝完成對污染物的去除大致分如下:第一,進入MBR反應器的污 水與活性污泥直接接觸,連續的曝氣不僅持續為顆粒污泥中好氧菌充氧,也加 大了污染物與細菌的接觸碰撞概率,好氧菌以污染物作為自身代謝所需的營養 物質進行消耗與降解;第二,在產水泵的抽吸作用下,處理后的水通過膜組件 上的微孔排出,而顆粒污泥繼續停留在池內進行反應,這可能會造成硝化菌的 積累,使反應器適合處理高氨氮廢水。已經有研究表明,在高氨氮廢水處理方 明,MBR反應器可達到較好的處理效果。
但是單獨使用MBR時氧的利用率過低,大部分的氧通過氣泡擴散到空氣中, 曝氣系統能耗高。只有微量的氧被微生物所利用,當廢水中有表面活性劑時容 易產生泡沫,不易去除,而且由于曝氣池內污泥濃度的提高,實際運行過程中 又會經常存在膜污染的問題,需要經常清洗膜組件,因此又會存在膜的壽命短, 維護費用高等缺點。
發明內容
本發明的目的是針對現有技術中存在的技術缺陷,而提供一種MABR和 MBR聯用式污水處理裝置及其處理方法。
為實現本發明的目的所采用的技術方案是:
一種MABR和MBR聯用式污水處理裝置,包括沿污水流動方向依次設置 的預處理單元,MABR單元和MBR單元,以及與所述的MBR單元匹配的反沖 洗單元。
所述的預處理單元為依次設置的格柵、調節池和毛發過濾器,或調節池和 毛發過濾器。
所述的MABR單元包括池體,浸沒式固定設置在所述池體內的疏水透氣性 微孔膜組件或透氣性致密MABR膜組件,以及與所述的MABR膜組件連通的的 曝氣系統。
所述的MBR單元包括池體,浸沒式設置在所述池體內的親水性微孔MBR 膜組件,設置在所述池體底部的曝氣部件和排泥管,以及串接在所述的MBR膜 組件的產水管上的輸水泵。
所述的反沖洗單元包括與輸水泵出水口連通的用以存儲或緩存產水的水 箱,可受控將所述的水箱連與輸水泵進水口連通的反洗進水支路,以及可受控 將輸水泵出水口與產水管連通的反洗支路。
所述曝氣系統包括空壓機、連通所述的空壓機出氣口至所述的MABR膜組 件的膜腔一端的進氣管,串接在所述的進氣管上的氣體流量計、壓力表和進氣 電磁閥,以及與膜腔另一端連通的出氣管和串接在所述的出氣管上的泄壓閥。
一種采用污水處理裝置的處理方法,包括以下步驟:
1)將經過預處理單元處理的廢水引入MABR反應池中,通過曝氣系統以無 泡供氧的形式向MABR膜組件的膜腔內曝氣,氧在濃度差的驅動下由內向外擴 散,為附著在MABR膜組件的膜壁上的微生物供氧,使MABR膜組件及附近區 域形成好氧、兼氧、缺氧三個層次,實現好氧菌、兼氧菌與厭氧菌以及富集反 硝化聚磷菌共存,在去除有機物和氨氮的同時還可通過反硝化去除部分硝態氮, 強化了下一階段MBR脫氮除磷性能,在運行時,一般將曝氣壓調節到所用曝氣 膜泡點以下且接近泡點,PH控制在6.5~8.5、水力停留時間控制在8~15h左右時, 反應器處理效果達到最佳狀態;
2)經過MABR處理的廢水進入MBR反應池,在池底進行曝氣,在上一階 段水中的殘余有機碳、硝氮、亞硝氮以及磷酸鹽經過活性污泥中好氧菌的處理 進一步去除,最后在MBR膜組件截留作用下,污水得到最終的凈化。經實驗證 明,在該階段,通過調節曝氣量控制溶解氧使該池內溶解氧濃度控制在 3.5~5.5mg/L、PH控制在7~8.5、水力停留時間控制在5~15h、污泥濃度在 5000~10000mg/L左右時,反應器處理效果達到最佳狀態。
所述的污水為生活污水及生化降解的高氮磷廢水。
與現有技術相比,本發明的有益效果是:
1、本發明充分結合了兩種膜反應器的優勢,能很好的實現脫氮除磷。這是 由于在MABR池采用無泡曝氣,氧的利用率很高,幾乎可達到100%。由于氧 的傳質范圍很小,水中主要存在反硝化菌和反硝化聚磷菌,完成硝酸鹽反硝化 和釋磷過程,強化了下一階段脫氮除磷的性能。進入好氧的MBR池后,好氧菌 進一步去除水中殘留的亞硝氮和氨氮,好氧聚磷菌完成除磷工作。通過MABR 前期的處理,減少了MBR的容積負荷,容積負荷減小,相應的能耗、物耗、折 舊等都會相應降低,而且雙膜處理單元充分提高了出水水質,處理水可直接作 為非飲用市政雜用水進行回用。
2、MABR與MBR反應器聯用,可以省去污泥回流的環節,這是因為MABR 本身好氧厭氧兼存,可實現同步硝化反硝化,而且MBR高效的截流作用保證了 池內高濃度活性污泥的穩定存在,污泥濃度可高達12000mg/L,這也使得剩余污 泥的產量很少,節省了污泥處理費用。
3、省去了多個前置處理單元,節省了占地面積,節約了基建費用和處理能耗。
4、可采用自動化控制,操作、管理方便,運行費用低,出水水質好。






