申請日2016.05.17
公開(公告)日2016.09.21
IPC分類號G21F9/10
摘要
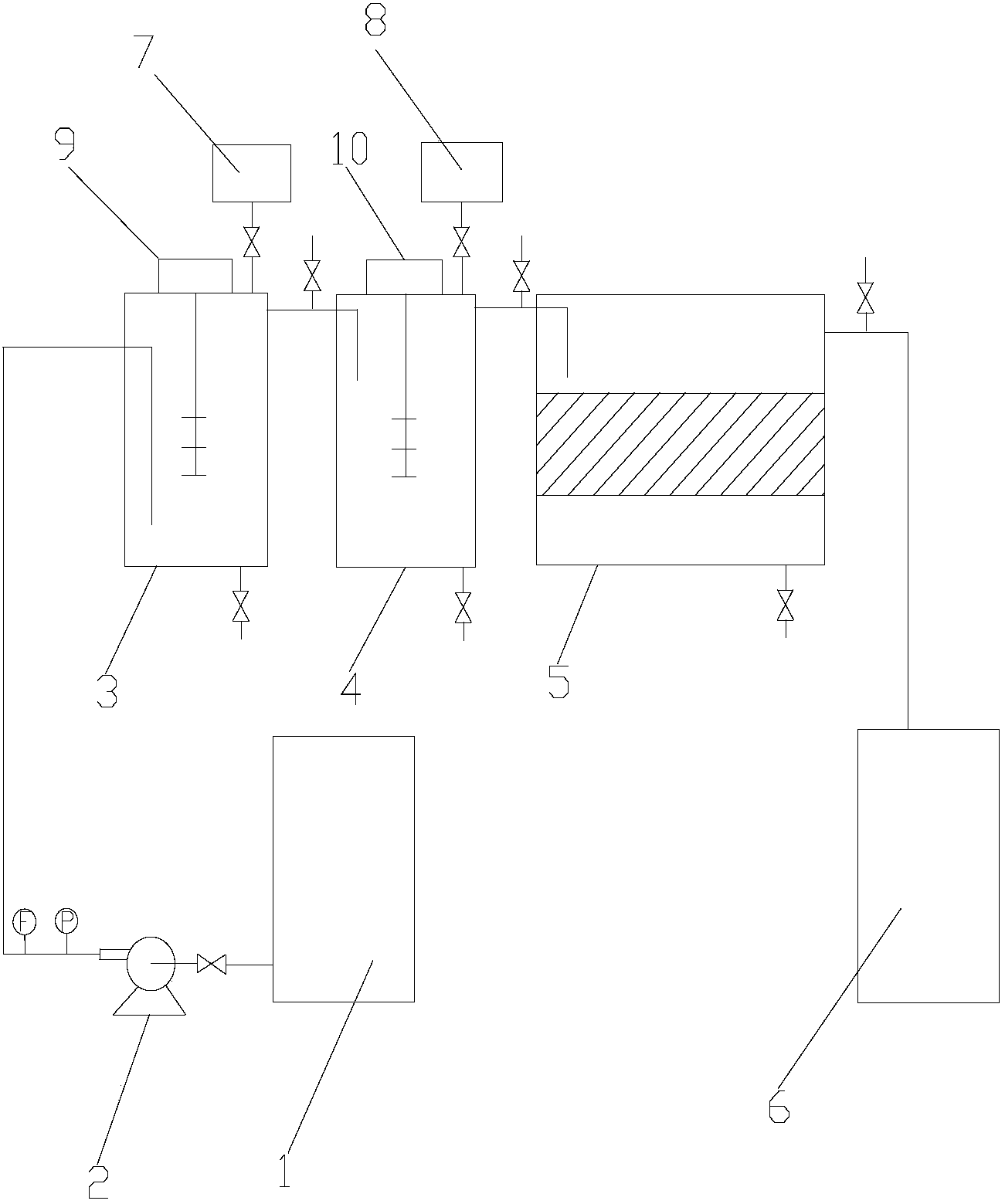
本實用新型公開了一種基于絮凝沉淀方法的低放廢水處理實驗系統,包括配水箱、中和池、絮凝反應池、沉淀池、凈水箱以及供料泵;所述配水箱的出水端連通于中和池的進水端;所述中和池的出水端連通于絮凝反應池的進水端;所述絮凝反應池的出水端連通于沉淀池的進水端;所述沉淀池的出水端連通于凈水箱的進水端;所述供料泵用于使廢水由配水箱依次通過所述中和池、絮凝反應池和沉淀池進入凈水箱,該系統可用于試驗某種絮凝沉淀劑對低水平放射性廢水中核素去除能力的研究工作。
權利要求書
1.一種基于絮凝沉淀方法的低放廢水處理實驗系統,其特征在于:包括配水箱、中和池、絮凝反應池、沉淀池、凈水箱以及供料泵;所述配水箱的出水端連通于中和池的進水端;所述中和池的出水端連通于絮凝反應池的進水端;所述絮凝反應池的出水端連通于沉淀池的進水端;所述沉淀池的出水端連通于凈水箱的進水端;所述供料泵用于使廢水由配水箱依次通過所述中和池、絮凝反應池和沉淀池進入凈水箱。
2.根據權利要求1所述的基于絮凝沉淀方法的低放廢水處理實驗系統,其特征在于:所述中和池上方設有用于向中和池內添加試劑以調節廢水PH值的高位調節箱,所述中和池內設有第一攪拌器。
3.根據權利要求1所述的基于絮凝沉淀方法的低放廢水處理實驗系統,其特征在于:所述反應池上方設有用于向反應池內添加絮凝沉淀劑使廢水產生凝絮沉淀的加藥箱,所述反應池內設有第二攪拌器。
4.根據權利要求1所述的基于絮凝沉淀方法的低放廢水處理實驗系統,其特征在于:所述沉淀池內設置有由蜂窩斜管制作的沉淀板。
5.根據權利要求1所述的基于絮凝沉淀方法的低放廢水處理實驗系統,其特征在于:所述中和池、反應池和沉淀池的出水端均設有用于采集樣本的采樣口。
6.根據權利要求1所述的基于絮凝沉淀方法的低放廢水處理實驗系統,其特征在于:所述供料泵設置于所述配水箱出水端與中和池進水端之間的管路中。
說明書
基于絮凝沉淀方法的低放廢水處理實驗系統
技術領域
本實用新型涉及低放廢水處理領域,具體是一種基于絮凝沉淀方法的低放廢水處理實驗系統。
背景技術
低水平反射性廢水簡稱低放廢水,是指放射性核素的含量或濃度較低的核工業廢水。核廢物的環境安全是事關核能可持續發展的重大課題,當前,中國正在實施“積極發展核電”計劃,核能行業產生的放射性廢物必須進行妥善的處理與處置。
現有技術中,對于核工業領域產生的放射性廢水常用的處理方法有絮凝沉淀、砂濾、硅藻土過濾、超濾、選擇性離子交換、反滲透膜處理、蒸發、電滲析等,每種處理方法均有其各自的適用范圍和技術特點,其中,在絮凝沉淀處理方法中,重點是尋找適宜的絮凝沉淀劑以去除放射性核素。
因此,需要設計一種基于絮凝沉淀方法的低放廢水處理實驗系統,該系統可用于試驗某種絮凝沉淀劑對低水平放射性廢水中核素去除能力的研究工作。
實用新型內容
有鑒于此,本實用新型的目的是克服現有技術中的缺陷,提供一種基于絮凝沉淀方法的低放廢水處理實驗系統,該系統可用于試驗某種絮凝沉淀劑對低水平放射性廢水中核素去除能力的研究工作。
本實用新型的基于絮凝沉淀方法的低放廢水處理實驗系統,包括配水箱、中和池、絮凝反應池、沉淀池、凈水箱以及供料泵;所述配水箱的出水端連通于中和池的進水端;所述中和池的出水端連通于絮凝反應池的進水端;所述絮凝反應池的出水端連通于沉淀池的進水端;所述沉淀池的出水端連通于凈水箱的進水端;所述供料泵用于使廢水由配水箱依次通過所述中和池、絮凝反應池和沉淀池進入凈水箱;
進一步,所述中和池上方設有用于向中和池內添加試劑以調節廢水PH值的高位調節箱,所述中和池內設有第一攪拌器;
進一步,所述中和池上方設有用于向反應池內添加絮凝沉淀劑使廢水產生凝絮沉淀的加藥箱,所述反應池內設有第二攪拌器;
進一步,所述沉淀池內設置有由蜂窩斜管制作的沉淀板;
進一步,所述中和池、反應池和沉淀池的出水端均設有用于采集樣本的采樣口;
進一步,所述供料泵設置于所述配水箱出水端與中和池進水端之間的管路中。
本實用新型的有益效果是:本實用新型的基于絮凝沉淀方法的低放廢水處理實驗系統,低放廢水由配水箱依次通過中和池、絮凝反應池和沉淀池進入凈水箱,廢水通過在中和池中調節水的pH值,在絮凝反應池中加入絮凝沉淀劑并使絮凝沉淀劑與水發生絮凝反應,在絮凝沉淀池中使絮凝沉淀產生的淤泥沉于池底達到去除水中放射性核素的處理效果,從而得出低放廢水處理所需分析數據,本實用新型結構簡單,使用方便,不僅可用于對低放廢水處理進行研究,也可直接用于進行低放廢水的處理。



