申請日2014.11.05
公開(公告)日2015.04.08
IPC分類號C02F103/18; C02F9/02
摘要
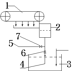
一種脫硫廢水排放回收系統,包括脫水皮帶機,氣液分離罐,濾液池,其特征在于:所述的脫水皮帶機與氣液分離罐相連通,所述的氣液分離罐和濾液池之間設置有排水管道A,所述的排水管道A上分支有排水管道B,所述的排水管道A在排水管道B下方設置有調節閥門A1,所述的排水管道B上設置有調節閥門B1,此設計廢水取水口水質密度非常小,管道堵塞問題基本不會出現,并且廢水系統處理方便,吸收塔氯離子排放速度快,能迅速提升吸收塔漿液品質。
權利要求書
1.一種脫硫廢水排放回收系統,包括脫水皮帶機,氣液分離罐,濾液池,其特征在于:所述的脫水皮帶機與氣液分離罐相連通,所述的氣液分離罐和濾液池之間設置有排水管道A,所述的排水管道A上分支有排水管道B,所述的排水管道A在排水管道B下方設置有調節閥門A1,所述的排水管道B上設置有調節閥門B1。
2.根據權利要求1所述的脫硫廢水排放回收系統,其特征在于:所述的濾液池中設置有電子自動氯離子檢測裝置。
3.根據權利要求1所述的脫硫廢水排放回收系統,其特征在于:所述的排水管道A與濾液池之間設置的調節閥門A1上設置有電子自動調節裝置。
4.根據權利要求1所述的脫硫廢水排放回收系統,其特征在于:所述的排水管道B與排水管道A之間設置的調節閥門B1上設置有電子自動調節裝置。
5.根據權利要求1所述的脫硫廢水排放回收系統,其特征在于:所述的排水管道A、排水管道B的直徑為10㎝-20㎝。
說明書
一種脫硫廢水排放回收系統
技術領域
本實用新型屬于工業廢水處理與資源循環利用技術領域,具體設計一種脫硫廢水排放回收系統。
背景技術
目前,火電廠普遍采用石灰石-石膏濕法脫硫系統,為了維持脫硫漿液中穩定的氯離子濃度, 需要排放一定量的脫硫廢水,脫硫廢水排放由濾液池或石膏旋流站溢流箱排出,這兩處漿液密度較大,排出廢水不容易處理,導致后續處理困難,并且容易導致管道堵塞。
發明內容
本實用新型的目的在于提供一種能夠節約化學藥劑和運行費用的脫硫廢水排放、回收循環利用系統。
為了達到上述目的,本實用新型是這樣實現的:一種脫硫廢水排放回收系統,包括脫水皮帶機,氣液分離罐,濾液池,其特征在于:所述的脫水皮帶機與氣液分離罐相連通,所述的氣液分離罐和濾液池之間設置有排水管道A,所述的排水管道A上分支有排水管道B,所述的排水管道A在排水管道B下方設置有調節閥門A1,所述的排水管道B上設置有調節閥門B1。
所述的濾液池中設置有電子自動氯離子檢測裝置。
所述的排水管道A與濾液池之間設置的調節閥門A1上設置有電子自動調節裝置。
所述的排水管道B與排水管道A之間設置的調節閥門B1上設置有電子自動調節裝置。
所述的排水管道A、排水管道B的直徑為10㎝-20㎝。
本實用新型所產生的有益效果是:本實用新型設計在脫水皮帶機氣液分離罐至濾液池管道上安裝排水管道A和分支管道B三通管道;在濾液池中設置有電子自動氯離子檢測裝置,吸收塔漿液正常時,排水管道A與濾液池之間設置的調節閥門A1上設置的電子自動調節裝置和排水管道B與排水管道A之間設置的調節閥門B1上設置的電子自動調節裝置會在收到濾液池內氯離子檢測裝置的信息,關閉調節閥門A1,開啟調節閥門B1,濾液池內的石膏溢流水和脫水皮帶濾布清洗水還可循環再利用;排水管道A、排水管道B的直徑為10㎝-20㎝,此設計廢水取水口水質密度非常小,管道堵塞問題基本不會出現,并且廢水系統處理方便,吸收塔氯離子排放速度快,能迅速提升吸收塔漿液品質。







