公布日:2023.12.05
申請日:2023.11.03
分類號:C02F9/00(2023.01)I;C02F3/30(2023.01)I;C02F1/00(2023.01)N;C02F1/52(2023.01)N;C02F1/56(2023.01)N;C02F1/66(2023.01)N;C02F1/24(2023.01)N;C02F1/
40(2023.01)N;C02F1/38(2023.01)N;C02F1/44(2023.01)N;C02F101/16(2006.01)N;C02F101/30(2006.01)N;C02F103/44(2006.01)N
摘要
本發明公開一種利用微生物處理洗車廢水的裝置及方法,涉及廢水處理技術領域,該方法包括S1:預處理;S2:油水分離;S3:好氧處理:將油水分離后的洗車廢水通入投放有硝化細菌固定球的好氧反應池中,停留時間為5~6h,好氧反應池的底部設置有與外接氣泵相連的氣體分布器;S4:厭氧處理:將好氧處理后的洗車廢水過濾后通入厭氧反應池中,停留時間為8~10h,厭氧反應池內投放有厭氧微生物固定球,利用厭氧微生物將洗車廢水中的有機物降解;所述厭氧微生物包括反硝化細菌和厭氧氨氧菌種。本發明通過巧妙的設計,對參與降解的微生物進行處理,經過一次好氧微生物降解和厭氧微生物降解,即可將洗車廢水處理至回用水標準,極大地縮短了洗車廢水的處理時間。

權利要求書
1.一種利用微生物處理洗車廢水的方法,其特征在于,包括:S1:預處理:對洗車廢水沉積泥沙,并用格柵攔截懸浮物;S2:油水分離:調節預處理后的洗車廢水的pH至7.9,向調節pH值后的洗車廢水中加入140mg/L的聚合氯化鋁PAC,勻速攪拌18min后,調節pH至7.0,加入3.0mg/L聚丙烯酰胺PAM,攪拌15min后,將洗車廢水輸送到氣浮旋流器中進行油水分離;S3:好氧處理:將油水分離后的洗車廢水通入投放有硝化細菌固定球的好氧反應池中,停留時間為5~6h,好氧反應池的底部設置有與外接氣泵相連的氣體分布器;S4:厭氧處理:將好氧處理后的洗車廢水過濾后通入厭氧反應池中,停留時間為8~10h,厭氧反應池內投放有厭氧微生物固定球,利用厭氧微生物將洗車廢水中的有機物降解;所述厭氧微生物包括反硝化細菌和厭氧氨氧菌種;S5:將厭氧處理后的洗車廢水經中空式纖維膜處理后排出;所述厭氧微生物固定球的制備方法為:將凝膠劑、助凝劑混合,水浴加熱5min,冷卻至室溫,加入厭氧微生物菌液,凝膠劑、助凝劑、厭氧微生物菌液的混合體積比為6:4:1,得混合液;凝膠劑由體積比為1:3的6%聚乙烯醇和5%聚乙二醇組成;助凝劑由體積比為1:1的0.5%殼聚糖和0.5%海藻酸鈉組成;將混合液用直徑為3.0mm的注射器以恒定的速度滴加到交聯劑中,形成球型顆粒,并在交聯劑中固化24h,用清水沖洗,得厭氧微生物固定球;交聯劑由體積比為1:1.5:1的6%硼酸、2%氯化鈣、0.5%無水硫酸鈉組成;將厭氧微生物菌液替換成硝化細菌時,制備得到的即為硝化細菌固定球。
2.根據權利要求1所述的利用微生物處理洗車廢水的方法,其特征在于,用15%的稀鹽酸和20%的氫氧化鈉調節洗車廢水的pH值。
發明內容
本發明的目的在于克服現有技術的不足,提供一種利用微生物處理洗車廢水的裝置及方法,通過微生物的代謝作用,實現洗車廢水中污染物質的降解、轉化,有效將廢水進行凈化。
為實現上述目的,本發明采用的技術方案如下:
一種利用微生物處理洗車廢水的方法,包括:
S1:預處理:對洗車廢水沉積泥沙,并用格柵攔截懸浮物;
S2:油水分離:向預處理后的洗車廢水中添加聚合氯化鋁PAC和聚丙烯酰胺PAM,再用氣浮旋流器進行油水分離;
S3:好氧處理:將油水分離后的洗車廢水通入投放有硝化細菌固定球的好氧反應池中,停留時間為5~6h,好氧反應池的底部設置有與外接氣泵相連的氣體分布器;
S4:厭氧處理:將好氧處理后的洗車廢水過濾后通入厭氧反應池中,停留時間為8~10h,厭氧反應池內投放有厭氧微生物固定球,利用厭氧微生物將洗車廢水中的有機物降解;所述厭氧微生物包括反硝化細菌和厭氧氨氧菌種;
S5:將厭氧處理后的洗車廢水經中空式纖維膜處理后排出;
所述厭氧微生物固定球和硝化細菌固定球均通過凝膠包埋法制備而成。
進一步地,步驟S2的油水分離包括:調節預處理后的洗車廢水的pH至7.5~8.0,向調節pH值后的洗車廢水中加入120~140mg/L的聚合氯化鋁PAC,勻速攪拌15~20min后,調節pH至6.8~7.2,加入2.2~3.1mg/L聚丙烯酰胺PAM,攪拌12~15min后,將洗車廢水輸送到氣浮旋流器中進行油水分離。
進一步地,用15%的稀鹽酸和20%的氫氧化鈉調節洗車廢水的pH值。
進一步地,所述厭氧微生物固定球的制備方法為:
將凝膠劑、助凝劑混合,水浴加熱5min,冷卻至室溫,加入厭氧微生物菌液,凝膠劑、助凝劑、厭氧微生物菌液的混合體積比為6:4:1,得混合液;
將混合液用直徑為3.0mm的注射器以恒定的速度滴加到交聯劑中,形成球型顆粒,并在交聯劑中固化24h,用清水沖洗,得厭氧微生物固定球;
將厭氧微生物菌液替換成硝化細菌時,制備得到的即為硝化細菌固定球。
進一步地,所述凝膠劑由體積比為1~2:1~3的6%聚乙烯醇和5%聚乙二醇組成;助凝劑由體積比為1:1的0.5%殼聚糖和0.5%海藻酸鈉組成;交聯劑由體積比為1:1.5:1的6%硼酸、2%氯化鈣、0.5%無水硫酸鈉組成。
進一步地,所述厭氧微生物包括反硝化細菌和厭氧氨氧菌種。
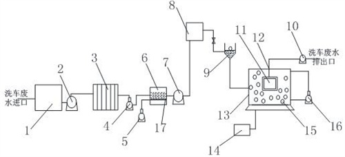
如上所述的利用微生物處理洗車廢水的方法所用的裝置,包括依次放置的沉砂池、格柵槽、好氧反應池、高位過濾器、厭氧反應池;
所述好氧反應池的下端設置有外接氣泵的氣體分布器,好氧反應池的內部接種有硝化細菌固定球;
所述厭氧反應池包括進水口和出水口;在厭氧反應池的內部放置有厭氧微生物固定球,下端連接有污泥收集池,側面連通有循環泵;厭氧反應池的內部與出水口相連的位置設置有中空式纖維膜。
進一步地,在沉砂池與格柵槽之間設置有第一水泵;在格柵槽與好氧反應池之間安裝有第二水泵;好氧反應池與高位過濾器之間設置有第三水泵。
進一步地,所述高位過濾器和厭氧反應池之間設置有用于控制厭氧反應池內水位的液位恒定器,且在液位恒定器與高位過濾器相連的管道上安裝有閥門。
與現有技術相比,本發明具有以下有益效果:
(1)本發明中,先對洗車廢水進行好氧處理,再對洗車廢水進行厭氧處理。厭氧處理的過程中選用硝化細菌,可將廢水中的氨氮轉化成亞硝酸鹽,而厭氧反應池的中的反硝化細菌則可降低廢水中的亞硝酸鹽,將硝態氮轉化為氮氣排出。現有技術多通過好氧降解和厭氧降解的循環處理,直至水質達到排放或回用水標準,本發明通過巧妙的設計,對參與降解的微生物進行處理,經過一次好氧微生物降解和厭氧微生物降解,即可將洗車廢水處理至回用水標準,極大地縮短了洗車廢水的處理時間,節約了成本。
(2)本發明在好氧反應池的下端設置有氣體分布器,可以保障廢水中溶解量,讓廢水中的好氧微生物充分降解有機物,再通過與厭氧反應池結合,對洗車廢水中的COD、BOD、陰離子洗滌劑、SS、石油類物質進行有效降解,使得處理后的廢水各指標與回用水標準持平,達到廢水再利用的目的。
(3)本發明對洗車廢水進行油水分離時,通過對洗車廢水pH值的調整,以及對混凝、絮凝時間的控制,使PAC和PAM在最佳作用條件下進行作用,以實現對洗車廢水中懸浮物、膠體以及油類進行去除,有效減少了PAC和PAM的使用量,達到了低成本、綠色環保的目的。
(發明人:楊東升)






