申請日2016.05.07
公開(公告)日2016.08.31
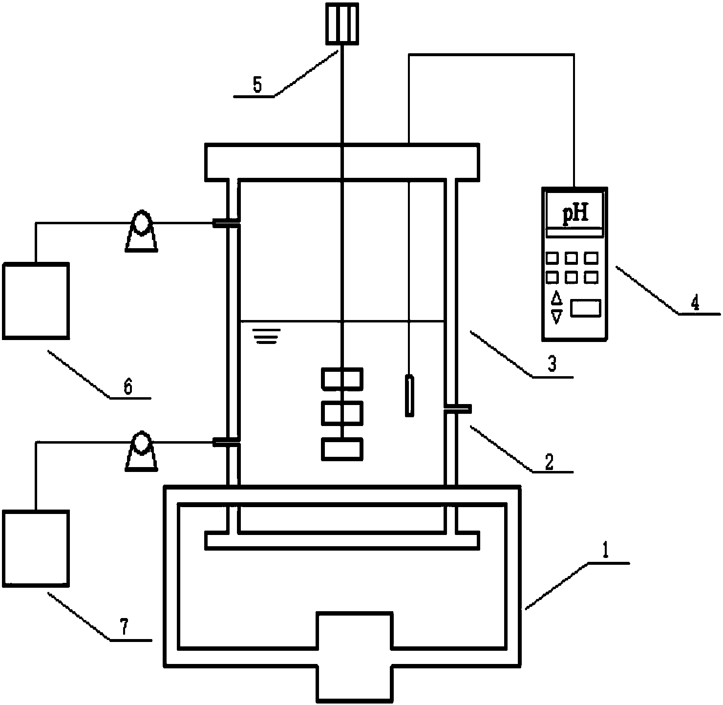
IPC分類號C02F11/04
摘要
一種熱水解和表面活性劑聯合處理剩余污泥強化水解產酸的方法,屬于污泥處理與資源化領域。以污水處理廠剩余污泥為底物,添加表面活性劑同時加熱,促進水解及產酸過程。表面活性劑不僅抑制產甲烷菌的活性,且具有“兩親”和“增溶”的作用,能夠加速水解,聯合熱水解處理剩余污泥,擊破細胞壁,進一步增強表面活性劑的作用,從而達到強化剩余污泥水解產酸的目的。因此,本發明是通過添加表面活性劑和熱水解的聯合作用,達到了加快剩余污泥厭氧發酵水解速度及增強產酸的目的,實現了剩余污泥的減量化及資源化。
權利要求書
1.一種熱水解和表面活性劑聯合處理剩余污泥強化水解產酸的方法,其特征在于,包括以下步驟:
將污泥置于反應器中,所述污泥為污水生物處理過程的剩余污泥,含水率為90~96%,總懸浮固體TSS為10000~30000mg/L,pH=6.5~7.5;在進藥箱中加入濃度為500~1500g/L的表面活性劑;
利用熱交換器控制反應器內溫度保持在50℃~90℃;再通過加藥泵添加表面活性劑,控制反應器表面活性劑的濃度為0.015~0.025g/g污泥干重;啟動攪拌器進行攪拌1~4小時。
2.根據權利要求1所述的方法,其特征在于,表面活性劑為陽離子表面活性劑、陰離子表面活性劑或兩性表面活性劑。
說明書
一種熱水解和表面活性劑聯合處理剩余污泥強化水解產酸的方法
技術領域:
本發明涉及一種聯合熱水解和表面活性劑處理剩余污泥強化水解產酸的方法,屬于污泥減量與資源化領域。
背景技術:
目前,活性污泥法是我國應用最廣泛的污水生物處理技術,但采用活性污泥法處理工藝處理生活污水會產生大量的剩余污泥。傳統的污泥處理主要采用濃縮、脫水和干燥等措施降低污泥的含水率,進而減少污泥容積。但這種傳統的污泥末端的處理技術,不但價格昂貴,增加污水處理廠的運行成本,且無法從源頭上減少污泥的干物質量,依然會為后續的污泥處置帶來巨大的壓力。同時由于剩余污泥中存在氮、磷、可生物降解的有機物等可利用組分。因此,越來越多的研究者著眼于污泥內碳源的提取和從源頭上減少剩余污泥的產生量。
厭氧消化由于其較好的效益而被廣泛采用。它不僅可以產生甲烷等能源物質,還可以在厭氧消化過程中產生的十分重要的中間產物有機酸。特別是揮發性脂肪酸(VolatileFatty Acid),包括乙酸、丙酸、正丁酸、異丁酸、正戊酸、異戊酸等,都有著廣泛的應用和許多潛在的工業用途。因此,對剩余污泥消化條件進行優化,最大程度獲取有機酸,是剩余污泥減量化資源化的一條有效途徑。
厭氧消化包括水解,產酸,產甲烷三個階段,而水解過程被公認為是整個消化過程的限速步驟。如果提高了污泥的水解速率,促進污泥中顆粒態的有機物分解為小分子溶解態的有機物,能縮短污泥的水力停留時間,供后續的步驟產生更多的有機酸。目前提高污泥水解速率的方法有熱處理、超聲處理、微波處理、機械處理、熱化學處理、酶處理、電處理、表面活性劑處理等。熱水解預處理可以有效地擊破細胞壁,破壞污泥的絮體結構,而表面活性劑則可以進一步促進剩余污泥釋放有機物,提高水解速率及溶解性物質的含量。由于表面活性劑一部分是由疏水親油的碳氫鏈組成的非極性基團,另一部分為親水疏油的極性基的特殊結構,其具有“兩親”作用和“增容”作用。兩親作用使得表面活性劑鏈接于污泥表面的大分子(具有親油性)與水分子之間,在外界攪拌力的作用下,污泥表面的大分子物質能夠脫離污泥顆粒;增溶作用指表面活性劑使一些溶解度不大或難容物質的溶解度增加的現象。在表面活性劑的作用下,那些脫離污泥表面的大分子物質較易溶于水。因此,本方法主要解決的是增加水解速率,從而增加剩余污泥的產酸。
發明內容:
本文針對現有污泥發酵過程水解速率慢,產酸量少的問題,提出了一種熱水解和投加表面活性劑聯合處理剩余污泥的方式,相比較單獨處理的方法,提高了有機酸的產量,且熱水解的溫度較單獨熱預處理的溫度下降約30~60%,投加的表面活性劑的計量較單獨使用表面活性劑的預處理減少約30~70%,經濟環保。
一種熱水解和表面活性劑聯合處理剩余污泥強化水解產酸的方法,其特征在于,包括以下步驟:
將污泥置于反應器中,所述污泥為污水生物處理過程的剩余污泥,含水率為90~96%,總懸浮固體TSS為10000~30000mg/L,pH=6.5~7.5;在進藥箱中加入濃度為500~1500g/L的表面活性劑;
利用熱交換器控制反應器內溫度保持在50℃~90℃;再通過加藥泵添加表面活性劑,控制反應器表面活性劑的濃度為0.015~0.025g/g污泥干重;啟動攪拌器進行攪拌1~4小時。
表面活性劑包括但不限于陽離子表面活性劑、陰離子表面活性劑或兩性表面活性劑。
本發明的主要優勢在于:
(1)應用熱水解與表面活性劑聯合預處理剩余污泥的方法使污泥發酵的水解速率增加了5倍左右。
(2)應用熱水解與表面活性劑聯合預處理剩余污泥的方法使有機酸的產量增加了4倍左右,帶來了極大的經濟效益。
(3)較單獨熱預處理的溫度下降約30~60%,投加的表面活性劑的計量較單獨使用表面活性劑的預處理減少約30~70%,經濟環保。



