申請日2016.05.29
公開(公告)日2017.02.01
IPC分類號C02F11/12; B01D50/00
摘要
本實用新型涉及一種污泥噴霧干燥處理裝置,包括化漿系統、噴霧干燥系統、尾氣除塵系統,所述化漿系統包括螺旋輸送機、化漿池、儲漿池,所述噴霧干燥系統包括高壓柱塞泵、供漿管道、噴槍、噴霧干燥塔,所述高壓柱塞泵通過供漿管道與噴槍相連,所述噴霧干燥塔由塔頂、筒體及塔下錐組成,所述塔頂設有熱風管,所述熱風管與熱風爐相連,所述噴槍安裝在噴霧干燥塔的筒體內,塔下錐的底部安裝有放料閥。本實用新型采用污泥噴霧干燥新工藝,具有工藝先進、污泥處理速度快、環保節能、生產成本低、尾料的回收利用率高、操作簡單的優點。
摘要附圖
權利要求書
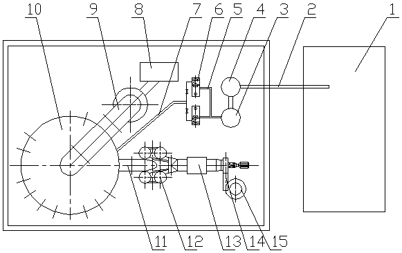
1.一種污泥噴霧干燥處理裝置,其特征在于:它包括化漿系統、噴霧干燥系統、尾氣除塵系統,所述化漿系統包括螺旋輸送機、化漿池、儲漿池、送漿管道,所述螺旋輸送機與化漿池、儲漿池依次相連,所述儲漿池通過送漿管道與噴霧干燥系統相連;所述噴霧干燥系統包括高壓柱塞泵、供漿管道、噴槍、噴霧干燥塔,所述高壓柱塞泵的進口與化漿系統的送漿管道相連,所述高壓柱塞泵的出口通過供漿管道與噴槍相連,所述噴霧干燥塔由塔頂、筒體及塔下錐組成,所述塔頂設有熱風管,所述熱風管與熱風爐相連,所述噴槍安裝在噴霧干燥塔的筒體內,塔下錐的底部安裝有放料閥;所述尾氣除塵系統包括排風管、旋風除塵器、脈沖布袋除塵器、主排風機和噴淋式除塵器,所述排風管安裝在噴霧干燥塔的塔下錐的上部,所述排風管與旋風除塵器的進口相連,所述旋風除塵器的出口與脈沖布袋除塵器的進口相連,所述脈沖布袋除塵器的出口經主排風機與噴淋式除塵器相連。
2.根據權利要求1所述的一種污泥噴霧干燥處理裝置,其特征在于:所述噴霧干燥塔的塔頂安裝有分風器,所述分風器與熱風管相連,分風器由小分葉和大分葉分別組成錐形旋渦通道,熱空氣通過熱風管從分風器的環形旋渦通道進入塔內,所述噴槍上設有噴嘴,所述噴嘴為空心的上升式螺旋管結構,所述噴嘴上設有切線方向的噴霧孔。
3.根據權利要求1所述的一種污泥噴霧干燥處理裝置,其特征在于:所述噴霧干燥塔的塔頂安裝有分風器,所述分風器與熱風管相連,分風器由小分葉和大分葉分別組成錐形旋渦通道,熱空氣通過熱風管從分風器的環形旋渦通道進入塔內,所述噴槍由固定連接頭、活動連接套、密封環、離心盤構成,所述固定連接頭與供漿管道相連,所述活動連接套與固定連接頭相適配,并與固定連接頭旋轉,所述活動連接套與固定連接頭的連接處設有密封環,所述離心盤固定在活動連接套頂部,所述離心盤外周均勻設有離心噴霧口,所述離心盤內部設有J形孔,所述J形孔一端與離心噴霧口相連,所述J形孔另一端與供漿管道相通。
4.根據權利要求1所述的一種污泥噴霧干燥處理裝置,其特征在于:所述噴霧干燥塔的塔下錐的底部安裝有冷卻器,所述冷卻器的出口設有放料閥。
5.根據權利要求1-3任一項所述的一種污泥噴霧干燥處理裝置,其特征在于:所述噴霧干燥塔的筒體上設有兩個檢測門,用于對噴霧干燥塔的工作情況進行觀察監控,并可進入噴霧干燥塔內處理出現的問題。
6.根據權利要求1所述的一種污泥噴霧干燥處理裝置,其特征在于:所述主排風機采用鍋爐引風機,鍋爐引風機的軸承通水冷卻,鍋爐引風機的進風口設有閘閥,用來調節噴霧干燥塔的塔內負壓及熱風量。
說明書
一種污泥噴霧干燥處理裝置
技術領域
本實用新型涉及污泥處理技術領域,尤其涉及一種污泥噴霧干燥處理裝置及其處理工藝。
背景技術
污泥是指處理污水所產生的固態、半固態及液態的廢棄物,含有大量的有機物、豐富的氮磷等營養物、重金屬以及致病菌和病原菌等,如果不加處理的任意排放和投棄對環境造成的危害如下:⑴侵占土地;⑵污染土壤。污泥堆置的有害成分聚集,風吹雨淋。產生高溫或者其他化學反應,會殺滅土壤微生物,破壞土壤結構,使其喪失腐蝕分解能力;⑶污泥直接摔放淤積河床、污染水體;⑷污染大氣,污泥有機物被微生物分解釋放出有害氣體、塵埃,會加重大氣污染;⑸病原菌,主要有腸道細菌、寄生蟲及病毒三大類,大部分被濃縮結合在污泥顆粒物上,其數量比污水中的高數十倍,威脅人類健康。
目前,污泥處理方式有:污泥填埋、污泥焚燒、污泥直接制磚、堆肥后農用等。污泥填埋具有投資少、不需另行添置設備的優點,但污泥穩定性差,填埋會腐爛變質產生臭氣體,污泥中的水分滲漏易污染地下水,而且污泥填埋處置成本逐年提高、占地面積大。污泥焚燒投資大,需購置污泥焚燒專用設備,運行維護費用高、能源消耗大。污泥直接制磚,由于污泥來源不穩,含水率偏高導致制磚能耗高及燒成質量偏低,燒制時,整個過程都伴隨有惡臭氣體和和毒有害氣體。污泥堆肥后農用,需要對污泥進入高溫堆肥處理,因此除需添加后續處理設備如翻堆機等,還需要提供較大的場地。另外污泥肥料必須滿足《農用污泥中污染物控制標準》。
實用新型內容
本實用新型的目的為了克服現有的技術不足,提供一種工藝先進、處理速度快、環保節能、生產成本低、尾料的回收利用率高、自動化程度高的污泥噴霧干燥處理裝置及其處理工藝。
本實用新型是通過以下技術方案予以實現的:
一種污泥噴霧干燥處理裝置,包括化漿系統、噴霧干燥系統、尾氣除塵系統,所述化漿系統包括螺旋輸送機、化漿池、儲漿池、送漿管道,所述螺旋輸送機與化漿池、儲漿池依次相連,所述儲漿池通過送漿管道與噴霧干燥系統相連;所述噴霧干燥系統包括高壓柱塞泵、供漿管道、噴槍、噴霧干燥塔,所述高壓柱塞泵的進口與化漿系統的送漿管道相連,所述高壓柱塞泵的出口通過供漿管道與噴槍相連,所述噴霧干燥塔由塔頂、筒體及塔下錐組成,所述塔頂設有熱風管,所述熱風管與熱風爐相連,所述噴槍安裝在噴霧干燥塔的筒體內,塔下錐的底部安裝有放料閥;所述尾氣除塵系統包括排風管、旋風除塵器、脈沖布袋除塵器、主排風機和噴淋式除塵器,所述排風管安裝在噴霧干燥塔的塔下錐的上部,所述排風管與旋風除塵器的進口相連,所述旋風除塵器的出口與脈沖布袋除塵器的進口相連,所述脈沖布袋除塵器的出口經主排風機與噴淋式除塵器相連。
進一步的,所述噴霧干燥塔的塔頂安裝有分風器,所述分風器與熱風管相連,分風器由小分葉和大分葉分別組成錐形旋渦通道,熱空氣通過熱風管從分風器的環形旋渦通道進入塔內,所述噴槍上設有噴嘴,所述噴嘴為空心的上升式螺旋管結構,所述噴嘴上設有切線方向的噴霧孔。
作為本實用新型的另一優選,所述噴霧干燥塔的塔頂安裝有分風器,所述分風器與熱風管相連,分風器由小分葉和大分葉分別組成錐形旋渦通道,熱空氣通過熱風管從分風器的環形旋渦通道進入塔內,所述噴槍由固定連接頭、活動連接套、密封環、離心盤構成,所述固定連接頭與供漿管道相連,所述活動連接套與固定連接頭相適配,并與固定連接頭旋轉,所述活動連接套與固定連接頭的連接處設有密封環,所述離心盤固定在活動連接套頂部,所述離心盤外周均勻設有離心噴霧口,所述離心盤內部設有J形孔,所述J形孔一端與離心噴霧口相連,所述J形孔另一端與活動連接套相通。
進一步的,所述噴霧干燥塔的塔下錐的底部安裝有冷卻器,所述冷卻器的出口設有放料閥。
進一步的,所述噴霧干燥塔的筒體上設有兩個檢測門,用于對噴霧干燥塔的工作情況進行觀察監控,并可進入噴霧干燥塔內處理出現的問題。
進一步的,所述主排風機采用鍋爐引風機,鍋爐引風機的軸承通水冷卻,鍋爐引風機的進風口設有閘閥,用來調節噴霧干燥塔的塔內負壓及熱風量。
上述的一種污泥噴霧干燥處理裝置的處理工藝,其特征在于,包括以下步驟:
S1、污泥經螺旋輸送機送入化漿池,攪拌成泥漿后進入儲漿池,所述泥漿通過送漿管道進入高壓柱塞泵;
S2、高壓柱塞泵將泥漿輸送到噴霧干燥塔內的噴槍,噴槍對輸送來的泥漿進行噴射霧化,形成具有較大表面積的泥漿顆粒螺旋式上升,同時熱風管經分風器從噴霧干燥塔頂部吹入螺旋式下降的熱空氣,與螺旋式上升的泥漿顆粒形成逆向螺旋式對流干燥,干燥后的污泥顆粒落入噴霧干燥塔底部,經放料閥排出。
S3、噴霧干燥塔內帶有微粉的廢氣經排風管先后進入旋風除塵器和脈沖布袋除塵器內進行兩級除塵,尾氣達標排放。
作為本實用新型的另一優選,所述步驟S2中的噴槍采用離心式噴霧,將輸送來的泥漿均勻離心甩出,形成按拋物線運動的離心泥漿顆粒,同時熱風管經分風器從噴霧干燥塔頂部吹入螺旋式下降的熱空氣,與按拋物線運動的離心泥漿顆粒形成紊流干燥,干燥后的污泥顆粒落入噴霧干燥塔底部,經放料閥排出。
本實用新型采用噴霧干燥新工藝對污泥進行處理,使泥漿顆粒與從噴霧干燥塔頂部吹入的熱風形成逆向對流干燥,延長污泥顆粒在噴霧干燥塔內的霧化干燥路程和時間。本實用新型能耗低、干燥效果好、投資少、自動化程度高、無污染、無臭味,明顯優于其他干燥形式,所生產的干化污泥顆粒可適合于燃燒發熱、制作水泥、綠化、填埋等各種循環利用的用途。
本實用新型采用的噴霧干燥塔具有塔內進風溫度自動控制、操作簡單方便、尾氣排放符合要求等特點。整個塔美觀,穩定性好,并配置了人性化的燈窗孔、檢修門等裝置,供漿管道和噴槍霧化裝置有操作簡單及維修方便的特點。
本實用新型利用熱空氣對泥漿噴干造粒,由于是連續工作,生產的粉料含水率穩定,流動性好。本實用新型采用多級超強旋風除塵系統及環保型脈沖布袋除塵系統,使整個生產流程更加節能環保;尾料的回收利用率高,從而降低了生產成本。
本實用新型與噴霧塔配套使用的有多品種、多系列的熱工設備節能環保型熱風爐,根據環保要求,采用生物燃料供熱。本實用新型生產的污泥顆粒熱值為1700~1800cal/kg,可作為噴霧干燥塔熱風燃料,進一步降低能耗。
本實用新型通過霧化干燥后的污泥顆粒,回收率在99.9%以上;本實用新型通過旋風除塵器和脈沖布袋除塵器進行兩級除塵,對微粉的廢氣進行凈化回收,以保證排放的煙氣潔凈,無塵無害,達到環保排放。


