申請日2014.11.04
公開(公告)日2015.02.18
IPC分類號C02F1/04; C02F101/16; C01C1/10
摘要
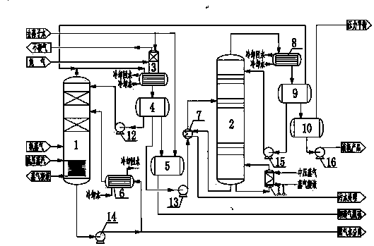
一種用于煤氣化廢水中回收氨的凈化工藝是自脫氨塔來的粗氨氣先通過凈化塔洗滌脫除部分酚類、H2S、有機硫、CO2和油等雜質后自凈化塔頂部排出,再經冷凝后進行精餾得到液氨。本發明具有高效節能,凈化效果好,回收氨純度高的優點。
權利要求書
1.一種用于煤氣化廢水中回收氨的凈化工藝,其特征在于包括如下步驟:
(1)自煤氣化廢水處理裝置脫氨塔來的粗氨氣自下部進入凈化塔,在凈化 塔底部低壓蒸汽的加熱下,氨蒸氣先通過凈化塔下段填料段與凈化塔底部的稀 氨水回流液逆向接觸洗滌,然后經上段填料段與來自凈化塔塔頂回流的稀氨水 逆流接觸洗滌,氨蒸氣經稀氨水兩段洗滌脫除部分酚類、H2S、有機硫、CO2和油 等雜質后自凈化塔頂部排出,而凈化塔塔底排出的稀氨水一部分經氨水循環泵 自下部填料段頂端返回至凈化塔,用于氨蒸氣下段洗滌,而另一部分送至煤氣 水分離系統;
(2)自凈化塔頂部排出的氨氣進入冷凝吸收器,氨氣經冷凝后向上與氮氣 混合后進入冷凝吸收器上部填料段并與冷凝吸收器頂部來的去離子水逆向接 觸,氮氣一方面起保壓的作用,另一方面則是將氨氣中殘余的不凝氣體雜質自 頂部帶出脫除,而氨氣則被去離子水吸收后形成氨水自冷凝吸收器底部排出進 入氨水槽,氨水槽中的氨水分為三部分,其中一部分經凈化塔回流泵自凈化塔 上部填料段頂端返回凈化塔,用于氨蒸氣的上段洗滌,第二部分進入稀氨水槽 后用于鍋爐煙氣脫硫,第三部分通過精餾塔進料泵,并經氨水預熱器與精餾塔 釜液換熱后自中部進入精餾塔;
(3)來自氨水槽的氨水進入精餾塔進行精餾,精餾塔再沸器通過中壓蒸汽 提供熱源,稀氨水釜液自精餾塔塔底排出后,先經氨水預熱器與精餾塔的進料 氨水換熱后送往污水處理系統,提濃后的氨氣自精餾塔頂部排出后,經冷凝器 冷凝至液氨后進入液氨儲槽9,不凝氣體雜質和部分氨氣自液氨儲槽頂部排出并 與凈化塔頂部排出的氨氣混合后進入冷凝吸收器中,而液氨儲槽中的液氨自底 部排出,一部分通過精餾塔回流泵返回至氨精餾塔頂部作為回流液,而另一部 分液氨送至液氨槽并經液氨泵送至液氨產品罐區。
2.如權利要求1所述的一種用于煤氣化廢水中回收氨的凈化工藝,其特征在于 所述的煤氣化廢水處理裝置汽提脫氨塔來的粗氨氣溫度50~60℃,壓力0.2~ 0.3MPa,質量組成為:NH3 87.0~91.0wt%,H2O 7.0~10.0wt%,H2S 0.4~0.8 wt%,CO2 1.0~3.0wt%和油0.05~0.1wt%,酚3000~6000mg/m3。
3.如權利要求1所述的一種用于煤氣化廢水中回收氨的凈化工藝,其特征在于 所述的凈化塔上下填料段的高度相同,每段占凈化塔筒體總長度的0.2~0.3之 間。
4.如權利要求1所述的一種用于煤氣化廢水中回收氨的凈化工藝,其特征在于 所述的填料為φ25~φ50mm的矩鞍環,以亂堆的形式填充。
5.如權利要求1所述的一種用于煤氣化廢水中回收氨的凈化工藝,其特征在于 所述的氨水槽中的氨水質量濃度為20~30wt%,控制其回流量保證凈化塔上段 填料段中的液氣質量比為1.5~2之間。
6.如權利要求1所述的一種用于煤氣化廢水中回收氨的凈化工藝,其特征在于 凈化塔底部氨水質量濃度為15~30wt%,控制回流量保證凈化塔下段填料中液 氣的質量比為2~3之間。
7.如權利要求1所述的一種用于煤氣化廢水中回收氨的凈化工藝,其特征在于 所述的凈化塔底部的溫度為65~70℃,凈化塔塔頂溫度為35~45℃。
8.如權利要求1所述的一種用于煤氣化廢水中回收氨的凈化工藝,其特征在于 所述的凈化塔底部回流至下段填料的稀氨水和頂部回流至上段填料的稀氨水均 冷卻至30~40℃之間。
9.如權利要求1所述的一種用于煤氣化廢水中回收氨的凈化工藝,其特征在于 所述的進入冷凝吸收器中去離子水溫度為25~35℃,去離子水吸收氨氣后形成 濃度為20~30wt%的氨水。
10.如權利要求1所述的一種用于煤氣化廢水中回收氨的凈化工藝,其特征在 于所述的氨水槽中部分20~30wt%氨水與去離子水混合成8~12wt%稀氨水后 進入稀氨水槽用于煙道氣脫硫。
11.如權利要求1所述的一種用于煤氣化廢水中回收氨的凈化工藝,其特征在 于所述的氨水槽中第三部分氨水經精餾塔進料泵增壓至2.0~2.2MPa后,然后 經氨水預熱器與精餾塔塔釜液換熱達130~140℃后進入精餾塔。
12.如權利要求1所述的一種用于煤氣化廢水中回收氨的凈化工藝,其特征在 于所述的精餾塔回流比為0.8~1.1,精餾塔塔頂溫度為65~75℃,壓力為1.4~ 1.60MPa,塔底溫度為195~210℃,壓力為1.55~1.65MPa。
13.如權利要求1所述的一種用于煤氣化廢水中回收氨的凈化工藝,其特征在 于所述的精餾塔總塔板數為35~40個,其中經氨水預熱器與精餾塔釜液換熱后 自中部進入精餾塔氨水進料口位于精餾塔自上向下5~10層塔板之間。
14.如權利要求1所述的一種用于煤氣化廢水中回收氨的凈化工藝,其特征在 于液氨的回流口位于第一層塔板之上,并距第一層塔板距離為塔板間距的0.5~ 0.6。
說明書
一種用于煤氣化廢水中回收氨的凈化工藝
技術領域
本發明屬于一種回收氨的凈化工藝,具體說涉及一種用于進行煤氣化廢水 中回收的氨凈化工藝。
技術背景
我國“富煤、貧油、少氣”的能源結構決定了煤炭仍是我國現階段最重要 的化工原料,故能否實現煤的高效和清潔轉化利用關系到我國經濟與環境的雙 重利益。煤氣化是實現煤炭轉化利用的關鍵環節,目前工業煤氣化技術主要包 括固定床氣化、流化床氣化和氣流床氣化三種,其中固定床碎煤加壓氣化具有 技術成熟、煤種適應性強和能耗低等優點在煤化工中具有廣泛應用。但碎煤加 壓氣化過程中會產生大量含氨、酚、CO2、H2S和油等雜質的氣化廢水,尤其氨的 含量高達4000~8000mg/L,如果不能將廢水中的氨回收利用,不但會導致氨資 源浪費,而且會影響后續生化處理的出水指標,進而造成環境污染。
工業上主要通過蒸汽汽提的方式回收廢水中的氨,然后經處理和凈化后回 用或生產液氨產品。但由于煤化工廢水組成極其復雜,汽提出的氨中仍含有大 量的酚類、H2S、CO2和油等污染物,其雜質含量嚴重超過氨水回用或液氨的質量 要求,進而導致諸多投產煤化工項目中都存在回收氨雜質含量過高而無法使用 的現象,不僅影響經濟效益,且氨的隨意排放會造成嚴重污染,故開發一種高 效節能煤氣化廢水中氨的凈化技術是煤化工可持續發展的必然需求。
現有的氨凈化或精制工藝主要是針對煉油廠廢水汽提出氨中單個雜質的去 除或合成氨馳放氣吸收后的稀氨水的提濃。專利CN1167084A公開了一種氨精制 工藝,通過“洗滌-結晶-吸附-精脫硫”流程脫除煉油廠蒸出氨中的H2S雜質, 該發明可將液氨的純度提高至99.8%,硫化氫含量低于1ppm。專利CN200951883Y 公開了一種合成氨馳放氣氨回收裝置,該專利主要針對的是儲罐馳放氣和合成 放空氣的氨回收并制得液氨產品,該發明不但可大大降低水的消耗,而且又不 影響合成放空氣的后續變壓吸附提氫流程。專利CN102897954A公開了一種含氨 廢水的回收和精制方法,首先在含氨廢水中加入酸性溶劑,通過逆滲透膜將酸 性廢水分離為高濃度廢水和低濃度廢水;然后將高濃度廢水通過電透析模塊或 者離子交換樹脂分離為陽離子和陰離子,陽離子即為銨離子,經處理后得純凈 的氨產品。
上述發明主要是針對煉油廠廢水中汽提出氨的凈化和合成氨馳放氣的回收 和提濃,但煤氣化廢水中的雜質種類和含量遠比煉油廠廢水和合成氨馳放氣復 雜,采用現有技術對煤氣化廢水汽提出的氨進行凈化和精制仍難以達到氨產品 的回用要求,且針對煤氣化廢水汽提得到氨的凈化技術未見報道。因此,開發 一種專門針對煤氣化廢水中汽提氨的凈化技術,徹底去除酚類、H2S、有機硫、 CO2和油等雜質,是提高氨資源利用價值和保護環境的必然需求。
發明內容
本發明的目的是針對煤氣化廢水回收的氨中含有的雜質多而不能回用的問 題,提供一種高效節能,凈化效果好,回收氨純度高的煤氣化廢水回收氨的凈 化工藝。
為達上述目的,發明人對煤氣化廢水回收氨的體系組成及熱力學特征進行 了分析,構建了相應的模擬體系并進行了模擬,并對模擬結果進行了小試實驗 驗證,結合模擬結果、實驗數據和多年的工程設計經驗,提出了一種煤氣化廢 水回收的氨先經氨氣凈化塔凈化,然后經氨精餾塔精餾的工藝及裝置,最終得 到NH3質量濃度達99.8%以上的液氨產品。
本發明公開的一種用于煤氣化廢水中回收氨的凈化工藝,其具體的工藝包 括如下步驟:
(1)自煤氣化廢水處理裝置脫氨塔來的粗氨氣自下部進入凈化塔,在凈化 塔底部低壓蒸汽的加熱下,氨蒸氣先通過凈化塔下段填料段與凈化塔底部的稀 氨水回流液逆向接觸洗滌,然后經上段填料段與來自凈化塔塔頂回流的稀氨水 逆流接觸洗滌,氨蒸氣經稀氨水兩段洗滌脫除部分酚類、H2S、有機硫、CO2和油 等雜質后自凈化塔頂部排出,而凈化塔塔底排出的稀氨水一部分經氨水循環泵 自下部填料段頂端返回至凈化塔,用于氨蒸氣下段洗滌,而另一部分送至煤氣 水分離系統;
(2)自凈化塔頂部排出的氨氣進入冷凝吸收器,氨氣經冷凝后向上與氮氣 混合后進入冷凝吸收器上部填料段并與冷凝吸收器頂部來的去離子水逆向接 觸,氮氣一方面起保壓的作用,另一方面則是將氨氣中殘余的不凝氣體雜質自 頂部帶出脫除,而氨氣則被去離子水吸收后形成氨水自冷凝吸收器底部排出進 入氨水槽,氨水槽中的氨水分為三部分,其中一部分經凈化塔回流泵自凈化塔 上部填料段頂端返回凈化塔,用于氨蒸氣的上段洗滌,第二部分進入稀氨水槽 后用于鍋爐煙氣脫硫,第三部分通過精餾塔進料泵,并經氨水預熱器與精餾塔 釜液換熱后自中部進入精餾塔;
(3)來自氨水槽的氨水進入精餾塔進行精餾,精餾塔再沸器通過中壓蒸汽 提供熱源,稀氨水釜液自精餾塔塔底排出后,先經氨水預熱器與精餾塔的進料 氨水換熱后送往污水處理系統,提濃后的氨氣自精餾塔頂部排出后,經冷凝器 冷凝至液氨后進入液氨儲槽9,不凝氣體雜質和部分氨氣自液氨儲槽頂部排出并 與凈化塔頂部排出的氨氣混合后進入冷凝吸收器中,而液氨儲槽中的液氨自底 部排出,一部分通過精餾塔回流泵返回至精餾塔頂部作為回流液,而另一部分 液氨送至液氨槽并經液氨泵送至液氨產品罐區。
如上所述的煤氣化廢水處理裝置汽提脫氨塔來的粗氨氣溫度50~60℃,壓 力0.2~0.3MPa,質量組成為:NH387.0~91.0wt%,H2O 7.0~10.0wt%,H2S 0.4~0.8wt%,CO21.0~3.0wt%和油0.05~0.1wt%,酚3000~6000mg/m3。
如上所述的凈化塔上下填料段的高度相同,每段占氨氣凈化塔筒體總長度 的0.2~0.3之間,填料為φ25~φ50mm的矩鞍環,以亂堆的形式填充。
如上所述的氨水槽中的氨水質量濃度為20~30wt%,控制其回流量保證凈 化塔上段填料段中的液氣質量比為1.5~2之間;凈化塔底部氨水質量濃度為 15~30wt%,控制回流量保證凈化塔下段填料中液氣的質量比為2~3之間。
如上所述的凈化塔底部的溫度為65~70℃,凈化塔塔頂溫度為35~45℃。
如上所述的凈化塔底部回流至下段填料的稀氨水和頂部回流至上段填料的 稀氨水均冷卻至30~40℃之間。
如上所述的凈化塔塔頂氨氣進入冷凝吸收器中,自吸收器頂部進入的去離 子水溫度為25~35℃,去離子水吸收氨氣后形成濃度為20~30wt%的氨水,不 凝氣體雜質自冷凝吸收器頂部排出。
如上所述的氨水槽中部分20~30wt%氨水與去離子水混合成8~12wt%稀 氨水后進入稀氨水槽用于煙道氣脫硫。
如上所述的氨水槽中第三部分氨水經精餾塔進料泵增壓至2.0~2.2MPa 后,然后經氨水預熱器與精餾塔塔釜液換熱達130~140℃后進入精餾塔。
如上所述的精餾塔回流比為0.8~1.1,塔頂溫度為65~75℃,壓力為1.4~ 1.60MPa,塔底溫度為195~210℃,壓力為1.55~1.65MPa。
如上所述的精餾塔總塔板數為35~40個,其中經氨水預熱器與精餾塔釜液 換熱后自中部進入精餾塔氨水的進料口位于精餾塔自上向下5~10層塔板之間, 液氨的回流口位于第一層塔板之上,并距第一層塔板距離為塔板間距的0.5~ 0.6。
本發明與現有技術相比,本發明具有的實質性特點和顯著進步在于:
(1)本發明提出的煤氣化廢水汽提回收氨的凈化工藝及裝置,能有效去除 回收氨中的酚、H2S、CO2和油等雜質,大大提高了液氨產品的純度,克服了現有 技術中由于不存在氨凈化或氨凈化技術落后而導致的氨不能回收利用的問題, 不但提高氨資源的利用率,而且避免了含氨污水的隨意排放而引起的環境污染。
(2)本發明根據整個煤氣化廢水處理工藝和工廠整體需求,提供的氨凈化 工藝和裝置不但能夠生產高純度的液氨產品,而且能夠提供10wt%左右的用于 鍋爐煙道氣的脫硫氨水,不但節省了氨凈化能耗,且提高了氨資源利用的合理 性。







