申請日2014.10.22
公開(公告)日2015.04.22
IPC分類號C02F9/04
摘要
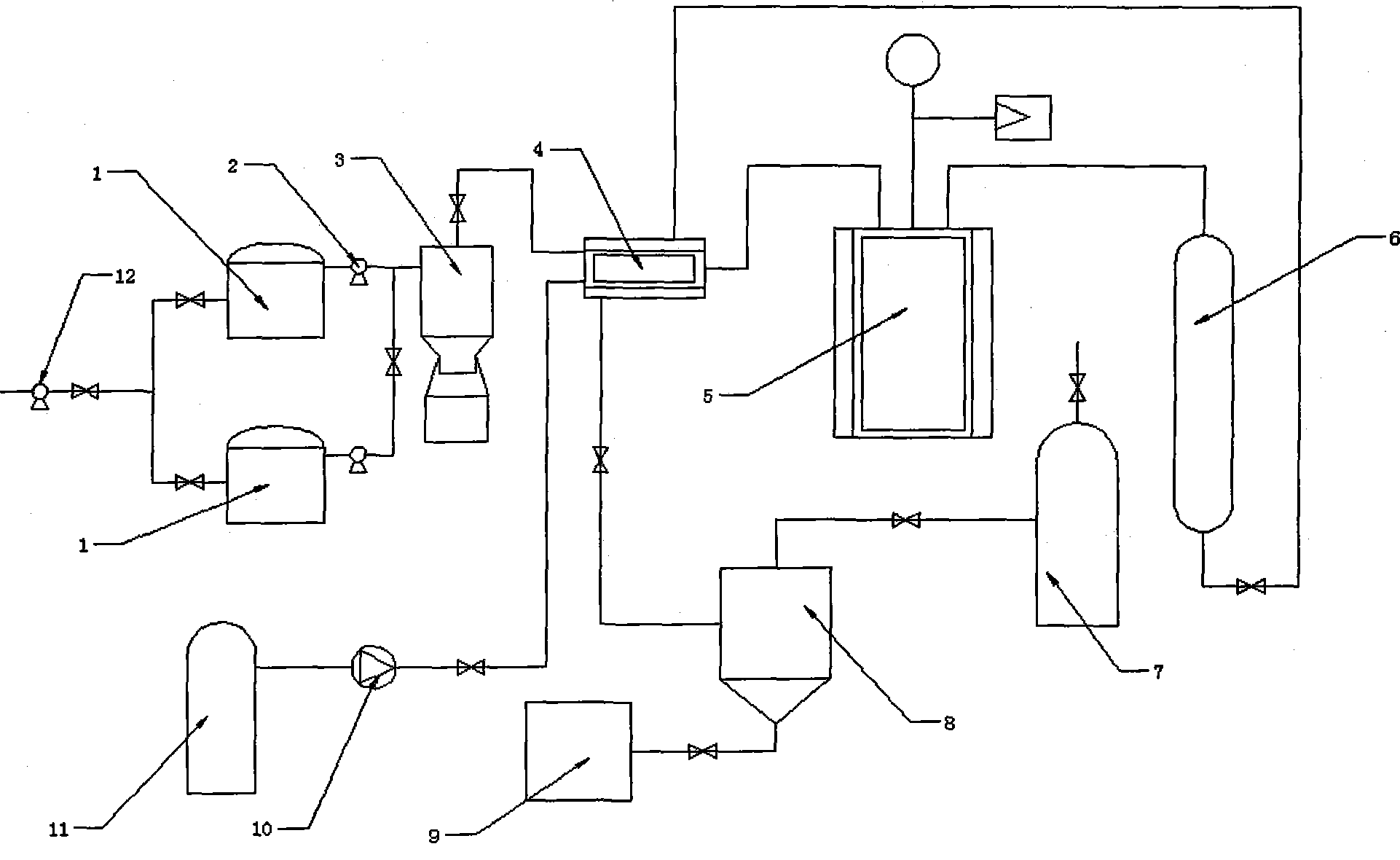
本實用新型公開了一種焦化污水處理回收利用裝置,包括污水沉降池、過濾器、超臨界反應器和氣液分離器,污水沉降池的進液口連接輸送泵,污水沉降池通過高壓計量泵連接過濾器,過濾器通過預加熱器連接超臨界反應器,超臨界反應器通過緩沖罐和預加熱器連接氣液分離器,氣液分離器上連接有氣體收集罐和液體收集罐,預加熱器還通過氣體增壓泵連接氧氣儲罐。本實用新型裝置能快速降解焦化污水,能提高污水的處理效率以及利用率,污水處理后產物可以循環利用而不再排放,不僅解決排放污染問題,而且提供了新的能源以及原料,因此減小了水資源的浪費,實現了節能減排的目的,降低了企業的生產成本。
權利要求書
1.一種焦化污水處理回收利用裝置,包括污水沉降池(1)、過濾器(3)、超臨界反 應器(5)和氣液分離器(8),其特征在于,所述污水沉降池(1)的進液口連接輸送泵 (12),污水沉降池(1)出液口通過高壓計量泵(2)連接過濾器(3),過濾器(3)通 過預加熱器(4)連接超臨界反應器(5),超臨界反應器(5)通過緩沖罐(6)和預加熱 器(4)連接氣液分離器(8),氣液分離器(8)的氣體出口連接有氣體收集罐(7),氣 液分離器(8)液體出口連接有液體收集罐(9),所述預加熱器(4)的進口還通過氣體 增壓泵(10)連接氧氣儲罐(11)。
2.根據權利要求1所述的焦化污水處理回收利用裝置,其特征在于,所述污水沉降池 (1)設有兩個,污水沉降池(1)出液口設有單獨的高壓計量泵(2)。
說明書
一種焦化污水處理回收利用裝置
技術領域
本實用新型涉及化工污水處理技術領域,具體是一種焦化污水處理回收利用裝置。
背景技術
目前,石油焦化的污水處理中,焦化污水具有成分復雜、濃度高、色度深和毒性大等 特點,除了油類、胺類、酸類,還含有多種難降解的大分子苯環物質、鐵屑以及大顆粒雜 質等雜質,這些物質的共同特點是毒性大、成份復雜、化學耗氧量高、可生化性差,如果 這些物質不加治理地向環境排放,勢必嚴重地污染環境和威脅人類的身體健康。
而且在焦化污水處理的同時必須建設新的污水處理系統,或者建立事故水池進行儲 存,再逐步少量地進入現有的生化污水處理系統進行處理。因此容易造成生化污水處理系 統的局部癱瘓,從而導致排水不能達標,這種方式對污水系統要求非?量,沒有對污水 進行回收利用,因而造成了水資源的嚴重浪費;而且在現有的一些污水處理裝置中,污水 中的大顆粒雜質以及鐵屑雜質如果不能除去,對污水的回收利用裝置造成一定的損傷,甚 至會損壞設備,也大幅提高了企業的生產成本。
實用新型內容
本實用新型的目的在于提供一種處理效果好且節能減排的焦化污水處理回收利用裝 置,以解決上述背景技術中提出的問題。
為實現上述目的,本實用新型提供如下技術方案:
一種焦化污水處理回收利用裝置,包括污水沉降池、過濾器、超臨界反應器和氣液分 離器,所述污水沉降池的進液口連接輸送泵,污水沉降池出液口通過高壓計量泵連接過濾 器,過濾器通過預加熱器連接超臨界反應器,超臨界反應器通過緩沖罐和預加熱器連接氣 液分離器,氣液分離器的氣體出口連接有氣體收集罐,氣液分離器液體出口連接有液體收 集罐,所述預加熱器的進口還通過氣體增壓泵連接氧氣儲罐。
作為本實用新型進一步的方案:所述污水沉降池設有兩個,污水沉降池出液口設有單 獨的高壓計量泵。
與現有技術相比,本實用新型的有益效果是:本實用新型裝置設置的過濾器能除去污 水中的大顆粒雜質以及鐵屑等雜質,減小了對后續處理設備的損傷,能快速降解焦化污水, 能提高污水的處理效率以及利用率,使得污水無需再進入既存的污水處理系統,污水處理 后產物可以循環利用而不再排放,不僅解決排放污染問題,而且提供了新的能源以及原料, 因此減小了水資源的浪費,實現了節能減排的目的,降低了企業的生產成本。







