申請日2016.05.13
公開(公告)日2016.10.12
IPC分類號C02F9/14; C02F103/08
摘要
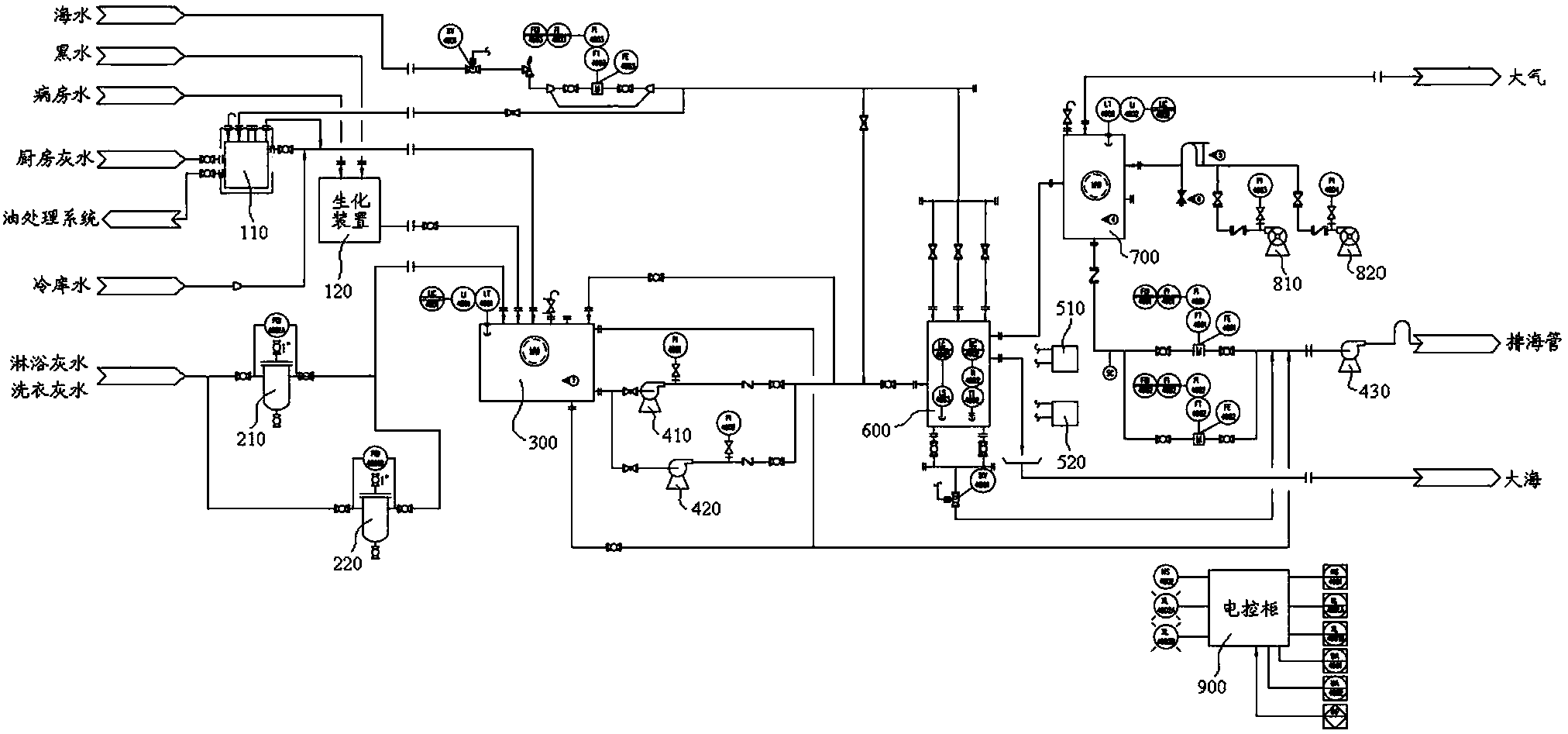
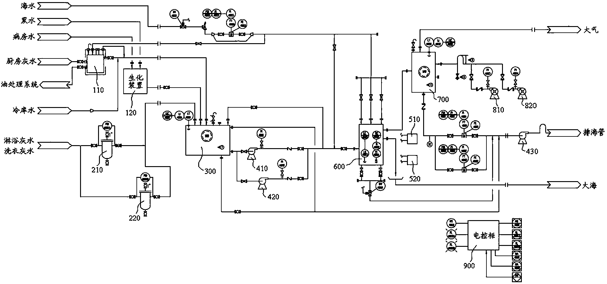
一種海洋污水處理設備,包括撇油器、生化裝置、第一灰水濾器、緩沖罐、第一粉碎泵、電解催化氧化反應器及清水罐,所述撇油器連接廚房管道和油處理管道,并排出經油污分離處理的廚房灰水和油處理系統污水,所述生化裝置連接洗手間管道和病房管道,并排出經生化處理的洗手間黑水和病房水,所述第一灰水濾器連接淋浴房管道,并排出經分離和過濾處理的淋浴房灰水,所述緩沖罐連接撇油器、生化裝置及第一灰水濾器,并排出混有泥污調節劑的灰水,所述第一粉碎泵連接緩沖罐,并排出細微顆粒的灰水,所述電解催化氧化反應器連接第一粉碎泵,并排出經氧化還原處理的灰水,所述清水罐連接電解催化氧化反應器,并排出經消毒殺菌和除氯處理后的灰水。
權利要求書
1.一種海洋污水處理設備,包括撇油器、緩沖罐、第一粉碎泵及清水罐,其特征在于:所述海洋污水處理設備還包括生化裝置、第一灰水濾器及電解催化氧化反應器,所述撇油器連接廚房管道和油處理管道,并排出經油污分離處理的廚房灰水和油處理系統污水,所述生化裝置連接洗手間管道和病房管道,并排出經生化處理的洗手間黑水和病房水,所述第一灰水濾器連接淋浴房管道,并排出經分離和過濾處理的淋浴房灰水,所述緩沖罐連接所述撇油器、生化裝置及第一灰水濾器,并排出混有泥污調節劑的灰水,所述第一粉碎泵連接所述緩沖罐,并排出細微顆粒的灰水,所述電解催化氧化反應器連接所述第一粉碎泵,并排出經氧化還原處理的灰水,所述清水罐連接所述電解催化氧化反應器,并排出經消毒殺菌和除氯處理后的灰水。
2.如權利要求1所述的海洋污水處理設備,其特征在于:所述海洋污水處理設備還包括第二灰水濾器、第二粉碎泵、第一電解電源、第二電解電源、第一鼓風機、第二鼓風機及電控柜,所述第二灰水濾器連接洗衣房管道,并排出經分離和過濾處理的洗衣房灰水,所述第二粉碎泵連接所述緩沖罐,并排出細微顆粒的灰水,所述第一電解電源和第二電解電源分別連接所述電解催化氧化反應器從而為所述電解催化氧化反應器供電,所述第一鼓風機和第二鼓風機連接所述清水罐,并對清水罐中的廢氣進行稀釋處理,所述電控柜連接所述撇油器、生化裝置、緩沖罐、電解催化氧化反應器及清水罐從而在遠端進行控制。
3.如權利要求1所述的海洋污水處理設備,其特征在于:經氧化還原處理的灰水化學需氧量數值低于240毫克每升,經除氯處理的灰水中余氯含量低于0.5毫克每升。
4.如權利要求1所述的海洋污水處理設備,其特征在于:所述撇油器包括第一輸入端、第二輸入端及輸出端,所述撇油器的第一輸入端和第二輸入端分別連接廚房管道和油處理管道以接收廚房灰水和油處理系統污水,所述撇油器將廚房灰水和油處理系統污水中的油污成分進行分離處理,所述撇油器的輸出端排出經油污分離處理的廚房灰水和油處理系統污水,所述撇油器的輸出端連接冷庫水管道以接收冷庫水。
5.如權利要求1所述的海洋污水處理設備,其特征在于:所述生化裝置包括第一輸入端、第二輸入端及輸出端,所述生化裝置的第一輸入端和第二輸入端分別連接洗手間管道和病房管道以接收洗手間黑水和病房水,所述生化裝置將洗手間黑水和病房水中的有毒物質和致病細菌進行生化處理,所述生化裝置的輸出端排出經生化處理的洗手間黑水和病房水。
6.如權利要求1所述的海洋污水處理設備,其特征在于:所述緩沖罐包括第一輸入端、第二輸入端、第三輸入端及輸出端,所述緩沖罐的第一輸入端、第二輸入端及第三輸入端分別連接所述撇油器、生化裝置及第一灰水濾器和第二灰水濾器的輸出端以接收經油污分離處理的廚房灰水和油處理系統污水、經生化處理的洗手間黑水和病房水及經分離和過濾處理的淋浴房灰水和洗衣房灰水,所述緩沖罐內加有泥污調節劑,所述緩沖罐將其接收到經處理的灰水和泥污調節劑攪拌均勻以充分混合,所述緩沖罐的輸出端排出混有泥污調節劑的灰水。
7.如權利要求2所述的海洋污水處理設備,其特征在于:所述第一粉碎泵和第二粉碎泵分別包括輸入端和輸出端,所述第一粉碎泵和第二粉碎泵的輸入端分別連接所述緩沖罐的輸出端以接收混有泥污調節劑的灰水,所述第一粉碎泵和第二粉碎泵將混有泥污調節劑的灰水進行粉碎處理,使得混有泥污調節劑的灰水由直徑較大的顆粒粉碎至細微顆粒,所述第一粉碎泵和第二粉碎泵的輸出端排出細微顆粒的灰水。
8.如權利要求1所述的海洋污水處理設備,其特征在于:所述電解催化氧化反應器包括第一輸入端、第二輸入端、第一輸出端、第二輸出端、第一電源端和第二電源端,所述電解催化氧化反應器的第一輸入端連接所述第一粉碎泵和第二粉碎泵的輸出端以接收細微顆粒的灰水,所述電解催化氧化反應器第二輸入端連接海水管道以接收海水,所述電解催化氧化反應器內加有強氧化劑,如高錳酸鉀或重鉻酸鉀,所述電解催化氧化反應器通過強氧化劑將細微顆粒的灰水中的有機物進行氧化還原處理,所述電解催化氧化反應器的第一輸出端和第二輸出端排出經氧化還原處理的灰水,所述電解催化氧化反應器的第一輸出端將一部分經氧化還原處理的灰水直接排入大海,所述第一電解電源和第二電解電源分別連接所述電解催化氧化反應器的第一電源端和第二電源端從而為所述電解催化氧化反應器供電。
9.如權利要求8所述的海洋污水處理設備,其特征在于:所述廚房管道、油處理管道、冷庫水管道、洗手間管道、病房管道、淋浴房管道、洗衣房管道及海水管道均為硬聚氯乙烯材質的排水管。
10.如權利要求1所述的海洋污水處理設備,其特征在于:所述清水罐包括輸入端、輸出端、入風口及出風口,所述清水罐的輸入端連接所述電解催化氧化反應器的第二輸出端以接收另一部分經氧化還原處理的灰水,所述清水罐內加有漂白粉和除氯劑,所述清水罐將其接收到另一部分經氧化還原處理的灰水進行消毒殺菌和除氯處理,所述清水罐的入風口連接所述第一鼓風機和第二鼓風機,所述第一鼓風機和第二鼓風機產生的強氣流對所述電解催化氧化反應器在氧化還原處理過程中產生的廢氣進行稀釋處理,所述清水罐的出風口排出經稀釋處理后的氣體至原生化出氣管并進入大氣,所述清水罐的輸出端將經消毒殺菌和除氯處理后的灰水經由原排海泵排出至排海管并進入大海。
說明書
海洋污水處理設備
技術領域
本實用新型涉及一種海洋污水處理設備。
背景技術
目前,隨著全球海洋石油開發進程的不斷擴大,海上平臺生活污水對海洋環境的污染越來越受到重視。海洋平臺作為海上鉆井采油等工作的設施,長期坐落在海域中,平臺上的工作人員日常產生的生活污水,若處理不佳必然會引起周邊海洋環境的變化。平臺生活污水通常由食堂廢水、洗澡廢水、洗衣廢水及衛生間廢水組成,鹽含量較高,同時含有大量消毒劑、油污及難降解的表面活性劑,經常規的生化處理后,不能達到國家新的環保排放標準要求,因此須對其進行深度處理。
實用新型內容
鑒于以上,有必要提供一種海洋污水處理設備,可對海上平臺生活污水中所含的各種有害物質進行處理。
一種海洋污水處理設備,包括撇油器、生化裝置、第一灰水濾器、緩沖罐、第一粉碎泵、電解催化氧化反應器及清水罐,所述撇油器連接廚房管道和油處理管道,并排出經油污分離處理的廚房灰水和油處理系統污水,所述生化裝置連接洗手間管道和病房管道,并排出經生化處理的洗手間黑水和病房水,所述第一灰水濾器連接淋浴房管道,并排出經分離和過濾處理的淋浴房灰水,所述緩沖罐連接所述撇油器、生化裝置及第一灰水濾器,并排出混有泥污調節劑的灰水,所述第一粉碎泵連接所述緩沖罐,并排出細微顆粒的灰水,所述電解催化氧化反應器連接所述第一粉碎泵,并排出經氧化還原處理的灰水,所述清水罐連接所述電解催化氧化反應器,并排出經消毒殺菌和除氯處理后的灰水。
優選地,所述海洋污水處理設備還包括第二灰水濾器、第二粉碎泵、第一電解電源、第二電解電源、第一鼓風機、第二鼓風機及電控柜,所述第二灰水濾器連接洗衣房管道,并排出經分離和過濾處理的洗衣房灰水,所述第二粉碎泵連接所述緩沖罐,并排出細微顆粒的灰水,所述第一電解電源和第二電解電源分別連接所述電解催化氧化反應器從而為所述電解催化氧化反應器供電,所述第一鼓風機和第二鼓風機連接所述清水罐,并對清水罐中的廢氣進行稀釋處理,所述電控柜連接所述撇油器、生化裝置、緩沖罐、電解催化氧化反應器及清水罐從而在遠端進行控制。
優選地,經氧化還原處理的灰水化學需氧量數值低于240毫克每升,經除氯處理的灰水中余氯含量低于0.5毫克每升。
優選地,所述撇油器包括第一輸入端、第二輸入端及輸出端,所述撇油器的第一輸入端和第二輸入端分別連接廚房管道和油處理管道以接收廚房灰水和油處理系統污水,所述撇油器將廚房灰水和油處理系統污水中的油污成分進行分離處理,所述撇油器的輸出端排出經油污分離處理的廚房灰水和油處理系統污水,所述撇油器的輸出端連接冷庫水管道以接收冷庫水。
優選地,所述生化裝置包括第一輸入端、第二輸入端及輸出端,所述生化裝置的第一輸入端和第二輸入端分別連接洗手間管道和病房管道以接收洗手間黑水和病房水,所述生化裝置將洗手間黑水和病房水中的有毒物質和致病細菌進行生化處理,所述生化裝置的輸出端排出經生化處理的洗手間黑水和病房水。
優選地,所述緩沖罐包括第一輸入端、第二輸入端、第三輸入端及輸出端,所述緩沖罐的第一輸入端、第二輸入端及第三輸入端分別連接所述撇油器、生化裝置及第一灰水濾器和第二灰水濾器的輸出端以接收經油污分離處理的廚房灰水和油處理系統污水、經生化處理的洗手間黑水和病房水及經分離和過濾處理的淋浴房灰水和洗衣房灰水,所述緩沖罐內加有泥污調節劑,所述緩沖罐將其接收到經處理的灰水和泥污調節劑攪拌均勻以充分混合,所述緩沖罐的輸出端排出混有泥污調節劑的灰水。
優選地,所述第一粉碎泵和第二粉碎泵分別包括輸入端和輸出端,所述第一粉碎泵和第二粉碎泵的輸入端分別連接所述緩沖罐的輸出端以接收混有泥污調節劑的灰水,所述第一粉碎泵和第二粉碎泵將混有泥污調節劑的灰水進行粉碎處理,使得混有泥污調節劑的灰水由直徑較大的顆粒粉碎至細微顆粒,所述第一粉碎泵和第二粉碎泵的輸出端排出細微顆粒的灰水。
優選地,所述電解催化氧化反應器包括第一輸入端、第二輸入端、第一輸出端、第二輸出端、第一電源端和第二電源端,所述電解催化氧化反應器的第一輸入端連接所述第一粉碎泵和第二粉碎泵的輸出端以接收細微顆粒的灰水,所述電解催化氧化反應器第二輸入端連接海水管道以接收海水,所述電解催化氧化反應器內加有強氧化劑,如高錳酸鉀或重鉻酸鉀,所述電解催化氧化反應器通過強氧化劑將細微顆粒的灰水中的有機物進行氧化還原處理,所述電解催化氧化反應器的第一輸出端和第二輸出端排出經氧化還原處理的灰水,所述電解催化氧化反應器的第一輸出端將一部分經氧化還原處理的灰水直接排入大海,所述第一電解電源和第二電解電源分別連接所述電解催化氧化反應器的第一電源端和第二電源端從而為所述電解催化氧化反應器供電。
優選地,所述廚房管道、油處理管道、冷庫水管道、洗手間管道、病房管道、淋浴房管道、洗衣房管道及海水管道均為硬聚氯乙烯材質的排水管。
優選地,所述清水罐包括輸入端、輸出端、入風口及出風口,所述清水罐的輸入端連接所述電解催化氧化反應器的第二輸出端以接收另一部分經氧化還原處理的灰水,所述清水罐內加有漂白粉和除氯劑,所述清水罐將其接收到另一部分經氧化還原處理的灰水進行消毒殺菌和除氯處理,所述清水罐的入風口連接所述第一鼓風機和第二鼓風機,所述第一鼓風機和第二鼓風機產生的強氣流對所述電解催化氧化反應器在氧化還原處理過程中產生的廢氣進行稀釋處理,所述清水罐的出風口排出經稀釋處理后的氣體至原生化出氣管并進入大氣,所述清水罐的輸出端將經消毒殺菌和除氯處理后的灰水經由原排海泵排出至排海管并進入大海。
相較于現有技術,本實用新型海洋污水處理設備通過所述緩沖罐連接撇油器、生化裝置及第一灰水濾器,并排出混有泥污調節劑的灰水,所述第一粉碎泵連接緩沖罐,并排出細微顆粒的灰水,所述電解催化氧化反應器連接第一粉碎泵,并排出經氧化還原處理的灰水,所述清水罐連接電解催化氧化反應器,并排出經消毒殺菌和除氯處理后的灰水,可對海上平臺生活污水中所含的各種有害物質進行處理。



