申請日2016.05.13
公開(公告)日2016.10.05
IPC分類號C02F1/04
摘要
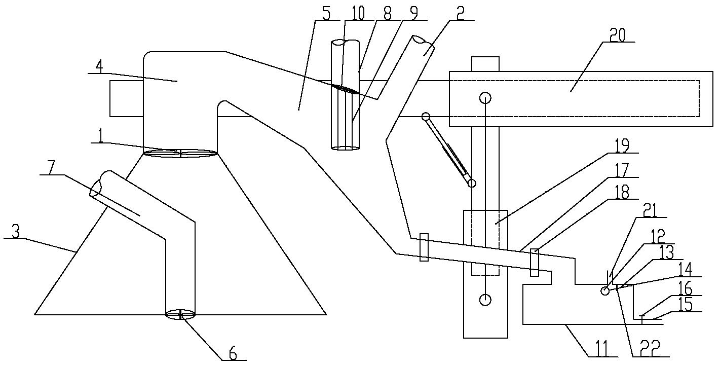
本實用新型是一種鹽水和污水轉換裝置,其包括架體、風管、引風機、制冷裝置、通風管、加熱裝置、儲水裝置和上下兩端均設有開口的集氣罩,架體上固定安裝有風管,風管包括豎直部和左高右低的傾斜部,豎直部內安裝有引風機,傾斜部內安裝有制冷裝置,傾斜部右側設有與其內腔相通的通風管;豎直部底端與集氣罩的上端開口連接并相通,集氣罩下端開口內固定安裝有加熱裝置;傾斜部的右端與儲水裝置的入水口相通。本實用新型結構合理而緊湊,使用方便,設置熱風機加快鹽水和污水的水汽蒸發量,高溫水氣在引風機的吸引下進入風管內,與空氣冷卻機吸入的低溫空氣團接觸后,溫度降低液化,具有環保、簡便、高效的特點。
權利要求書
1.一種鹽水和污水轉換裝置,其特征在于包括架體、風管、引風機、制冷裝置、通風管、加熱裝置、儲水裝置和上下兩端均設有開口的集氣罩,架體上固定安裝有風管,風管包括豎直部和左高右低的傾斜部,豎直部頂端與傾斜部左端連接并相通,豎直部的內腔內固定安裝有引風機,傾斜部的內腔中部固定安裝有制冷裝置,傾斜部右側設有與其內腔相通的通風管;豎直部底端與集氣罩的上端開口連接并相通,集氣罩下端開口內固定安裝有加熱裝置;儲水裝置的頂部有入水口,且其下部有出水口,傾斜部的右端與入水口相通。
2.根據權利要求1所述的鹽水和污水轉換裝置,其特征在于還包括太陽能蓄電池,太陽能蓄電池的電源輸出端分別與加熱裝置、引風機和制冷裝置的電源輸入端電連接。
3.根據權利要求1或2所述的鹽水和污水轉換裝置,其特征在于加熱裝置為熱風機,熱風機在集氣罩下端內部固定安裝,熱風機的進氣口上固定安裝有另一端穿出于集氣罩外側的進氣管。
4.根據權利要求1或2所述的鹽水和污水轉換裝置,其特征在于制冷裝置為空氣冷卻機,空氣冷卻機包括筒體、翅片和冷風機,傾斜部中部上端設有安裝孔,筒體中部外側固定安裝在安裝孔內,對應安裝孔下方位置的筒體的下部外側沿圓周固定安裝有至少一個翅片,筒體內固定安裝有冷風機。
5.根據權利要求3所述的鹽水和污水轉換裝置,其特征在于制冷裝置為空氣冷卻機,空氣冷卻機包括筒體、翅片和冷風機,傾斜部中部上端設有安裝孔,筒體中部外側固定安裝在安裝孔內,對應安裝孔下方位置的筒體的下部外側沿圓周固定安裝有至少一個翅片,筒體內固定安裝有冷風機。
6.根據權利要求1或2或5所述的鹽水和污水轉換裝置,其特征在于儲水裝置為貯水箱,貯水箱頂部設有排氣管,貯水箱內設有浮球閥,浮球閥包括浮球、連桿和輕觸開關,貯水箱上壁底部固定安裝有鉸接座,鉸接座與連桿中部鉸接在一起,連桿的一端與浮球固定,對應連桿的另一端所在位置的貯水箱上壁底部固定安裝有能隨浮球的上升或下降啟閉的輕觸開關,輕觸開關的信號輸出端分別與加熱裝置、引風機和制冷裝置的開關控制模塊的信號輸入端電連接;或/和,還包括土壤水分傳感器,土壤水分傳感器包括防水探頭和能對土壤的體積含水率進行測量的不銹鋼探針,不銹鋼探針的信號輸出端與防水探頭的信號輸入端電連接,在貯水箱的出水口上安裝有與之相通的排水管,排水管上裝有電磁閥,電磁閥的信號輸入端與防水探頭的信號輸出端電連接。
7.根據權利要求3所述的鹽水和污水轉換裝置,其特征在于儲水裝置為貯水箱,貯水箱頂部設有排氣管,貯水箱內設有浮球閥,浮球閥包括浮球、連桿和輕觸開關,貯水箱上壁底部固定安裝有鉸接座,鉸接座與連桿中部鉸接在一起,連桿的一端與浮球固定,對應連桿的另一端所在位置的貯水箱上壁底部固定安裝有能隨浮球的上升或下降啟閉的輕觸開關,輕觸開關的信號輸出端分別與加熱裝置、引風機和制冷裝置的開關控制模塊的信號輸入端電連接;或/和,還包括土壤水分傳感器,土壤水分傳感器包括防水探頭和能對土壤的體積含水率進行測量的不銹鋼探針,不銹鋼探針的信號輸出端與防水探頭的信號輸入端電連接,在貯水箱的出水口上安裝有與之相通的排水管,排水管上裝有電磁閥,電磁閥的信號輸入端與防水探頭的信號輸出端電連接。
8.根據權利要求4所述的鹽水和污水轉換裝置,其特征在于儲水裝置為貯水箱,貯水箱頂部設有排氣管,貯水箱內設有浮球閥,浮球閥包括浮球、連桿和輕觸開關,貯水箱上壁底部固定安裝有鉸接座,鉸接座與連桿中部鉸接在一起,連桿的一端與浮球固定,對應連桿的另一端所在位置的貯水箱上壁底部固定安裝有能隨浮球的上升或下降啟閉的輕觸開關,輕觸開關的信號輸出端分別與加熱裝置、引風機和制冷裝置的開關控制模塊的信號輸入端電連接;或/和,還包括土壤水分傳感器,土壤水分傳感器包括防水探頭和能對土壤的體積含水率進行測量的不銹鋼探針,不銹鋼探針的信號輸出端與防水探頭的信號輸入端電連接,在貯水箱的出水口上安裝有與之相通的排水管,排水管上裝有電磁閥,電磁閥的信號輸入端與防水探頭的信號輸出端電連接。
9.根據權利要求1或2或5或7或8所述的鹽水和污水轉換裝置,其特征在于還包括引水管和連接件,傾斜部右側與引水管的入口端通過連接件連接并相通,引水管的出口端與儲水裝置的入水口通過連接件連接并相通;或/和,架體包括可伸縮豎直支架和可伸縮水平支架,可伸縮豎直支架頂部與可伸縮水平支架右側固定安裝在一起,豎直部外側與可伸縮水平支架左側固定安裝在一起;或/和,集氣罩內部呈上口小下口大的錐臺狀。
10.根據權利要求6所述的鹽水和污水轉換裝置,其特征在于還包括引水管和連接件,傾斜部右側與引水管的入口端通過連接件連接并相通,引水管的出口端與儲水裝置的入水口通過連接件連接并相通;或/和,架體包括可伸縮豎直支架和可伸縮水平支架,可伸縮豎直支架頂部與可伸縮水平支架右側固定安裝在一起,豎直部外側與可伸縮水平支架左側固定安裝在一起;或/和,集氣罩內部呈上口小下口大的錐臺狀。
說明書
鹽水和污水轉換裝置
技術領域
本實用新型涉及污水處理裝置技術領域,是一種鹽水和污水轉換裝置。
背景技術
目前新疆灌區大水壓鹽地下位上升,加上過量地施肥使水中鹽分含量劇增、礦化度加劇。由于水質含鹽量大于植被耐鹽限度或者缺水,年生草本植被根本不能生長、直接導致植被受到嚴重破壞、土壤鹽堿化,裸露的土壤加劇風沙氣候的惡化。由此導致生態系統失衡、土地鹽堿化面積不斷擴大,嚴重影響了新疆地區和周邊區域的生態環境和人民日常生活、也限制了經濟的發展。又由于鹽水、污水的水源較分散、處理成本過高等原因,采用化學方法對其進行提純凈化的處理難以被大范圍地推廣。
發明內容
本實用新型提供了一種鹽水和污水轉換裝置,克服了上述現有技術之不足,其能有效解決現有鹽水、污水存在的提純成本高、利用率低、污染環境的問題。
本實用新型的技術方案是通過以下措施來實現的:一種鹽水和污水轉換裝置,包括架體、風管、引風機、制冷裝置、通風管、加熱裝置、儲水裝置和上下兩端均設有開口的集氣罩,架體上固定安裝有風管,風管包括豎直部和左高右低的傾斜部,豎直部頂端與傾斜部左端連接并相通,豎直部的內腔內固定安裝有引風機,傾斜部的內腔中部固定安裝有制冷裝置,傾斜部右側設有與其內腔相通的通風管;豎直部底端與集氣罩的上端開口連接并相通,集氣罩下端開口內固定安裝有加熱裝置;儲水裝置的頂部有入水口,且其下部有出水口,傾斜部的右端與入水口相通。
下面是對上述實用新型技術方案的進一步優化或/和改進:
上述鹽水和污水轉換裝置可還包括太陽能蓄電池,太陽能蓄電池的電源輸出端分別與加熱裝置、引風機和制冷裝置的電源輸入端電連接。
上述加熱裝置可為熱風機,熱風機在集氣罩下端內部固定安裝,熱風機的進氣口上固定安裝有另一端穿出于集氣罩外側的進氣管。
上述制冷裝置可為空氣冷卻機,空氣冷卻機包括筒體、翅片和冷風機,傾斜部中部上端設有安裝孔,筒體中部外側固定安裝在安裝孔內,對應安裝孔下方位置的筒體的下部外側沿圓周固定安裝有至少一個翅片,筒體內固定安裝有冷風機。
上述儲水裝置可為貯水箱,貯水箱頂部設有排氣管,貯水箱內設有浮球閥,浮球閥包括浮球、連桿和輕觸開關,貯水箱上壁底部固定安裝有鉸接座,鉸接座與連桿中部鉸接在一起,連桿的一端與浮球固定,對應連桿的另一端所在位置的貯水箱上壁底部固定安裝有能隨浮球的上升或下降啟閉的輕觸開關,輕觸開關的信號輸出端分別與加熱裝置、引風機和制冷裝置的開關控制模塊的信號輸入端電連接。
上述鹽水和污水轉換裝置可還包括土壤水分傳感器和排水管,土壤水分傳感器由可對土壤的體積含水率進行測量的不銹鋼探針和防水探頭組成,不銹鋼探針的信號輸出端與防水探頭的信號輸入端電連接,排水管與出水口連接并相通,排水管內裝有電磁閥,電磁閥的信號輸入端與防水探頭的信號輸出端電連接。
上述鹽水和污水轉換裝置可還包括引水管和連接件,傾斜部右側與引水管的入口端通過連接件連接并相通,引水管的出口端與儲水裝置的入水口通過連接件連接并相通。
上述架體可包括可伸縮豎直支架和可伸縮水平支架,可伸縮豎直支架頂部與可伸縮水平支架右側固定安裝在一起,豎直部外側與可伸縮水平支架左側固定安裝在一起。
上述集氣罩內部可呈上口小下口大的錐臺狀。
本實用新型結構合理而緊湊,使用方便,設置加熱裝置加快鹽水和污水的水汽蒸發量,高溫水氣在引風機的吸引下由集氣罩依次進入豎直部和傾斜部內,與制冷裝置附近的低溫空氣團接觸后,水氣的溫度降低產生液化反應,液態水沿左高右低的傾斜部流入儲水裝置內,利用本實用新型將鹽水、污水物理提純后,可直接應用于農田灌溉作業。利用高熱水汽遇冷液化的原理對鹽水和污水進行物理提純處理,為耐旱植物提供生理水,達到恢復植被覆蓋率、固定流沙、逆轉土地的沙漠化及鹽堿化的目的,工藝簡單、成本低廉,具有環保、簡便、高效的特點。



