申請日2016.05.13
公開(公告)日2016.10.19
IPC分類號C02F1/06
摘要
本實用新型公開了一種廢水減壓閃蒸濃縮系統,涉及化工工藝應用及化工機械領域,主要包括廢水熱交換單元、廢水高真空濃縮單元和閃蒸氣冷凝回收單元三個工藝過程,本實用新型實現了大量、低成本、高效率的廢水處理綠色工藝,獲得大幅降低廢水處理成本的生產經營效益和低環境風險的社會效益,克服了當前高COD含量、高毒性、可生化性差的廢水的高處理成本、高環境風險的缺點,提高企業清潔生產水平。
權利要求書
1.一種廢水減壓閃蒸濃縮系統,其特征在于,包括
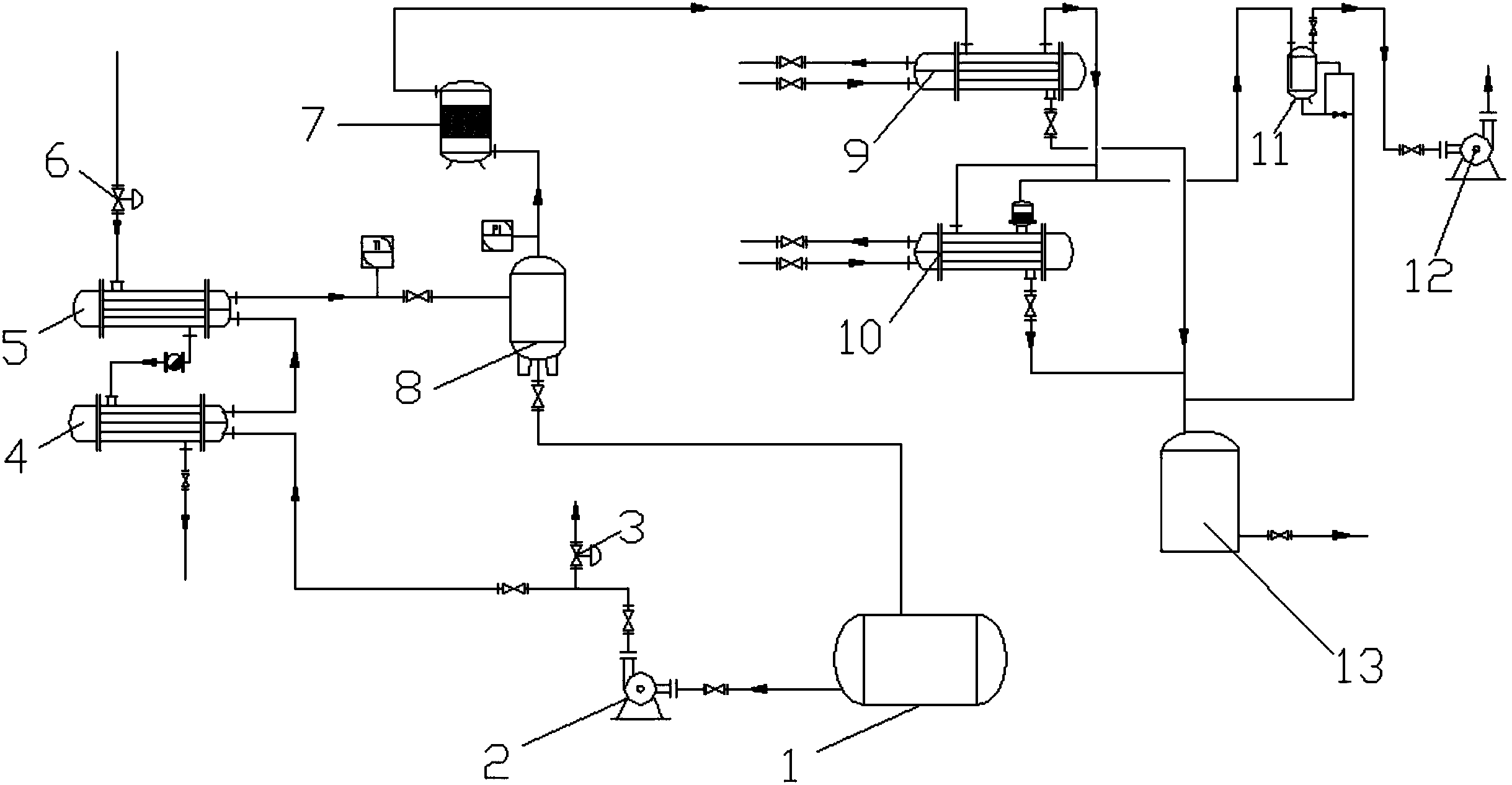
廢水熱交換單元,包括依次連接的廢水槽(1)、廢水泵(2)、二級廢水換熱器(4)和一級廢水換熱器(5),所述一級廢水換熱器(5)還連接有蒸汽調節閥(6);
廢水高真空濃縮單元,包括除沫器(8)和閃蒸罐(7),閃蒸罐(7)與除沫器(8)連接,除沫器(8)還分別與廢水槽(1)和一級廢水換熱器(5)連接;
閃蒸氣冷凝回收單元,包括依次連接的一級閃蒸冷凝器(9)、二級閃蒸冷凝器(10)及真空凈化緩沖罐(11),所述一級閃蒸冷凝器(9)和二級閃蒸冷凝器(10)還連接有閃蒸水回收槽(13)。
2.根據權利要求1所述的一種廢水減壓閃蒸濃縮系統,其特征在于:所述廢水泵(2)和二級廢水換熱器(4)之間設置有濃縮后廢水外送閥門(3)。
3.根據權利要求1所述的一種廢水減壓閃蒸濃縮系統,其特征在于:所述真空凈化緩沖罐(11)連接有真空泵(12)。
4.根據權利要求1所述的一種廢水減壓閃蒸濃縮系統,其特征在于:所述二級廢水換熱器(5)和一級廢水換熱器(4)均采用管式換熱器。
說明書
一種廢水減壓閃蒸濃縮系統
技術領域
本實用新型涉及化工工藝應用及化工機械領域,具體涉及一種廢水減壓閃蒸濃縮系統。
背景技術
目前國內大部分有機廢水處理廠家采用焚燒法、催化氧化法、鐵碳微電解法等,部分廠家采用電滲析、超臨界氧化等技術處理小量的有機廢水。但多數企業采用的焚燒法設備投資大,處理成本高,排空的煙氣對周圍環境造成極其惡劣的影響,不利于可持續發展;催化氧化法又因催化劑價格昂貴、反應條件苛刻、處理周期長效率低等原因不受青睞;鐵碳微電解法需首先對廢水進行酸化處理,且后續工藝復雜,難于處理大量廢水。
實用新型內容
本實用新型的目的在于提供一種廢水減壓閃蒸濃縮系統,實現大量、低成本、高效率的廢水處理綠色工藝,獲得大幅降低廢水處理成本的生產經營效益和低環境風險的社會效益,以克服當前高COD含量、高毒性、可生化性差的廢水的高處理成本、高環境風險的缺點,提高企業清潔生產水平。
為了實現上述目的,本實用新型采取的技術方案為:所提供的一種廢水減壓閃蒸濃縮系統,包括:
廢水熱交換單元,包括依次連接的廢水槽、廢水泵、二級廢水換熱器和一級廢水換熱器,所述一級廢水換熱器還連接有蒸汽調節閥;
廢水高真空濃縮單元,包括除沫器和閃蒸罐,閃蒸罐與除沫器連接,除沫器還分別與廢水槽和一級廢水換熱器連接;
閃蒸氣冷凝回收單元,包括依次連接的一級閃蒸冷凝器、二級閃蒸冷凝器及真空凈化緩沖罐,所述一級閃蒸冷凝器和二級閃蒸冷凝器還連接有閃蒸水回收槽。
優選的,所述廢水泵和二級廢水換熱器之間設置有濃縮后廢水外送閥門。
優選的,所述真空凈化緩沖罐連接有真空泵。
優選的,所述二級廢水換熱器和一級廢水換熱器均采用管式換熱器。
采用本實用新型的技術方案,本實用新型的系統中,廢水熱交換工藝過程是利用管式換熱器作為熱交換設備,通過蒸汽等熱源介質對廢水進行多級加熱,并根據閃蒸量決定所需的加熱溫度;廢水減壓閃蒸濃縮工藝過程是閃蒸罐作為主體反應設備,加熱后廢水通過泵送入閃蒸罐,在真空條件下廢水中的水迅速汽化,而難揮發的有機物留在廢水中,以達到廢水高效濃縮的效果;閃蒸氣冷凝回收工藝過程是將經過高效除沫器的閃蒸氣利用管式換熱器作為熱交換設備,通過循環水等冷卻介質對閃蒸氣進行多級冷凝,冷凝水送至處理系統或者返回化工生產回收利用,不凝氣繼續經過真空凈化緩沖罐,從真空系統排出;本實用新型實現了大量、低成本、高效率的廢水處理綠色工藝,獲得大幅降低廢水處理成本的生產經營效益和低環境風險的社會效益,克服了當前高COD含量、高毒性、可生化性差的廢水的高處理成本、高環境風險的缺點,提高企業清潔生產水平。



